Студопедия

Главная страница Случайная страница

КАТЕГОРИИ:

АвтомобилиАстрономияБиологияГеографияДом и садДругие языкиДругоеИнформатикаИсторияКультураЛитератураЛогикаМатематикаМедицинаМеталлургияМеханикаОбразованиеОхрана трудаПедагогикаПолитикаПравоПсихологияРелигияРиторикаСоциологияСпортСтроительствоТехнологияТуризмФизикаФилософияФинансыХимияЧерчениеЭкологияЭкономикаЭлектроника






Спецификация элементов заполнения проемов






Таблица № 1.2

  Поз.   Обозначение   Наименование   Количество по фасадам Масса, кг     Примечание
1-7 7-1 А-Г Г-А Всего
    3              
ОК1 СТБ 939-93 ОС 9-18       --    
ОК2 СТБ 939-93 ОС 18-24 -   - -      
  СТБ 1138-98 ДНДГ 9.24.Ф А     -      
  СТБ 1138-98 ДВМГ 8.21 В   -        
ВР-1 СТБ 1138-98 ВМГ 48.30 - - -      

 

Изм. Лист № докум. Подп. Дата ДП 2 70 02 01.04.16266 ПЗ Лист
           
         
    1.3.3 Спецификация основных сборных железобетонных конструкций   Таблица № 1.3
Поз. Обозначение Наименование Кол. Масса ед.кг. Прим.  
             
Столбчатый фундамент  
Ф-1 Серия 1.412.1/77 ФА 2-1 (1800× 1500× 1500)      
Фундаментные балки  
ФБ-1 Серия 1.415–1в.1 ФБ 6-46 (5050× 300/200× 300)      
Колонны  
К-1 Серия 1.423-3 в. 0-1 К 72-13 (5100× 400× 400)      
Стропильные балки  
БС-1 Серия 1.462.1-3/80 1 БДР 12-1К7Т (17960× 890× 290)      
Стеновые панели  
  ПС-1   ПС600.9.30-II-I       1, 58   31, 6  
  ПС-2   ПС600.18.30-II-I       3, 29   19, 74  
  ПС-3   ПС600.12.30-II-I       2, 12   59, 36  
  ПС-4   ПС145.12.30-II       0, 51   10, 2  
  ПС-5   ПС55.12.30-II       0, 19   2, 66  
  ПС-6   ПС295.12.30-II-I       1, 04   8, 32  
  ПС-7   ПС145.18.30-II-А       0, 77   1, 54  
                     

 

Изм. Лист № докум. Подп. Дата ДП 2 70 02 01.04.16266 ПЗ Лист
           
         
Плиты покрытия  
П-1 Серия 1.465.1-7/84 2ПГ6-3АтУГЛ-1 (5980× 1480× 300)      
П-2 Серия 1.465.1-7/84 2ПГ6-3АтУГЛ-1 (5980× 1480× 300)          
Парапетные плиты  
ПП-1   Серия 1.138 1-20 Выпуск 1 АП-30, 4 2280-400     0, 12 - 7, 08  
ПП-2       Серия 1.138 1-20 Выпуск 1 АП-14, 4 1200-400     0, 06 -  
ПП-3       Серия 1.138 1-20 Выпуск 1 АП-10, 4 800-400     0, 04 -  
                       

 

1.4 Генеральный план

Здание размещается на участке со спокойным рельефом. Участок прямоугольной формы размером 36000*18000 м. Кроме проектируемого здания на участке расположены: склад запчастей, курилка. Разрывы между названными зданиями запроектированы с учетом санитарных и противопожарных норм по СНиП 2-60-75.

Между мастерской и курилкой – 4 м.

Мастерской и складом запчастей – 10м.

Ширина дорог – 6 м, тротуаров – 2 м.

Выполнена координационная привязка здания к осям строительной геодезической сетки. Абсолютная отметка, соответствующая нулевой 175, 5 м.

 

 

 

Изм. Лист № докум. Подп. Дата ДП 2 70 02 01.04.16266 ПЗ Лист
           
         
1.5 Технико-экономические показатели объёмно-планировочного решения здания и генерального плана   1.5.1. Технико-экономические показатели объёмно-планировочного решения здания   а) Площадь застройки – 6480 м2 б) Строительный объём – 4082, 4 м3 в) Общая площадь – 648 м2 г) Рабочая площадь – 413 м2 д) К1 = 0, 88 е) К2 = 1, 59 1.5.2. Технико-экономические показатели генерального плана   а) Площадь участка – 2, 16 га б) Площадь застройки – 0, 648 га в) Площадь дорог – 0, 192 га г) Площадь озеленения – 1, 32 га   д) К3 = 0, 713 е) К4 = 0, 628  
Изм. Лист № докум. Подп. Дата ДП 2 70 02 01.04.16266 ПЗ Лист
           
         
  1.6 Экология.   Проектируемый объект вредных выбросов в атмосферу не дает. Проектом предусмотрен сбор бытового мусора и твердых бытовых отходов на основании «Санитарные правила содержания территории населенных мест» Для обеспечения должного санитарного уровня населенных мест и более эффективного использования парка специальных машин, заказчиком заключается договор с ЖКХ по удалению мусора по единой централизованной системе специализированным транспортом коммунальным предприятиям исполкома. Мероприятия по охране окружающей среды: – при выполнении планировочных работ почвенный слой, пригодный для последующего использования, необходимо предварительно снять и складировать в специально отведенных местах; – не допускается попадания горюче - смазочных материалов в грунт и воду.– все строительно-монтажные работы производить с максимальным сохранением существующих древесно-кустарниковых насаждений. При необходимости оградить деревянными ограждениями; – не допускается при уборке отходов и мусора сбрасывать их с этажей зданий и сооружений без применения закрытых люков и бункеров наполнителей. Собрать мусор без желобов или других приспособлений разрешается с высоты не более 3 метров; – запрещается хранить строительный мусор на строительной площадке, его необходимо вывозить на свалку; – материалы, содержащие вредные или взрывоопасные растворители необходимо хранить в герметически закрытой таре; – все механизмы, работающие от двигателей внутреннего сгорания проверить на токсичность выхлопных газов; – применения строительных машин с электроприводом и использования для нужд строительства, электроэнергии взамен твердого или жидкого топлива. При нарушении правил электробезопасности возможно поражение людей током. Безопасным можно считать напряжение 12 и 36 В. Для предотвращения несчастных случаев все доступные для случайного прикосновения токоведущие части ограждают сетками или щитами. Оголенные места токоведущих частей изолируют, а токоприемные устройства заземляют. Работа монтажных механизмов непосредственно под действующей линией электропередачи не допускаются, а вблизи линий электропередачи возможна лишь по особому наряду – допуску, выдаваемому ответственному инженерно – техническому работнику. При поражении человека электрическим током необходимо быстро освободить его от действия тока и немедленно оказать медицинскую помощь.    
Изм. Лист № докум. Подп. Дата ДП 2 70 02 01.04.16266 ПЗ Лист
           
         

 

  2.Расчетно-конструктивная часть. 2.Расчет колонны первого этажа Рассчитать и сконструировать колонну среднего ряда двухэтажного здания с плоской кровлей при случайных эксцентриситетов (еo=еa). Высота этажа H=4, 2 м. Сетка колонн 6x3м. Здание возводится во III климатическом районе. Членение колонн поэтажное. Ригели опираются на консоли колонн. Класс бетона по прочности C25/30, продольная арматура S500. Коэффициент назначению γ n=0, 95.   2.1.1 Определение нагрузок и усилий. Грузовая площадь от перекрытия и покрытия при сетке колонн 6x3м, равна 18м². Подсчет нагрузок сведен в табл. 2.1. При массе ригеля на 1м длины составит h× b× p=0, 6·0, 4·2500=600кг, на 1м² 600/6=100кг=1000Н. Таблица 2.1Нормативная и расчетная нагрузка  
Вид нагрузки Нормативная нагрузка Н/м Коэф-т надежности Расчетная нагрузка Н/м
       
От покрытия:
-от 2-х слоев рубероида   1, 35  
-от цементного выравнивающего слоя: t=0, 05м; р=1600кг/м.   1, 35  
-от пароизоляции в 1 слой   1, 35  
-от сборной ж/б плиты   1, 35  
-от ригеля   1, 35  
Итого:      
Кратковременная   1, 5  
Длительная   1, 5  
Постоянная + длительная      
Всего от покрытия      

Сечение колонны bcxhc=40x40см. Расчетная длина колонны первого этажа с учетом некоторого защемления. Учет защемления предполагает тщательную заделку колонны в стакане фундамента:

lo=0, 7Н1=0, 7·4, 2=2, 94м;

Собственный расчетный вес колонны на один этаж:

- в первом этаже:

Gc1=bc·hc·Hf1·p· γ f=0, 4·0, 4·4, 2·25·1, 1=9, 4кН;

 

 

            ДП 2-70 02 01.04 16266 ПЗ
           
Должность Фамилия Роспись Дата
        Пункт технического обслуживания и ремонта машин Стадия Лист Листов
Разработал Былинский Е Ю     У    
Консультант .Дроздова Е.И     БГСПТК
Руководитель . Е.А.Дартевич    
Н. контр. .Макарченко Л.К    

 

  2.1.2 Подсчет расчетных нагрузок Длительно действующая нагрузка определяется: N´ ld=Nld, пок·Ac+(n-l)·Nld, пер·Ac+(n-l)·Gc+Gcl= =6417·36+22, 680=253, 7кН Полная определяется: N´ =N·Ac+(n-l)·Nпер·Ac+(n-l)·Gc+Gcl =74670·36+22, 680= 291, 5кН   2.1.3 Расчет продольной арматуры колонны (алгоритм 8) Усилия действующие на колонну с учетом γ η =1 будет равно:   Nsd=N´ ·γ n=291, 5 *1=291, 5 кН, Nsd, ld=253, 7 кН Вычисляем эксцентриситет: еа=hc/30=40/30=1, 33 см; еа=lo/600=294/600=0, 49см; еа=2см. 1) Принимаем еа=2см; 2) Nsd=291, 5 кН; Nsd, ld=253, 7 кН; fcd=16, 6МПа; a=1; fyd=450МПа; l0=2, 94м. 3) Задаемся φ = 1; принимаем рl= pl, opt-0, 01; 4) Ас =1600 см²; 5) KLt=1+Nsd, ld/Nsd=1+253, 7/291, 5 кН =1, 87; 7) leff =l·√ KLt=294·1, 87=402, 04 cм; 8) λ i=leff/h=402, 04/40=10, 05 9) еа /h=2/30=0, 005; По таблице 7.2 принимаем φ =0, 8; 10) As1, tot=(Nsd/φ -α ·fcd·Ac))/fyd=(253, 7 /0, 8-1·1, 66·1600)/36, 5=-64, 08cм2; Принимаем 8Ø 16, S400 с As=16, 08см2; Определяем ρ l=As, tot/Ac=0, 03; Сравниваем получившееся значение ρ l с допустимым: 0, 003< 0, 03=0, 03; условие удовлетворяется; 11) NRd=φ (a·fcd·Ac+fyd-As, tot)=0, 8·(1, 66·1600+36, 5·16, 08)=2594, 3кН. 12) Nsd< NRd; 253, 7 < 2594, 3; Несущая способность обеспечена. 2.1.4 Расчет поперечной арматуры колонны Назначаю поперечную арматуру по конструктивным требованиям: Ø W= Ø \3, 5=16\3, 5=5 мм, класс S500; Шаг S=250мм < 20· Ø =20*16=320 мм; 2.1.5. Расчёт консоли колонны Расчёт размеров консоли: L=Vsd, риг/(Ψ ·fcd·bриг ·sinӨ), где ψ = 0, 75- коэффициент, учитывающий неравномерное давление ригеля на опорную консоль, fcd – расчетное сопротивление местному сжатию. Поперечная сила на опоре ригеля равна Vsd, риг=qриг·lср/2=21, 45·8, 8/2=94, 7кН, откуда qриг=(q´ +p´)·Bp+hp·bp·ρ o·γ f=7467·6+0, 6·0, 3·25·1, 35=44, 80+6, 075=50, 875кН/м, где hp и bp – размеры поперечного сечения ригеля, Bp – шаг ригеля. lср=l-2·h/2-2·t=6-2·0, 4/2-2·0, 002=5, 6м – расчетная длина ригеля, t – зазор между торцом ригеля и гранью колонны (принимается от 15 до 20 мм). α =13, 5 fctd / fcdl для бетонов класса С25/30 и выше.  
Изм. Лист № докум. Подп. Дата ДП 2 70 02 01.04.16266 ПЗ Лист
           
         
Отсюда L=Vsd, риг/(Ψ ·fcd·bриг ·sinӨ)=142, 45/(0, 75·1, 66·30·0, 707)=5, 39см. Наименьший вылет консоли с учетом зазора составляет l1=L+t=6+2=8см, но не менее 20 см при этом расстояние а= ℓ 1- L/2=22-20/2=12 см Высота консоли в сечении у грани h=0, 7·0, 6=42cм. d=h-c=42-3=39cм. У коротких консолей (ℓ 1< 0, 9d)угол у сжатой грани с горизонталью не должен превышать 45.Высота консоли в сечении у грани h=(0, 7-0, 8) hр, при этом h1=22> h/2=30/2=15см. Поскольку ℓ 1=22 см < 0, 9d=0, 9х39=35, консоль короткая Расчёт прочности наклонного сечения Vsd, риг=94, 7кH < 0, 8·φ wx ·fcd ·l·b·sinӨ =0, 8·1, 02·1, 66·12·60·0, 707=689, 7кН; ae=Es/Еc=200/29, 5=6, 77; η w1 = 1 + 5 .α Е . ρ sw = 1 + 5 . 6, 77 . 0, 0006 = 1, 02. psw=Asw/(b·S)=2·0, 198\(60·10)=0, 00066; Консоль армируют горизонтальными каркасами Ø W=6мм; S240; S=100мм   Расчёт площади сечения рабочей арматуры Mk=Vsd ·a=142, 45*12=1709, 4кН·см Площадь сечения продольной арматуры: Asl=1, 25·Mk/(fyd ·d·φ)=1, 25·1709, 4/(36, 5·39·0, 7)=2, 14см². Принимаем 2Ø 12, S400 с AS1=2, 26см2; 2.1.6 Расчет колонны на монтажные и транспортные усилия. При перевозке и монтаже изменяется характер работы колонны.Она начинает работать на изгиб. Ее расчетная схема при перевозке принимает вид l1 ≈ 0, 2 lcol; lcol = lo + hзад; hзад ≈ 700 мм; lcol = 3, 8; l1 = 0, 2 . 4, 2 ≈ 0, 84 м l2 = lcol – 2 l1 = 4, 2 – 2 . 0, 8 = 2, 52 м; q = b . h. γ . γ f . γ d = 0, 4 . 0, 4. 25. 1, 1. 1, 6 = 6, 43 кН/м; М1 = q . l12 / 2 = 6, 43. 0, 82 / 2 = 2, 28 кН . м q l1 l2 l1 lcol M1 M1  
Изм. Лист № докум. Подп. Дата ДП 2 70 02 01.04.16266 ПЗ Лист
           
         
  М2 = q . l22 / 8 – М1 = 6, 43. 2, 522 / 8 =5, 1-2, 28=2, 82 кН . м; При монтаже расчетная схема колонны принимает вид: q l3 l1 М1 М3 l3 = lcol – l1= 4, 2 – 0, 84 = 3, 36 м; М3 = 6, 43 . 3, 362 / 8 –2, 82 / 2 = 7, 66 кН . м; Проверяем прочность колонны как изгибаемого элемента прямоугольного профиля на действие Мsd = max {M­1; M2; M3} = 7, 66 кН м. Мsd = 7, 66 кН . м; fcd = 16, 67 МПа; α = 1; fyd = 365 МПа; b = 0, 4 м; h = 0, 4 м; с = 4 см; Аs1 =16, 08 см2; d = 0, 36 м; ξ lim = 0, 601; 1) ξ = fyd . Аs. fcd .b.d = 36, 5*16, 08. /1 .1, 66. 40 .36 = 0, 24; 3) ξ < ξ lim; 0, 26 < 0, 601;   4)α 0 = ξ (1 – 0, 5 ξ) = 0, 24 (1 – 0, 5 . 0, 24) = 0, 21;   4) MRd = α . fcd .b.d2. α 0 = 1. 1, 66. 40 . 362. 0, 23 = 18, 071 кН . см;   5) Msd ≤ MRd; 389 кН . см ≤ 18, 071 кН . см;   Несущая способность обеспечена.   При подъеме вес колонны может передаваться на одну петлю. Усилие в ней составит N = q . lcol = 6, 43 . 4, 2 = 27, 006 кН. Требуемая площадь сечения петли будет равна
Изм. Лист № докум. Подп. Дата ДП 2 70 02 01.04.16266 ПЗ Лист
           
         
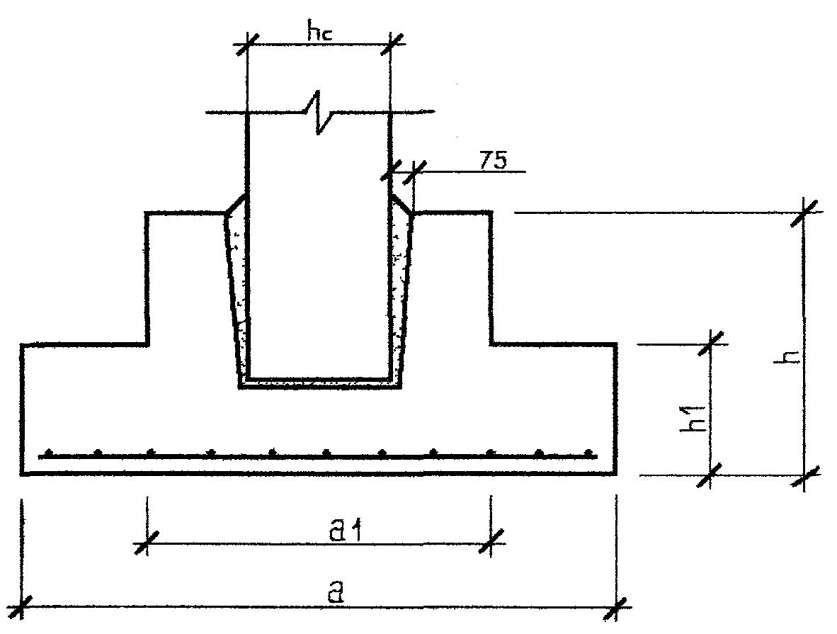
As1Тр = N / fyd = 15, 05 /21, 8 = 1, 24 см2; Принимаем ø 12 S240 с Аs1 = 1, 313 см2   2.2. Расчет монолитного центрально-нагруженного фундамента под колонну.   Рассчитать и сконструировать ж/б фундамент под колонну среднего ряда. Бетон тяжелый класса С12/15, арматура класса S400, конструктивная арматура класса S240.Условное расчетное сопротивление основания R0=0, 3МПа. Глубина заложения фунда­мента H1=-1, 7. Средний удельный вес грунта на его уступах γ ср= 20 кН/м³. 2.2.1. Определение нагрузок на фундамент. Расчетная нагрузка колонны первого этажа с учетом γ f =1, 15; N1=291, 5кН; fcd=8МПа. Определяем нормативную нагрузку на фундамент: Nn=N1/γ f =291, 5/1, 15=253, 48кН.   2.2.2 Расчет тела фундамента Требуемая площадь подошвы фундамента: Аф=Nn/(Ro-γ cp·H1)=253, 48/(300-20·1, 3)=1, 27м2; Разм еры сто рон ы в фундамента плане: aф=√ АфТр=√ 1, 27=1, 13м; Принимаем размер подошвы фундамента 1, 8× 1, 8м; Аф=3, 24 м²   2.2.3 Определение высоты фундамента Вычисляем наименьшую высоту фундамента 1) Из условия продавливания его колонной по поверхности пирамиды продавливания при действий расчетной нагрузки: Ргр=N1/Аф=291, 5 /3, 24=89, 97 кПа ho=-(hk+bk)/2+(√ N1/(fcd+Ргр))/2=-(0, 3+0, 3)/2+(√ 291, 5/(73, 3+89, 97))/2=0, 97м. =-(0, 3+0, 3)/2+(√ 291, 5/(73, 3+89, 97))/2=0, 97м. Полная минимальная высота фундамента hф ≥ ho+c=73+3=76см, с – защитный слой. 2) Высота фундамента из условия заделки колонны в зависимости от размеров её сечения: h=1, 5·hk+25=1, 5·30+25=70см. 3) Из конструктивных соображений, учитывая необходимость надёжно закрепить стержни продольной арматуры при жёсткой заделке колонны в
Изм. Лист № докум. Подп. Дата ДП 2 70 02 01.04.16266 ПЗ Лист
           
         
  фундаменте, рекомендуется принимать равной не менее: h=30·ds+25=30*1, 6+25=73см. Принимаем высоту фундамента h=90cм, кратно 15см. Число ступеней – 2. Высота нижней ступени – 45см. а=1, 8м, а1=1900 мм Msd1=0, 125·ргр·(aф-hk)² ·bф=0, 125·89, 97·(1, 8-0, 3)2·1, 8=45, 55кН·м; Msd2=0, 125·ргр·(aф-a1)² ·bф=0, 125·89, 97·(1, 8-0, 6)2·1, 8=29, 15кН·м; Определяем рабочую высоту расчетных сечений: d1=h1-c=450-40=410 мм; а2=hф-с=900-40=860 мм. 2.2.4. Определение площади рабочей арматуры Определяем требуемую площадь сечения арматуры рабочей сетки: AsI=Msd1/(0, 9·fyd· d)=4555/(0, 9·36, 5·86)=1, 61см2; AsII=Msd2/(0, 9·fyd·d1)=2915/(0, 9·36, 5·41)=2, 16см2; A­s1, min1 = ρ l, min . bф. d1 = 0, 0015 . 180 . 41 = 0, 000594 м2 =11, 07 см2; A­s1, min2= ρ l, min . bобр. d2 = 0, 0015 . 90 . 86 = 0, 001296 м2 = 11, 61 см2; Требуемую площадь сечения арматуры рабочей сетки принимаем наибольшей из следующих величин: Таблица 4.1
S      
n= ——— S      
11, 61 As= ——— n 0, 645 0, 97 1, 29
Ø тр Ø 10; 0, 785 Ø 12; 1, 313 Ø 12; 1, 313
As1=n·Ø тр 14, 13 15, 756 11, 817

 

Проектируем рабочую сетку

Принимаем сетку из арматуры диаметром 12мм, класса S400, с шагом S – 200мм.

 

Изм. Лист № докум. Подп. Дата ДП 2 70 02 01.04.16266 ПЗ Лист
           
         

 

 

 


Поделиться с друзьями:

mylektsii.su - Мои Лекции - 2015-2026 год. (2.521 сек.)Все материалы представленные на сайте исключительно с целью ознакомления читателями и не преследуют коммерческих целей или нарушение авторских прав Пожаловаться на материал