Студопедия

Главная страница Случайная страница

КАТЕГОРИИ:

АвтомобилиАстрономияБиологияГеографияДом и садДругие языкиДругоеИнформатикаИсторияКультураЛитератураЛогикаМатематикаМедицинаМеталлургияМеханикаОбразованиеОхрана трудаПедагогикаПолитикаПравоПсихологияРелигияРиторикаСоциологияСпортСтроительствоТехнологияТуризмФизикаФилософияФинансыХимияЧерчениеЭкологияЭкономикаЭлектроника






Пример составления схемы






Собрать схему логического элемента " И".

3.1. В группе Logic Gates, выбирается логический элемент " И".

 

Двумя щелчками мыши на изображении логического элемента переходим к настройкам параметров логического элемента " И". Выбираем количество входов, например 4.

Можно присвоить название логическому элементу.

К выходу логического элемента присоединяем из группы INDICATORS красный светодиод.

 

 

Для получения логического сигнала (0 или 1) удобно воспользоваться источником напряжения

и переключателем

 

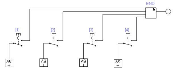
Затем набираем 4 источника и 4 переключателя. При этом присваиваем каждому переключателю клавишу переключения (рис. 1.6):

 

 

Рис. 1.6

 

 

Затем соединяем входы логической схемы " И" с каждым из переключателей (рис. 1.7).

 

 

Рис. 1.7

Проверка состоит в подаче различных кодовых комбинаций на вход логической схемы (рис. 1.8).

 

 

Рис. 1.8

 

 

 

Рис. 1. 9

 

На выходе логической схемы " И" появляется логическая 1 (горит светодиод) только при подаче логических 1 (потенциал 5 вольт) на все четыре входа логической схемы " И" (рис. 1.9).

 

4. Содержание отчета

 

1. Правила запуска и настройки программного моделирующего комплекса EWB.

2. Перечень основных элементов из библиотеки EWB, необходимый для моделирования логических схем и цифровых устройств ЭВМ.

3. Примеры, выполненные по заданию преподавателя. Последовательность составления моделируемой схемы.

Контрольные вопросы

1. С помощью каких элементов можно смоделировать подачу логической 1 и логического 0?

2. Какие элементы служат для отображения на дисплее шестнадцатеричных чисел от 0 до F.

3. Генератор кодов его назначение?

 

 


Поделиться с друзьями:

mylektsii.su - Мои Лекции - 2015-2026 год. (1.434 сек.)Все материалы представленные на сайте исключительно с целью ознакомления читателями и не преследуют коммерческих целей или нарушение авторских прав Пожаловаться на материал