Студопедия

Главная страница Случайная страница

КАТЕГОРИИ:

АвтомобилиАстрономияБиологияГеографияДом и садДругие языкиДругоеИнформатикаИсторияКультураЛитератураЛогикаМатематикаМедицинаМеталлургияМеханикаОбразованиеОхрана трудаПедагогикаПолитикаПравоПсихологияРелигияРиторикаСоциологияСпортСтроительствоТехнологияТуризмФизикаФилософияФинансыХимияЧерчениеЭкологияЭкономикаЭлектроника






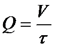
Объемный расход электролита






где:

V = 200л – объем воды в аппарате;

τ – время удаления из аппарата электролита в кг/м3, я хочу чтобы аппарат опустошался не более чем за10мин.=600сек.

м3

Q=3*10-4м3

 

м = 62мм;
Принимаем диаметр штуцера d1 = 65 мм.

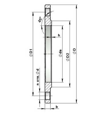
Фланцы для патрубков

Фланцы выполнены из стали Ст3

(стр.547) [3]:

 

· Dф =D= 160 мм;

· Dб = D1=130 мм;

· D1 = D2=110 мм;

· dб = М12;

· z = 4;

· h =11мм;

· масса=1, 39кг.

 

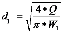
Проходной диаметр штуцера для входа сухого КОН:

где:
W1 – скорость потока сухого КОН, так как щелочь поступает в смеситель самотеком, принимаем скорость равной 0, 1 м/с;
Q – объемный расход исходной смеси, м3/с.
Q – неизвестна.

Объемный расход исходной смеси

где:

V = 90кг=90/2=40, 9л=0, 041 м3 – объем КОН в аппарате;

τ – время наполнения аппарата в кг/м3, я хочу чтобы аппарат наполнялся не более 10мин.=600сек.

м3

Q=0, 68*10-4м3

 

м = 41мм;
Принимаем диаметр штуцера d1 = 41 мм., но обычно для засыпки сухих смесей берут отверстие больше (180мм).

 


Поделиться с друзьями:

mylektsii.su - Мои Лекции - 2015-2026 год. (1.764 сек.)Все материалы представленные на сайте исключительно с целью ознакомления читателями и не преследуют коммерческих целей или нарушение авторских прав Пожаловаться на материал