Студопедия

Главная страница Случайная страница

КАТЕГОРИИ:

АвтомобилиАстрономияБиологияГеографияДом и садДругие языкиДругоеИнформатикаИсторияКультураЛитератураЛогикаМатематикаМедицинаМеталлургияМеханикаОбразованиеОхрана трудаПедагогикаПолитикаПравоПсихологияРелигияРиторикаСоциологияСпортСтроительствоТехнологияТуризмФизикаФилософияФинансыХимияЧерчениеЭкологияЭкономикаЭлектроника






Алгоритм работы схем маршрутного набора






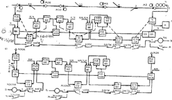
Основные принципы работы схем маршрутного набора в структурном виг­де поясняются на рис.I. При наборе маршрута приема по светофору Ч на II путь ДСП нажимает кнопку светофора Ч. В блоке НПМ светофора Ч включается кнопочное реле НКН. Нажатие начальной кнопки определило категорию устанавливаемого маршрута, поэтому в блоке направления НН включается реле направления П, которое включит питание на шину направления Ч. При условии появления питания Ч и включения кнопочного реле в блоке НПМ включатся противоповторные репе ОП и ПП. На табло у основания повторителя светофора Ч включится световая полуячейка.

Нажатие кнопки приемо-отправочного пути 2П вызовет в блоке НПМ светофора МЗО включение кнопочного реле НКН, Так как шина направле­ния Ч получает питание, то в этом же блоке включится конечное реле ВК, На табло у повторителя светофора МЗО загорится световая полуячей­ка. Далее работа схемы происходит автоматически.

По второй цепи межблочныхсоединений, проходящей через блоки на­борной группы всех элементов станции устанавливаемого маршрута, включаются автоматические кнопочные реле АКН в блоках промежуточных ма­невровых светофоров М8 и М10. Начало цепи подключается контактами ре­ле ОП, ПП. Другой полюс питания включается контактом реле ВК.

Автоматические кнопочные реле осуществляют включение кнопочных ре­пе своих блоков. В блоке HMI светофора М8 включаются одновременно ре­ле НКН и КН. Реле АКН блока НМ2АП светофора М10кроме кнопочного ре­ле своего блока включит кнопочное реле соседнего блока светофора М26. В указанных блоках ча шинах Н, Ч имеется полюс питании, поэтому вклю­чение кнопочных репе вызовет включение вспомогательных промежуточныхреле ВП. Последние своими контактами образуют индивидуальные схемывключения

Рисунок 1

плюсовых ПУ или минусовых МУ управляющих реле, которые яв­ляются третьими цепямимежблочныхсоединений. Со стороны начала мар­шрута полюс питания подключается через контакты включенных реле ОП, ПП, со стороны конца маршрута -через контакты ВК. Управляющие реле включают пусковые цепи схем управлении электроприводами участвующих в маршруте стрелок. Стрелки устанавливаются в соответствующее маршру­ту положение. Контактами реле ПУ, МУ выключаются кнопочные реле (см. пунктирные линии на рис.1).

Контроль исполнения команды.на перевод стрелок производится схе­мой соответствия (4 цепи межблочных соединений)- Полюс пита­ния в схему со стороны конца маршрута подключается контактом реле.ВК. В Начале схемы соответствия контактом реле ПП через контакт замыкающего реле 3 Первой в маршруте секции включается обмотка начальногореле Н.

На рис.I, б приведена структурная схема работы приборов набора при установке сложного маневрового маршрута от светофора М30 за светофор М2. Маршрут состоит из двух простых маневровых маршрутов: от М30 до М10 и от М10 за М2. Так как устанавливаются нечетные маневровые маршруты, то при нажатии Начальной кнопки М30 в блоке НН включается ре­ле ОМ и подключается полюс питания к шине направления НМ. Это опреде­ляет включение реле М2ВКМ, М6ВКМ, М10МП. Формируются две схемы соот­ветствия, по которым включаются реле М30НМ и М10НМ.

 


Поделиться с друзьями:

mylektsii.su - Мои Лекции - 2015-2026 год. (1.048 сек.)Все материалы представленные на сайте исключительно с целью ознакомления читателями и не преследуют коммерческих целей или нарушение авторских прав Пожаловаться на материал