Студопедия

Главная страница Случайная страница

КАТЕГОРИИ:

АвтомобилиАстрономияБиологияГеографияДом и садДругие языкиДругоеИнформатикаИсторияКультураЛитератураЛогикаМатематикаМедицинаМеталлургияМеханикаОбразованиеОхрана трудаПедагогикаПолитикаПравоПсихологияРелигияРиторикаСоциологияСпортСтроительствоТехнологияТуризмФизикаФилософияФинансыХимияЧерчениеЭкологияЭкономикаЭлектроника






Отмена маршрутов в Б М РЦ






Отмена маршрута в системе БМРЦ производится нажатием, двух кнопок: групповой кнопки " Отмена маршрута" (ОГ) и сигнальной кнопки светофо­ра, ограждающего маршрут. При этом автоматически происходит закрытие светофора и размыкание секций маршрута с выдержкой времени. Для по­ездных маршрутов с занятым участком приближения выдержка времени со­ставляет 3-4 мин, для маневровых маршрутов с занятым участком приб-­лижения - 1 мин, для маршрутов со свободным участком приближения -6 с. Отмена маршрута с выдержкой времени 6 с предусмотрена для контроля за потерей шунта на участке приближения, чем исключается преждевременное размыкание маршрута при движении короткой подвижной единицы.

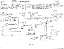
Последовательность работы приборов при отмене маршруты представленана структурной схемой На рис, 5. При нажатии кнопки ОГ выключается нормально включенное реле ОГ на стативе со свободным монтажом. Реле ОТ выключает реле отмены набора ОН, которое снимает питание с шин ПГ и МГ и приводит все реле маршрутного набора в исходное выключенноесостояние. При этих условиях выключается реле ДОГ, подготавливая цепьвключения реле ВОГ. При нажатии кнопки сигнала включается кнопочноереле, которое своим контактом подготавливает цепь блокировки сигнального реле к шине ПГ(МГ), с которой снято питание. Сигнальное реле выключается, и на светофоре появляется запрещающее показание.Кроме того, кнопочное реле включает реле ВОГ и ВОГ1, Через контакты реле ВОГ1 в сигнальные блоки на шины МГОТ, ММВ, МПВ подается минус питания. В сигнальном блоке светофора, ограждающего отменяемый маршрут, включается реле ОТ через тыловой контакт реле С и фронтовые контакты реле КС и КН. После включения реле ОТ самоблокируется. Фронтовым контактом реле ОТ из сигнального длока блока с контролем отсутствия поезда па маршруте фронтовым контактом КС подается пита­ние на одну ив шин ГОТ, МВ1, ПВ1. От данной шины срабатывает одноизреле ГОТ, MВI или ПВI, в зависимости от вида отменяемого маршрута и состояния участка приближения.

Репе ГОТ, МВ1или ПВ1, включаясь, снимают своими контактами шунт с конденсатора соответствующегю стабилитронного блока выдержки вре­мени БСВШ, на рис. 5 представлена схемаблокавыдержки времени 6с.

Схема двух других блоков выдержки времени аналогичны, за исключением величины сопротивлений в цепи конденсатора и наименований контактов, включающих блок. В течение заданной выдержки времени происходит за­ряд конденсатора, пробой стабилитрона и включение реле, соответственно ОВ, МВ или IIB. Включенное реле своими контактами подает питаниена соответствущую гпину СОВ, ПМВ или IIIIB. При появлении питания науказанной шине из сигнального блока в 6-ю цепь межблочных соединений подается импульс питании для включения реле Р в блоках СП и УП марш­рута фронтовыми контактами реле разделки Р включаются маршрутные ре ле 1М и 2М и далее З всех секций маршруте. Кроме того,

контактами реле Р выключается цепь реле КС, а контактами реле 3 сни-маются с блокировки реле Н и КМ, При выключении реле Н и КМ схема ре­ле Р приходит в исходное выключенное состояние.

Цепь реле Р соединена контактами начальных и конеч‑
ных реле маневровых блоков для установки поездных маршрутов, Эти контакты реле выделяют из схемы часть, относяощуюся к данному маршруту.Для увеличения времени замкнутого положения фронтовых контактов реле Р предусмотрено замедление на отпадание. Цепь реле Р отроигся с последовательным включенном обмоток, поэтому с целью уменьшения перегрузок контактами реле КМ подключаются балластные сопротивления.

 

 


Поделиться с друзьями:

mylektsii.su - Мои Лекции - 2015-2026 год. (1.729 сек.)Все материалы представленные на сайте исключительно с целью ознакомления читателями и не преследуют коммерческих целей или нарушение авторских прав Пожаловаться на материал