Студопедия

Главная страница Случайная страница

КАТЕГОРИИ:

АвтомобилиАстрономияБиологияГеографияДом и садДругие языкиДругоеИнформатикаИсторияКультураЛитератураЛогикаМатематикаМедицинаМеталлургияМеханикаОбразованиеОхрана трудаПедагогикаПолитикаПравоПсихологияРелигияРиторикаСоциологияСпортСтроительствоТехнологияТуризмФизикаФилософияФинансыХимияЧерчениеЭкологияЭкономикаЭлектроника






Бөлім. Магнитті анизотропты датчикті құрастыру






Заттың магниттік қ асиеттері сыртқ ы механикалық кернеу ә серінен барлық бағ ытта тү рлі қ арқ ынмен жә не тү рлі таң бамен сыртқ ы магнит ө рісінің шамасына байланысты ө згеріске ұ шырайды, яғ ни заттың магнитті анизотропиясы ө згереді. Магнитті анизотропты датчиктің жұ мыс істеу принципі осығ ан негізделген. Датчиктер келесі тү рде орналасады. Тұ йық талғ ан магнитті ө ткізгіште бір-біріне перпендикуляр екі орам орналасқ ан. Осы мақ сатқ а байланысты орамғ а арналғ ан магнитті ө ткізгіште шаршының немесе тө ртбұ рыштың бұ рыштырында симметриялы тү рде тө рт қ уыс жасалады (3.1 сурет).

 

3.1 Сурет – Шихтованді магнит ө ткізгішінің қ ұ рылысы

Ә р орам диагонал бойынша қ арама-қ арсы қ уысқ а орналастырылады. Ө лшенетін кү ш ә р орам жазық тығ ына 450 бұ рышпен тү сіріледі. Магниттеуші w1 орамы айналмалы тоқ кө зіне жалғ анғ ан, екінші w2 орамғ а ө лшеуіш қ ұ рал жалғ анғ ан.

Магниттелген орам арқ ылы айнымалы тоқ жү ріп ө ткен кезде магнитті ағ ым пайда болады. Егер датчиктің магнит ө ткізгіші магнитті анизотропты заттан жасалғ ан жә не орамғ а арналғ ан қ уыстар симметриялы болса, кү штің ә сері жоқ кезде ағ ымның магнитті сызық тары тұ йық тала келе ө лшегіш ораммен қ иылыспайды, яғ ни онда ЭҚ К туғ ызбайды.Магнит ө ткізгішке тү скен кү ш ондың магниттік қ асиеттерінің ө згерісін туғ ызады. Соның салдарынан магнит ағ ымының тарау сипаттамасы ө згередіжә не магнит сызық тарының біразы ө лшем орамын қ иып ө тіп, онда ЭҚ К туғ ызады (3.2 сурет).

3.2 сурет – Магнит ө ткізгішіндегі магнит ағ ынының орналасуы

 

Магнитті анизотропты датчиктің ерекшелігі датчиктің сезімтал элементі – магнит ө ткізгіш – ө лщенетін кү шті тікелей ө зі қ абылдайды. Бұ л жағ дай бұ л датчиктердің басқ а сезімтал элементі ө лшенуші байланыс пен ө ң деуші арасындағ ы ө тпелі байланыс болып табылатын датчиктерден басым айырмашылығ ын кө рсетеді.

Датчиктің ферромагнитті магнит ө ткізгіші негізгі ө лшегіш тү йін бола тұ ра ө лшеу кезінде тү рлі деформацияғ а ұ шырауы мү мкін. Ә серді анық тауда магнитті анизотропты датчиктің бұ л артық шылығ ы уақ ытқ а қ атысты барынша сенімді жә не тұ рақ ты ө лшем қ орытындыларын алуғ а мү мкіндік туғ ызады.

Қ азіргі кезде тә жірибе жү зінде ә серді ө лшеудің келесі магнитті анизотропты датчиктер қ олданылуда: жиырылмалы магнит ө ткізгішті датчиктер, созылмалы магнит ө ткізгішті датчиктер, біртұ тас магнит ө ткізгішті датчиктер.

Жиырылмалы магнит ө ткізгішті датчиктер металлургия ө ндірісінде ә серді ө лшеуде қ олданылады: металдың прокат станы біліктеріне тү сірген қ ысымын, жолақ керілісін, шихта мен металдың салмағ ын ө лшеу жә не т.б. жә не ол 1-ден 1000 тоннағ а есептелген.

Аз ә серлерді ө лшеуде созылмалы магнит ө ткізгішті датчиктер барынша тұ рақ ты тү рде қ олданылуда. Олардың негізгі артық шылығ ы – олардың қ имасы аз жә не ұ зындығ ы ұ зын магнит ө ткізгіштерде қ олданылу тұ рақ тылығ ы. Мұ ндай датчиктердің магнит ө ткізгіштерін бір пластинадан ғ ана жасауғ а болады, бұ л жиырылмалы магнит ө ткізгішті датчиктер ү шін орындалмайтын жағ дай.

Екі тү рлі магнит ө ткізгіштер болады: шихталғ ан, яғ ни пластиналардан жиналғ ан жә не біртұ тас. Шихтовандалғ ан магнит ө ткізгіштердің бірнеше кемшіліктері бар. Алдымен бұ л механикалық тө зімділігінің аздығ ы, шихтовандалғ ан датчиктерде серпімді иілу мен пластиналар арасындағ ы ү йкелістен болатын біршама гистерезистің болуы.

Шихтовандалғ ан жү рекшелерін жасау технологиясы қ иындығ ы мен кө п ең бек сиымдылығ ын қ ажет етеді. Пластиналарда алдын ала штампалар жасалады немесе тесіктер тесіледі, соң ынан оларғ а ө лшегіш жә не магниттелген орамдар қ ондырылады. Пластиналар бір-біріне тығ ыз желімделеді жә не болт арқ ылы тартылады. Пластиналарда плитаның кө мегі арқ ылы ө лшенуші кү ш тү сірілетін тірек болады.

Пакет беті, астың ғ ы жә не ү стің гі беті қ ырнап ө ң деледі. Пакеттің мыжылмауын болдырмау ү шін пластиналардың қ осылысы мық ты, барынша біртұ тас болуы керек. Ө лшенетін кү ш ү стің гі плитаның аздағ ан жеріне тү седі, сол ү шін иілудің кү штің магнит ө ткізгішіне біркелкі тү суі ү шін плита барынша қ алың болуы керек [6].

Датчиктердің ө лшемі мен салмағ ын азайту, сенімділігін арттыру жә не магнит ө ткізгішінің мыжылуын болдырмау, гистерезисті азайту жә не эксплуатация жағ дайын (ұ ру кү штерінің болуы, ластану, температура ө згерісі) ескере отырып, магнит ө ткізгішінің қ ұ рылысын таң дауда біртұ тас магнит ө ткізгіші артық шылық қ а ие болды.

Біртұ тас магнит ө ткізгіші датчигінің иілуге қ арсылығ ы жоғ ары, сонымен қ атар олар механикалық мық тылығ ымен бірге оларғ а жоғ алып кететін аздағ ан гитерезис тә н.

Қ ұ рылымы жағ ынан біртұ тас магнит ө лшегішті датчиктерді қ олдану барынша жең іл жә не сенімді. Олардың сезімталдығ ы шихтовандалғ ан магнит ө ткізгіштерден тө мен болғ анымен, 50 кг артық ә серді ө лшеуде ө ндірістік кедергілерге қ арамастан шығ удағ ы қ уаты жеткілікті.

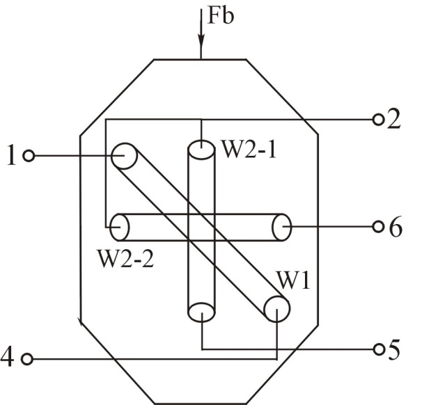
Таң дап алғ ан сезімтал элемент сегізбұ рыш тү рінде жасалғ ан (3.3 сурет). Сезімтал элемент ЖЖҚ орамынан - W1 негізгі жә не бір-біріне 90 0 –пен орналасқ ан W2-1, W2-2 орта орамнан тұ рады. Жә не де олардың бірі механикалық ә сер осьпен бағ ыттас орналасқ ан. Негізгі орам ә р негізгі орамғ а 450 бұ рышпен орналасқ ан.

 

3.3 сурет – Біртұ тас магнит ө ткізгіштің қ ұ рылысы

 

Қ ұ рылысы жағ ынан датчик цилиндрлі герметикалық қ ораптан тұ рады.

 

3.4 сурет – Магнитті анизотропты датчик қ ұ рылысы

 

Орамалары бар компаун ОАД-нан қ ұ йылғ ан сезімтал элемент қ орап ішінде орналасқ ан. Сезімтал элементтің кү ш тү сіру кезінде қ озғ алып кетуін болдырмау ү шін сезімтал элемент винттің кө мегі арқ ылы датчиктің тө менгі табанына бекітілген. Сезімтал элементтің сыртқ ы бетіне қ орапқ а бұ ралғ ан қ ақ пақ пен басылғ ан болат шарик орналасады [7]. Қ ақ пақ тың аздағ ан дө ң гелекті гофралары бар, ол аз шектікте қ озғ алуғ а мү мкіндік береді. Осының ә сері кү штің сезімтал элементке тү су кезінде қ ателіктерді болдырмайды. Орам қ уатының орта орамнан алынғ ан ЖЖҚ -сы жә не дабылы 5 желілі қ осу кабелі экраны арқ ылы беріледі. Кабель қ орапқ а гермо енгізу арқ ылы монтаждалғ ан, кабельді жалғ ау сезімтал элементті қ орапқ а компаун ОАД-нан қ ұ ймай тұ рып жү ргізіледі.


Поделиться с друзьями:

mylektsii.su - Мои Лекции - 2015-2026 год. (0.964 сек.)Все материалы представленные на сайте исключительно с целью ознакомления читателями и не преследуют коммерческих целей или нарушение авторских прав Пожаловаться на материал