Студопедия

Главная страница Случайная страница

КАТЕГОРИИ:

АвтомобилиАстрономияБиологияГеографияДом и садДругие языкиДругоеИнформатикаИсторияКультураЛитератураЛогикаМатематикаМедицинаМеталлургияМеханикаОбразованиеОхрана трудаПедагогикаПолитикаПравоПсихологияРелигияРиторикаСоциологияСпортСтроительствоТехнологияТуризмФизикаФилософияФинансыХимияЧерчениеЭкологияЭкономикаЭлектроника






Технология проведения работ на СТО и АТП






Организация работ на участках ТО и ремонта определяется объемом производственной программы и суточным количеством автомобиле – заездов по однородным видам работ и предусматривает следующий порядок.

Автомобили, прибывающие на станцию для проведения ТО и ремонта, проходят мойку и поступают на участок приемки для определения технического состояния, необходимого объема работ и их стоимости. Если на станции обслуживания производится продажа автомобилей, то поступающие автомобили направляются на участок предпродажной подготовки, а оттуда в зону хранения и магазин (рис. 8.3).

Рис. 8.3. Функциональная схема станции технического обслуживания

После приемки автомобиль направляют на соответствующий производственный участок. В случае занятости рабочих постов, автомобиль поступает на автомобиле–места ожидания или хранения, а оттуда, по мере освобождения постов, направляется на тот или иной производственный участок. После завершения работ автомобиль поступает на участок выдачи.

Метод контроля предусматривает разделение работ ТО и ТР на три группы:

1. не требующие предварительного диагностирования с помощью стендов и приборов, например такие, как крепежные, смазочные и др.;

2. устанавливаемые визуально внешние неисправности и повреждения кузова;

3. требующие применения специальных стендов и приборов для выявления скрытых неисправностей в агрегатах без их разборки.

Контроль и устранение выявленных неисправностей при выполнении работ по системам и механизмам последней группы, обеспечивающим безопасность движения, согласовывают с клиентом и проводят при каждом заезде автомобиля в, а не только при ТО – 1 и ТО – 2.

После мойки, приемки и диагностики автомобиль поступает непосредственно в зону технического обслуживания и ремонта, ТО и ТР, где работы распределяются в зависимости от вида и метода организации по различным производственным участкам, затем – на участок контроля и выдачи. При необходимости качество работ определяют на постах диагностики. Когда посты диагностики и приемки заняты, а владелец автомобиля отсутствует, автомобиль поступает на автомобиле – место ожидания.

При организации работ на СТО владелец автомобиля пользуется правом проведения выборочных работ из объема ТО и ТР в любом сочетании, обязательным при этом являются предшествующие моечно – уборочные работы. Предусматривается также, что владелец автомобиля может заявить о необходимости выполнения дополнительного диагностирования. Проведению работ ТР должно предшествовать выполнение работ по ТО.

Типовые виды работ, выполняемые на СТО, условно обозначают индексами:

ПР – приемка и проведение осмотровых работ;

УМ – уборочно – моечные работы;

Д – диагностические работы;

ТО – техническое обслуживание, в том числе:

КР – крепежные работы;

РГ – регулировочные работы;

СП – работы по системе питания;

СЭ – работы по системе электрооборудования;

СМ – смазочные работы;

ТР – работы текущего ремонта, специализированные участки внепостовых работ 7... 12;

КК – контроль качества выполнения работ;

В – выдача автомобилей владельцам.

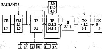
Характерные варианты возможного сочетания видов и комплексов работ по ТО и ТР автомобилей и их рациональной организации (рис.2.2):

1 – ТО в полном объеме;

2 – выборочные работы ТО по согласованию с заказчиком;

3 – ТО в полном объеме и ТР по потребности, диагностика после ТР для проверки качества;

4 – выборочные работы ТО и ТР по заказу владельца;

5 – ТО в полном объеме и ТР по результатам диагностики;

6 – аналогично варианту 5, но с ограничением объема ТО по заявке владельца;

7 – работы ТР по заявке владельца без диагностики;

8 – диагностика и необходимые по ее результатам работы ТР.

   
   
   

Рис. 2.2. Типовые схемы последовательности выполнения работ и прохождения постов

Под планировкой АТП понимаются компоновка и взаимное расположение производственных, складских и административно – бытовых помещений на плане здания или отдельно стоящих зданий (сооружений), предназначенных для ТО, ТР и хранения подвижного состава.

Сложность разработки планировочного решения заключается в том, что на его выбор оказывает влияние большое число факторов:

1) назначение, мощность и состав предприятия;

2) численность, тип и характеристика подвижного состава:

3) климатические условия;

4) производственная программа и организация технологического процесса;

5) характеристика и размеры земельного участка;

6) применяемые строительные конструкции и материалы.

Требования, которые следует учитывать при разработке планировочных решений:

1) взаимное расположение зон и участков в соответствии с технологическим процессом;

2) отсутствие в местах интенсивного движения автомобилей пересечений их потоков;

3) возможность изменения технологических процессов и расширения производства без существенной реконструкции здания.

Технологической основой планировочного решения служат функциональная схема и график производственного процесса ТО и ТР автомобилей. Функциональная схема показывает возможные пути прохождения автомобилей различных этапов производственного процесса (рис. 5.1).

Рис. 5.1. Схема производственного процесса АТП

 

Количественную характеристику этого процесса, т. е. мощность суточных потоков, проходящих различные этапы производства (в единицах подвижного состава), отражает график производственного процесса (рис. 5.2). Схема и график способствуют рациональному размещению основных зон (хранения, ЕО, ТО – 1, ТО – 2 и ТР) и организации движения.

Рис. 5.2. График производственного процесса АТП

 

Схема технологического процесса и график определяют ряд технологических маршрутов, которые устанавливаются для автомобиля в зависимости от его технического состояния, плана ТО и режима работы.

Рис. 5.3. Технологические маршруты (варианты)


Принципы разработки планировочных решений

Планировочное решение СТО включает разработку генерального плана, компоновочных планов зданий и планировку цехов и участков. Выбор планировочного решения определяется типом, назначением и производственной мощностью станции, типами и марками обслуживаемых автомобилей и видами выполняемых работ.

К основным требованиям, которые следует учитывать при разработке планировочных решений относятся:

– обеспечение минимальных затрат на строительство и эксплуатацию с созданием удобства для клиентов;

– соответствие планировки выбранной схеме производственного процесса и технологического расчета;

– максимальное использование типовых проектных решений;

– унификация конструкторских и объемно – планировочных решений зданий;

– гибкость производственных процессов, возможность быстрой модернизации и реконструкции при изменении внешних условий;

– рациональное использование площади предприятия;

- расположение основных зон и производственных участков предприятия в одном здании без деления предприятия на мелкие помещения;

- стадийное развитие СТО, предусматривающее ее расширение без значительных перестроек и нарушения функционирования.

В основе планировочного решения станции лежит схема производственного процесса, состав помещений, конструктивная схема здания, а также противопожарные и санитарно – гигиенические требования, предъявляемые к отдельным зонам и участкам.

До разработки планировочного решения предварительно составляется экспликацию производственных, складских, технических, административных, бытовых помещений с указанием площадей. Затем выбирают сетку колонн, строительную схему и габаритные размеры здания.

Площади отдельных участков, складов и других помещений при планировке могут несколько отличаться от расчетных, но не более чем на ±10 %.

Производственная часть здания СТО обычно одноэтажная. Иногда часть здания имеет 2-3 этажа, на которых размещаются административные и некоторые вспомогательные помещения (рис. 2.3).

Рис. 2.3. Планировка производственного корпуса

При расположении СТО в двух зданиях в одном из них рекомендуется располагать административные, торговые, бытовые и прочие помещения, посещаемые клиентами, а в другом – помещения производственного назначения.

На СТО с количеством постов до 10 допускается выполнять в одном помещении с постами ТО и ТР работы: по ремонту двигателей, агрегатные, слесарно – механические, электротехнические, по ремонту и изготовлению технологического оборудования, приспособлений и оснастки.

На станциях обслуживания основным помещением является зона постовых работ ТО и ТР, которая связана со всеми производственно – складскими помещениями. выделяются самостоятельные участки УМР, ремонта кузовов и окраски, противокоррозионной обработки.

помещение приема заказов (клиентская), помещение продажи запчастей, касса и посты приема и выдачи автомобилей располагаются смежно. К постам приемки и выдачи обычно примыкает участок диагностирования. Клиентскую и участок диагностики желательно располагать рядом.

Перечисленный блок помещений является головной частью станции, куда клиент имеет свободный доступ. В этой части обычно располагаются основные рабочие въезды и выезды.

В зонах ТО и ТР, диагностики и текущего ремонта схематично изображается применяемое оборудование (канавы, подъемники, конвейеры, диагностические стенды, моечные установки, окрасочно – сушильные камеры и др.).

Посты для ТО и ТР, автомобиле – места хранения и посты ожидания наносятся на плане штрих – пунктиром по габаритному очертанию автомобилей с указанием его передней части и соблюдением нормативных расстояний.

На плане стрелками указываются пути движения автомобилей в соответствии с последовательностью технологического процесса.

При оформлении плана следует указывать основные строительные размеры (шаг и пролеты колонн, габаритные размеры здания), маркировку строительных осей, нормируемые технологические расстояния на постах ТО и ТР между автомобилями, а также между автомобилями и элементами здания, угол расстановки постов, ширину проездов.

Размеры проставляются в миллиметрах. Нумерация помещений на планировке сквозная, слева направо по часовой стрелке в возрастающем порядке.

Расстановка технологического оборудования и оргоснастки постов ТО и ТР на планировках зон и участков должна выпол­няться в соответствии со схемой технологического процесса, с учетом необходимых условий техники безопасности (рис. 2.4).

Рис. 2.4. Планировка зоны (производственного участка)

 

На планировке должно быть показано местоположение колонн, стен, перегородок, лестниц, оконных и дверных проемов, а также ворот для въезда и выезда автомобилей. На планировке помещений над основной надписью приводится экспликация помещений, заполнение которой производится сверху вниз.

На технологической планировке участков и рабочих постов необходимо указать:

строительные оси здания и расстояния между ними в соответствии с общей планировкой;

привязку оборудования и оргоснастки к строительным осям или элементам конструкции здания, чтобы по данной планировке можно было произвести расстановку и монтаж стационарного оборудования;

рабочие места, потребители воды, электроэнергии, сжатого воздуха и т. д. в соответствии с принятыми условными обозначениями;

спецификацию технологического оборудования и оргоснастки.

Генеральный план предприятия

Генплан предприятия – это план отведенного под застройку земельного участка территории, ориентированный в отношении проездов общего пользования и соседних сооружений, с указанием на нем зданий по их габаритному очертанию, площадки для безгаражного хранения, основных и вспомогательных проездов и путей движения подвижного состава по территории.

СТО следует располагать поблизости от транспортных магистралей, в центре обслуживаемого районе. Территория станции должна быть изолирована от городского движения транспорта и пешеходов (рис. 2.5).

Рис. 2.5. Планировка генерального плана СТО

 

Основными требованиями, предъявляемыми к участкам при их выборе, являются:

1) оптимальный размер участка (прямоугольной формы с отношением сторон от 1: 1 до 1: 3);

2) относительно ровный рельеф местности и хорошие гидрогеологические условия;

3) близкое расположение к проезду общего пользования и инженерным сетям;

4) возможность обеспечения теплом, водой, газом и электроэнергией, сбросом канализационных и ливневых вод;

5) отсутствие строений, подлежащих сносу;

6) возможность резервирования площади участка с учетом перспективы развития.

Построение генерального плана определяется объемно – планировочным решением зданий (размерами и конфигурацией здания, числом этажей и пр.).

Перед разработкой генплана уточняют перечень основных зданий и сооружений, размещаемых на территории предприятия, площади их застройки и габаритные размеры в плане.

Застройка участка может быть объединенной (блокированной) или разобщенной (павильонной). При объединенной застройке все производственные помещения располагаются в одном здании (рис. 5.5, а), а при разобщенной – в отдельно стоящих зданиях (рис. 5.5, б).

Рис. 5.5 Способы застройки земельного участка.

1 – административный корпус, 2 – стоянка, 3 – зона ТО, 4 – зона ТР

 

Блокированная застройка имеет преимущества перед павильонной по экономичности строительства, удобствам построения производственных процессов, осуществлению технологических связей и организации движения.

Рис. 2.16. Схема блокированной компоновки СТО, имеющей перспективу развития: 1 – конторские помещения; 2 – линии быстрого технического обслуживания (мойки, смазывания, заправки); 3 – зона ожидания; 4 – линия приемки автомобилей; 5 – посты диагностирования; 6 – линии и посты гарантийного и технического обслуживания, мелкого ремонта; 7 – посты (на канавах) крупного ремонта; 8 – кузовной участок; 9 – окрасочный участок; 10 – склад запасных частей и материалов; 11 – агрегатно – механический участок; 12, 13 – специализированные вспомогательные производственные участки; 14 – выставочное помещение; 15 – зона предпродажной подготовки автомобилей

 

К преимуществам второго способа относятся уменьшение пожарной опасности и общее упрощение планировочного решения. Применение павильонной застройки целесообразно при наличии особо крупногабаритного подвижного состава, при сложном рельефе участка, стадийном развитии предприятия или при его реконструкции, а также в условиях теплого и жаркого климата.

Рис. 2.17. Схема деблокированной компоновки СТО: 1 – зона быстрого,: ТО; 2 – зоны ожидания (открыты естоянки); 3 – приемный пункт; 4 – бюро технических служб; 5 – мастерская механических работ; 6 – бытовой узел; 7 – кузовная мастерская; 8 – склад запасных частей; 9 – центральная станция энергетического хозяйства; 10 – пункт продажи новых автомобилей

 

Открытая или закрытая стоянка автомобилей является связующим звеном между отдельными производственными помещениями и участками и рассчитывается (как минимум) на двойное количество автомобилей по сравнению с количеством рабочих постов исходя из времени ожидания для постановки автомобиля на ТО и в ремонт и выдачи владельцам.

Производственно – складские помещения ТО и ТР следует размещать в одном здании. Допускается размещение в отдельном здании помещений комплекса ЕО, окрасочных, кузовных, шиномонтажных и сопутствующих им работ ТР.

На территории следует предусматривать две функциональные зоны – эксплуатационную и производственную. Эксплуатационная зона предназначается для организации приема, выпуска и хранения подвижного состава, производства работ ЕО. Производственная зона служит для размещения зданий и сооружений для ТО и ТР.

Движение автомобилей по территории предприятия с количеством 10 и более постов ТО и ТР или 50 и более мест хранения следует предусматривать в одном направлении без встречных и пересекающихся потоков.

Ширина проезжей части наружных проездов должна быть не менее 3 м при одностороннем и не менее 6 м – при двустороннем движении.

Исходя из противопожарных требований ко всем зданиям предприятия должен обеспечиваться подъезд пожарных автомобилей: с одной стороны – при ширине здания до 18 м, с двух сторон – при ширине здания свыше 18 до 100 м и со всех сторон – при ширине здания более 100 м.

Предприятия, где предусматриваются более 10 постов обслуживания или хранение более 50 автомобилей, должны иметь не менее двух въездов (выездов) на территорию.

При разработке генерального плана необходимо предусматривать благоустройство территории предприятия, озеленение. Площадь озеленения территории АТП должна составлять не менее 15 % площади предприятия при плотности застройки менее 50 % и не менее 10 % при плотности более 50 %

Основными показателями генерального плана являются площадь и плотность застройки, коэффициенты использования и озеленения территории.

Площадь застройки определяется как сумма площадей, занятых зданиями и сооружениями всех видов, включая навесы, открытые стоянки автомобилей и складов, резервные участки, намеченные в соответствии с заданием на проектирование.

Плотность застройки предприятия определяется отношением площади застройки к площади участка предприятия.

Коэффициент использования территории определяется отношением площади, занятой зданиями, открытыми площадками, автомобильными дорогами, тротуарами и озеленением, к общей площади предприятия.

Коэффициент озеленения определяется отношением площади зеленых насаждений к общей площади предприятия.

Здания и сооружения следует располагать относительно сторон света и преобладающих направлений ветров с учетом естественного освещения, проветривания площадки и предотвращения снежных заносов.

Роза ветров представляет собой график, характеризующий ветровой режим в данном районе по многолетним наблюдениям (рис. 2.6). Она может строиться для месяца, сезона, года. Длина лучей пропорциональна повторяемости ветров этих направлений (в процентах по каждому направлению от общего числа наблюдений). Концы лучей соединяют ломаной линией.

Рис. 2.6. Роза ветров

Технологическое время прохождения автомобиля по территории станции для участков обслуживания составляет 10 – 20 минут, для ремонтных участков – около 1, 5 часа.

При проектировании внутренних транспортных путей следует стремиться к тому, чтобы движение по ним совершалось против часовой стрелки. Таким образом можно исключить пересечение маршрутов автомобилей при въезде и выезде. Ширина пути при двухполосном движении должна составлять 6, 0 м, при движении в одном направлении – 4, 0 м.

Зеленые насаждения играют большую роль в эстетическом плане и с точки зрения охраны окружающей среды: поглощают пыль и шум, сокращают воздействие вибрации, вредные климатические воздействия, поглощают продукты горения топлива.

Планировка производственных и административных зданий

Объемно – планировочное решение здания подчинено его функциональному назначению и разрабатывается с учетом климатических условий, современных строительных требований, необходимости максимальной блокировки зданий, обеспечения возможности изменения технологических процессов и расширения производства без существенной реконструкции здания, требований по охране окружающей среды, противопожарных и санитарно – гигиенических требований, а также ряда других, связанных с отоплением, энергоснабжением, вентиляцией и пр.

Конструирование зданий из сборного железобетона осуществляется на основе применения унифицированной сетки колонн, которые служат опорами покрытия или междуэтажного перекрытия здания.

Сетка колонн измеряется расстояниями между осями рядов в продольном и поперечном направлениях; меньшее расстояние называют шагом колонн, а большее – пролетом. Размеры пролетов и шаг колонн должны быть кратны 6 м.

Одноэтажные производственные здания проектируются каркасного типа с сеткой колонн 18 х12 и24 х12 м. Для многоэтажных зданий в настоящее время железобетонные строительные конструкции разработаны для сеток колонн 6 x6, 6 x9, 6 х12 и9 х12 м. При этом на верхнем этаже допускается укрупненная сетка колонн (18 х6 и18 х12 м).

Наряду со сборными железобетонными конструкциями при строительстве используются модульные облегченные металлоконструкции.

Несущим элементом модуля являются четыре колонны с расстояниями между ними 18 x18 при модуле 30 х 30 или 24 х 24 при модуле 36 х 36 (все в метрах). Высота производственных помещений равной 6, 0 и 7, 2 м. Высота производственных помещений, в которые автомобили не въезжают, также должна быть не менее 2, 8 м.

Наиболее простой и экономичной конструктивной схемой здания является схема с одинаковыми пролетами и высотой (рис. 6.11, а). Применение такой унифицированной схемы позволяет снизить затраты и сократить сроки строительства. Кроме того, единая высота здания позволяет при необходимости производить перепланировку помещений с меньшими затратами. Однако с технологической точки зрения эта схема имеет и ряд недостатков: большую глубину и высоту производственных участков, отсутствие верхних фонарей дневного света.

Отмеченные недостатки устраняются применением схемы (рис. 6.11, б), при которой пролеты имеют переменный размер, а центральный пролет оборудуется зенитным фонарем. Так же, как и по предыдущей схеме, здание имеет одинаковую высоту и является относительно простым по конструкции.

Рис. 6.11. Схемы конструкций производственных зданий

В ряде случаев исходя из технологических соображений используют схему, в которой применяются центральный пролет и боковые разной высоты (рис. 6.11, в). За счет перепада высот здесь возможно и естественное освещение.

Объемно – планировочное решение многоэтажных зданий базируется на двух типах зданий – единой и смешанной этажности (рис. 5.7). Многоэтажная часть здания предназначена в основном для помещений хранения автомобилей, а одноэтажная часть – для производственных помещений.

Рис. 5.7. Примеры объемно – планировочных решений многоэтажных зданий: а – здание единого объема (этажности); б, в - здания смешанной этажности

Административно – бытовые помещения могут размещаться в отдельном здании или в корпусе, примыкающем к производственным помещениям. В основу планировки отдельно стоящих и пристроенных административно – бытовых помещений положена сетка колонн (6 + 6) – 6, (6 + 3 + 6)6 и (6 + 6 + 6) – 6 м с высотой этажей 3, 0 или 3, 3 м при числе этажей меньше четырех.

Отдельно стоящие здания (рис. 5.8, а) ухудшают связи между помещениями предприятия и вызывают необходимость дублирования бытовых и других помещений.

Рис. 5.8. Варианты расположения административно – бытовых помещений

 

При блокированной застройке применяют различные варианты расположения административно – бытовых помещений (рис. 5.8, б – д). Вариант г имеет преимущества за счет обеспечения связи с основным зданием. Вариант б сокращает периметр наружных стен основного здания, но если корпус примыкает к производственным помещениям, ограничивается возможность их рациональной планировки с точки зрения естественного освещения. Недостаток варианта д заключается в разделении помещений на две части, сокращаются возможности перспективного использования помещений, появляется неудобство связей между пристройками. К преимуществам относят возможность лучшего оформления фасада застройки. Наилучшим и наиболее современным является вариант в.

К административным (коммерческим и конторским) помещениям относятся: зал продажи запасных частей, демонстрационный зал, склад автомобилей и зона предпродажной подготовки, касса, клиентская, бюро контроля загрузки постов, бюро нормирования, бухгалтерия, кабинеты начальника и мастеров, а также зона приемки автомобилей на ремонт.

При проектировании административных помещений соблюдается функциональный принцип треугольника: бюро приемки – зал продажи запасных частей – касса. Это удобно для клиентов и требует меньшего количества обслуживающего персонала. Контора, демонстрационный зал, магазин по продаже запасных частей занимают в среднем 10 – 15 % общей площади застройки.

Производственные и административно – бытовые здания должны располагаться вблизи от главного входа на территорию, т. е. со стороны основного подхода работающих.

При проектировании предприятий должны соблюдаться обусловленные санитарными требованиями следующие минимальные допустимые показатели помещений:

объем на одного работающего в производственных помещениях, м / чел 15

площадь на одного работающего, м / чел.:

производственные помещения 4, 5

административно – конторские помещения 4, 0

помещения для учебных занятий 1, 75

Около административно – бытового здания следует предусматривать площадку для стоянки транспортных средств, принадлежащих работникам предприятия: 10 автомобиле – мест на 100 работающих в двух смежных сменах. Удельная площадь на один легковой автомобиль – 25 м2.

Административно – бытовые помещения располагают в пристройках к производственным зданиям. Их можно размещать и в отдельно стоящих зданиях и они должны соединяться с производственным корпусом, отапливаемым коридором (галереей).

Технологическая планировка зон и участков

Технологическая планировка зон и участков - план расстановки постов, автомобиле – мест ожидания и хранения, технологического оборудования, подъемно – транспортного оборудования и является технической документацией проекта, по которой расставляется и монтируется оборудование.

Производственная зона СТОА начинается с зоны приемки – выдачи автомобилей, которая относится как к административной и коммерческой, так и к производственной части станции. К ней примыкает зона диагностирования.

контрольно – измерительное и диагностическое оборудование следует располагать таким образом, чтобы им было удобно пользоваться как при приемке – выдаче автомобиля, так и при выполнении ТО и ремонта.

Планировочное решение зон ТО и ТР разрабатывается с учетом требований ОНТП и Ведомственных строительных норм предприятий по обслуживанию автомобилей (ВСН)

Таблица 4.1. Категории автомобилей по габаритным размерам

С учетом противопожарной опасности и санитарных требований следует предусматривать отдельные помещения для следующих групп работ:

а) моечных, уборочных и других работ комплекса ЕО, кроме заправки автомобилей топливом;

б) постов ТО – 1, ТО – 2, Д – 1, разборочно – сборочных и регулировочных работ ТР;

в) постов Д – 2.

в одном помещении с постами ТО и ТР допускается размещать следующие участки: агрегатный, слесарно – механический, электротехнический, по изготовлению технологического оборудования, приспособлений и производственного инвентаря.

Посты мойки, уборки и других работ, комплекса ЕО при температуре наружного воздуха 0 °С и выше допускается предусматривать на открытых площадках или под навесом. Посты (линии) уборочно – моечных работ обычно располагаются в отдельных помещениях, что связано с характером выполняемых операций (шум, брызги, испарения).

Линии (посты) общего диагностирования (Д – 1) тормозов, углов установки управляемых колес, приборов освещения и сигнализации допускается размещать в одном помещении с постами ТО и ТР. Посты углубленного диагностирования (Д – 2), связанные с проверкой тягово – экономических качеств автомобилей, из – за повышенного шума при работе стенда следует располагать в отдельных изолированных помещениях.

Посты ТО – 1 могут располагаться в общем помещении с постами ТО – 2 и ТР. При поточной организации ТО – 1 линии располагают в обособленных помещениях.

Посты ТО – 2 можно располагать в общем помещении с постами ТО – 1 и ТР. При поточной организации ТО – 2 линии следует располагать или в обособленном помещении, или в общем помещении с линиями ТО – 1. В последнем случае ТО – 1 и ТО – 2 желательно выполнять на одной линии.

Посты ТР можно располагать в общем помещении с постами ТО – 1 и ТО – 2.

Площадь этой зоны составляет примерно 40 % общей производственной площади, а площадь склада запасных частей – 10 – 15 % общей площади. Специфика работ требует, чтобы 1 / 3 постов была оснащена подъемниками, 1 / 3 – ямами и 1 / 3 постов была напольной.

При размещении постов ТО и ТР необходимо руководствоваться нормируемыми расстояниями между автомобилями, а также между автомобилями и элементами здания (табл. 4.2), которые установлены в зависимости от категории автомобилей:

1. Продольная сторона автомобиля и стена

2. Продольная сторона автомобиля и технологическое оборудование

3. Торцевая сторона автомобиля и стена

4. Торцевая сторона автомобиля и технологическое оборудование

5. Автомобиль и колонна

6. Автомобиль и наружные ворота

7. Продольные стороны автомобилей

8. Торцевые стороны автомобилей

 

По взаимному расположению посты могут быть прямоточными и тупиковыми. Прямоточное расположение нескольких постов (рис. 6.2) используется для ЕО, ТО – 1 и ТО – 2 при поточном методе обслуживания автомобилей, а прямоточные одиночные (проездные и тупиковые) посты – для ТО и ТР при выполнении работ на отдельных постах.

Рис. 6.2. Схемы планировки зоны ТО при прямоточном расположении постов

При тупиковом расположении постов в зонах ТО и ТР расстановка постов может быть прямоугольной однорядной (рис. 6.3, а) и двухрядной (5), косоугольной (в), а также комбинированной однорядной (г) и двухрядной (д).

Рис. 6.3. Схемы планировки зоны ТО и ТР при тупиковом расположении постов: S – ширина проезда; а – угол установки относительно проезда

Следует предусматривать отдельные помещения для следующих групп работ:

1) агрегатных, слесарно – механических, электротехнических;

2) испытания двигателей;

3) ремонта приборов системы питания бензиновых и дизельных двигателей;

4) ремонта аккумуляторных батарей;

5) шиномонтажных и вулканизационных работ;

6) кузнечно – рессорных, медницких, сварочных, жестяницких и арматурных работ;

7) деревообрабатывающих и обойных работ;

8) окрасочных работ.

Расстановка оборудования на участках (рис. 6.10) должна выполняться с учетом условий техники безопасности, удобства обслуживания и монтажа оборудования при соблюдении нормативных расстояний между оборудованием, между оборудованием и элементами зданий.

Рис. 6.10. Планировка зоны производственного участка

1. Между боковыми и тыльными сторонами оборудования

2. Между оборудованием при расположении попарно

3. От стены, колонны до тыльной или боковой стороны оборудования

4. От стены, колонны до фронтальной стороны оборудования

Таблица 4.3. Нормируемые расстояния для размещения слесарного оборудования, мм

15. Компоновка производственно – складских помещений

Планировка (компоновка) производственно – складских помещений предприятия производится с учетом:

– требований, обусловливающих рациональное взаиморасположение производственных зон, участков и складов;

– противопожарных и санитарных требований, связанных – с размещением взрыво – и пожароопасных производств;

– основных положений по унификации объемно – планировочных решений зданий (конфигурация здания в плане, сетка колонн, направление пролетов и пр.).

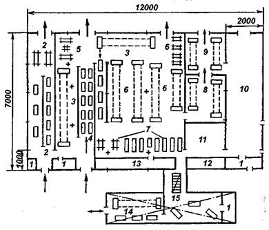
Разработка планировки производственного корпуса автотранспортного предприятия (рис. 6.12) выполняется в следующей последовательности:

Рис. 6.12. Планировка производственного корпуса

– уточняется состав производственных зон, участков и складов, размещаемых в данном здании;

– определяется общая площадь здания;

– выбираются сетка колонн, строительная схема и габаритные размеры здания с учетом требований по унификации объемно – планировочных решений;

– при принятой строительной схеме прорабатываются варианты компоновочных решений производственного корпуса.

Взаимное расположение производственных помещений зависит от назначения, производственных связей, технологической характеристики выполняемых в них работ (однородны или неоднородны), строительных, санитарно – гигиенических и противопожарных требований.

В общем планировочном решении основными являются помещения для постов ТО и ТР. Расположение зон должно обеспечивать как последовательное прохождение автомобилями различных видов ТО, диагностирования и ТР (например: ЕО – ТО – 1; ЕО – ТО – 2; ЕО – Д – 1; ЕО – Д – 2; ЕО – ТР; ЕО – ТО – 1; ЕО – ТО – 2 – ТР), так и независимое. Указанные связи осуществляются через помещения хранения или посты ожидания.

При размещении предприятия в двух зданиях, из которых одно предназначается для хранения подвижного состава, а другое – для производства ТО и ТР, помещения для ЕО рекомендуется располагать в здании подвижного состава.

Одиночные посты и поточные линии диагностирования следует располагать так, чтобы после них автомобили могли проезжать в любую производственную зону непосредственно или через стоянку.

Зона постов ТР по характеру производственного процесса должна быть непосредственно связана со всеми вспомогательными производственными участками, которые обычно располагаются смежно с зоной ТР по периметру здания.

Характер отдельных видов работ, выполняемых на производственных участках, которые технологически связаны с постовыми работами данного вида ТО и ТР, позволяет выделить соответствующие посты и участки в определенные группы:

1. посты уборочно – моечных работ, помещения для насосной и сушки спецодежды, аппаратная (пульт управления), очистные сооружения;

2. посты ТО – 1 и ТО – 2, участки ремонта электрооборудования, ремонта приборов системы питания, аккумуляторный, склад смазочных материалов с насосной, промежуточная кладовая, посты Д – 1 и Д – 2;

3. посты разборочно – сборочных работ ТР, агрегатный участок, склад агрегатов, промежуточная и инструментально – раздаточная кладовые. К этой же группе относятся слесарно – механический участок и склад запасных частей и материалов;

4. посты ТР снятия и установки колес подвижного состава, шиномонтажный и вулканизационный участки, склад шин и камер;

5. кузнечно – рессорный и медницкий участки, склад металла;

6. сварочный и жестяницкий участки (с постами), арматурный участок, склады ацетилена и кислорода;

7. окрасочный участок с постами подготовки, окраски и сушки, краскоприготовительная, склад красок, насосная автоматического пожаротушения, очистные сооружения;

8. деревообрабатывающий участок (при необходимости с постом), обойный участок, склад пиломатериалов.

не допускается сообщение стоянки автомобилей с участками: аккумуляторным, вулканизационным, сварочным, медницким, деревообрабатывающим, обойным, окрасочным, и со складом масел.

Помещения, в которых выполняются работы по топливной аппаратуре и другие, требующие естественного освещения, следует располагать по наружному периметру здания.

В общем планировочном решении возможны различные варианты расположения постов ТО и ТР, а также помещений производственных участков (рис. 5.9). Расположение производственных участков и складов определяется их технологическим тяготением к основным зонам ТО и ТР.

Рис. 5.9. Варианты расположения постов и производственных помещений (последние заштрихованы)

 

Однородный характер отдельных видов работ, выполняемых на производственных участках, которые технологически связаны с постовыми работами данного вида ТО и ТР, позволяет выделить соответствующие посты и участки в определенные группы (рис. 5.10):

Рис. 5.10. Группирование производственных участков и их связи с основными производственными зонами

 

Вспомогательные помещения – отдел управления производством, комнаты мастеров, комнату отдела технического контроля – размещают максимально приближенными к производственным участкам.

Помещения технического назначения (вентиляционные камеры, тепловые пункты и др.) располагают в той части здания, со стороны которой наиболее близко проходят подводящие инженерно – энергетические коммуникации.

Число ворот в здании для выезда (въезда), на первом этаже должно приниматься в зависимости от числа автомобилей в помещении: до 25 автомобилей – одни ворота, от 25 до 100 – двое ворот, а более 100 – дополнительно одни ворота на каждые 100 автомобилей.

Наружные ворота необходимо предусматривать в помещениях для окрасочных и сварочных работ, а также в помещении склада запасных частей и агрегатов.



Поделиться с друзьями:

mylektsii.su - Мои Лекции - 2015-2026 год. (1.277 сек.)Все материалы представленные на сайте исключительно с целью ознакомления читателями и не преследуют коммерческих целей или нарушение авторских прав Пожаловаться на материал