Студопедия

Главная страница Случайная страница

КАТЕГОРИИ:

АвтомобилиАстрономияБиологияГеографияДом и садДругие языкиДругоеИнформатикаИсторияКультураЛитератураЛогикаМатематикаМедицинаМеталлургияМеханикаОбразованиеОхрана трудаПедагогикаПолитикаПравоПсихологияРелигияРиторикаСоциологияСпортСтроительствоТехнологияТуризмФизикаФилософияФинансыХимияЧерчениеЭкологияЭкономикаЭлектроника






Оформлення креслень






Тема.

ОСНОВНІ ТЕОРЕТИЧНІ ПОЛОЖЕННЯ ВИКОНАННЯ КРЕСЛЕНЬ

План

1. Загальні відомості про вироби і креслення

2. Оформлення креслень

3. Правила нанесення розмірів.

4. Геометричні побудови на кресленні

Література:

А) основна:

1. Антонович Є.А. Креслення / Є.А. Антонович та ін. – Львів: Видавн. «Світ», 2006.

2. Ванін В.В. Оформлення графічної документації: Навчальний посібник / В.В. Ванін та ін. – К.: Каравела, 2003.

3. Верхола А.П. Інженерна графіка: креслення, комп’ютерна графіка / А.П. Верхола, Б.Д. Коваленко. – К.: Каравела, 2006.

4. Державні стандарти: ГОСТ 2.301-68 (СТ РЕВ 1181-78) – формати; ГОСТ 2.104-68 (СТ РЕВ 140-74, СТ РЕВ 365-76) – основні написи; ГОСТ 2.302-68 (СТ РЕВ 1180-78) – масштаби; ГОСТ 2.303-68 (СТ РЕВ 1178-78) – лінії; ГОСТ 2.304-81 (СТ РЕВ 851-78...СТ РЕВ 855-78) – шрифти креслярські.

Б) додаткова:

5. Боголюбов С.К. Черчение: Учебник для средних специальных учебных заведений / С.К. Боголюбов. – 2-е изд., испр. – М.: Машиностроение, 1989.

6. Годик Е.Й. Техническое черчение / Е.Й. Годик, В.М. Лисянский, В.Е. Михайленко, А.М. Пономарьов. – К.: Высшая школа, 1983.

7. Михайленко В.Є. Інженерна графіка: підручник для студентів вищих закладів освіти І-ІІ рівнів акредитації / В.Є. Михайленко, В.В. Ванін, С.М. Ковальов [За ред. В.Є. Михайленка]. – Львів, 2002.

8. Техническое черчение: Учебник для вузов / Е.И. Годик, В.М. Лисянский, В.Е. Михайленко, А.М. Пономарев. – 5-е изд., перер. и доп. – К.: Вища шк., 1983. – 439 с.

9. Черчение: Учеб. пособие для студентов пед. ин-тов/Д.М. Борисов, Е.А. Василенко, Б.А. Ляпунов, М.Н. Макарова [Под ред. Д.М. Борисова]. – 2-е изд., доп. и перераб. – М.: Просвещение, 1987.

10. Черчение / А.М.Хаскин. – 4-е изд., перераб. и доп. – К.: Вища шк. Головное изд-во, 1985. – 447 с.

В) Інтернет-ресурси:

1. https://dvoika.net/ (Сайт містить навчальний матеріал з нарисної геометрії та креслення)

2. https://www.chertilnik.ru/ingraf_teoriya.html (Сайт містить теоретичну інформацію з курсу «Креслення»)

3. https://www.gubkin.ru/faculty/mechanical_engineering/chairs_and_departm s/automation_designing_buildings/questions-0506.php (Сайт містить довідкову інформацію по ГОСТ'ам для виконання креслень).

Основний зміст

1. Загальні відомості про вироби і креслення

Відомості про державні стандарти

 

Вироби та їхні складові частини


Оформлення креслень

Інструменти, матеріали та приладдя для креслярської діяльності. Прийоми їх підготовки до роботи, правила збереження та безпечного користування.

Для виконання креслень використо­вуються креслярські інструменти і при­ладдя.

Креслярський папір має підвищену цупкість і буває різної якості. Для виконан­ня креслярських робіт олівцем слід виби­рати папір, поверхня якого не псується при витиранні гумкою, а для роботи тушшю потрібно перевіряти, чи не розтікається туш. Креслярський папір має гладкий ли­цевий бік і шорсткий – зворотний. Для виконан­ня ескізів і розрахунково-графічних робіт використовується міліметровий папір, на якому нанесено міліметрову сітку.

Креслярські олівці маркуються за твердістю. Тверді олівці позначаються літерою " Т" або " Н", м'які - " М" або " В" і середньої твердості - " ТМ" (" НВ"). Ци­фри, які стоять перед літерою, показують ступінь твердості або м'якості олівця. Твердість олівця вибирається в залеж­ності від твердості креслярського паперу і коливається у межах від " 2Т" до " М". Олівцями підвищеної твердості викону­ють побудови і наводять тонкі лінії. Більш м'якими олівцями наводять товсті лінії і виконують написи. Загострюють олівці на довжину до 25 мм з кінця, проти­лежного фабричному клейму. Графітний стрижень оголюється на довжину до 10 мм. Йому, в залежності від призначення, надається форма конуса, зрізаного цилі­ндра або стамески (слайд.1). Після заго­стрення олівця графітний стрижень під­правляють на наждачному папері.

 

 

Слайд 1.

Креслярські дошки виготовляються різних розмірів. Для навчальних цілей ви­користовують дошки 1000 х 650 мм. Папір кріпиться до дошки кнопками або клей­кою стрічкою (скотчем) ближче до лівого боку дошки. Відстань від нижнього краю паперу до нижнього ребра дошки повин­на перебільшувати ширину рейсшини.

Рейсшина являє собою лінійку, довжина якої приблизно дорівнює довжині крес­лярської дошки.

Косинці випускаються двох типів — з кутами 45°, 45°, 90° і з кутами 30°, 60°, 90°. Косинці використовуються для проведення вертикальних, а також ліній під кутами 30°, 45°, 60° до рейсшини або лінійки. Одним катетом косинця прикладають до рейсши­ни або лінійки, а вздовж другого катета або гіпотенузи проводять лінію.

Лекала призначаються для проведення кривих ліній, які не можна за­мінити дугами кіл. Точки, через які по­трібно провести криву, спочатку з'єдну­ють тонкою лінією від руки, а тоді підби­рають лекало до окремих частин кривої для наведення їх олівцем чи тушшю. Для виконання креслень потрібно мати набір з кількох лекал.

Креслярські інструменти для прове­дення кіл, обведення ліній тушшю, вимі­ру довжини відрізків виготовляються у ви­гляді набору, який називається готоваль­нею. Готовальні бувають різного складу. На слайді. 2 наведено приклад середньої го­товальні.

Слайд 2.

Графітні стрижні для циркуля загост­рюють так само, як і для олівця. Рейсфедер використовується для обведення тушшю прямих і кривих ліній. Кронциркуль падаючий вико­ристовується для проведення кіл невели­ких діаметрів. Циркуль розміточний і ви­мірювач необхідні для точного вимірюван­ня і фіксації довжин відрізків. Циркуль крес­лярський призначається для проведення кіл та їх дуг. Креслярський циркуль має дві вставні ніжки: для проведення кіл графі­том і тушшю (круговий рейсфедер). Якщо розхилу циркуля не вистачає для прове­дення кола великого діаметра, в циркуль вставляється подовжувач. Центрик вико­ристовується для фіксації голки циркуля при проведенні концентричних кіл.

Формати креслення. Спосіб утворення, умовні позначення. Розміри форматів. Рамка креслення та рамка основного напису.

Формати креслярських аркушів вибира­ють залежно від габаритних розмірів крес­лення. Розміри форматів визначаються роз­мірами зовнішньої рамки креслення (рис. 1). Згідно з ГОСТ 2.301-68 регламенту­ються п'ять основних форматів: А0, А1, А2, АЗ, А4, розміри сторін яких подано в табл. 1. У разі потреби можна користуватися форматом А5 зі сторонами 148 х 210 мм.

Формат Розміри сторін формату, мм
АО 841 х 1189
А1 594x841
А2 420 х 594
АЗ 297 х 420
А4 210x297

Рисунок 1.

Площа формату А0 (841 х 1189) дорів­нює одному квадратному метру. Інші ос­новні формати можуть бути одержані послідовним поділом формату А0 на дві рівні частини паралельно меншій стороні відпо­відного формату.

Крім п'яти основних форматів, дозво­ляється користуватися додатковими, що утворюються кратним збільшенням меншої сторони основного формату.

Позначення додаткового формату скла­дається з позначення основного формату та числа, що вказує кратність збільшення. Наприклад, А1 х 2, АЗ х 5.

Поле креслення обмежується рамкою, товщина лінії якої не менше ніж 0, 7 мм, на відстані 20 мм від лівої межі аркуша (поле для підшивання) та на відстані 5 мм від інших сторін зовнішньої рамки (див. рис. 1). У правому нижньому куті незалежно від розмірів сторін поля креслення розмі­щується основний напис за ви­нятком формату А4, де він розміщується тільки вздовж сторони 210 мм (рис. 2).

Рисунок 2.

Для геометричного та проекційного креслень основний напис можна заповню­вати спрощено (слайд 3, форма 1), для інших креслень усі графи основного напису мають бути заповнені відповідно до ГОСТ 2.104-68 (слайд 3, форма 2). Крім того, для цих креслень обов'язкова додаткова графа 26 розміром 70 х 14 мм у лівому верхньому куті (див. рис. 1), де записують (повернутим на 180° відносно основного напису) позначення конструкторського документа (графа 2 основного напису).

Слайд 3.

Лінії креслення, їх типи, призначення, прийоми виконання.

При виконанні креслень використо­вують лінії, що встановлені стандартом ГОСТ 2.303-68, який регламентує різні типи ліній, що використовуються при побудові креслень. У таблиці 1 (слайд 4) наведено типи ліній, їх найменування, накреслення і розміри коснруктивних елементів ліній, товщина ліній відносно суцільної товстої лінії та основне призначення. Товщина всіх ліній на одному рисунку залежить від товщини s лінії види­мого контуру, яку вибирають у межах 0, 5... 1, 4 мм залежно від розмірів, складності та призначення рисунка, розмірів формату. Вибрані товщини ліній мають бути однако­вими для всіх зображень на даному кресленні.

Штрихи штрихових та штрихпунктирних ліній, а також відстані між штрихами мають бути однакової довжини. Штрихпунктирні лінії повинні закінчуватися штрихами. Центр кола позначають перетином штрихів. Для кола, діаметр якого менший ніж 12 мм, центрові штрихпунктирні лінії замінюють суцільними тонкими лініями.

 

Таблиця 1

Лінії, що використовуються при побудові креслень

Слайд 4.

На слайді 5 у відповідності з таблицею 1 (слайд 4) наведено приклади застосу­вання різних типів ліній при виконанні різноманітних креслень.

Слайд 5.

Шрифти креслярські. Усі написи на кресленнях та інших технічних документах слід виконувати креслярським шрифтом за ГОСТ 2.304-81. У стандарті подано оновні розміри та конструкції літер. Висоту h великих літер називають розміром шрифту. Встановлено такі розмір и шрифтів: (1, 8); 2, 5; 3, 5; 5; 7; 10; 14; 20; 28; 40.

Основні параметри шрифту (слайд 6) наведено у таблиці 2. Стандартом встановлено такі види шрифтів:

• тип А без нахилута з нахилом літер і цифр до ос­нови рядка приблизно 75°;

• тип Б без нахилу та з нахилом літер і цифр до ос­нови рядка приблизно 75°.

Таблиця 2

Слайд 6.

 

Стандартом рекомендується вико­нувати шрифти на допоміжній сітці. Це зручно, бо дає змогу точно відтворювати форму шрифтів, конструкцію літер і цифр та співвідношення окремих елементів. Крок сітки залежить від типу шрифту та його розміру.

У креслярському шрифті викори­стовують український (російський), латинський та грецький алфавіти, арабські та римські цифри, а та­кож знаки.

Форми літер українського (росій­ського) ал­фавіту наведено на слайді 7: а – шрифт типу А – з нахилом; б – типу Б – без нахилу.

а)

б)

Слайд 7.

Масштаби креслення. Нанесення розмірів. Одиниці вимірювання. Правила нанесення виносних та розмірних ліній, розмірних чисел, умовних знаків.

Масштабом називають відношення лі­нійних розмірів зображення предмета до відповідних розмірів самого предмета.

Перевагу віддають зображенню предмета в натуральну величину, тобто в масштабі 1: 1. Однак, якщо треба зменшити або збільшити зображення, то застосовують такі масштаби:

масштаби зменшення – 1: 2; 1: 2, 5; 1: 4; 1: 5; 1: 10; 1: 15; 1: 20; 1: 25; 1: 40; 1: 50; 1: 75; 1: 100; 1: 200; 1: 400; 1: 500; 1: 800; 1: 1000;

масштаби збільшення – 2: 1; 2, 5: 1; 4: 1; 10: 1; 20: 1; 40: 1; 50: 1; 100: 1.

Слід по можливості не застосовувати масштаби 1: 2, 5; 1: 15; 1: 75; 2, 5: 1.

Під час проектування генеральних пла­нів великих об'єктів допускається за­стосовувати масштаби 1: 2000; 1: 5000; 1: 10000; 1: 20000; 1: 25000; 1: 50000.

Масштаб на рисунку позначається в при­значеній для цього графі основного напису за типом 1: 1; 1: 2; 2: 1 тощо, в інших ви­падках – за типом (1: 1); (1: 2); (2: 1) тощо.

Якщо окреме зображення виконано в мас­штабі, що відрізняється від масштабу всього креслення, то масштаб позначається безпо­середньо біля напису, що стосується цього зображення, наприклад, А(5: 1), Б—Б(1: 2).

Розміри на кресленнях наносять для визначення величини виробу і його еле­ментів. Основні правила нанесення роз­мірів на кресленнях регламентуються ГОСТ 2.307-68. Число розмірів на зобра­женнях повинно бути мінімальним, але достатнім для виготовлення і контролю виробу. З одного боку, нестача хоча б од­ного розміру робить креслення непри­йнятним, з іншого – на кресленнях не по­винно бути зайвих розмірів, які можна підрахувати або визначити геометрични­ми побудовами. Не дозволяється повто­рювати розміри одного елемента на різних зображеннях. Нанесення розмірів повинно відповідати технології і послідов­ності виготовлення виробу. Розміри по­винні бути такими, щоб при виготовленні виробу не потрібно було займатись підрахунками. Розміри наносять за допо­могою виносних та розмірних ліній і роз­мірних чисел. Розмірна лінія на обох кінцях, як пра­вило, має стрілки, що упираються у ви­носні, осьові або контурні лінії. Форму розмірної стрілки показано на рис. 3. Розмірна лінія не може збігатись з будь-якою іншою лінією.

 

 

Рисунок 3.

Виносні лінії повинні виходити за розмірні на 1-5мм. Мінімальна відстань між паралельними розмірними лініями – 8 мм, а між розмірною і контурною – 10 мм. Слід уникати випадків перетину розмірних і виносних ліній. Розмірне число проставляється у мілі­метрах, як правило, на відстані 1 мм над розмірною лінією ближче до її середини. Слід уникати нанесення розмі­рів невидимих елементів, які показано штриховою лінією. При нанесенні кількох паралельних або концентричних розмір­них ліній розмірні числа над ними про­ставляють у шаховому порядку (рис. 4).

Рисунок 4.

Розміри бува­ють лінійні (рис. 5, а) та кутові (рис. 5, б).

а) б)

Рисунок 5.

Лінійні розміри визначають довжину відрізка. Розмірну лінію наносять паралельно цьому відрізку, а виносні – перпендикулярно. В окремих випадках виносні лінії можуть утворювати гострий кут із розмірною. Розмірну лінію для кутового розміру (дуги або кута) проводять у ви­гляді дуги з центром у вершині кута або в центрі дуги. Виносні лінії при нанесенні розміру кута проводять радіально, а при нанесенні розміру дуги - перпендикуляр­но її хорді або радіально (рис. 4, 5).

Діаметр кола позначають знаком Ø, що є колом, діаметр якого становить 5/7 від висо­ти цифр розмірного числа, перекресленим прямою, нахиленою під кутом приблизно 75° до розмірної лінії. Різні варіанти нанесення розмірів кола показано на рис. 6.

Рисунок 6.

Перед розмірним числом радіуса обо­в'язково ставлять знак R. Правила нанесен­ня радіуса показано на рис. 7. Якщо при цьому потрібно координувати центр кола, то його позначають перетином цент­рових та виносних ліній, до яких проводять розмірні лінії, та ставлять розмірні числа. Якщо центр кола лежить на великій від­стані, то його можна наблизити до дуги, а радіус позначити зі зламом під кутом 90°. Якщо центр кола не фіксується на рисунку, то розмірну лінію радіуса мож­на не проводити до центра.

Рисунок 7.

Розміри квадрата та квадратного отво­ру позначають знаком □ перед розміром сторони квадрата (рис. 8). Грані зображуються суцільними тонкими лініями, про­веденими по діагоналі.

Рисунок 8.

Якщо довжина розмірної лінії недо­статня для розміщення стрілок, їх вино­сять за виносні лінії (рис. 9). При не­стачі місця для стрілок на ланцюжку роз­мірних ліній замість розмірних стрілок наносять точки або засічки довжиною 2-4 мм під кутом 45° до розмірної лінії.

Рисунок 9.

Контурна лінія розривається, якщо вона перетинається з розмірною стріл­кою. Кут нахилу розмірного числа до го­ризонтальної лінії рамки повинен бути таким, щоб воно не виглядало перекину­тим. Тому, якщо кут нахилу розмірної лінії до горизонтальної лінії знаходить­ся в межах від 90° до 120°, розмірне чис­ло виносять на полицю лінії-виноски. Аналогічне правило є і для кутових розмірів. Розмірне число виноситься на полицю і в тому ви­падку, коли для нього не вистачає місця над розмірною лінією (рис. 10).

Рисунок 10.

Уклон характеризує відхил прямої лінії від горизонтального положення і вимірюєтьея тангенсом кута її нахилу (рис. 11).

Рисунок 11.

Розмір конусності наносять для елементів деталей конічної форми. Конусністю називається відношення діаметра основи конуса обертання до його висоти. Конусність зрізаного кону­са визначається як відношення різниці діаметрів основ до висоти (рис. 12).

Рисунок 12.

3. Геометричні побудови на кресленні

До елементарних геометричних побудов на кресленні відносяться:

- побудова паралельних та перпендикулярних прямих; поділ відрізка прямої на дві рівні частини з використанням циркуля та лінійки.

- побудова, вимірювання та поділ кутів, поділ кола на рівні частини.

Раціональні прийоми виконання елементарних геометричних побудов на кресленні ми розглянемо на лабораторних роблотах.

Зараз розглянемо способи побудови спряження.

Спряженням прийнято називати плавний перехід між двома лінія­ми (між прямою лінією і дугою або між двома дугами). Точка, в якій відбу­вається плавний перехід, називаєть­ся точкою спряження.

Спряження двох прямих ліній. У графічних побудовах, особливо при зо­браженні креслень литих деталей, ви­никає потреба у виконанні плавних пе­реходів від однієї прямої лінії до іншої.

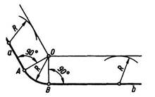
Спряження сторін прямого кута (рис. 13). Щоб побудувати спряження двох взаємно перпендикулярних прямих а і б дугою кола заданого раді­уса К, опишемо з точки перетину пря­мих, як із центра, дугу радіусом R до пе­ретину з цими прямими в точках А і В. З цих точок перетину, як із центрів, тим самим радіусом проведемо дуги до вза­ємного перетину в точці О. З точки О радіусом Rпроведемо дугу спряження. Точки А і В будуть точками спряження.

Рисунок 13

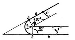
Спряження сторін гострого кута (рис. 14). Щоб побудувати спряжен­ня двох прямих а і б, що перетинають­ся під гострим кутом, дугою заданого радіуса R спочатку визначимо центр спряження. Для цього на відстані R проведемо прямі, паралельні сторонам кута, до перетину в точці О. З центра О опустимо перпендикуляри на задані прямі й одержимо точки спряження А і В. Тоді з точки О, як із центра, опи­шемо дугу радіусом R, яка й буде дугою спряження.

Рисунок 14

Спряження сторін тупого кута (рис. 15). Як і в попередньому випад­ку, для визначення центра спряження проведемо на відстані R прямі, пара­лельні сторонам кута, до перетину в точці О. З центра спряження (точка О) опустимо перпендикуляри на задані прямі й одержимо точки спряження А і В. З центра спряження опишемо дугу радіусом R, яка й буде дугою спря­ження.

Рисунок 15

Спряження двох паралельних пря­мих (рис. 16). Щоб виконати спря­ження двох паралельних прямих а і b дугою радіуса R, на одній із прямих за­дамо точку спряження А. Потім опу­стимо з цієї точки перпендикуляр на пряму Ь й одержимо другу точку спря­ження В. Поділимо відрізок АВ навпіл і з точки О, як із центра, проведемо ду­гу спряження радіусом R - ОА.

Рисунок 16

Спряження прямої з колом. Спря­ження може бути зовнішнім або внут­рішнім.

Спряження прямої з колом радіуса R1 якщо задано радіус дуги спряження R. З центра Оі (рис. 17) проведемо допоміжну дугу радіусом R1 +R до пере­тину з прямою, проведеною паралельно прямій а на відстані R. Одержимо точку О2 – центр спряження. З'єднавши цен­три О та О2, в перетині з заданим колом матимемо одну з точок спряження А. Опустимо перпендикуляр з центра спряження О2 на пряму a й одержимо другу точку спряження В. З центра О2 проведемо дугу спряження радіусом R. У даному разі маємо зовнішнє спря­ження, оскільки О1О2 = R1+R.

Рисунок 17.

Спряження двох кіл. У графічних побудовах можливі два випадки спря­ження двох кіл:

1)задано радіус спряження;

2)задано точку спряження на од­ному з кіл.

Спряження може бути зовнішнім, внутрішнім і змішаним.

Умовами можливості розв'язання задач на побудову спряжень двох кіл є:

Зовнішнє спряження двох кіл раді­усів R і R2 дугою заданого радіуса R. При зовнішньому спряженні спряжувані дуги розміщені з зовнішнього бо­ку дуги спряження і з різних боків до­тичних t1 t2 – на слайді 8 наведено приклад побудови зовнішнього спря­ження дуг двох кіл радіусів R1 і R 2 за допомогою дуги радіуса R. З центра О2 радіусом R + R2, а з центра O2 радіусом R + R1 проведемо дуги до перетину в точці О. Точки спряження А і В ле­жать на лініях, що з'єднують точку О з центрами дуг О1 та О2. 3 точки О, як із центра, проводимо дугу спряження радіусом R.

Слайд 8.

Внутрішнє спряження двох кіл радіусів R1 і R 2 дугою заданого радіуса R показано на слайді 9. Внутрішнє спряження двох дуг третьою дугою характеризується тим, що спряжувані дуги розташовані все­редині дуги спряження, тобто дуга спряження і спряжувані дуги лежать з одного боку дотичних t1 і t2 про­ведених через точки спряження (слайд 9). З центра О2 проведемо дугу радіусом R - R 2, а з центра О1 – радіусом R – R2. У перетині цих дуг одержимо точку О – центр дуги спря­ження. Точки спряження А і В лежать на прямих, що з'єднують точку О з центрами заданих кіл О2 та О. З точки О, як із центра, проводимо дугу спря­ження радіусом R.

Слайд 9.

Слайд 10. Змішане спряження двох кіл раді­усів R1 і R2 дугою заданого радіуса R

Змішане спряження двох даних дуг третьою характеризується тим, що од­на спряжувана дуга розміщена всере­дині дуги спряження, а друга — поза нею (слайд 10, а). З центра О2 прове­демо дугу радіусом R - R2, а з центра О1 – радіусом R + R1. Перетин проведених дуг є центром дуги спряження. Точки спряження А і В лежать в пере­тині кіл з прямими ОО1 та ОО2. Дуга спряження має з дугою радіуса К2 внутрішнє спряження, а з дугою ра­діуса R1 – зовнішнє.

На слайді 10, б показана побудова змішаного спряження цих же дуг, однак при цьому дуга спряження має з дугою ра­діуса R 2 зовнішнє спряження, а з ду­гою радіуса R1 – внутрішнє, побудова аналогічна.

Слайд 10.


Питання, що виносяться на самостійне опрацювання:

1. Конструкторські документи і стадії проектування.

2. Побудова циркульних та лекальних кривих в технічних формах.

Питання та завдання для самоперевірки:

1. За якою ознакою розрізняють вироби основного та допоміжного виробництва?

2. Чим відрізняється креслення деталі від складального рисунка? Від креслення загального вигляду7

3. Чим відрізняється оригінал від вихідного рисунка? Який з них виконується першим?

4. Назвати види проектних документів залежно від стадії розробки.

5. Що називають форматом? Чим відрізняється основний формат від додаткового?

6. Назвати основі типи ліній, які застосовують під час виконання креслень, а також співвідношення їхніх тловщин.

7. Що таке масштаб зображення? Які масштаби рекомендує ГОСТ 2.302-68?

8. Які розміри та типи шрифтів застосовують у кресленні?

9. Які загальні правила виконання штриховки на кресленнях?

10. Як проводять розмірні та виносні лінії для прямолінійного відрізка? кола? дуги? кута?

11. На якій мінімальній відстані проводять розмірну лінію від контуру? від паралельної розмірної лінії?

12. Які правила нанесення розмірів конусності та нахилу?

13. Що називають спряженням? Які його основні елементи?

14. Що таке коробова крива? Які ви знаєте криві другого порядку? Охарактеризуйте їх.

15. Побудувати циклоїду, епіциклоїду, гіпоциклоїду, спіраль Архімеда, евольвенту, синусоїду.

 


Лекція 2.

Тема.


Поделиться с друзьями:

mylektsii.su - Мои Лекции - 2015-2026 год. (2.464 сек.)Все материалы представленные на сайте исключительно с целью ознакомления читателями и не преследуют коммерческих целей или нарушение авторских прав Пожаловаться на материал