Студопедия

Главная страница Случайная страница

КАТЕГОРИИ:

АвтомобилиАстрономияБиологияГеографияДом и садДругие языкиДругоеИнформатикаИсторияКультураЛитератураЛогикаМатематикаМедицинаМеталлургияМеханикаОбразованиеОхрана трудаПедагогикаПолитикаПравоПсихологияРелигияРиторикаСоциологияСпортСтроительствоТехнологияТуризмФизикаФилософияФинансыХимияЧерчениеЭкологияЭкономикаЭлектроника






Вигляди






Назви основних вигляди. Для виглядів, що отримуються на основних площинах проекцій встановлені наступні назви: 1 — вигляд спереду (головний вигляд); 2 — вигляду зверху; 3 — вигляд зліва; 4 - вигляд справа; 5 — вигляд знизу; 6 — вигляд ззаду.

Назви виглядів на кресленнях не підписують, якщо їх розташування щодо головного вигляду (зображення) є відповідним. Якщо вигляд зверху, зліва, справа, знизу, ззаду зміщені щодо головного зображення (вигляду або розрізу, зображених на фронтальній площині проекцій), той напрям погляду указують стрілкою, прописною буквою, що позначається, а відповідні види відзначають на кресленні написом. Коли відсутнє зображення, на якому може бути показаний напрям погляду, назва вигляду надписують (слайд 3).

Слайд 3

Для зменшення кількості зображень допускається на видах показувати необхідні невидимі частини поверхні предмету штриховими лініями.

Додатковий вигляд. Якщо яку-небудь частину предмету неможливо показати на розглянутих вище основних виглядах без спотворення форми і розмірів, то застосовують додаткові види, що отримуються на площинах, непаралельних основним площинам проекцій.

Варіанти розташування додаткового вигляду на прикладі прямокутного хвилеводу показані на слайді 4, а, б, і в, при цьому розташування а) і б) переважно.

Додатковий вигляд відзначають на кресленні написом типу А (слайд 4, б, і в), а у пов'язаного з додатковим виглядом зображенням предмету ставлять стрілку, указують напрям погляду, з відповідними буквеними позначеннями (стрілка А, слайд 4, б і, в).

Коли додатковий вигляд розташований в безпосередньому проекційному зв'язку з відповідним зображенням, стрілку і напис над виглядом не наносять (слайд 4, а).

Слайд 4

Місцевий вигляд. Зображення окремого, обмеженого місця поверхні предмету називають місцевим виглядом.

Місцевий вигляд може бути обмежений лінією обриву, по можливості в найменшому розмірі ( слайд 5), або не обмежений ( слайд 6). Місцевий вигляд відзначають на кресленні подібно до додаткового вигляду.

Слайд 5

Слайд 6

2. Розрізи, перерізи

Розрізи. Розрізи розділяють залежно від положення січної площини на горизонтальні, вертикальні і похилі, від числа січних площин — на прості (при одній січній плоскости) і складні (при декількох січних площинах), а також на місцеві (або часткові) і розгорнені.

Прості розрізи. Залежно від положення січної площини щодо горизонтальної площини проекцій прості розрізи розділяють на:

горизонтальні — січна площина паралельна горизонтальній площині проекцій (див., наприклад, розріз А—А на слайді 7);

Слайд 7

вертикальнісічна площина перпендикулярна горизонтальній площині проекцій (див., наприклад, розріз на слайді 8);

Слайд 8

похилі — січна площина складає з горизонтальною площиною проекцій кут, відмінний від прямого, або січна площина якого непаралельна жодній з основних площин проекцій (див., наприклад, розріз А—А на слайд 9).

Слайд 9

Вертикальний розріз називають фронтальним, якщо січна площина паралельна фронтальній площині проекцій, і профільним, якщо січна площина паралельна профільній площині проекцій

Фронтальним і профільним розрізам, як правило, додають положення, відповідне прийнятому для даного предмету на головному зображенні.

Горизонтальні, фронтальні і профільні розрізи можуть бути розташовані на місці відповідних основних видів.

Розрізи називають поздовжніми, якщо січні площини направлені уздовж довжини або висоти предмету, і поперечними, якщо січні площини направлені перпендикулярно довжині або висоті предмету. У випадку, якщо площина розрізу направлена уздовж осі або довгої сторони таких елементів, як тонкі стінки типу ребер жорсткості, спиці маховиків, шківів і т. п., то їх показують незаштрихованними.

Складні розрізи. Залежно відположення січних площин розрізняють ступінчасті і ламані розрізи. Ступінчастими називають розрізи, коли січні площини паралельні (наприклад, фронтальний розріз А Ана слайді 10 при трьох січних площинах).

Слайд 10

 

Ламаними називають розрізи, коли січні площини перетинаються (наприклад, розріз А-А на слайді 11).

Слайд 11

При ламаних розрізах січні площини умовно повертають до поєднання в одну площину.

Якщо суміщені січні площини виявляться паралельними одній з основних площин проекцій, то ламаний розріз допускається поміщати на місці відповідного вигляду.

При повороті січної площини елементи предмету, розміщені за нею, викреслюють так, як вони проектуються на відповідну площину, до якої проводиться поєднання.

Місцевий розріз. Розріз, призначений для виявлення форми предмету лише в окремому, обмеженому місці, називають місцевим. Місцевий розріз відокремлюють від виду суцільною хвилястою лінією (слайд 12 ). Ця лінія не повинна співпадати з якими-небудь іншими лініями зображення.

Слайд 12

Перерізи.

Перерізи, що не входять до складу розрізу, розділяють на винесені (слайд 13, а) і накладені (слайд 13, б). Винесені перерізи є переважними, і їх допускається розташовувати в розриві між частинами одного і того ж вигляду (рис. 13, в).

Контур винесеного перерізу, а також перерізу, що входить до складу розрізу, зображають суцільними основними лініями, а контур накладеного перерізу (слайд 13, б) - суцільними тонкими лініями, причому контур зображення в місці розташування накладеного перерізу не переривають.

Для несиметричних перерізів лінію перерізу позначають розімкненою лінією з вказівкою стрілками напряму погляду. При цьому для винесеного перерізу її позначають однаковими прописними буквами російського алфавіту, а зображення перерізу надписують (сладй 13, а).

Для таких же перерізів, накладених (слайд 13, б) або розташованих в розриві (сладй 13, в), лінію перерізу проводять із стрілками, але буквами не позначають.

Слайд 13

У симетричних перерізів, накладених або винесених (слайд 14, а, б), вісь симетрії указують штрихпунктирною тонкою лінією без позначення буквами і стрілками і лінію перерізу не проводять.

Слайд 14

Для декількох однакових перерізів, що відносяться до одного предмету, лінію перерізу позначають однією буквою і викреслюють один переріз, наприклад переріз А—А на слайді 15.

Слайд 15.

Якщо січна площина проходить через вісь поверхні обертання, що обмежує отвір або поглиблення, то контур отвору або поглиблення в перерізі показують повністю. Наприклад, в перерізах А— А на слайді 16, а відповідно до цієї вимоги зображене конічне поглиблення, на сайді 16, б – циліндровий наскрізний і глухий отвори.

Слайд 16

Допускається як січна застосовувати циліндрову поверхню, що розгортається потім в площину (слайд 17). В цьому випадку поряд з позначенням перерізу указують .

Слайд 17

3. Умовності та спрощення при побудові зображень.Виносні елементи

Умовності і спрощення. В ціляхзменшення трудомісткості розробки креслень або зменшення витрати паперу на їх оформлення стандартами допускаються деякі умовності і спрощення. Розглянемо ті з них, які істотні для виконання або читання креслень.

Якщо вигляд, розріз або переріз представляють симетричну фігуру, допускається викреслювати половину зображення або більш половини зображення з проведенням в останньому випадку хвилястої лінії. З урахуванням цієї умовності, наприклад, на слайді 18 на вигляді зліва показано трішки більш його половини.

Слайд 18

Якщо предмет має декілька однакових, рівномірно розташованих елементів, то на зображенні цього предмету повністю показують один-два таких елементу, а решта елементів показує спрощено або умовно. Як приклади приведені зображення шестерні (слайд 19).

Слайд 19

На виглядах і розрізах допускається спрощено зображати проекції ліній перерізу поверхонь, якщо не вимагається точної їх побудови. Наприклад, замість лекальних кривих проводять дуги кола і прямі лінії.Так, на кресленнях пружин гвинтові лінії проводять як прямі. Плавний перехід від однієї поверхні до іншої показують умовно тонкою лінією.

Такі деталі, як гвинти, заклепки, шпонки, непорожнисті вали і шпінделі, шатуни, рукоятки і т. п., при подовжньому розрізі показують нерозітнутими. Кульки завжди показують нерозітнутими. Як правило, показують нерозітнутими на складальних кресленнях гайки і шайби.

Пластини, а також елементи деталей (отвори, фаски, пази, поглиблення і т. п.) розміром (або різницею в розмірах) на кресленні 2 мм і менш зображають з відступом від масштабу, прийнятого для всього зображення, у бік збільшення. Допускається також зображати із збільшенням незначну конусність або ухил.

При необхідності виділення на кресленні плоских поверхонь предмету на них проводять діагоналі суцільними тонкими лініями. Так, на слайді 20 діагоналями відмічені плоскі грані під ключ і видима поверхня однієї з двох «лысок» деталі.

Слайд 20

Довгі предмети (або елементи), що мають постійний або такий, що закономірно змінюється поперечний переріз (вали, цілі, прутки, фасонний прокат і т. п.), допускається зображати з розривом (слайд 21).

Рисунок 4

Для спрощення креслень або скорочення кількості зображень допускається:

а) частину предмету, що знаходиться між спостерігачем і січною площиною, зображати штрихпунктирною потовщеною лінією безпосередньо на розрізі; такою накладеною проекцією на рисунку 5 на розрізі А—А показана форма виступу у деталі і його розташування;

Слайд 21

б) для показу отвору в маточинах зубчатих коліс, шківів і т.п., а також для пазів шпон замість повного зображення деталі давати лише контур отвору або паза (слайд 22, а, б);

Слайд 22

в) зображати в розрізі отвори, розташовані на круглому фланці, коли вони не потрапляють в січну площину (слайд 23).

Слайд 23

Разом з розглянутими у відповідних стандартах встановлені також умовності і спрощення, що допускаються в нероз'ємних з'єднаннях, в кресленнях електротехнічних і радіотехнічних пристроїв, оптичних виробів зубчатих зачеплень і т.д

Виносні елементи. Виносний елемент — це додаткове окреме зображення (зазвичай збільшене) якої-небудь частини предмету, що вимагає графічного і інших пояснень відносно форми, розмірів і інших даних.

Виносний елемент може містити подробиці, не вказані на відповідному зображенні, і може відрізнятися від нього за містом (наприклад, зображення може бути виглядом, а виносний елемент — розрізом).

При застосуванні виносного елементу відповідне місце відзначають на вигляді, розрізі або перерізі замкнутою суцільною тонкою лінією — колом, овалом і т.п. з позначенням букви виносного елементу на полиці лінії-винесення. У виносного елементу указують букву і масштаб (слайд 24).

Слайд 24

На слайді 25, а і б приведенівиносні елементи, що показують конструкцію канавки і зуба розбірного з'єднання і схему.нанесения розмірів.

Виносний елемент розташовують можливо ближче до відповідного місця на зображенні предмету.

Слайд 25

Питання, що виносяться на самостійне опрацювання:

1. Умовності та спрощення при побудові зображень.

Питання для самоперевірки:

1. Що називають виглядом? Які є основні вигляди?

2. Як розміщують та позначають основні вигляди?

3. Які вигляди називають додатковими? Як їх розміщують та позначають?

4. Чим відрізняються місцеві вигляди від додаткових?

5. У чому відмінність між розрізом і перерізом?

6. Як поділяють розрізи залежно від кількості січних площин?

7. Як виконують місцевий розріз?

8. У яких випадках прості розрізи не позначаються?

9. Як оформити поєднання частини вигляду з частиною розрізу?

10. Чим відрізняється накладений переріз від винесеного? Коли періз не позначається?

11. Як виконують кілька однакових перерізів, що належать одному предмету?

12. Що називають виносним елементом і як його виконують?

13. Яка умовність дозволяється при зображенні симетричних зображень?

14. Як зображують кілька однакових рівномірно розміщених елементів?

15. Як показують у розрізі кріпильні деталі?

16. Як зображуються у розрізі тонкі стінки та ребра жорсткості?


Лекція 3.

Тема.

АКСОНОМЕТРИЧНІ ПРОЕКЦІЇ, ТЕХНІЧНИЙ РИСУНОК

План

1. Основні поняття і визначення.

2. Прямокутні ізометрія і диметрія

3. Косокутна фронтальна диметрія

 

Література:

А) основна:

1. Антонович Є.А. Креслення / Є.А. Антонович та ін. – Львів: Видавн. «Світ», 2006.

2. Ванін В.В. Оформлення графічної документації: Навчальний посібник / В.В. Ванін та ін. – К.: Каравела, 2003.

3. Верхола А.П. Інженерна графіка: креслення, комп’ютерна графіка / А.П. Верхола, Б.Д. Коваленко. – К.: Каравела, 2006.

Б) додаткова:

4. Боголюбов С.К. Черчение: Учебник для средних специальных учебных заведений / С.К. Боголюбов. – 2-е изд., испр. – М.: Машиностроение, 1989.

5. Годик Е.Й. Техническое черчение / Е.Й. Годик, В.М. Лисянский, В.Е. Михайленко, А.М. Пономарьов. – К.: Высшая школа, 1983.

6. Михайленко В.Є. Інженерна графіка: підручник для студентів вищих закладів освіти І-ІІ рівнів акредитації / В.Є. Михайленко, В.В. Ванін, С.М. Ковальов [За ред. В.Є. Михайленка]. – Львів, 2002.

7. Черчение: Учеб. пособие для студентов пед. ин-тов/Д.М. Борисов, Е.А. Василенко, Б.А. Ляпунов, М.Н. Макарова [Под ред. Д.М. Борисова]. – 2-е изд., доп. и перераб. – М.: Просвещение, 1987.

8. Черчение / А.М.Хаскин. – 4-е изд., перераб. и доп. – К.: Вища шк. Головное изд-во, 1985. – 447 с.

В) Інтернет-ресурси:

- www.mon.gov.ua;

- www.google.com;

- www.ya.ru;

- www.otd.tstu.ru;

- www.tnpu.edu.ua;

Основний зміст

1. Основні поняття і визначення

Прямокутні проекції об'єктів у різних галузях промисловості дають змогу розв'я­зувати різноманітні позиційні та метричні задачі щодо цих об'єктів, а також викону­вати вимірювання. Проте недоліком спо­собу прямокутних проекцій є відсутність одного з вимірів об'єкта на кожній з проек­цій, а це призводить до зменшення наоч­ності зображень.

Систему, при якій зображуються всі три виміри об'єкта, називають аксонометрич­ною, або просто аксонометрією. Отже, аксо­нометрії властиві наочність та оборотність. Ідея аксонометрії полягає в тому, що об'єкт жорстко зв'язується з просторовою декар-товою системою координат, яка разом з об'єктом проекціюється центрально або па­ралельно на площину аксонометричних проекцій. При центральному проекцію-ванні аксонометрію називають централь­ною, а при паралельному – паралельною. Нижче буде розглянуто паралельну аксо­нометрію.

Побудуємо точку А в системі прямокутних декартових координат (рис. 1). Щоб зв'язати точку з системою координат, її проекціюють на одну з координатних пло­щин (найчастіше на горизонтальну). Таку проекцію називають вторинною. При цьо­му відразу визначаються всі три декартові координати точки.

Рисунок 1

Напрям аксонометричного проекціювання вибирають так, щоб він не збігався з на­прямом координатних осей або площин, бо інакше матимемо вироджену проекцію осі чи площини. При цьому відрізки, пара­лельні координатним осям, будуть спотво­рюватися залежно від кута нахилу відрізка до аксонометричної площини проекцій. Міру спотворення виражають так званими коефіцієнтами, або показниками, спотво­рення.

В аксонометрії існує та ке поняття як коефіцієнт спотворення – відношення аксонометричних проекцій до дійсних величин. Записується так: x: y: z.

Якщо виключити граничні значення ко­ефіцієнтів, то можна стверджувати, що в прямокутній аксонометрії сума квадратів двох будь-яких коефіцієнтів спотворення більша ніж 1, але менша ніж 2. У косокутній аксонометрії сума квадратів двох будь-яких коефіцієнтів спотворення також біль­ша ніж 1.

Сліди координатних площин на аксоно­метричній площині проекцій утворюють так званий трикутник слідів (рис. 2). З багатьох систем аксонометричних про­екцій на практиці часто користуються трьо­ма її видами, а саме: прямокутною ізомет­рією (співвідношення показників спотво­рення 1: 1: 1), прямокутною диметрією (1: : 1) та косокутною фронтальною ди­метрією (1: : 1). Використовують також косокутну ізометрію, або " воєнну перспек­тиву" (1: 1: 1).

Рисунок 2

2. Прямокутні ізометрія і диметрія

Найбільш поширеним і простим видом аксонометрії є прямокутна аксонометрія, зокрема прямокутна ізометрія. Вцій сис­темі всі три показники спотворення дорів­нюють один одному, а це можливо тільки тоді, коли всі три координатні осі однако­во нахилені до площини аксонометричних проекцій. При.цьому трикутник слідів є рівнобічним. Вісь Oz, як правило, розміщу­ють вертикально, а осі Ох та Оу утворю­ють з нею кути по 120°.

Зображення куба в прямокутній ізометрії подано на слайді 1. Тут у грані куба впи­сані кола, які зображуються еліпсами. Осі еліпсів у прямокутній аксонометрії мають певний напрям, велика вісь еліпса перпен дикулярна до третьої координатної осі, а мала вісь паралельна їй. Наприклад, якщо коло паралельне площині х'О'у', то тре­тьою віссю є вісь О’z’.

Слайд 1

Відкладаючи паралельно координатним осям натуральні величини відрізків, дістає­мо, що великі осі еліпсів дорівнюють 1, 22 D, а малі — 0, 7 D.

Побудуємо дві проекції втулки (рис. 3, а) та ізомет­рію цієї втулки з вирізом передньої чверті (рис. 3, б).

Побудову рекомендується починати із зоб­раження в ізометрії горизонтальної про­екції деталі. Маючи горизонтальну проек­цію, легко за допомогою вертикальних ліній, на яких відкладаються розміри, взяті з фронтальної проекції, завершити побудо­ву. Напрям ліній штриховки визначають після відкладання на осях однакових від­різків.

Рисунок 3

Поряд з перевагами прямокутна ізомет­рія має й недоліки, а саме: всі координатні площини нахилені однаково до площини аксонометричних проекцій і всі сторони предмета чи деталі зменшуються однаково.

Якщо потрібно показати одну грань предмета більш повно, а другу подати ско­рочено, то застосовують другу прямокут­ну аксонометричну систему - прямокут­ну диметрію. Показники спотворення у цій системі такі: р = 0, 94, q = 0, 47, г = 0, 94.

Відкладаючи натуральні та половинні роз­міри, дістаємо зображення, збільшене в 1, 06 раза (1: 0, 94= 1, 06).

На слайді 2 зображено куб у прямо­кутній диметрії. У грані куба вписані кола. Еліпси, вписані у верхню та ліву грані, од­накові, великі осі їх перпендикулярні до третьої осі, як і в ізометрії. Велика вісь еліп­са дорівнює 1, 06 D, а мала — втричі мен­ша.

Слайд 2

Вісь О'х' у диметрії утворює з горизон­тальним напрямом кут 7°, а вісь Су' — кут 41°. Проте їх можна побудувати без транс­портира. Для цього досить з початку ко­ординат провести дугу кола довільним ра­діусом R, а з точки перетину цієї дуги з віссю O'z' зробити засічку на проведеній дузі радіусом, що дорівнює 1, 5R. Через цю точку та початок координат проходить вісь О'х'. Що ж до осі О’у', то вона є бісектри­сою кута x'O'z'. Така побудова більш точ­на, ніж за допомогою транспортира.

На слайді 3, а зображено два вигляди ма­шинобудівної деталі, а на слайді 3, б — її прямокутну диметрію. Оскільки деталь ви­тягнута в одному напрямі, то при виборі ак­сонометричних осей їх взято так, щоб біль­ша сторона деталі була напрямлена вздовж O’у на якій розміри зменшуються вдвоє. Побудову доцільно починати з горизон­тальної проекції. На рис. 4, б показано деталь з вирізаною передньою чвертю.

Слайд 3

 

3. Косокутна фронтальна диметрія

Крім прямокутних різновидів аксоно­метрії, використовують косокутну аксоно­метрію, зокрема, косокутну фронтальну диметрію. В цій системі осі О'х' та O'z' взаємно перпендикулярні, а вісь О’y' утво­рює з горизонтальним напрямом кут 45°.

Таку аксонометричну систему застосову­ють тоді, коли необхідно зберегти велику кількість фронтальних кіл або інших фрон­тальних криволінійних контурів об'єкта. її розміщують паралельно координатній пло­щині х'0'z'.

На слайді 4, а у косокутній фронтальній диметрії зображено куб. Коло у фронтальній грані зобра­жується без спотворення; кола у верхній та лівій гранях зображуються еліпсами, але їхні осі не горизонтальні й не вертикальні.

Тому для поверхонь обертання, розміще­них вертикально, косокутну фронтальну диметрію використовують рідко.

На слайді 4, б зображено деталь з кола­ми у фронтальній площині. Тут викорис­тано косокутну фронтальну диметрію. Ця система ефективна також при зображенні в аксонометрії багатогранних форм.

Слайд 4

При побудові кіл в аксонометрії еліпси ча­сто замінюють овалами, які будуються інстру­ментально і є спряженням дуг кіл. Овал в ізометрії будують так. На великій осі А В (слайд 4, в) та на малій CD будують два кола, які перетинають продовження малої осі в точ­ках 1 і 2, а велику вісь — у точках З і 4. З центрами у цих точках будують овали ра­діусів R1 = OB - ОС та R2 = CD + R1,. Точки спряження дуг цих радіусів знаходять, сполу­чивши точки 1 і З прямою, яку продовжують до перетину з дугами в точці 5.

У прямокутній диметрії в площині xOz побудуємо ромб (слайд 4, г), його серед­ні лінії та діагоналі. З центра О радіусом т — d/7 проводимо допоміжне коло, яке пе­ретинає діагоналі в точках 1, 2, 3, 4. З цен­тра 1проведемо дугу АВ, з центра 2 – дугу DC, з центра 3 – дугу AD, а з центра 4 – дугу ВС. Розміри великої та малої осей ова-ла визначаються при проведенні дуг.

Для побудови овала, який замінює еліпс у площині хОу, за даними осями АВ і CD (слайд 4, д) відкладаємо від центра О на продовженні малої осі довжину великої осі АВ. Дістаємо точку 1 центр верхньої дуги овала, тим самим радіусом проводи­мо нижню дугу овала. Зліва та справа від центра О проводимо дуги радіусом r = ОС/2, для цього з точок А і В засічками радіусом r знаходимо точки 3 і 4. Точку спряження 5 знаходимо за допомогою прямої 1– 3.

Питання, що виносяться на самостійне опрацювання:

1. Технічний рисунок.

Питання для самоперевірки:

1. Чи можуть у прямокутній аксонометрії дві або одна вісь зображатися неспотворено?

2. Що називають вторинною проекцією точки в аксонометрії?

 


Змістовий модуль 2.

машинобудівельна конструкторська документація

Лекція 1.

Тема.

РОБОЧІ КРЕСЛЕННЯ ТА ЕСКІЗИ ДЕТАЛЕЙ

План

1.

Література:

А) основна:

1. Антонович Є.А. Креслення / Є.А. Антонович та ін. – Львів: Видавн. «Світ», 2006.

2. Ванін В.В. Оформлення графічної документації: Навчальний посібник / В.В. Ванін та ін. – К.: Каравела, 2003.

3. Верхола А.П. Інженерна графіка: креслення, комп’ютерна графіка / А.П. Верхола, Б.Д. Коваленко. – К.: Каравела, 2006.

Б) додаткова:

4. Боголюбов С.К. Черчение: Учебник для средних специальных учебных заведений / С.К. Боголюбов. – 2-е изд., испр. – М.: Машиностроение, 1989.

5. Михайленко В.Є. Інженерна графіка: підручник для студентів вищих закладів освіти І-ІІ рівнів акредитації / В.Є. Михайленко, В.В. Ванін, С.М. Ковальов [За ред. В.Є. Михайленка]. – Львів, 2002.

6. Техническое черчение: Учебник для вузов / Е.И. Годик, В.М. Лисянский, В.Е. Михайленко, А.М. Пономарев. – 5-е изд., перер. и доп. – К.: Вища шк., 1983. – 439 с.

7. Федоренко В.А. Справочник по машиностроительному черчению. – 14-е изд., перераб. и доп. / В.А. Федоренко, А.И. Шошин [Под ред. Г.Н. Поповой]. – Л.: Машиностроение, 1981.

8. Фролов С.А. Машиностроительное черчение: Учеб. пособие для втузов / С.А. Фролов, А.В. Воинов, Е.Д. Феоктистова. – М.: Машиностроение, 1981.

9. Черчение: Учеб. пособие для студентов пед. ин-тов/Д.М. Борисов, Е.А. Василенко, Б.А. Ляпунов, М.Н. Макарова [Под ред. Д.М. Борисова]. – 2-е изд., доп. и перераб. – М.: Просвещение, 1987.

10. Черчение / А.М.Хаскин. – 4-е изд., перераб. и доп. – К.: Вища шк. Головное изд-во, 1985. – 447 с.

В) Інтернет-ресурси:

- www.mon.gov.ua;

- www.google.com;

- www.ya.ru;

- www.otd.tstu.ru;

- www.tnpu.edu.ua;

Основний зміст

Питання, що виносяться на самостійне опрацювання:

 

Питання для самоперевірки:


Лекція 2.

Тема.

КРЕСЛЕННЯ З'ЄДНАНЬ ДЕТАЛЕЙ

План

1. Класифікація з’єднань.

2. Різьбові з’єднання.

3. Шпонкові з'єднання.

4. Штифтові з'єднання.

5. Заклепкові з'єднання.

6. Зварні з'єднання.

Література:

А) основна:

1. Антонович Є.А. Креслення / Є.А. Антонович та ін. – Львів: Видавн. «Світ», 2006.

2. Ванін В.В. Оформлення графічної документації: Навчальний посібник / В.В. Ванін та ін. – К.: Каравела, 2003.

3. Верхола А.П. Інженерна графіка: креслення, комп’ютерна графіка / А.П. Верхола, Б.Д. Коваленко. – К.: Каравела, 2006.

Б) додаткова:

4. Боголюбов С.К. Черчение: Учебник для средних специальных учебных заведений / С.К. Боголюбов. – 2-е изд., испр. – М.: Машиностроение, 1989.

5. Михайленко В.Є. Інженерна графіка: підручник для студентів вищих закладів освіти І-ІІ рівнів акредитації / В.Є. Михайленко, В.В. Ванін, С.М. Ковальов [За ред. В.Є. Михайленка]. – Львів, 2002.

6. Техническое черчение: Учебник для вузов / Е.И. Годик, В.М. Лисянский, В.Е. Михайленко, А.М. Пономарев. – 5-е изд., перер. и доп. – К.: Вища шк., 1983. – 439 с.

7. Федоренко В.А. Справочник по машиностроительному черчению. – 14-е изд., перераб. и доп. / В.А. Федоренко, А.И. Шошин [Под ред. Г.Н. Поповой]. – Л.: Машиностроение, 1981.

8. Фролов С.А. Машиностроительное черчение: Учеб. пособие для втузов / С.А. Фролов, А.В. Воинов, Е.Д. Феоктистова. – М.: Машиностроение, 1981.

9. Черчение / А.М.Хаскин. – 4-е изд., перераб. и доп. – К.: Вища шк. Головное изд-во, 1985. – 447 с.

В) Інтернет-ресурси:

- www.mon.gov.ua;

- www.google.com;

- www.ya.ru;

- www.otd.tstu.ru;

- www.tnpu.edu.ua.


Основний зміст

1. Класифікація зєднань

З'єднання та передачі є основою функ­ціонування будь-якої машини та взаємодії деталей, що входять до її складу. З'єднання бувають рознімними та нерознімними.

Рознімними називають з'єднання, для яких операції складання та розбирання можливі без руйнування їхніх складових частин. З'єднання, які не можна скласти або розібрати без руйнування їхніх складових частин, називають н ерознімними. Рознімни­ми є різьбові, шпонкові, шліцьові з'єднан­ня. Нерознімними є зварні, заклепкові, па­яні, клейові та інші.

2. Різьбові зєднання

Різьбові з'єднання є найбільш пошире­ними в техніці. Геометричною основою цих з'єднань є гвинтові поверхні, особливістю яких є гвинтова лінія. У різьбових з'єднан­нях застосовуються циліндричні та конічні гвинтові лінії, які є напрямними. Робоча поверхня гвинта утворюється переміщенням профілю різьби як її твірної лінії вздовж гвинтової лінії.

Гвинтом називають сукупність цилінд­ра чи конуса з одержаною таким чином поверхнею різьби.

Класифікація і параметри різьби. Різьбою називають один або кілька рівномірно розміщених гвинтових виступів сталого пере­різу, утворених на боковій поверхні прямо­го кругового циліндра або прямого круго­вого конуса.

Зовнішні різьби виконують нарізанням гвинтових поверхонь на циліндричних або конічних стрижнях. Внутрішні різьби вико­нують нарізанням гвинтових поверхонь у циліндричних або конічних отворах.

Довжина різьби – це довжина ділянки деталі, де нарізана різьба. На кресленнях звичайно зображують тільки ділянку з повним профілем. Якщо є проточка, то її ширину включають у дов­жину різьби.

Залежно від напряму гвинтової лінії різь­би поділяють на праві та ліві. У техніці за­стосовують в основному праві різьби.

За числом ходів, тобто за кількістю на­прямних гвинтових ліній, різьби бувають одно- та багатоходовими.

Залежно від виду профілю розрізняють такі різьби: трикутну – метричну з кутом при вершині 60° (рис. 1, а) або дюймову з кутом 55°; трапецеїдальну (рис. 1, б), зокрема, упорну, круглу, прямокутну (рис. 1, в, г), та ін.

Рисунок 1

За призначенням різьби поділяють на кріпильні, ходові та спеціальні.

Циліндричну різьбу характеризують такі параметри:

1. Зовнішній діаметр, який дорівнює діа­метру умовного циліндра, що містить вершини зовнішньої різьби або западини внутрішньої різьби.

2. Внутрішній діаметр.

3. Середній діаметр різьби — це діаметр умовного циліндра, вздовж твірних якого ширина виступу профілю дорівнює ширині западини.

4. Крок різьби — це виміряна паралельно осі різьби відстань між відповідними точками двох сусідніх витків.

5. Хід різьби— це виміряна паралель­но осі різьби відстань між відповідними точками на одній гвинтовій поверхні за один оберт профілю. Хід різьби дорівнює відстані переміщення гайки за один повний оберт.

6. Кут профілю різьб — кут між бічни­ми сторонами профілю.

7. Висота вихідного профілю дорівнює Н.

8. Висота робочого профілю Н1 – від­стань між вершиною та западиною профілю в напрямі, перпендикулярному до осі різьби.

Номінальні значення зовнішнього, внут­рішнього та середнього діаметрів мають відповідати ГОСТу.

Зображення різьби на кресленнях. Будь-які різьби незалежно від їхнього типу зображують на кресленні умовно. Умовність полягає в проведенні суцільної основної лінії замість виступів різьби і тон­кої суцільної лінії замість западин (рис. 2, а...є), що проводять на всю довжину різьби без збігу, захоплюючи фаски. На площині, перпендикулярній до осі різьбового стриж­ня, суцільну тонку лінію внутрішнього діа­метра різьби проводять на 3/4 довжини кола, причому розімкнути її можна в будь-якому місці. Відстані між лініями зовнішнього та внутрішнього діаметрів різьби на всіх про­екціях виконують не менше ніж 0, 8 мм і не більше від кроку різьби.

Рисунок 2

Різьбу, показану як невидиму, зображу­ють аналогічно поданій на рис. 2, д. Позначення циліндричної різьби стосу­ється зовнішнього діаметра і виконується за стандартом. Приклади нанесення розмі­рів різьби показані на рис. 2, а, б.

Стандартні кріпильні деталі з різьбою. Ці вироби поділяють на деталі загального призначення та спеціальні. Нижче розгля­датимемо тільки деталі загального призна­чення. Болти, гвинти, шпильки, гайки ви­готовляють зі сталі та кольорових сплавів.

Залежно від умов експлуатації кріпильні деталі випускають з покриттям, яке має цифрове або літерне позначення. В позна­чення кріпильної деталі включається циф­рове позначення покриття (якщо воно є).

Найбільш широко застосовують болти з шестигранною головкою підвищеної, нормальної та грубої точності (класів А, В, С) з нормальною чи зменшеною головкою, з великим або дрібним кроком різьби, що випускають в одному або в кількох вико­наннях.

Болти випускають з шестигранною го­ловкою номінальним діаметром різьби 6...48 мм, завдовжки 8...300 мм. (рис. 3)

Рисунок 3

Приклад позначення: Болт М16 х 2 х 80, де 16 — номінальний діаметр; 2 — крок; 80 — довжина болта.

Залежно від призначення та умов експлу­атації гайки бувають шестигранні, шестигранні прорізні, корончасті тощо (слайд 1, а...в). Найширше застосовують шестигранні гайки, що випускаються в одному, двох, трьох виконаннях, підвищеної, нормальної та грубої точності; нормальної висоти, низькі, високі, особливо високі; з нормальним або зменшеним розміром " під ключ"; з великим або дрібним кроком. Приклад позначення: Гайка М10 х 1, де 10 – номінальний діаметр, 1 – крок.

Слайд 1

У промисловості широко застосовують кріпильні та встановлювальні гвинти. Залежно від призначення гвинти мають на­півкруглу, циліндричну, напівпотайну та потайну головки (слайд 2, а... е). Крім того, є гвинти з головкою під гайковий ключ.

Приклад позначення: Гвинт М6 х 1 х 50, де 6 – номінальний діаметр, 1- крок, 50 - довжина.

Слайд 2

Шпильки випус­кають класів тонності А і В діаметром різьби 2...48 мм і завдовжки 10...300 мм. На слайді 3, а, б, подано шпильки, які мають довжину кінця, що загвинчується, l1 дов­жину шпильки l та довжину гайкового кінця l 0.

Приклад позначення: Шпилька М16 х 1, 5 х 100, де 16 – номінальний діаметр, 1, 5 – крок, 100 – довжина.

Слайд 3

У різьбових з'єднаннях широко застосо­вують різноманітні шайби, які не ма­ють різьби і призначені для запобігання по­шкодженню поверхні деталі від гайки при її затягуванні, а також для збільшення опор­ної площі гайки, головки болта чи гвинта, для запобігання самовідгвинчуванню га­йок тощо.

Розрізняють шайби:

— круглі (слайд 4, а). Приклад позначення: Шайба 10, де 10 — діа­метр різьби кріпильної деталі (болта, шпильки);

— пружинні (слайд 4, б ) чотирьох типів: легкі (Л), нормальні (Н), важкі (Т), особливо важкі (ОТ).

а) б)

Слайд 4

Приклад позначення: Шайба 10Т, де 10 — діаметр різьби кріпильної деталі; Т – шайба важко­го типу (для нормальних Н не зазначають).

Крім того, є шайби стопорні, сферичні, квадратні та ін.

Слід зазначити, що діаметр отвору шай­би завжди більший від діаметра різьби на 0, 5...2, 0 мм і залежить від діаметра різьби, але в позначенні завжди дають діаметр різьби.

Болтові з'єднання. Важливим елементом зображення різьбових з'єднань є показ різьбових деталей у розрізі. Зовнішній діаметр різьби стрижня відповідає зовнішньому діа­метру різьби в отворі, а внутрішній діаметр різьби стрижня — діаметру отвору (рис. 4, а). На зображенні різьбового з'єднан­ня перевагу віддають різьбі стрижня, а різь­бу отвору показують лише там, де вона не закрита зображенням стрижня (рис. 4, б).

Рисунок 4

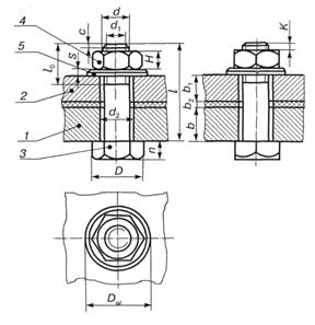
Болтове з'єднання деталей (слайд 5, а…е) виконують за допомогою болта, шайби та гайки (слайд 5, б). У деталях, що скріплю­ються, свердлять отвір для болта (слайд 5, в). Діаметр отвору залежить від характеру та умов роботи з'єднання, які визначають точність складання. Цим стандартом регламентується зазор між стрижнем болта та отвором. Якщо при цьо­му зазор буде менше ніж 1 мм, то на зобра­женні його можна дещо збільшити.

В одержаний отвір вставляють болт, на нього надівають шайбу (слайд 5, г) і на­гвинчують гайку (слайд 5, д). Довжину болта розраховують за умов достатньої довжини нарізаної частини для нормально­го затягування та наявності вільного кінця болта над гайкою (слайд 5, е), де d – зовнішній діаметр різьби; d1 = 0, 85 d; D = 2 d; Dш = 2, 2 d; Н = 0, 7 d; lо = (1, 5…2, 0) d; S = 0, 15 d; с = 0, 15 d; l = b + b1 + b2 + S + H + K.

Слайд 5

Розрахункову довжину болта округля­ють до ближчого більшого за відповідним стандартом або в навчальних цілях до ближчого більшого числа, кратного 5 або 10 (при довжині болта понад 120 мм).

У навчальних цілях параметри болтового зєднання розраховують залежно від діаметра болта та товщини деталей за наведеними вище формулами для слайда 5. На кресленні болтового з'єднання головки бол­та та гайки зображують спрощено, дуги гіпербол (фасок на їхніх гранях) умовно за­мінюють дугами кіл, зазор між цими дугами та торцем, як правило, не показують. Болт, гайку, шайбу зображують нерозсіченими.

На кресленні болтового з'єднання нано­сять три розміри: діаметр різьби, діаметр отвору, довжину болта.

Креслення болтового з'єднання, якщо його виконують як окреме завдання, бажа­но оформити як складальне креслення, до­повнюючи специфікацією.

З'єднання шпилькою. Таке з'єднання (слайд 6, а...ж) виконують за допомогою шпильки, шайби та гайки. В одній з дета­лей свердлять глухий отвір (слайд 6, в), в ньому нарізують різьбу (слайд 6, г), куди загвинчують посадочний кінець шпильки (слайд 6, д). Потім на шпильку встанов­люють приєднувану деталь (слайд 6, є), в якій заздалегідь просвердлено отвір, діа­метр якого вибирають з урахуванням сте­пеня точності складання. Зверху на шпиль­ку надівають шайбу (слайд 6, є) і нагвин­чують гайку (слайд 6, ж).

Слайд 6

На зображенні з'єднання шпилькою за­стосовують такі самі спрощення, як і при виконанні зображень болтового з'єднання.

На кресленні з'єднання шпилькою нано­сять три розміри: діаметр різьби, діаметр отвору в приєднуваній деталі та довжину шпильки. Бажано доповнити зображення з'єднан­ня специфікацією.

З'єднання гвинтом. Це з'єднання викону­ють у такій послідовності. У деталі сверд­лять отвір (головним чином, глухий) — слайд 7, а, нарізають у ньому різьбу. В приєд­нуваній деталі свердлять отвір, діаметр яко­го вибирають залежно віддіаметра гвинта та степеня точності складання, і виконують гніздо (зенковку) під головку гвинта (цилін­дричне — для циліндричної головки і ко­нічне — для конічної головки). В отвір при­єднуваної деталі вставляють гвинт і загвин­чують в отвір першої деталі (слайд 7, б, в) доти, доки деталі не з'єднаються. На кресленні гвинтового з'єднання на­носять три розміри: діаметр різьби гвинта, діаметр отвору в приєднуваній деталі та довжину гвинта.

Слайд 7

3. Шпонкові з'єднання

Елементами шпонкового з'єднання є вал, шпонка, колесо. Шпонка призначена для передачі крутного моменту і осьового зу­силля від вала до колеса або навпаки.

Розрізняють призматичні, клинові та сег­ментні шпонки.

Найбільш широко застосовують приз­матичні шпонки: нормальної висоти в трьох виконаннях, високі на напрямні шпон­ки з кріпленням на валу. Бічні грані цих шпонок – робочі, над шпон­кою є зазор. Розміри перерізу шпонки за­лежать від діаметра вала, а довжина – від крутного моменту. Осьове зусилля ці шпон­ки не передають.

Приклад позначення: Шпонка 18 х 11 х 100, де 18 x 11 – переріз; 100 – довжина шпонки.

Клинові шпонки мають уклон верхньої грані 1: 100 і випускаються у чо­тирьох виконаннях. За­стосовують їх у тихохідних механізмах при передачі крутного моменту й осьового зу­силля. Робочими поверхнями є верхня й нижня грані, між бічними гранями шпон­ки і паза – зазор.

Сегментні шпонки випускають у двох виконаннях. За­стосовують їх при передачі невеликих крутних моментів. Робочі поверхні - бічні гра­ні, над шпонкою – зазор.

Приклад позначення: Шпонка 5 х 6, 5, де 5 – ширина; 6, 5 – висота шпонки.

Розглянемо утворення шпонкового з'єд­нання (слайд 8). На валу циліндрич­ною дисковою фрезою роблять паз. Діа­метр цієї фрези дорівнює діаметру цилінд­ричної частини сегментної шпонки з ура­хуванням посадки шпонки на валу (слайд 8, а).

У маточині колеса фрезерують або ви­готовляють протяжкою паз, ширина якого рівна ширині шпонки з урахуванням ходової посадки шпонки в маточині коле­са (слайд 8, б).

У паз вала вставляють шпонку і наса­джують колесо на вал (слайд 8, в, г).

Слайд 8

Для призматичних і клиноподібних шпо­нок паз на валу фрезерують циліндрични­ми або кінцевими фрезами. Довжина паза під клинову шпонку приблизно дорівнює подвійній довжині шпонки. Довжина паза під призматичну шпонку дорівнює її дов­жині, яка, в свою чергу, коротша за шири­ну маточини колеса (слайд 9, а). Паз у маточині колеса для клиноподібної шпон­ки виконують з уклоном 1: 100.

Глибину пазів на валу та в маточині ко­леса вибирають для кожного типу шпонки з відповідних стандартів.

Первинними при розрахунку параметрів шпонкового з'єднання є діаметр вала та ширина маточини колеса.

Шпонкове з'єднання звичайно зображу­ють у двох проекціях (слайд, б, в).

Умовності при зображенні шпонкових з'єднань полягають у тому, що зазор між верхніми неробочими поверхнями дещо збільшують порівняно з дійсними його розмірами.

Слайд 9

Приклади нанесення розмірів шпонко­вих пазів на валах наведено на слайді 10, а..е, в отворі – на слайді 10, г.

Слайд 10

4. Штифтові з'єднання

Штифтові з'єднання утворюють із застосуванням штифтів – деталей цилінд­ричної або конічної форми. За допомогою циліндричних штифтів забезпечують фіксацію однієї деталі відносно ін­шої – це запобігає зміщенню деталей, скріплених гвинта­ми (слайд 11, а – загальний вигляд, б - креслення).

Слайд 11

Конічні штифти застосовують тоді, коли потрібно запобігти взаємному поздовжньому переміщенню двох деталей (слайд 12, а – загальний вигляд, б - креслення).

Слайд 12

Особливістю штифтового з'єднання є те, що отвір під штифт свердлять одночасно у всіх деталях, які підлягають з'єднанню. Цим досягається високий ступінь взаємної фікса­ції з'єднуваних деталей. Штифт вставляють у отвір здебіль­шого запресовуванням.

Розміри штифтів стандартизовано. Діаметр і довжину штифта вибирають залежно від розмірів з'єднуваних деталей. До позначення штифта входять його назва і розмі­ри, наприклад, «Штифт циліндричний 5 х 30». Це означає, що циліндричний штифт має діаметр 5 мм і довжину 30 мм. Напис «Штифт конічний 10 х 70» означає, що в конічного штифта менший діаметр 10 мм, а довжина 70 мм.

Штифтові з'єднання, як правило, показують за допомо­гою розрізів (слайд 11, 12). На складальних кресленнях штифти в розрізі показують, як і інші непорожнисті дета­лі, нерозсіченими, якщо січна площина проходить уздовж їх осі.

5. Заклепкові з'єднання

Нерознімне з'єднання деталей, яке вико­нують за допомогою заклепки, називають заклепковим. У скріплюваних деталях свер­длять отвір, діаметр якого дорівнює 1, 05 діаметра заклепки (слайд 13, а). В одер­жаний таким чином отвір вставляють за­клепку (слайд 13, б) і виступну її частину розклепують до утворення замикальної го­ловки (слайд 13, в, г). Щоб розклепування не було утрудненим, заклепки виготовляють з досить плас­тичних матеріалів.

Слайд 13

Випускають заклепки з напівкруглою, потайною, напівпотайною і плоскою головками з покриттям і без нього.

Діаметр та товщина заклепки залежить від товщи­ни скріплюваних листів і визначається за спеціальними формулами.

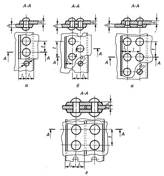
У з'єднанні заклепки розміщуються ря­дами, сукупність яких утворює заклепко­вий шов. Ці шви можуть бути однорядни­ми (слайд 14, а, г), дворядними (слайд 14, б, в) та багаторядними. Залежно від розмі­щення заклепок у рядах їх поділяють на па­ралельні та шахові (слайд 14, б). За взаєм­ним розміщенням з'єднуваних деталей шви бувають внапусток (слайд 14, а...в) і сти­кові (слайд 14, г).

Заклепковий шов зображують у двох проекціях: головне зображення (простий або ступінчастий розріз) та вигляд звер­ху.

На слайді 14 показано однорядний та різноманітні дворядні шви.

Слайд 14

6. Зварні з'єднання

Зварні з'єднання є найбільш поширени­ми нерознімними з'єднаннями. Вони утво­рюються при розплавленні металу в зоні стику і його подальшому затвердінні. Ме­тал, що затвердів після розплавлення, на­зивають зварним швом. Зварні шви діста­ють зварюванням, плавленням і тиском. У першому випадку застосовують електро­дугове (Е), ручне (Р), напівавтоматичне (П), автоматичне (А) або газове (Г) зварювання. Одним з видів зварювання тиском є кон­тактне (КТ) зварювання, що поділяється на точкове, роликове, рельєфне та стикове.

Зварні шви класифікують за такими оз­наками:

1) за способом взаємного розміщення зва­рюваних деталей (рис. 4, а...г) – стикові, (С), кутові (У), таврові (Т), внапусток (Н);

2) за формою підготовки кромок – без скосу кромок (рис. 5, а); з відбортовуванням (рис. 5, б, в); з різноманітними скосами кромок (рис. 5, г);

3) за характером виконання – суцільні, переривчасті, точкові, однобічні й двобічні.

Слайд 15

Зварні шви на кресленнях зображують умовно:

а) незалежно від способу зварювання видимі шви зображують суцільною товстою основною лінією, а невидимі – штриховою (слайд 16, а);

б) видиму одиничну зварну точку умовно показують знаком +, виконаним суцільною товстою основною лінією, невидимі одиничні точки не зображують (слайд 16, б).

Слайд 16

Для позначення типу зварного шва від його зображення проводять лінію-виноску, що починається односторонньою стрілкою. Для видимого шва над поличкою, а для не­видимого – під поличкою записують не­обхідні параметри стандартного зварного шва:

— номер стандарту на тип і конструк­тивні елементи зварного шва;

— літерно-цифрове позначення шва за цим стандартом (беруть з таблиць);

— спосіб виконання зварювання (можна не зазначати);

— знак і розмір катета шва;

— знак і параметри переривчастих швів.

Якщо у виробі є кілька однакових звар­них швів, то їх позначають одним номером. На одному зі швів наносять повне його по­значення, а на решті – присвоєний но­мер.

Питання, що виносяться на самостійне опрацювання:

1. Шляцьові зєднання.

2. З'єднання паянням, склеюванням і зшиванням.

Питання і завдання для самоперевірки:

1. Які рознімні та не рознімні зєднання найбільше застосвують у техніці?

2. Які види різьби розрізняють залежно від її профілю?

3. Які основні види кріпильних деталей? Призначення їх.

4. Записати позначення стандартного болта, гвинта, шпильки та розшифрувати їх.

5. Які спрощення допускають пр. и зображенні різьбових зєднань?

6. Побудувати ескіз гвинта, наполовину загвинченого в глухий отвір.

7. Як умовно позначити заклепки на кресленні?

8. За якими ознаками класифікують зварні шви?

9. Як умовно зображають та позначають зварні шви?

10. Як умовно позначають зєднання паянням, склеюванням і зшиванням?


Лекція 3.

Тема.

ЕЛЕМЕНТИ БУДІВЕЛЬНОГО КРЕСЛЕННЯ

План

Література:


Поделиться с друзьями:

mylektsii.su - Мои Лекции - 2015-2026 год. (1.557 сек.)Все материалы представленные на сайте исключительно с целью ознакомления читателями и не преследуют коммерческих целей или нарушение авторских прав Пожаловаться на материал