Студопедия

Главная страница Случайная страница

КАТЕГОРИИ:

АвтомобилиАстрономияБиологияГеографияДом и садДругие языкиДругоеИнформатикаИсторияКультураЛитератураЛогикаМатематикаМедицинаМеталлургияМеханикаОбразованиеОхрана трудаПедагогикаПолитикаПравоПсихологияРелигияРиторикаСоциологияСпортСтроительствоТехнологияТуризмФизикаФилософияФинансыХимияЧерчениеЭкологияЭкономикаЭлектроника






В.Г. Иванов и др. 3 страница






 

где . (63)

 

Обычно d 1 = 0, 4 – 0, 5 м; угол β ≥ 300 [16].

Строительная высота перегнивателя H п, м, составит:

 

, (64)

 

Далее проверяют, чтобы ширина кольцевого пространства между стенами осветлителя и перегнивателя была не менее 0, 7 м [16, 20, 21].

 

 

2.7. Высоконагружаемые биофильтры (аэрофильтры)

 

2.7.1. Расчет высоконагружаемых биофильтров (аэрофильтров)

 

Высоконагружаемые биофильтры применяются на очистных станциях производительностью до 50000 м3/сут. Они могут обеспечивать как полную биологическую очистку с доведением БПКполн до Lt = 15 мг/л, так и неполную (частичную) очистку. Учитывая высокие требования к охране водоемов от загрязнения, в настоящее время обычно предусматривают полную биологическую очистку сточных вод.

При БПКполн исходной воды до La ≤ 300 мг/л биофильтры работают без рециркуляции, а при La > 300 мг/л – с рециркуляцией [16, 20, 21].

Конструктивно высоконагружаемые биофильтры могут быть прямоугольными в плане со спринклерной распределительной системой и круглыми с реактивными оросителями. Прямоугольные в плане биофильтры в настоящее время наиболее часто устраиваются в районах с суровым климатом, когда возникает необходимость располагать их в помещениях, а также при расходах сточных вод до 1000 м3/сут (капельные биофильтры). При устройстве сооружений на открытом воздухе наиболее часто применяют круглые в плане биофильтры с реактивными оросителями, схема которых приведена на рисунке 7. Существует много способов расчета биофильтров; обычно рекомендуется рассчитывать высоконагружаемые биофильтры (аэрофильтры) по приведенной ниже методике [16].

Рис. 7. Схема высоконагружаемого биофильтра с реактивным оросителем

В случае БПКполн исходной воды до 300 мг/л первоначально определяют коэффициент К по формуле

 

, (65)

 

где La – БПКполн исходной воды, мг/л;

Lt – БПКполн очищенной воды; при полной биологической очистке Lt = 15 мг/л.

Затем с помощью таблицы 9 по найденному коэффициенту К определяют при известной расчетной температуре сточных вод Т (среднезимней) потребную рабочую высоту биофильтра, т.е. высоту загрузки H, м, гидравлическую нагрузку на биофильтр q, м32 в сутки, и удельный расход воздуха В, м33 воды. При отсутствии в таблице 9 значений К, равных полученному, параметры H, q и В надлежит принимать по ближайшему большему значению К. Далее определяют суммарную потребную площадь биофильтров F, м2, по формуле

 

, (66)

 

где Q сут – суточный расход сточных вод, поступающих на очистные сооружения, м3/сут.

Таблица 9

Параметры для расчета высоконагружаемых биофильтров [16, 18]

 

Удельный расход воздуха, В, м33 Высота загрузки биофильтра H, м Коэффициент К при Т, 0С, и гидравлической нагрузке q, м32·сут
Т = 8 Т = 10 Т = 12 Т = 14
q =10 q =20 q =30 q =10 q =20 q =30 q =10 q =20 q =30 q =10 q =20 q =30
    3, 02 2, 32 2, 04 3, 38 2, 50 2, 18 3, 76 2, 74 2, 36 4, 3 3, 02 2, 56
    5, 25 3, 53 2, 89 6, 20 3, 96 3, 22 7, 32 4, 64 3, 62 8, 95 5, 25 4, 09
    9, 05 5, 37 4, 14 10, 4 6, 25 4, 73 11, 2 7, 54 5, 56 12, 1 9, 05 6, 54
    3, 69 2, 89 2, 58 4, 08 3, 11 2, 76 4, 5 3, 36 2, 93 5, 09 3, 67 3, 16
    6, 1 4, 24 3, 56 7, 08 4, 74 3, 94 8, 23 5, 31 4, 36 9, 9 6, 04 4, 84
    10, 1 6, 23 4, 9 12, 3 7, 18 5, 68 15, 1 8, 45 6, 88 16, 4 10, 0 7, 42
    4, 32 3, 88 3, 01 4, 76 3, 72 3, 28 5, 31 3, 98 3, 44 5, 97 4, 31 3, 7
    7, 25 5, 01 4, 18 8, 35 5, 55 4, 78 9, 9 6, 35 5, 14 11, 7 7, 2 5, 72
      7, 35 5, 83 14, 8 8, 5 6, 2 18, 4 10, 4 7, 69 23, 1   8, 83

 

Примечание: Для промежуточных значений В, Н и T величину К допускается определять интерполяцией.

Площадь одной секции биофильтра f, м2, составит:

 

, (67)

 

где n – число секций биофильтров, должно быть не менее 2 и не более восьми, все рабочие [16].

Далее принимают форму биофильтра в плане (круглый или прямоугольный) и определяют его размеры.

Диаметр D, м, секции круглого в плане биофильтра равен:

 

. (68)

 

Как правило, он не должен быть более 30 м. В таблице 10 приведены общие площади F, м2, групп круглых в плане биофильтров различных диаметров при высоте загрузки H = 2; 3 и 4 м, применяемых в практике.

Ширину b и длину l прямоугольных в плане биофильтров определяют из формулы

 

. (69)

 

Необходимый объем фильтрующей загрузки биофильтров W з, м3, равен:

 

. (70)

 

Суточный расход воздуха W в, м3/сут, потребный для искусственной вентиляции биофильтров, определяется по формуле

 

. (71)

 

Таблица 10

Площади групп биофильтров F, м2, с высотой загрузки H = 2; 3 и 4 м

 

Количество биофильтров в группе Диаметр биофильтра D, м
         
  – – – – – – –      

При БПКполн исходной воды более 300 мг/л необходимо предусматривать рециркуляцию воды на биофильтрах, то есть разбавление исходной воды сточной водой, прошедшей биологическую очистку.

Расчет биофильтров в этом случае производят в следующей последовательности.

Первоначально при известной потребной БПКполн очищенной воды Lt, мг/л, определяют коэффициент К по формуле

 

. (72)

 

По найденному значению К находят из таблицы 9 величины H, q, В.

Далее определяют допустимую БПКполн смеси исходной и рециркуляционной сточной воды Lсм, мг/л, и коэффициент рециркуляции воды n р по формулам

 

, (73)

 

. (74)

Если в таблице 9 нет значений К, больших или равных значению К, определенному по формуле (72), то принимают ближайшее меньшее значение К и по нему из таблицы 9 определяют параметры H, q и В, а по формулам (73) и (74) – значения L сми n р.

Потребную суммарную площадь биофильтров с рециркуляцией F, м2, и суточный расход воздуха W в, м3/сут, определяют по формулам

 

, (75)

 

. (76)

 

В остальном расчет производится аналогично вышеизложенному.

 

 

2.7.2. Расчет распределительных устройств биофильтров

 

Распределительные устройства служат для обеспечения периодической подачи сточных вод на биофильтры и равномерного распределения их по поверхности фильтрующей загрузки. На круглых в плане биофильтрах распределение воды производится реактивными оросителями, а на прямоугольных – спринклерной системой орошения.

Схема реактивного оросителя представлена на рисунке 7. Расчет реактивного оросителя состоит в определении диаметра оросителя D ор, диаметров радиальных труб оросителя D тр, числа отверстий в трубах m, диаметров этих отверстий d, расстояний между отверстиями r, напора H, необходимого для работы реактивного оросителя, и числа оборотов реактивного оросителя в минуту n об.

Диаметр оросителя D ор, мм, принимается равным:

 

, (77)

 

где D – диаметр секции биофильтра, мм.

Количество распределительных труб оросителя n тр и диаметр их D тр определяются по расчету, исходя из обеспечения скорости движения воды в начале трубы оросителя v тр в пределах от 0, 5 до 1 м/с [16, 20]. Число труб в оросителе обычно принимается равным n тр = 2 – 4. Диаметр каждой трубы оросителя D тр (см. рис. 7), м, можно определить по формуле

 

, (78)

 

где q макс – максимальный расход сточных вод, поступающих на очистные сооружения, м3/с;

n – число принятых секций биофильтра.

Число отверстий m в каждой трубе оросителя определяется по формуле

 

. (79)

 

D ор следует подставлять в формулу (79) в мм.

Диаметр отверстий d, м, в трубах оросителя составит:

 

, (80)

 

где v о – скорость истечения жидкости из отверстий оросителя; v о ≥ 0, 5 м/с [16, 20].

Обычно d принимается не менее 10 мм (от 10 до 15 мм).

Расстояние ri до центра любого отверстия от оси оросителя, м, определяется по формуле

 

, (81)

 

где R ор – радиус оросителя, м; R ор =0, 5 D ор;

i – порядковый номер отверстия от оси оросителя, i = 1; 2; …; m.

Число оборотов оросителя в минуту n о, об/мин, определяется по формуле

 

, (82)

 

где d и D ор подставляются в формулу (82) в мм, а q макс в л/с.

Напор, необходимый для работы реактивного оросителя Н, мм, определяется по формуле

 

, (83)

 

где К 1 – модуль расхода, л/с; можно принимать по таблице 11.

Значения d, D тр и D ор следует подставлять в формулу (83) в мм, а q макс и К 1 в л/с. Напор Н должен находиться в пределах от 0, 5 до 1 м. Принимать напор более 1 м нежелательно, так как именно сравнительно небольшой потребный напор является достоинством реактивного оросителя.

 

Таблица 11

Значения модуля расхода К 1 для труб различного диаметра

 

D тр, мм                  
К 1, л/с   11, 5     86, 5        

Расчет спринклерной оросительной системы в настоящих указаниях из-за ограниченности их объема не приводится. При необходимости он может быть выполнен в соответствии с рекомендациями, изложенными в литературе [8, 20, 21, 22].

 

2.8. Вторичные вертикальные отстойники

 

2.8.1. Расчет вторичных вертикальных отстойников после биофильтров

 

Назначение вторичных отстойников на станциях с биофильтрами – задержание биологической пленки, выносимой из загрузки биофильтров; в значительном ряде случаев (при БПКполн сточных вод, поступающих на очистку, менее 300 мг/л) они одновременно используются так же и как контактные резервуары (для контакта воды с хлором). Вторичные отстойники могут быть вертикальными, горизонтальными и радиальными. Вертикальные вторичные отстойники обычно устраиваются на станциях небольшой пропускной способности (до 20000 м3/сут), а горизонтальные и радиальные – на больших и средних очистных станциях (при производительности свыше 15000 – 20000 м3/сут).

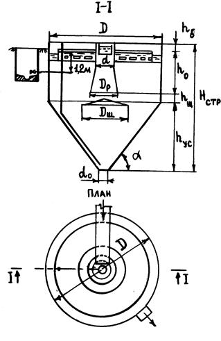
При очистке сточных вод от железнодорожных станций и населенных пунктов при них обычно устраивают вертикальные вторичные отстойники, которые представляют собой либо круглые в плане железобетонные цилиндрические резервуары с коническим дном, либо квадратные с пирамидальным дном (рис. 8).

 

Рис. 8. Схема вторичного вертикального отстойника

Расчет вертикальных вторичных отстойников рекомендуется производить в следующей последовательности.

Первоначально определяют суммарную площадь живого сечения центральных труб отстойников F т, м2, по формуле

 

, (84)

 

где q – расчетный расход сточных вод, поступающих на очистные сооружения, м3/с;

v т – скорость движения воды в центральной трубе; v т ≤ 0, 03 м/с [16].

Затем определяют суммарную площадь отстойной части всех отстойников F о, м2, по формуле

 

, (85)

 

где qssb – нагрузка на поверхность вторичных отстойников после биофильтров, м32·час; согласно [16] определяется по формуле

 

, (86)

 

где u 0 – гидравлическая крупность биопленки; при полной биологической очистке u 0 = 1, 4 мм/с [16];

Кset – коэффициент использования объема отстойника; для вертикальных отстойников Кset = 0, 35 [16].

Диаметр вторичного отстойника D, м, определяют по формуле

 

, (87)

 

где n – число вторичных отстойников; n ≥ 3 [16].

Из условий удобства компоновки и эксплуатации очистной станции число отстойников желательно принимать четным и минимальным (не менее 4), причем таким, чтобы диаметр их был не более 9 м.

Диаметр центральной трубы отстойника d, м, равен:

 

. (88)

 

Диаметр раструба центральной трубы D р, м, и высота ее раструба h р, м, определяются по формуле

 

. (89)

 

Диаметр отражательного щита D щ, м, определяется по формуле

 

. (90)

 

Рабочая глубина отстойной части вертикального отстойника h 0 принимается в пределах от 2, 7 до 3, 8 м [16], обычно принимают h 0 = 2, 7 м.

Высота щели между нижней кромкой центральной трубы и поверхностью отражательного щита h щ, м, определяется по формуле

 

, (91)

 

где v щ – скорость выхода воды из щели, м/с; v щ ≤ 0, 015 м/с [16].

Высота усеченного конуса отстойника h ус, м, определяется по формуле

 

, (92)

 

где d 0 – диаметр нижнего основания усеченного конуса, м; обычно d 0 = 0, 4–0, 5 м;

α – угол наклона стенок днища к горизонту; α ≥ 500 – 600 [16].

Объем усеченного конуса отстойника W ус, м3, определяется по формуле

 

. (93)

 

Суммарный объем осадка, образующегося во вторичных отстойниках после

высоконагружаемых биофильтров W ос, м3/сут, составит:

 

, (94)

 

где А – количество избыточной биологической пленки, образующейся на станциях с биофильтрами, г/сут на 1 чел; для высоконагружаемых биофильтров А = 28 г/сут на 1 чел, а для капельных – А = 8 г/сут на 1 чел [16];

ρ – плотность осадка, т/м3; ρ ≈ 1 т/м3;

– приведенное число жителей по БПКполн, чел;

р 2 – влажность избыточной биологической пленки, %; р 2 = 96% [16].

Объем осадка, приходящегося на один отстойник , м3/сут, составит:

 

. (95)

 

Далее, сопоставляя с W ус, решают вопрос о том, нужно ли предусматривать нейтральный слой высотой h н = 0, 3 м в цилиндрической части отстойника или его можно расположить в конической части отстойника (при этом исходят из того, что время хранения осадка во вторичных отстойниках после биофильтров должно приниматься не более двух суток). Обычно нейтральный слой удается расположить в конической части отстойника, так как количество выпадающей биологической пленки получается значительно меньше объема усеченного конуса.

Принимая высоту борта отстойника h б = 0, 3 м, определяют строительную высоту отстойника Н стр, м:

 

. (96)

 

Удаление осадка из отстойника производится самотеком по иловой трубе диаметром 200 мм под гидростатическим давлением 1, 2 м.

 

 

2.8.2. Расчет вторичных вертикальных отстойников после аэротенков

 

Отстойники предназначаются для задержания активного ила из воды, прошедшей биологическую очистку в аэротенках. Конструктивно они аналогичны вторичным отстойникам после биофильтров (рис. 8), но гидростатический напор для удаления осадка из них по иловой трубе диаметром 200 мм требуется не 1, 2 м, а 0, 9 м.

Расчет вторичных отстойников после аэротенков может вестись в той же последовательности, что и отстойников после биофильтров, но при этом размеры их следует определять с учетом не только расходов поступающей в них воды, но и циркулирующего в аэротенках ила.

Первоначально следует определить гидравлическую нагрузку qssb, м32·час, по формуле [16, 20, 21]:

 

, (97)

где Нset – рабочая глубина отстойника, м (на рис. 8–это h 0); для вертикальных отстойников Нset составляет 2, 7–3, 8 м [16]; для вторичных вертикальных отстойников ее обычно принимают равной 2, 7 м;

Кset – коэффициент использования объема отстойника; для вертикальных отстойников Кset = 0, 35 [16];

аi – доза (концентрация) активного ила в иловой смеси, поступающей из аэротенка, г/л; величина аi принимается из расчета аэротенков приведенного в [6] (там эта величина обозначена а); значение аi должно быть не более 15 г/л;

Ji – иловый индекс, cм3/г; определяется в зависимости от нагрузки на ил в аэротенках; принимается из расчета аэротенков;

at – требуемая конечная концентрация иловых частиц в осветленной биологически очищенной сточной воде, г/л; следует принимать не менее 0, 01 г/л [16].

Найдя величину qssb, определяют суммарную площадь отстойной части всех вертикальных вторичных отстойников F 0, м2, по формуле

 

, (98)

 

где q – расчетный расход сточных вод, поступающих на очистные сооружения, м3/с.

Далее определяют суммарную площадь живого сечения центральных труб F т, м2, всех вторичных отстойников по формуле

 

, (99)

 

где R – степень рециркуляции ила; берется из расчета аэротенков [6];

v т – скорость движения воды в центральной трубе, м/с; v т≤ 0, 03 м/с[16].

Затем принимают число вторичных отстойников n ≥ 3 [16]; число отстойников желательно принимать четным и минимальным, таким, чтобы диаметр отстойника был не более 9 м. Назначив число отстойников n, определяют их диаметр D, м, диаметр центральных труб отстойников d, м, диаметр раструбов труб D р, м, и диаметр отражательных щитов D щ, м, соответственно по формулам (87–90).

Высоту щели между нижней кромкой центральной трубы и поверхностью отражательного щита h щ, м, (см. рис. 8) определяют по формуле

 

, (100)

 

где v щ– скорость выхода водоиловой смеси из щели, м/с; v щ ≤ 0, 015 м/с [16].

Высоту усеченного конуса отстойника h ус, м, и его объем W ус, м3, определяют соответственно по формулам (91; 92). Далее назначают высоту нейтрального слоя между низом отражательного щита и уровнем осадка; h н =0, 3 м [16]. Высоту борта отстойника обычно принимают равной h б = 0, 3–0, 5 м. Строительную высоту вторичного отстойника после аэротенков Н стр, м, определяют по формуле

 

. (101)

 

Суммарное часовое количество осадка W ос, м3/ч, выпадающего во вторичных вертикальных отстойниках после аэротенков из бытовых и близких к ним по составу производственных вод, определяют по формуле

 

. (102)

 

Здесь Q – расчетный расход сточных вод, поступающих на очистные сооружения, м3/ч;

– концентрация смеси сточных вод, поступающих на очистные сооружения, по взвешенным веществам, г/м3;

Lа – БПКполн сточных вод, поступающих в аэротенки, г/м3;

Э – эффект осветления сточных вод в первичных отстойниках, %; принимается из расчета первичных отстойников;

ρ – плотность избыточного ила, т/м3; ρ ≈ 1 т/м3;

р 3 – влажность активного ила, выпадающего в осадок во вторичных отстойниках после аэротенков, %; р 3 ≈ 99, 2–99, 5%.

Далее определяют объем осадка, приходящегося на один отстойник , м3/ч, по формуле

. (103)

 

Время хранения осадка в усеченном конусе отстойника t хр, ч, составит:

 

. (104)

 

Найдя размеры вторичных вертикальных отстойников, определяют гидравлическую нагрузку qгидр на 1 м сборного водослива, л/с на 1 м, по формуле

. (105)

Для вторичных отстойников после аэротенков t хр не должно превышать двух часов, а величина qгидр должна быть не более 8 – 10 л/с на 1 м.

 

 

2.9. Иловые площадки

 

Наиболее простыми и широко распространенными сооружениями для обезвоживания осадков, образующихся на очистных станциях сравнительно небольшой производительности, являются иловые площадки на естественном основании (с дренажом и без дренажа) и площадки-уплотнители.

 

2.9.1 Иловые площадки на естественном основании

 

Эти площадки представляют собой спланированные участки земли, разбитые на отдельные карты и огражденные со всех сторон земляными валиками. Они могут устраиваться при хорошо фильтрующих грунтах и глубине залегания грунтовых вод не менее 1, 5 м от поверхности карт. Схема устройства иловых площадок на естественном основании без дренажа представлена на рисунке 9. При глубине залегания грунтовых вод менее 1, 5 м от поверхности карт следует устраивать дренаж.


Поделиться с друзьями:

mylektsii.su - Мои Лекции - 2015-2026 год. (1.785 сек.)Все материалы представленные на сайте исключительно с целью ознакомления читателями и не преследуют коммерческих целей или нарушение авторских прав Пожаловаться на материал