Студопедия

Главная страница Случайная страница

КАТЕГОРИИ:

АвтомобилиАстрономияБиологияГеографияДом и садДругие языкиДругоеИнформатикаИсторияКультураЛитератураЛогикаМатематикаМедицинаМеталлургияМеханикаОбразованиеОхрана трудаПедагогикаПолитикаПравоПсихологияРелигияРиторикаСоциологияСпортСтроительствоТехнологияТуризмФизикаФилософияФинансыХимияЧерчениеЭкологияЭкономикаЭлектроника






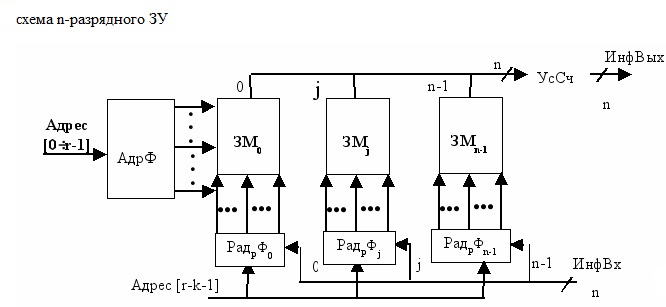
Структура одноразрядного ЗУ типа 2D-M






Как и в ЗУ типа 2, 5 D, код адреса i -й ячейки разделяется на две части: i' и i", одна из которых поступает на АдрФ, а другая - на разрядно-адресный коммутатор РАдрК. Если на АдрФ и РАдрК не приходит сигнал обращения к памяти Обр, то на их выходных линиях не возникают действующие на ЗЭ сигналы и все ЗЭ находятся в режиме хранения. При наличии сигнала Обр выполняется считывание или запись в зависимости от значения сигнала Чт/Зап. При считывании АдрФ выдает по линии i' сигнал выборки для считывания, по которому со всех ЗЭ линии i' сигналы их состояний поступают на РАдрК. Коммутатор РАдрК мультиплексирует эти сигналы и передает на выход ИнфВых сигнал с линии i". При записи АдрФ выдает по линии i' сигнал выборки для записи. Коммутатор РАдрФК в зависимости от значения ИнфВх выдает сигнал записи 0 или 1 на линию i" и сигналы, не воздействующие на ЗЭ, в остальные линии. В результате запись производится только в ЗЭ, лежащий на пересечении координатных линий i' и i ", причем i'/i" = i.

Построив схему, аналогичную схеме на рис., получим ЗУ для 2k n -разрядных ячеек. Наиболее экономична такая схема при r = (k - r) log2 n.

Структура типа 2D-Mнаиболее удобна для построения полупроводниковых ЗУ и широко используется в настоящее время как в оперативных, так и в постоянных ЗУ.

 

(28) Постоянные запоминающие устройства.

 

ПЗУ - постоянные запоминающие устройства или ROM (Read Only Memory), служат для хранения постоянных данных и служебных программ. Постоянным запоминающим устройством принято называть ЗУ с неизменяемым содержимым памяти, для которого основным рабочим режимом является считывание. ПЗУ обычно является адресным ЗУ, а его функционирование можно рассматривать как выполнение однозначного преобразования k -разрядного кода адреса ячейки накопителя в n -разрядный код хранящегося в ней слова. При таком подходе любое ПЗУ можно считать преобразователем кодов или комбинационной схемой с k -входами и n -выходами. По сравнению с ЗУ, допускающими как считывание, так и запись информации, структура ПЗУ значительно проще, их быстродействие и надежность выше, а стоимость ниже. Это объясняется простотой запоминающих элементов, отсутствием цепей оперативной записи информации, неразрушающим считыванием, исключающим процедуру регенерации информации.

ОбычноПЗУ организуется как ЗУ типа (рис. 4.11). Накопитель представляет собой матрицу, образуемую системой взаимно перпендикулярных шин, на пересечении которых находятся элементы связи (ЭС). Подобные структуры ПЗУ называются матричными. Элемент связи либо соединяет, либо не соединяет между собой соответствующие горизонтальную и вертикальную шины. Наличие связи соответствует коду 1, отсутствие - коду 0. В некоторых случаях коду 0 соответствует отсутствие ЭС. При считывании дешифратор (DC) по коду адреса, поступившего в RGA ( регистр адреса ) по КША (контр. шина адреса), выбирает одну из адресных шин, в которую подается сигнал выборки. Выходной сигнал появляется на тех разрядных шинах, которые имеют связь с возбужденной адресной шиной. Поскольку ПЗУ используется лишь в режиме считывания, информация, хранящаяся в накопителе, не изменяется в процессе работы устройства. Занесение же информации в ПЗУ производится или в процессе изготовления, или непосредственно при эксплуатации. Процесс занесения информации в накопитель ПЗУ называют программированием ПЗУ.

По возможности программирования все ПЗУ делятся на устройства с возможностью однократного и многократного программирования. ПЗУ с возможностью многократного программирования путем электрического, магнитного или светового воздействия на ЭЗ по заданной программе называют также перепрограммируемыми ПЗУ или полупостоянными ПЗУ (ППЗУ).


Поделиться с друзьями:

mylektsii.su - Мои Лекции - 2015-2026 год. (0.612 сек.)Все материалы представленные на сайте исключительно с целью ознакомления читателями и не преследуют коммерческих целей или нарушение авторских прав Пожаловаться на материал