Студопедия

Главная страница Случайная страница

КАТЕГОРИИ:

АвтомобилиАстрономияБиологияГеографияДом и садДругие языкиДругоеИнформатикаИсторияКультураЛитератураЛогикаМатематикаМедицинаМеталлургияМеханикаОбразованиеОхрана трудаПедагогикаПолитикаПравоПсихологияРелигияРиторикаСоциологияСпортСтроительствоТехнологияТуризмФизикаФилософияФинансыХимияЧерчениеЭкологияЭкономикаЭлектроника






Глава 53. Соревнования моделей класса РЦБ. (Юниоры)






53.1. Соревнования проводятся на специальной трассе слалома.
Трасса обозначается фишками, образующими 23 створа ворот. Расстояние между фишками - 800 мм; расстояние между фишками в " габаритных" воротах 400 мм; длина трассы 100 м.

53.2. Фишки, обозначающие трассу. Должны быть легкими. Что­бы не повредить модель при наезде; окрашенными яркой контрастной к поверхности трассы краской (в качестве фи­шек могут быть использованы пластмассовые стаканы).
Размер фишек: высота - 100мм; диаметр около 60 мм.

53.3. Трасса может быть размечена на ровной площадке из ас­фальта, бетона, дощатом полу и т. д. Минимальный раз­мер площадки 13х 13 м.

53.4. На расстоянии не менее 1 м от крайних фишек трасса должна быть обнесена ограждением, препятствующим по­ явлению посторонних. В зоне выездов моделей это рас­ стояние должно быть не менее 2 м.

53.5. Время прохождения моделью дистанции определяется секундомерами с точностью до 0, 001с.

53.6. Участник имеет право выходить на старт с двумя помощ­никами.

53.7. Каждому участнику предоставляются две попытки; в за­чет идет лучший из показанных результатов.

53.8. На соревнованиях моделей РЦБ старт дается с ходу, при этом - только одиночный. Отсчет времени прохождения ди­станции трассы слалома начинается в момент пересече­ния моделью линии " старт-финиш"; конец - в момент пере­сечения моделью той же линии в обратном направлении.

53.9. Спортсмен может получить передатчик только после того, как закончит свою попытку предыдущий участник.

53.10. После вызова на старт участник соревнований обязан в течение 1 мин. выйти с передатчиком на старт. Затем ему дается еще 1 минута, в течение которой он может попробовать модель вне трассы.

53.11. До истечения подготовительного времени участник поднятием руки дает знать судьям о готовности к заезду и, получив разре­шение, начинает движение модели по трассе. Если участник не уложится в лимит подготовительного времени, то за дан­ный заезд он получает нулевую оценку.

53.12. Во время движения модели участник должен находится на отведенном для него месте размером 1500 х 1500 мм на уровне трассы. Прикосновение к модели на трас­се ведет к аннулированию результата попытки.

53.13. Во время движения модели помимо участника на трассе могут находиться только судьи на трассе, располагающиеся так, чтобы не мешать управлению моделью.

53.14. Проходить трассу разрешается только по схеме.

53.15. Участник, модель которого после принятия старта утеряла деталь, считается утратившим попытку; результат ему не засчитывается.

53.16. первенство в классе РЦБ определяется по наименьшему времени, затраченному на прохождение дистанции трассы в лучшей из попыток.

53.17. За каждое касание фишки или не пройденное ворота спортсмену прибавляется 5 сек. времени прохождения трассы.

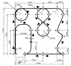
Схема трассы слалома и схема движения по ней. С - Место участника. Длина трассы 100м.

53.18. Каждому Спортсмену для прохождения дистанции даются две попытки. В зачет идет лучшая из них.

 


Поделиться с друзьями:

mylektsii.su - Мои Лекции - 2015-2026 год. (3.814 сек.)Все материалы представленные на сайте исключительно с целью ознакомления читателями и не преследуют коммерческих целей или нарушение авторских прав Пожаловаться на материал