Студопедия

Главная страница Случайная страница

КАТЕГОРИИ:

АвтомобилиАстрономияБиологияГеографияДом и садДругие языкиДругоеИнформатикаИсторияКультураЛитератураЛогикаМатематикаМедицинаМеталлургияМеханикаОбразованиеОхрана трудаПедагогикаПолитикаПравоПсихологияРелигияРиторикаСоциологияСпортСтроительствоТехнологияТуризмФизикаФилософияФинансыХимияЧерчениеЭкологияЭкономикаЭлектроника






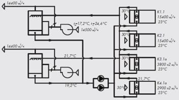
Принципиальная схема системы кондиционирования воздуха с применением двухступенчатого испарительного охлаждения






Рассматриваемая система состоит из двух кондиционеров'

основного, в котором производится обработка воздуха для обслуживаемого помещения, и вспомогательного — градирни. Основное назначение градирни — воздушно-испарительное охлаждение воды, питающей первую ступень основного кондиционера в теплый период года (поверхностный теплообменник ПТ). Вторая ступень основного кондиционера — оросительная камера ОК, работающая в режиме адиабатического увлажнения, имеет обводной канал — байпас Б для регулирования влажности воздуха в помещении.

Кроме кондиционеров — градирен для охлаждения воды могут быть использованы промышленные градирни, фонтаны, брызгальные бассейны и т. п. В районах с жарким и влажным климатом в ряде случаев в дополнение к косвенному испарительному охлаждению используют машинное охлаждение.

системы многоступенчатого испарительного охлаждения. Теоретическим пределом охлаждения воздуха с использованием таких систем является температура точки росы.

Системы кондиционирования воздуха с применением прямого и косвенного испарительного охлаждения имеют более широкую область применения) по сравнению с системами, в которых используется только прямое (адиабатическое) испарительное охлаждение воздуха.

Двухступенчатое испарительное охлаждение, как известно, наиболее приемлемо в

 

районах с сухим и жарким климатом. При двухступенчатом охлаждении можно достигнуть более низких температур, меньших воздухообменов и меньшей относительной влажности воздуха в помещениях, чем при одноступенчатом охлаждении. Это свойство двухступенчатого охлаждения вызвало предложение о переходе целиком на косвенное охлаждение и ряд других предложений. Однако при всех прочих равных условиях эффект действия возможных систем испарительного охлаждения прямо зависит от изменений состояния наружного воздуха. Поэтому такие системы не всегда в течение сезона и даже одних суток обеспечивают поддержание требуемых параметров воздуха в кондиционируемых помещениях. Представление об условиях и границах целесообразного применения двухступенчатого испарительного охлаждения можно получить при сопоставлении нормируемых параметров внутреннего воздуха с возможными изменениями параметров наружного воздуха в районах с сухим и жарким климатом.

РАСЧЕТ:

расчет таких систем следует выполнять с использованием J-d диаграммы в следующей последовательности.

На J-d диаграмме наносят точки с расчетными параметрами наружного (Н) и внутреннего (В) воздуха. В рассматриваемом примере по заданию на проектирование приняты значения: tн = 30 °С; tв = 24 °С; fв = 50 %.

Для точек Н и В определяем значение температуры мокрого термометра:

tмн = 19, 72 °С; tмв = 17, 0 °С.

Как видно, значение tмн почти на 3 °С выше, чем tмв, следовательно, для большего охлаждения воды, а затем наружного приточного воздуха, целесообразно подавать в градирню воздух, удаляемый вытяжными системами из офисных помещений.

Заметим, что при расчете градирни требуемый расход воздуха может оказаться больше удаляемого из кондиционируемых помещений. В этом случае в градирню надо подавать смесь наружного и удаляемого воздуха и в качестве расчетной принимать температуру мокрого термометра смеси.

Из расчетных компьютерных программ ведущих фирм – производителей градирен находим, что минимальный перепад между конечной температурой воды на выходе из градирни tw1 и температурой мокрого термометра tвм подаваемого в градирню воздуха следует принимать не менее 2 °С, то есть:

tw2 =tw1 +(2, 5...3) °С. (1)

Для достижения более глубокого охлаждения воздуха в центральном кондиционере принимают конечную температуру воды на выходе из воздухоохладителя и на входе в градирню tw2 не более чем на 2, 5 выше, чем на выходе из градирни, то есть:

tвк ≥ tw2 +(1...2) °С. (2)

Обратим внимание, что от температуры tw2 зависит конечная температура охлаждаемого воздуха и поверхность воздухоохладителя, так как при поперечном течении воздуха и воды конечная температура охлаждаемого воздуха не может быть ниже tw2.

Обычно конечную температуру охлаждаемого воздуха рекомендуется принимать на 1–2 °С выше конечной температуры воды на выходе из воздухоохладителя:

tвк ≥ tw2 +(1...2) °С. (3)

Таким образом, при выполнении требований (1, 2, 3) можно получить зависимость, связывающую температуру мокрого термометра воздуха, подаваемого в градирню, и конечную температуру воздуха на выходе из охладителя:

tвк =tвм +6 °С. (4)

Заметим, что в примере на рис. 7.14 [3] приняты значения tвм = 19 °С и tw2 – tw1 = 4 °С. Но при таких исходных данных, вместо указанного в примере значения tвк = 23 °С, можно получить конечную температуру воздуха на выходе из воздухоохладителя не ниже 26–27 °С, что делает всю схему бессмысленной при tн = 28, 5 °С.

 


Поделиться с друзьями:

mylektsii.su - Мои Лекции - 2015-2026 год. (1.121 сек.)Все материалы представленные на сайте исключительно с целью ознакомления читателями и не преследуют коммерческих целей или нарушение авторских прав Пожаловаться на материал