Студопедия

Главная страница Случайная страница

КАТЕГОРИИ:

АвтомобилиАстрономияБиологияГеографияДом и садДругие языкиДругоеИнформатикаИсторияКультураЛитератураЛогикаМатематикаМедицинаМеталлургияМеханикаОбразованиеОхрана трудаПедагогикаПолитикаПравоПсихологияРелигияРиторикаСоциологияСпортСтроительствоТехнологияТуризмФизикаФилософияФинансыХимияЧерчениеЭкологияЭкономикаЭлектроника






Изучение Измерительного гератора низких частот






 

 


 

Лабораторная работа № 3

Изучение измерительного генератора низких частот

1. Тема: Изучение измерительного генератора низких частот.

2. Требования к знаниям

Студент должен:

иметь представление:

- о типах измерительных генераторов используемых для электрорадиоизмерений;

знать:

- принципиальную схему генератора RC;

- правило включения генератора в измерительную цепь.

уметь:

- подготовить генератор к работе;

- установить заданные параметры выходного сигнала.

иметь навыки:

- практического использования генератора.

3. Цель

3.1. Ознакомиться с основными техническими характеристиками, устройством и функциональной схемой генератора Г3-109.

3.2. Получить практические навыки работы с генератором Г3-109.

3.3. Оценить погрешность установки частоты и выходного напряжения генератора Г3-109.

 

4. Литература

4.1. «Электрорадиоизмерения». Под редакцией А.С. Сигова. - М.: «ФОРУМ – ИНФРА-М», 2004.

4.2. Б.П. Хромой, Ю.Г. Моисеев «Электрорадиоизмерения» - М.: «Радио и связь», 1986г.

4.3. Техническое описание генератора Г3-109.

4.4. Описание лабораторной работы № 3.

5. Подготовка к работе

5.1. Изучить (повторить) теоретический материал о принципе работы генератора типа RC [1] § 4.1, 4.2, [2] § 7.1., 7.2.

5.2. Изучить техническое описание изучаемого генератора.

5.3. Подготовить бланк отчёта

5.3.1. Титульный лист

5.3.2. Цель работы.

5.3.3. Технические данные генератора Г3-109.

5.3.4. Структурная схема измерительного генератора Г3-109 [4] рисунок 3.5.

5.3.5. Схема задающего генератора типа RC [4] рисунок 3.6.2.

5.3.6. Схемы измерений, рисунок 3.1, 3.2, 3.3.

5.3.7. Формы протоколов измерений [4] таблицы 3.1, 3.2, 3.3.

 

5.4. Контрольные вопросы допуска.

5.4.1. Как установить необходимую частоту на выходе генератора?

5.4.2. Как установить необходимое напряжение на выходе генератора?

5.4.3. В чём особенность работы с выходом 2 генератора Г3-109?

5.4.4. В чём суть задания лабораторной работы?

 

6. Основное оборудование

6.1. Изучаемый генератор Г3-109.

6.2. Электронный вольтметр В3-38.

6.3. Электронно-счётный частотомер Ч3-33.

6.4. Магазин сопротивлений МСР-60.

7. Задание

7.1. Изучить конструкцию измерительного генератора.

7.2. Определить погрешность градуировки шкалы частот генератора.

7.3. Определить погрешность установки выходного напряжения генератора.

7.4. Измерить выходное напряжение без согласованной нагрузки

8. Порядок выполнения работы

8.1. Изучение конструкции генератора.

8.1.1. Пользуясь техническим описанием [3] и приложением к лабораторной работе ознакомьтесь с техническими данными генератора.

8.1.2. Пользуясь техническим описанием [3] изучите назначение органов управления, увяжите их с функциональной схемой.

8.2. Определение погрешности, градуировки шкалы частот генератора. Поверяемый диапазон частот сообщает преподаватель.

8.2.1. Соберите схему, приведённую на рисунке 1. Установите переключатель поддиапазонов на заданную позицию и установите на выходе генератора напряжение 1 В.

G
Hz

 


Рисунок 3.1 - Схема измерения частоты.

8.2.2. Настройте генератор на первую заданную частоту.

8.2.3. Определите действительное значение частоты сигнала по показаниям частотомера.

8.2.4. Рассчитайте абсолютную, относительную и приведенную погрешность установки частоты по формулам (3.1), (3.2), (3.3):

(3.1)

(3.2)

(3.3)

 

где:

fн – предельное значение;

Δ f – абсолютная погрешность;

δ – относительная погрешность;

γ пр – приведённая погрешность.

8.2.5. Аналогичную работу проведите для всех значений частоты заданных преподавателем.

8.2.6. Результаты измерений и расчётов занесите в таблицу 3.1.

Таблица 3.1

fГ, кГц              
fд, кГц              
Δ f, кГц              
𝛿 %              
             

 

8.3. Сравните результаты измерений с техническими данными генератора. Сделайте заключение о метрологической исправности генератора.

8.3.1. Соберите схему рисунок 2. Установите на выходе генератора первое заданное значение напряжения. Rн = 50 Ом.

 

Rн
G
V

 

 


Рисунок 3.2 - Схема измерения напряжения на выходе генератора.

 

8.3.2. Действительное значение напряжения определите по вольтметру В7-27.

8.3.3. Рассчитайте абсолютную, относительную и приведённую погрешность установки напряжения на выходе генератора по формулам (3.4), (3.5), (3.6)

(3.4)

(3.5)
(3.6)

- абсолютная погрешность;

- относительная погрешность;

- приведённая погрешность.

8.3.4. Аналогичную работу проведите для всех значений напряжения заданных преподавателем.

8.3.5. Результаты измерений и расчётов занесите в таблицу 3.2.

Таблица 3.2

UГ, В              
Uд, В              
Δ U, В              
𝛿 %              
γ пр%              

 

8.4. Измерьте выходное напряжение генератора без согласованной нагрузки.

8.4.1. Соберите схему рисунок 3.3

Г
V

 


Рисунок 3.3 - Схема измерения напряжения без согласованной нагрузки.

Установите на выходе генератора несколько значений напряжения, указанных преподавателем.

8.4.2. Определите напряжение по вольтметру. Результаты измерений занести в таблицу 3.3. Объясните результаты измерений.

Таблица 3.3

U Г, В      
UV, В      

 

10. Содержание отчёта

10.1. Результаты измерений.

10.2. Заключение о результатах поверки шкалы частот и шкалы напряжений.

10.3. Заключение о результатах измерений выходного напряжения на высокоомной нагрузке.

 

11. Контрольные вопросы зачета

11.1. Поясните назначение измерительного генератора.

11.2. Как классифицируются измерительные генераторы?

11.3. Поясните назначение блоков в структурной схеме генератора Г3-109.

11.4. Для чего используется переключатель нагрузок?

11.5. Какую роль выполняет аттенюатор?

11.6. Перечислите типы задающих генераторов

11.7. Поясните принцип работы генератора типа RC.

11.8. Какую роль выполняет положительная и отрицательная обратная связь в схеме задающего генератора?

11.9. Поясните назначение органов настройки генератора.

11.10. При каком сопротивлении нагрузки внешний вольтметр покажет напряжение ?


 

 

Приложение 3.1

к лабораторной работе № 3

 

ГЕНЕРАТОР СИГНАЛОВ НИЗКОЧАСТОТНЫЙ ГЗ – 109

1. НАЗНАЧЕНИЕ

Генератор сигналов низкочастотный ГЗ 109 предназначен для регулирования, испытания и ремонта различных радиотехнических устройств в лабораторных и производственных условиях, в телевидении, радиовещании, акустике, технике связи.

Рисунок 3.4 – Генератор Г3-109

 

2. ТЕХНИЧЕСКИЕ ДАННЫЕ

2.1. Диапазон генерируемых частот генератора от 20 Гц до 200 кГц перекрывается четырьмя под диапазонами с плавной перестройкой внутри поддиапазонов:

1 поддиапазон (x l) от 20 до 200 Гц;

2 поддиапазон (х 10) свыше 200 Гц до 2 кГц;

3 поддиапазон (х 100) свыше 2 до 20 кГц;

4 поддиапазон (x l000) свыше 20 до 200 кГц;


2.2. Основная погрешность установки частоты не превышает ±(1+50/fн) % в диапазоне частот свыше 200 Гц до 20 кГц (2 и 3 под диапазоны);

2.3. Наибольшее значение опорного уровня выходного напряжения генератора на гнезде «ВЫХОД 1» при сопротивлении нагрузки 50 Ом не менее 15В (максимальный ток в нагрузке более 0.3 А). Выходное напряжение должно плавно регулироваться в пределах не менее 20 дБ от своего наибольшего значения.

2.4. В генераторе на гнезде «ВЫХОД 1» предусмотрена ступенчатая регулировка выходного напряжения. Регулировка должна осуществляться с помощью встроенного аттенюатора 60 дБ ступенями через 10 дБ. Погрешность ослабления встроенного аттенюатора при активной нагрузке 50 Ом в рабочем диапазоне температур не превышает ± 0.5 дБ.

2.5. В генераторе предусмотрен внешний аттенюатор 40 дБ для подключения к гнезду «ВЫХОД 1». Погрешность ослабления внешнего аттенюатора при активной нагрузке 50 Ом в рабочем диапазоне температур не превышает ± 0.5 дБ.

2.6. Наибольшее значение опорного уровня выходной мощности генератора на клеммах «ВЫХОД 2» при симметричных и не симметричных нагрузках 5, 50, 6000м и 5 кОм не менее 4 Вт.

2.7. Генератор обеспечивает свои технические характеристики в пределах норм, установленных ТУ, после времени установления рабочего режима, равного 15 мин.

2.8. Мощность, потребляемая генератором от сети при номинальном напряжении, не превышает 130 В·А.

2.9. Генератор допускает непрерывную работу в рабочих условиях в течение 8ч. при сохранении своих технических характеристик в пределах норм, установленных ТУ.


 

3. ПРИЦИП ДЕЙСТВИЯ

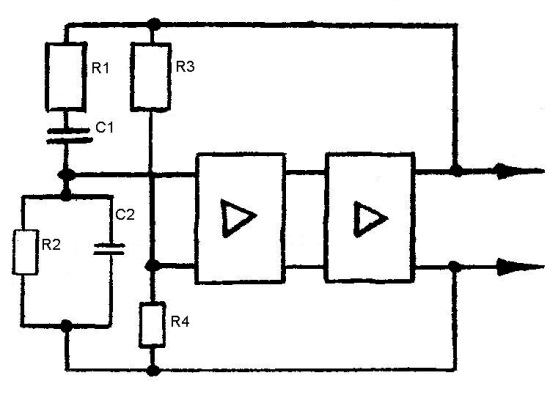
Рисунок 3.5 - Схема электрическая структурная генератора ГЗ – 109

а) Задающий генератор;

б) Предварительный усилитель;

в) Усилитель мощности;

г) Согласующие трансформаторы;

д) Переключатель нагрузок;

е) Индикатор;

ж) Аттенюатор.

Источником синусоидального сигнала служит задающий RC – генератор, сигнал с которого через предварительный усилитель поступает на усилитель мощности.

3.6.1 схема с использованием двухкаскадного усилителя 3.6.2 – схема с использованием операционного усилителя

Рисунок 3.5 - Схемы задающего генератора типа RC – 3.6.1 схема с использованием двухкаскадного усилителя, 3.6.2 – схема и использованием операционного усилителя.

 

Усилитель мощности обеспечивает получение на нагрузке 50 Ом напряжения 15 В среднеквадратических. Аттенюатор ослабляет выходной сигнал на 60 дБ ступенями через 10 дБ. Это необходимо чтобы выбрать предел измерения в соответствии с напряжением, которое необходимо получить на выходе генератора. Уровень сигнала, подаваемого на аттенюатор, измеряется индикатором выходного уровня. К усилителю быть подключены согласующие трансформаторы для работы на нагрузках 600 Ом и 5 кОм. Переключатель нагрузок необходимо устанавливать в положение, которое соответствует входному сопротивлению измеряемого объекта. Источник питания обеспечивает постоянным током задающий генератор, предварительный усилитель и усилитель мощности.

 

4. ПОРЯДОК РАБОТЫ

4.1 ОРГАНЫ УПРАВЛЕНИЯ И НАСТРОЙКИ.

Органы управления, настройки и подключения выведены на передней панели и задней стенке генератора.

Рисунок 3.7 – Лицевая панель генератора Г3-109

 

На передней панели расположены:

1 - ручка переключателя «МНОЖИТЕЛЬ ЧАСТОТЫ» - для переключения поддиапазонов;

2 - ручка тумблера включения генератора «СЕТЬ» ВКЛ

3 - шкала и ручка шкалы частот «Hz» - для плавной установки частоты в пределах каждого поддиапазона;

4 - ручка потенциометра «РЕГУЛИРОВКА ВЫХ.» для плавной установки выходного сигнала;

5 - шкала стрелочного прибора - для отсчета уровня выходного сигнала;

6 - ручка аттенюатора 60 дБ «15 mV» - «15 V» - для ступенчатой регулировки выходного сигнала;

7 - разъем «СР» гнезда «ВЫХОД I»;

8 - ручка переключателя «НАГРУЗКА» - для переключения нагрузки генератора;

9 - Зажим малогабаритный ЗМП - 4 шт.;

Исходное положение органов управления:

ручка «РЕГУЛИРОВКА ВЫХ.» - крайнее левое положение;

переключатель «МНОЖИТЕЛЬ ЧАСТОТЫ» - в положение «10»;

переключатель «НАГРУЗКА» - в положение «АТТ».

 

4.2. ПОДГОТОВКА К ПРОВЕДЕНИЮ ИЗМЕРЕНИЙ

Для подготовки генератора к работе необходимо:

включить вилку сетевого шнура в сеть 220 В, 50 и 400 Гц; поставить тумблер включения сети в положение «СЕТЬ» ВКЛ., при этом должна светиться сигнальная лампочка.

Для получения большей точности и стабильности частоты приступайте к работе с генератором после 15 - минутного установления рабочего режима генератора.

Для повышения надежности генератора и поучения от него более стабильных параметров соблюдайте нормальные условия эксплуатации.


4.3. ПРОВЕДЕНИЕ ИЗМЕРЕНИЙ

4.3.1. С помощью ручки плавной установки частоты и переключателя «МНОЖИТЕЛЬ ЧАСТОТЫ» установите необходимую частоту выходного сигнала.

Примечание. При переключении частотных поддиапазонов и плавной перестройке частоты допускается время установления выходного напряжения генератора порядка 10 с.

4.3.2. Для получения сигнала с наименьшими нелинейными и частотными искажениями поставьте переключатель «НАГРУЗКА» в положение «АТТ.» и подайте сигнал на нагрузку не менее 50 Ом с гнезда «ВЫХОД 1».

Регулировка уровня выходного напряжения с гнезда «ВЫХОД 1» осуществляется плавно с помощью потенциометра «РЕГУЛИРОВКА ВЫХ.» и ступенями с помощью встроенного аттенюатора «15 mV» и внешнего аттенюатора 40 дБ.

Внешний аттенюатор 40 дБ подключается к гнезду «ВЫХОД 1», а сигнал на нагрузку снимается с выхода аттенюатора 40 дБ (аттенюатор 40 дБ выходит в состав прибора). Если нагрузка значительно больше 50 Ом, то сигнал на внешнюю нагрузку подаётся с нагрузки 50 Ом, которая подключается к гнезду «ВЫХОД 1» непосредственно или через аттенюатор 40 дБ (нагрузка 50 Ом входит в состав прибора). Подключение нагрузки необходимо для получения соответствия ослабления встроенного аттенюатора и аттенюатора 40 дБ их градуировки.

4.3.3. При работе с внешними нагрузками 5, 50, 600 Ом и 5 кОм, подключаемыми к клеммам «ВЫХОД 2», нагрузка 50 Ом отключается от гнезда «ВЫХОД 1».

Аттенюатор ставиться в положение «15 V».

Переключатель «НАГРУЗКА» ставиться в положение, соответствующее величине внешней нагрузки. При симметричной нагрузке клемма «С.Т» соединяется с клеммой, соединенной с корпусом генератора. Нагрузка подсоединяется к двум другим клеммам. Средняя точка нагрузки соединяется с клеммой «С.Т».

При несимметричной нагрузке одна из клемм, к которым присоединена нагрузка, соединяется с клеммой, соединенной с корпусом генератора. Клемма «С.Т.» от корпуса генератора и средняя точка нагрузки от клеммы «С. Т» отсоединяются.

Регулировка уровня выходного напряжения осуществляется плавно с помощью потенциометра «РЕГУЛИРОВКА ВЫХ.». Измерение напряжения на нагрузке производится с помощью внешнего прибора.

Примечание. При изменении выходного напряжения внешним вольтметром допускается биение стрелки вольтметра на частоте питающей сети и ее гармоник.

4.3.4. При работе генератора с большим затуханием необходимо заземлить только корпус генератора. Заземление приемника в этих случаях осуществляется через генератор. При заземлении клеммы на лицевой панели не гарантируется погрешность деления аттенюатора.

 


 


Поделиться с друзьями:

mylektsii.su - Мои Лекции - 2015-2026 год. (1.595 сек.)Все материалы представленные на сайте исключительно с целью ознакомления читателями и не преследуют коммерческих целей или нарушение авторских прав Пожаловаться на материал