Студопедия

Главная страница Случайная страница

КАТЕГОРИИ:

АвтомобилиАстрономияБиологияГеографияДом и садДругие языкиДругоеИнформатикаИсторияКультураЛитератураЛогикаМатематикаМедицинаМеталлургияМеханикаОбразованиеОхрана трудаПедагогикаПолитикаПравоПсихологияРелигияРиторикаСоциологияСпортСтроительствоТехнологияТуризмФизикаФилософияФинансыХимияЧерчениеЭкологияЭкономикаЭлектроника






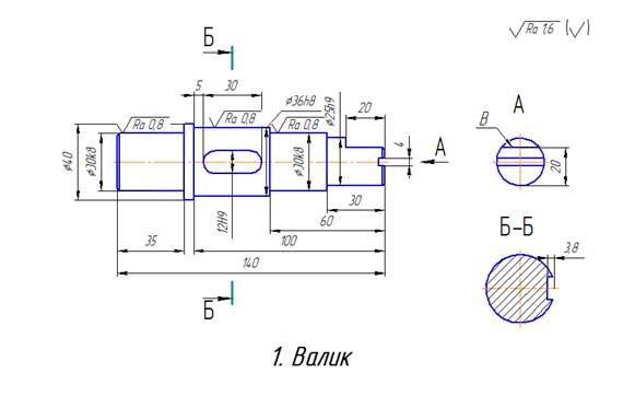
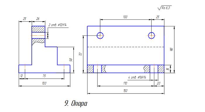
Эскизы заготовок к заданию 1






 

 

 

 

 

 

         
 
 
   
 
   

 



 

 
 
Рисунок 1.1 – Эскизы деталей

 

 


Последовательность выполнения задания

 

Выполните данную работу в следующей последовательности:

1.Изучите основы теории базирования, приведённые в разделах 1.4. 1.6 и по литературе, рекомендованной там же.

2. Выполните анализ исходных данных задачи. Результаты представьте в форме, рекомендованной в разделах 1.7 и 1.9.

3. Выберите схему базирования заготовки.

4. Изучите методику расчета сил зажима заготовки по литературе, рекомендованной в разделе 1.10.

5. Рассчитайте силы резания, сдвигающие заготовку на операции.

6. Выберите точки приложения и направления сил зажима заготовки на операции.

7.Выполните силовой расчет и определите требуемую силу зажима заготовки.

 


Поделиться с друзьями:

mylektsii.su - Мои Лекции - 2015-2026 год. (4.079 сек.)Все материалы представленные на сайте исключительно с целью ознакомления читателями и не преследуют коммерческих целей или нарушение авторских прав Пожаловаться на материал