Студопедия

Главная страница Случайная страница

КАТЕГОРИИ:

АвтомобилиАстрономияБиологияГеографияДом и садДругие языкиДругоеИнформатикаИсторияКультураЛитератураЛогикаМатематикаМедицинаМеталлургияМеханикаОбразованиеОхрана трудаПедагогикаПолитикаПравоПсихологияРелигияРиторикаСоциологияСпортСтроительствоТехнологияТуризмФизикаФилософияФинансыХимияЧерчениеЭкологияЭкономикаЭлектроника






Описание установки высококочастотной физиотерапии






В лабораторной работе используется аппарат высокочастотной физиотерапии УВЧ-70-01Р «Стрела» (рис.6).

Рис.6. Аппарат УВЧ-70-01Р «Стрела»

 
 

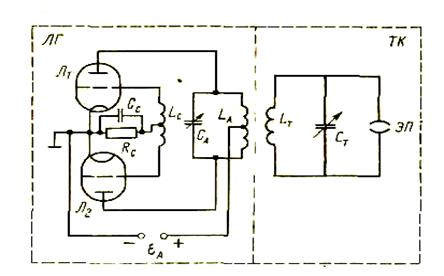
Принципиальная электрическая схема аппарата приведена на рис.7.

 

Рис.7. Принципиальная электрическая схема аппарата УВЧ-70-01Р «Стрела»

 

Аппарат УВЧ состоит из двухтактного лампового генератора (ЛГ) и терапевтического контура (ТК).

Основными частями генератора являются: колебательный контур, включенный в анодную цепь, в котором возбуждаются незатухающие электромагнитные колебания, частота которых определяется индуктивностью LA и емкостью СA контура; источник электрической энергии ε А, за счет которого в контуре поддерживаются незатухающие колебания; электронные лампы Л1 и Л2, с помощью которых регулируется передача энергии от источника в контур, и катушка обратной связи LС, посредством которой осуществляется подача переменного напряжения из выходной цепи на сетки ламп.

Воздействие электрическим полем УВЧ на пациента производится с помощью электродов пациента (ЭП), которые включены в терапевтический контур, индуктивно связанный с анодным колебательным контуром генератора. Индуктивная связь исключает возможность попадания пациента под высокое постоянное напряжение, которое всегда имеется в генераторе.

Наибольшая мощность выделяется в терапевтическом контуре при условии резонанса, то есть тогда, когда частота собственных колебаний терапевтического контура совпадает с частотой колебаний, возникающих в анодном колебательном контуре генератора. Частота собственных колебаний контура зависит от его индуктивности L и емкости С:

, (9)

 

Емкость терапевтического контура складывается из емкости между электродами пациента и емкости переменного конденсатора СТ. Так как при различных процедурах емкость между электродами пациента меняется, то каждый раз необходимо производить настройку терапевтического контура в резонанс, изменяя емкость переменного конденсатора.

Вся электрическая схема аппарата смонтирована в металлическом корпусе. Отдельные элементы схемы экранированы. Элементы управления находятся на передней панели и имеют соответствующие надписи.

На передней панели управления находится тумблер «СЕТЬ» включения аппарата, над которым расположен светодиодный индикатор, загорающийся при включении аппарата; переключатель «МОЩНОСТЬ», служащий для включения высокочастотного генератора; светодиодный индикатор блокировки, сигнализирующий о нарушении порядка включения аппарата; процедурные часы для установки заданной длительности процедуры; ручка «НАСТРОЙКА» для изменения емкости переменного конденсатора терапевтического контура; прибор измеритель­ный «РЕЗОНАНС», служащий для настройки в резонанс выходного контура; резистор «ЧУВСТВИТЕЛЬНОСТЬ», служащий для изменения чувствительности прибора измерительного, светодиод «МОЩНОСТЬ», сигнализирующий о включении ВЧ генератора (мощность на выходе аппарата).

Число ступеней выходной мощности аппарата - 7. На первых 6-ти сту­пенях с конденсаторными электродами выходная мощность не нормируется и возрастает пропорционально номеру ступени ориентировочно в следующей по­следовательности: 10; 15; 20; 30; 40; 55 Вт соответственно. На последней ступе­ни она составляет 66 Вт ± 30% с конденсаторными электродами диаметром 113 мм и с наибольшим зазором при номинальном напряжении питания.

На правой боковой стенке аппарата укреплены два кронштейна для установки электрододержателей, имеющих шарнирные соединения, обеспечивающие установку электродов в различные положения.

Распределение напряженности электрического поля между электродами пациента зависит от размеров электродов, расстояния между ними и от их взаимного расположения. Это распределение можно исследовать с помощью дипольной антенны (ДА), представляющей собой два проводника, между которыми включен полупроводниковый диод (рис.8).

 

Рис.8. Дипольная антенна

 

Дипольная антенна соединена с миллиамперметром.

Сила тока, возникающего в контуре дипольной антенны, пропорциональна напряженности электрического поля УВЧ. Дипольная антенна располагается в конце деревянной рейки, которая может двигаться по направляющим в вертикальном и горизонтальном направлениях. На направляющих через каждый сантиметр нанесены деления. Это позволяет определить положение дипольной антенны относительно электродов пациента.

Для изучения теплового воздействия электрического поля УВЧ на электролиты и диэлектрики между электродами устанавливаются кюветы из оргстекла с исследуемыми жидкостями. Количество жидкостей в кюветах подбирается так, чтобы их теплоемкости были одинаковы. Изменение температуры фиксируется термометрами, укрепленными в крышках кювет.

 

 


Поделиться с друзьями:

mylektsii.su - Мои Лекции - 2015-2026 год. (5.467 сек.)Все материалы представленные на сайте исключительно с целью ознакомления читателями и не преследуют коммерческих целей или нарушение авторских прав Пожаловаться на материал