Студопедия

Главная страница Случайная страница

КАТЕГОРИИ:

АвтомобилиАстрономияБиологияГеографияДом и садДругие языкиДругоеИнформатикаИсторияКультураЛитератураЛогикаМатематикаМедицинаМеталлургияМеханикаОбразованиеОхрана трудаПедагогикаПолитикаПравоПсихологияРелигияРиторикаСоциологияСпортСтроительствоТехнологияТуризмФизикаФилософияФинансыХимияЧерчениеЭкологияЭкономикаЭлектроника






А) б) в)






Рис. 5.9

5.3.2. Построение эллипса по хордам

Диаметр окружности АВ делится на несколько равных частей, на рис. 5.9, б их 4. Через точки 1-3 проводятся хорды параллельно диаметру CD. В любой аксонометрической проекции (например, в косоугольной диметрической) изображаются эти же диаметры с учетом коэффициента искажения. Так на рис. 5.9, б А 1В1 =АВ и С1 D1 = 0, 5CD. Диаметр А 1В1 делится на то же число равных частей, что и диаметр АВ, через полученные точки 1-3 проводятся отрезки, равные соответственным хордам, умноженным на коэффициент искажение (в нашем случае – 0, 5).

 

 

5.4. Штриховка сечений

Линии штриховки сечений (разрезов) в аксонометрических проекциях наносятся параллельно одной из диагоналей квадратов, лежащих в соответствующих координатных плоскостях, стороны которых параллельны аксонометрическим осям (рис. 5.10).

 

Рис. 5.10


Литература

1. Машиностроительное черчение: учеб. пособие / сост.: Кишко А.В., Соловьева Л.Б., Соломон Г.Г., Шумейко И.А.; ГОУ ВПО СПбГТУРП. – СПб., 2007. – 51 с.: ил.

2. Федоренко, В.А., Шошин А.И: справочник по машиностроительному черчению. – М.: ООО ИД «Альянс», 2007.

3. Чекмарев, А. А. Инженерная графика: учебник / А. А. Чекмарев. – М.: Высшая школа, 2000.

 


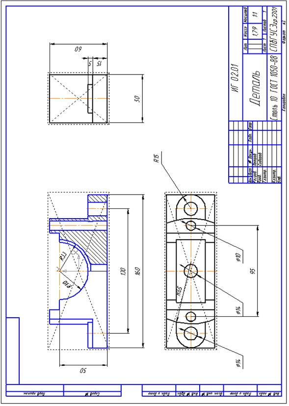
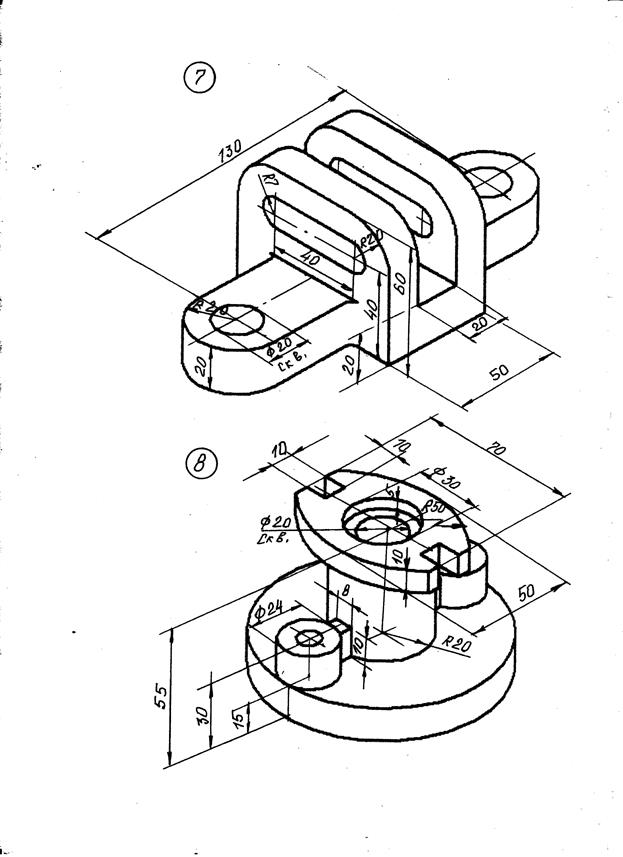
Приложение А1

Построение трех видов по данному наглядному изображению предмета

 

 


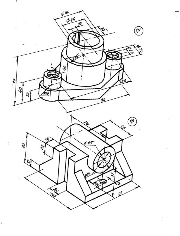
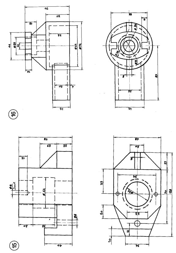
Приложение А2

Построение трех видов предмета по двум
данным с выполнением разрезов

 


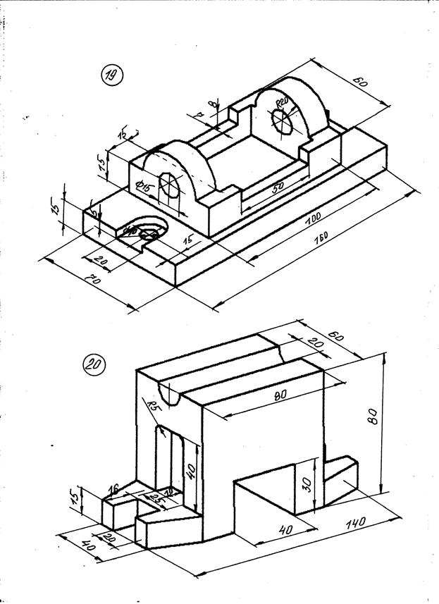
Приложение А3

Чертеж вала с выполнением вынесенных и
наложенных сечений


 

 

Голдобина Любовь Александровна

Аганин Евгений Владиславович

Засидкевич Иван Николаевич

Петренко Ольга Борисовна

 


Поделиться с друзьями:

mylektsii.su - Мои Лекции - 2015-2026 год. (1.106 сек.)Все материалы представленные на сайте исключительно с целью ознакомления читателями и не преследуют коммерческих целей или нарушение авторских прав Пожаловаться на материал