Студопедия

Главная страница Случайная страница

КАТЕГОРИИ:

АвтомобилиАстрономияБиологияГеографияДом и садДругие языкиДругоеИнформатикаИсторияКультураЛитератураЛогикаМатематикаМедицинаМеталлургияМеханикаОбразованиеОхрана трудаПедагогикаПолитикаПравоПсихологияРелигияРиторикаСоциологияСпортСтроительствоТехнологияТуризмФизикаФилософияФинансыХимияЧерчениеЭкологияЭкономикаЭлектроника






Протокол измерений к лабораторной работе № 6






«Исследование резонанса в цепи

с последовательно соединенными элементами R, L, С»

 

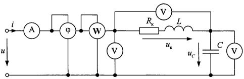
Рис 1. Схема замещения цепи.

 

Параметры цепи для варианта (указать размерность всех величин):

L = С = Rк =

Предварительные расчеты:

 

Экспериментальные данные при U= В занесены в табл. 1П.

Таблица 1П

f, Гц I, мА UК, В UС, В j, град P, Вт Примечания
             
          -45°  
             
             
             
          45°  
             

 

Предварительные расчеты. Из табл. 1: полоса пропускания

Сравнение значений добротности:

Входное сопротивление цепи: при резонансе Z0 =

на частоте f1 Z1 =

на частоте f 2 Z2 =

 

Работу выполнил: __________________

 

Работу проверил: __________________


Содержание отчета

1. Отчет должен содержать титульный лист с темой лабораторной работы, датой оформления, информацией о студенте: фамилия, курс и группа.

2. Нарисовать принципиальную схему исследуемой электрической цепи включающую измерительные приборы, указать величины параметров RK, L, С. Записать рассчитанные в протоколе изме­рений значения резонансной частоты f0, волнового сопротивления ρ, добротности и полосы пропускания Δ f.

3. По данным таблицы 1П протокола измерений в относительных единицах частоты рассчитать и построить графики амплитудно-частотных характеристик (АЧХ): UR(v); UL(v); UС(v) в одной системе координат (для расчета можно использовать закон Ома). Результаты расчета представить в таблице 1. Из графиков АЧХ определить добротность , граничные частоты f1, f2 и полосу пропускания Δ f (граничные частоты определять по снижению тока в раз от его значения при резонансной частоте).

Таблица 1

Результаты измерений Результаты расчетов
f, Гц I, мА UК, В UС, В j, град P, Вт UR, В UL, В Q, ВАр S, ВА
                     

 

По данным таблицы 1П построить фазочастотную характеристи­ку φ (v). Из графиков определить граничные частоты f1, f2 и полосу пропускания Δ f (граничные частоты определять по значениям фазового сдвига ±45°). Проверить отношение .

4. По данным табл. 1П протокола рассчитать частотные характеристики:
; ; ; ; ; . Результаты расчета частотных характеристик ; ; в от­носительных единицах частоты v представить в таблице 2. Построить гра­фики их изменений от относительной частоты v в одной системе координат. Из графиков определить на граничных частотах f1 и f 2 отношения: ; ; ; (граничные частоты определять из условия ).

Таблица 2

f, Гц j, град
               

5. Рассчитать полную и реактивную мощности и . Результаты расчета представить в таблице 1. Рассчитать в относительных единицах частоты v зависимости: , , . Построить графики в одной системе координат.

6. По данным табл. 1 построить векторные диаграммы тока и напряжения цепи для значений частот f0, f1 и f 2.

7. Сформулировать и записать выводы об изменении характера и величины полного сопротивления цепи в зависимости от частоты питающего напряжения. Объяснить причину этого изменения. Сформулировать условия возникновения резонанса напряжений. Привести варианты (примеры) применения явления резонанса в электронных приборах.


Вопросы для самопроверки

1. Какое явление называют резонансом в электрической цепи?

2. При каком условии возникает резонанс напряжений и каковы его особенности?

3. Как изменяется реактивное сопротивление последовательной цепи с изменением частоты?

4. Каким образом можно получить резонанс напряжений?

5. Что характеризует добротность контура и от чего она зависит?

6. При каком условии возникает резонанс токов и каковы его особенности?

7. При каких условиях в параллельной цепи резонанс невозможен?

8. Каким образом можно получить резонанс токов?

9. Чему равна резонансная частота последовательной цепи?

10. Чему равна резонансная частота параллельной цепи?

11. Чему равен ток при резонансе в неразветвлённой части цепи?

12. Нарисуйте векторные диаграммы последовательной цепи для режимов:
1) xL=xC, 2) xL> xC, 3) xL> xC.

13. Нарисуйте графики изменения действующих значений тока, напряжения на индуктивной катушке и конденсаторе в зависимости от частоты.

14. Нарисуйте векторные диаграммы параллельной цепи для произвольного режима и для режима резонанса.

15. Приведите примеры практического использования явления резонанса.

 


Поделиться с друзьями:

mylektsii.su - Мои Лекции - 2015-2026 год. (1.007 сек.)Все материалы представленные на сайте исключительно с целью ознакомления читателями и не преследуют коммерческих целей или нарушение авторских прав Пожаловаться на материал