Студопедия

Главная страница Случайная страница

КАТЕГОРИИ:

АвтомобилиАстрономияБиологияГеографияДом и садДругие языкиДругоеИнформатикаИсторияКультураЛитератураЛогикаМатематикаМедицинаМеталлургияМеханикаОбразованиеОхрана трудаПедагогикаПолитикаПравоПсихологияРелигияРиторикаСоциологияСпортСтроительствоТехнологияТуризмФизикаФилософияФинансыХимияЧерчениеЭкологияЭкономикаЭлектроника






Расчет точности станочного приспособления






 

1. ЦЕЛЬ РАБОТЫ

Ознакомление с методикой расчета точности проектируемого приспособления.

 

2.теоретический раздел

Цель расчета на точность заключается в определении требуемой точности из­готовления приспособления по выбранному параметру. Расчет, как правило, должен состоять из следующих этапов:

• выбор одной или нескольких компоновок приспособления, реализующих за­ данную технологом схему базирования заготовки на рассматриваемой опера­ции;

• выбор одного или нескольких параметров приспособления, которые оказыва­ют влияние на положение и точность обработки заготовки;

• принятие порядка расчета и выбор расчетных технологических факторов;

• определение требуемой точности изготовления приспособления по выбранным параметрам;

• внесение в ТУ сборочного чертежа приспособления требований по точности.

Выбор расчетных параметров осуществляется в результате анализа принятых схем базирования и закрепления заготовки и приспособления, а так­же точности обеспечиваемых обработкой размеров. Приспособление рассчи­тывается на точность по одному параметру в случае, если при обработке заго­товки размеры выполняются в одном направлении. По нескольким параметрам, если на заготовке выполняются размеры в нескольких направлениях [5].

Направление расчетного параметра приспособления должно совпа­дать с направлением выполняемого размера при обработке заготовки.

В зависимости от конкретных условий в качестве расчетных парамет­ров могут выступать: допуск параллельности или перпендикулярности рабочей поверхности установочных элементов к поверхности корпуса приспособления, контактирующей со станком; допуск линейных и угловых размеров; допуск со­осности и перпендикулярности осей цилиндрических поверхностей и т.п. Чаще всего параметр определяет точность положения рабочих поверхностей корпу­са, посредством которых приспособление соединяется со столом или шпинде­лем станка. Примеры выбора расчетных параметров приведены на рисунках 1 и 2.

Пример 1. В приспособлении (рисунок 1), фрезой 5 обрабаты­вается плоская поверхность А заготовки в размер (а) с допуском δ а. Заготовка 4 устанавливается на установочные элементы (опорные пластины) 3 базовой поверхностью Б. Приспособление опорной поверхностью В корпуса 2 контакти­рует со столом 1 фрезерного станка. Так как направление расчетного размера должно совпадать с направлением выполняемого при обработке заготовки раз­мера и определять точность относительного положения рабочей поверхности установочных (поверхность Б) и поверхности корпуса приспособления, контак­тирующей со станком (поверхность В), в качестве расчетного параметра в дан­ном случае следует принять допуск параллельности на определенной длине поверхности Б установочных элементов относительно поверхности В, корпуса приспособления, либо допуск конструктивно заданного параметра между поверхностями Б и В приспособления.

Рисунок 1- Схема установки заготовки при обработке для обеспечения размеров в одном направлении

Пример 2. На фрезерном станке обрабатывается заготовка 4 (рисунок 2) по поверхностям А и В размеры (а) и (b) с допусками соответственно δ а и δ b. Базовыми поверхностями Б и Г заготовка устанавливается на опорные пластины 3 и 5 в корпусе 2 приспособления Корпус контактирует со столом 1 фрезерного станка плоскостью Д. Его положение относительно Т-образных пазов стола обеспечиваются направляющими шпонками 6. При анализе выполняемых размеров, схемы базирования и приспособления можно установить. что допуск параллельности обрабатываемых поверхностей А и В относительно поверхностей Б и Г детали 4может быть в пределах допусков выполняемых размеров а и b, т.е. δ а и δ b. Положение заготовки будет определятся положением рабочих поверхностей, контактирующих с поверхностями стола станка и определяющих положение приспособления на станке. В качестве расчетных следует выбрать два параметра: допуск параллельности плоскости Г установочных элементов 3 относительно плоскости Д корпуса приспособления и допуск параллельности плоскости Б опорной пластины 5 и боковой поверхности Е направляющих шпонок 6 корпуса.

Рисунок 2 - Схема установки заготовки при обработке для обеспечения размеров в двух направлениях.

На точность обработки влияет ряд технологических факторов, вызывающих общую погрешность обработки Ео, которая не должна превышать допуск δ выполняемого размера при обработке заготовки, т.е. Ео< δ. [3]

Для выражения допуска δ, выполняемого при обработке размера, можно воспользоваться формулой:

.

где: Δ у - погрешность вследствие упругих отжатий технологической системы под влиянием сил резания;

Δ H - погрешность настройки станка;

Е - погрешность установки заготовки в приспособлении;

Δ И - погрешность от размерного изнашивания инструмента;

Δ Т - погрешность вызываемая тепловыми деформациями технологической системы;

Σ Δ Ф - суммарная погрешность формы обрабатываемой поверхности, обусловленная геометрическими погрешностями станка и деформацией заготовки при обработке.

Погрешность установки заготовки в приспособлении определяется из выражения:

.

где: Еб - погрешность базирования заготовки в приспособлении;

Ез - погрешность закрепления заготовки, возникающая в результате действия сил зажима;

Δ пр - погрешность положения заготовки, зависящая от приспособления.

.

где: ЕПР - погрешность изготовления приспособления по выбранному параметру;

ЕУ - погрешность установки приспособления на станке;

EИ – погрешность положения заготовки, возникающая в результате изнашивания элементов приспособления.

Если в приспособлении предусмотрены элементы для направления и определения положения или траектории движения обрабатывающего инструмента, то в общей погрешности обработки заготовки может появиться еще одна составляющая – погрешность от перекоса инструмента EП.

Общая погрешность обработки, приравненная допуску выполняемого размера, определяется зависимостью [3]

,

Отсюда погрешность изготовления приспособления

.

В связи со сложностью нахождения значений ряда величин, входящих в формулу (5) для определения Епр, погрешность изготовления приспособления можно рассчитать по упрощенной формуле (6). Расчет Епр при этом сводится к вычитанию из допуска выполняемого размера всех других составляющих общей погрешности обработки.

.

где: δ - допуск выполняемого при обработке размера заготовки;

Кт - коэффициент, учитывающий отклонение рассеяния значений составляющих величин от закона нормального распределения: Кт=1...1, 2 (в зависимости от количества значимых слагаемых; чем их больше, тем Кт ближе к единице);

Кт1 - коэффициент, учитывающий уменьшение предельного значения погрешности базирования при работе на настроенных станках: Кт1=0, 8...0, 85;

Кт2 - коэффициент, учитывающий долю погрешности обработки в суммарной погрешности, вызываемой факторами, не зависящими от приспособления (Δ у, Δ н, Δ и, Δ т, Σ Δ ф); Кт2=0.6... 0.8 (большее значение коэффициента принимается при меньшем количестве значимых величин, зависящих от приспособления);

W - экономическая точность обработки (принимается по таблицам).

Для расчета допустимой погрешности изготовления приспособления предварительно определяем значения всех составляющих входящих в формулу.

Допуск δ берется с чертежа детали (при окончательной обработке поверхности) или с операционного эскиза технологического процесса обработки заготовки (при предварительной обработке).

Погрешность базирования E δ - рассчитывается в каждом конкретном случае. В таблице 1, представлены схемы базирование и формулы, по которым следует определять погрешность базирования для типовых случаев.

Принятые обозначения:

ε 1 смещение (эксцентриситет) оси отверстия относительно оси наружной цилиндрической поверхности;

δ d – допуск диаметра наружной поверхности;

Smin – односторонний минимальный гарантированный зазор;

δ А – допуск размера базового отверстия;

δ В – допуск размера оправки;

Δ Ц – просадка центров.

Погрешность закрепления Ез - определяется аналитически в случае, когда рассчитывают весьма малые смещения заготовок в прецизионных приспособлениях. В остальных случаях при расчете приспособлений на точность значения Ез принимают по таблицам 2...5.

Рисунок 3 - Схема обра­зования погрешности ус­тановки приспособления на станке.

 

Погрешность уста­новки приспособления на станке Еу возникает из-за зазоров между направляющими шпонками или установочными пальцами приспособления и Т-образными пазами или отверстиями стола станка, что характерно для фрезерных, расточных и других приспособлений (рисунок 3). Для уменьшения этих погрешностей рекомендуется точнее изготавливать посадочные места, а элементы для базирования приспособлений как можно дальше друг от друга [5]. Погрешность установки вращающихся приспособлений на токарные, зубофрезерные и другие станки зависит от точности их базирования в гнёздах станка (конусное отверстие шпинделя, центральное отверстие поворотного стола, центрирующий поясок планшайбы станка и др.).

Расчет Еу в каждом конкретном случае следует вести по схеме установки приспособления на станке (таблица 6).

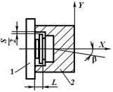
Погрешность положения отверстий En, связанная с перескоком и смещением обрабатывающего инструмента возникает из-за неточности изготовления направляющих элементов приспособления (рисунок 4). Для уменьшения износа направляющей втулки между ее нижним торцом и поверхностью заготовки предусматривается зазор m (при обработке чугуна и других хрупких материалов m=(0.3...0.5)d, при обработке стали и вязких материалов m=d; при зенкеровании m< =0, 3d).

При m> 0, 3d .

При m< 0, 3d .

где S - односторонний максимальный радиальный зазор между втулкой и инструментом; d – диаметр инструмента; L – длина направляющей втулки.

Рисунок 4 – Схема образования погрешности, связанной с перекосом инструмента.

 

Погрешность положения заготовки, возникающая в результате изнашивания элементов приспособления ЕИ характеризует изменение положения рабочих поверхностей установочных элементов в результате их изнашивания в процессе эксплуатации приспособления. На интенсивность изнашивания установочных элементов влияют их размеры, конструкция, материал и масса обрабатываемой заготовки, состояние ее базовых поверхностей.

Износ установочных элементов определяется:

- для опор с малой поверхностью контакта

.

- для опор с развитой поверхностью контакта

.

где β 1, β 2 – постоянные, зависящие от вида установочных элементов, определяемые по таблице 7; N - количество контактов заготовки с опорой за 1 год.

Последним расчетным факторам при расчете приспособления на точность является экономическая точность обработки ω (определяется по таблицам 8…18).

 

Таблица 1 - Погрешность базирования при установке в приспособлениях.

Базирование Схема установки Погрешность базирования для размеров
     
По центровым отверстиям на жёсткий передний центр
На плавающий передний центр
По внешней поверхности в зажимной цанге по упору
В самоцентрирующемся патроне с упорным торцом (при параллельном подрезании торцов)
В самоцентрирующихся призмах
Продолжение таблицы 1
     
В призме при обработке отверстий по кондуктору
На плоской поверхности при обработке отверстия по кондуктору  
В призме при обработке плоскости или паза
В призме при обработке плоскости или паза
В призме при обработке плоскости или паза
По отверстию на жёсткой оправке со свободной посадкой     При установке оправки на плавающий передний центр, гильзу или патрон по упору.
Продолжение таблицы 1
     
На разжимной оправке, на жёсткой оправке с натягом При установке оправки на жёсткий передний центр.
По двум отверстиям на пальцах при обработке верхней поверхности
На плоскости при обработке уступа

 

Таблица 2 - Погрешность закрепления заготовок Ез при установке на опорные пластины, мкм.

Характеристика базовой поверхности Поперечные размеры заготовки
6.. ..10 10.. ..18 18.. ..30 30.. ..50 50.. ..80 80.. ..120 120....180 180....260 260....360 360....500
                     
Установка в зажимной гильзе (цанге)
Холоднотянутая калиброванная                    
Предварительно обработана                    
Окончательно обработана                    
Установка в трехкулачковом патроне с ручным приводом
Полученная литьем:  
- в песчаную форму                    
- в постоянную форму                    
- по выплавляемой модели                    
- под давлением                    
Полученная горячей штамповкой                    
Горячекатаная                    
Предварительно обработ.                    
Продолжение таблицы 2
                     
Окончательно обработанная                    
Установка в трехкулачковом патроне с пневматическим приводом
Полученная литьем:  
- в песчаную форму                    
- в постоянную форму                    
- по выплавляемой модели                    
- под давлением                    
Полученная горячей штамповкой                    
Горячекатаная                    
Предварительно обработанная                    

 

Таблица 3 - Погрешность закрепления заготовок Ез при установке в осевом направлении при обработке на станках, мкм.

Характеристика базовой поверхности Поперечные размеры заготовки
6.. ..10 10.. ..18 18.. ..30 30.. ..50 50.. ..80 80.. ..120 120....180 180....260 260....360 360....500
                     
Установка в зажимной гильзе (цанге) по упору
Холоднотянутая калиброванная                    
Предварительно обработана                    
Окончательно обработана                    
Установка в трехкулачковом патроне с ручным приводом
Полученная литьем:  
- в песчаную форму                    
- в постоянную форму                    
- по выплавляемой модели                    
- под давлением                    
Полученная горячей штамповкой                    
Горячекатаная                    
Предварительно обработанная                    
Продолжение таблицы 3
                     
Окончательно обработанная                    
Установка в трехкулачковом патроне с механизированным приводом
Полученная литьем:  
- в песчаную форму                    
- в постоянную форму                    
- по выплавляемой модели                    
- под давлением                    
Полученная горячей штамповкой                    
Горячекатаная                    
Предварительно обработанная                    
Окончательно обработанная     35'              

 

Таблица 4 - Погрешность закрепления заготовок Ез при установке на точечные опоры, мкм.

Характеристика базовой поверхности Поперечные размеры заготовки
6.. ..10 10.. ..18 18.. ..30 30.. ..50 50.. ..80 80.. ..120 120.. ..180 180....260 260....360 360....500
Установка в зажимное приспособление с винтовыми или эксцентриковыми зажимными устройствами
                     
Полученная литьем:  
- в песчаную форму                    
- в постоянную форму                    
- по выплавляемой модели                    
- под давлением                    
Полученная горячей штамповкой                    
Горячекатаная                    
Предварительно обработанная                    
Окончательно обработанная                    
Шлифованная                    
                     
Продолжение таблицы 4
                     
Установка в приспособлении с пневматическими зажимными устройствами
Полученная литьём:  
- в песчаную форму                    
- в постоянную форму           I20       1 80
- по выплавляемой модели                    
- под давлением                    
Полученная горячей штамповкой                    
Горячекатаная                    
Предварительно обработанная                    
Окончательно обработанная                    
Шлифованная                    
                                 

1. При установке на магнитной плите погрешность закрепления отсутствует

2. Погрешность закрепления дана по нормали к обрабатываемой поверхности

 

Таблица 5 - Погрешность закрепления заготовок Ез при установке на опорные пластины, мкм.

Характеристика базовой поверхности Поперечные размеры заготовки
6.. ..10 10....18 18....30 30....50 50....80 80....120 120....180 180....260 260....360 360.. ..500
Установка в зажимное приспособление с винтовыми или эксцентриковыми зажимными устройствами
                     
Полученная литьем:  
- в песчаную форму                    
- в постоянную форму                    
- по выплавляемой модели                    
- под давлением                    
Полученная горячей штамповкой                    
Горячекатаная                    
Предварительно обработанная                    
Окончательно обработанная                    
Продолжение таблицы 5
                     
Шлифованная                    
Установка в приспособлении с пневматическими зажимными устройствами
Полученная литьем:  
- в песчаную форму                    
- в постоянную форму                    
- по выплавляемой модели                    
- под давлением                        
Полученная горячей штамповкой                    
Горячекатаная                    
Предварительно обработанная                    
Окончательно обработанная                    
Шлифованная                    
                                     

1. При установке на магнитной плите погрешность закрепления отсутствует

2. Погрешность закрепления дана по нормали к обрабатываемой поверхности

 

Таблица 6 - Погрешность установки приспособлений.

Схема установки ε УС
   
В направлении оси Х: 0, 01-0, 04 мм; Оси Y: значение s; Для угла β: 2arctg(S/L)
В направлении оси Х: значение s; Оси Y: 0, 01-0, 04 мм; Для угла β:
В направлении оси Х: 0, 03-0, 6 мм; Оси Y: значение s; Для угла β: 5-10°
Продолжение таблицы 6
   
Для конуса Морзе №0: 0, 1-0, 2 мм; №1, 2, 3: 0, 15-0, 3 мм; №4, 5: 0, 2-0, 4 мм; №6: 0, 25-0, 5 мм. Для метрического конуса №80: 0, 25-0, 5 мм; №100, 200: 0, 3..0, 6 мм; В направлении оси Х: 0, 01-0, 03 мм; Оси Y: значение s; Для угла β: 2δ α
В направлении оси Х: 0, 05-0, 2 мм; Для угла β: 2-5’
В направлении оси Y: 0-0, 02 мм; Оси X: значение s; Для угла β: arctg(S/L); На длине l: (sl)/L
В направлении оси Y: 0-0, 03 мм; Для угла β: 2arctg(0, 01-0, 03/L)
Примечание. Обозначения на рисунках: 1 – шпиндель, 2 – приспособление, 3 – конус, 4 – центр, 5 – деталь, 6 – стол станка, 7 – плита приспособления, 8 – кондуктор.

 

 

Таблица 7 - Значение коэффициентов для различных установочных элементов.

Установочные элементы Материал установочных элементов
Стали 20, 45, 20Х Углеродистые стали У8А и др. Твердые сплавы
коэффициент
Точечные опоры с головкой:    
- сферической 0, 5..2, 0 0, 4..0, 8 0, 06..0, 25
- рифленой 0, 6..2, 5 - -
- плоской 0, 4..0, 8 - -
Призмы 0, 3..0, 8 0, 25..0, 7 0, 035..0, 095
Пальцы ромбические 0, 2..0, 6 0, 15..0, 5 0, 025..0, 07
  коэффициент
Пластины опорные 0, 002..0, 004 0, 0015..0, 0035 0, 00025..0, 00045
Пальцы цилиндрические 0, 001..0, 002 0, 0008..0, 0018 0, 00012..0, 00023

 

Таблица 8 - Экономическая точность обработки наружных цилиндрических поверхностей.

Вид обработки Квалитет
Обтачивание на токарных станках
- черновое 12-13
- отделочное  
- отделочное повышенной точности  
- тонкое  
Шлифование
- однократное  
- отделочное  
- тонкое 5-6

 

Таблица 9 - Экономическая точность обработки внутренних цилиндрических поверхностей.

Вид обработки Квалитет
Сверление
- без кондуктора 12-13
- по кондуктору  
Зенкерование и растачивание
- черновое 12-13
- чистовое  
- отделочное  
- тонкое  
Продолжение таблицы 9
Развертывание
- однократное стали  
- однократное чугуна и отделочное стали  
- отделочное чугуна и повышенной точности стали  
- повышенной точности чугуна 5-6
Шлифование
- однократное  
- чистовое  
- тонкое 5-6
Хонингование 5-6
Протягивание  

 

Таблица 10 - Экономическая точность обработки плоскостей.

Вид обработки Квалитет
Фрезерование и строгание
- черновое стали 12-13
- черновое чугуна и чистовое стали  
- чистовое чугуна  
- отделочное чугуна  
- отделочное стали  
Шлифование
- однократное  
- чистовое  
- тонкое  

 

Таблица 11 - Экономическая точность обработки фасонной фрезой.

Длина поверхности, мм Погрешность размера (мкм) при обработке фрезой шириной (мм)
До 120 120... 180
До 100   -
100... 300 200... 300 200...400
300... 600 250... 450 250...500

 

 

Таблица 12 - Экономическая точность обработки торцевых поверхностей.

Диаметр заготовки, мм   Погрешность размера мкм.
обтачивание шлифование
черновое чистовое черновое чистовое
до 500        
50... 120        
120... 260        
260... 500        

 

Таблица 13 - Экономическая точность фрезерования выступов и пазов.

Ширина выступов и пазов, мм. Погрешность (мкм) при обработке фрезой
дисковой концевой
1..3    
3..6    
6..10    
10..18    
18..30    
30..50    
50..80    

 

Таблица 14 - Экономическая точность обработки при одновременном фрезеровании параллельных поверхностей дисковыми фрезами.

Расстояние между фрезами, мм Погрешность (мкм) при обработке фрезой
до 50 50..80 80..120
до 100      
свыше 100      

 

Таблица 15 - Экономическая точность обработки резьбы.

Способ получения резьбы Поле допуска резьбы
наружной внутренней
На токарно-винторезных станках:
- призматическими и дисковыми однопрофильными резцами. 4h 4h..5H
- гребенками 4h 4h..5H
- вихревым способом 4h 4h..5H
На револьверных станках и автоматах 8g 7H
На токарных автоматах плашками 8g -
На сверлильных станках метчиками в:
- сквозных отверстиях, - 6H
- глухих отверстиях. - 7H
Продолжение таблицы 15
Нa универсальных и резьбофрезерных станках:
- дисковой фрезой 6g -
- червячной фрезой 8g -
На шлифовальных станках:    
- однониточным кругом 6g -
- многониточным кругом 4H -
Накатывание:
- плоскими плашками роликом 8g -
- роликовой головкой 6g 7H

 

Таблица 16 - Экономическая точность обработки пазов и шпоночных канавок шпоночной фрезой.

Ширина паза или шпоночной канавки мм Погрешность (мкм) при обработке
  черновой чистовой
6..10    
10..18    
18..30    

 

 

Таблица 17 - Экономическая точность соосности расположения поверхностей тел вращения.

Способ обработки Отклонение от соосности, мкм
Обтачивание и шлифование наружной поверхности в центрах
- с одной установки  
- с двух установок  
Растачивание и шлифование внутренней поверхности
- на оправке  
- в центрах на оправках  

 

Таблица 18 - Экономическая точность различных способов обеспечения перпендикулярности оси отверстий относительно плоскости.

Способ обработки Отклонение на длине L=100 мм, мкм
Сверление
- по разметке  
- по кондуктору  
Растачивание на токарном станке при установке заготовки
- по разметке  
- по индикатору  
На вертикально-фрезерном станке  

 

 

3. Порядок выполнения работы

3.1. Изучить настоящее методическое пособие

3.2. Получить у преподавателя схему установки заготовки в приспособлении и чертеж приспособления.

3.3. Рассчитать погрешность приспособления согласно методическим указаниям.

3.5. Сформулировать выводы по работе

 

 

4. Содержание отчета

4.1. Цель работы.

4.2. Схема установки заготовки в приспособлении.

4.3. Исходные данные.

4.4. Расчет погрешности приспособления

4.5. Вывод

 

5. Контрольные вопросы

5.1. Что включает в себя понятие «погрешность установки заготовки».

5.2. Что такое погрешность базирования заготовки?

5.3. Что такое погрешность закрепления заготовки и какими факторами определяется её величина?

5.4. Как при расчете точности приспособления учитывается износ установочных элементов.

5.5. Как рассчитывается погрешность установки приспособления на станке.

5.6. Как в расчете точности приспособления учитывается экономическая точность обработки.

 

 


Поделиться с друзьями:

mylektsii.su - Мои Лекции - 2015-2026 год. (0.669 сек.)Все материалы представленные на сайте исключительно с целью ознакомления читателями и не преследуют коммерческих целей или нарушение авторских прав Пожаловаться на материал