Студопедия

Главная страница Случайная страница

КАТЕГОРИИ:

АвтомобилиАстрономияБиологияГеографияДом и садДругие языкиДругоеИнформатикаИсторияКультураЛитератураЛогикаМатематикаМедицинаМеталлургияМеханикаОбразованиеОхрана трудаПедагогикаПолитикаПравоПсихологияРелигияРиторикаСоциологияСпортСтроительствоТехнологияТуризмФизикаФилософияФинансыХимияЧерчениеЭкологияЭкономикаЭлектроника






Изображения резьбы






Построение точного изображения витков резьбы требует большой затраты времени, поэтому она применяется в редких случаях. Как правило, на чертежах резьбу изображают условно, независимо от профиля резьбы, а именно: резьбу на стержне – сплошными основными линиями по наружному диаметру резьбы и сплошными тонкими линиями – по внутреннему диаметру на всю длину резьбы, включая фаску (рисунки 2, 3).

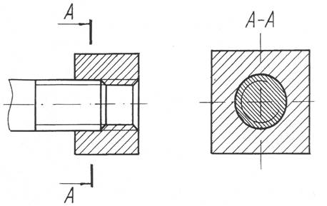
В отверстии на разрезе резьба показывается сплошными основными линиями по внутреннему диаметру и сплошными тонкими линиями – по наружному (сплошные основные и сплошные тонкие линии как бы меняются местами).

На изображениях, полученных проецированием резьбы на плоскость, перпендикулярную к ее оси, сплошную тонкую линию проводят в виде дуги, приблизительно равной ¾ окружности и разомкнутой в любом месте.

 

 

Рисунок 2 – Графическое изображение цилиндрической

и конической наружной резьбы

 

Рисунок 3 – Графическое изображение цилиндрической

и конической внутренней резьбы

 

На изображениях, полученных проецированием резьбы на плоскость, параллельную ее оси, резьбу показывают без сбега и без недореза (рисунок 4 а, б).

На чертежах, по которым резьбу не выполняют, конец глухого резьбового отверстия допускается изображать, как показано на рисунке 4 (в, г).

При изображении резьбы сплошную тонкую линию проводят на расстоянии не менее 0.8 мм. От сплошной основной линии и не более величины шага резьбы.

Сплошная тонкая линия, изображающая резьбу, на стержне должна пересекать линию фаски и заканчиваться на очерке конуса фаски (рисунок 2, 3, 4).

Границу резьбы проводят до линии наружного диаметра резьбы и изображают ее сплошной основной линией, если резьба видима (рисунок 4).

а б в г

 

Рисунок 4 – Условности, допускаемые при изображении наружной и внутренней резьбы

На разрезах и сечениях штриховку проводят: на стержне – до линии наружного диаметра резьбы; в отверстии – до линии внутреннего диаметра резьбы, во всех случаях до сплошной основной линии.

В проекциях на плоскость, перпендикулярную оси резьбы, фаски у резьбы на стержне или в отверстии не изображают, если они не имеют специального конструктивного назначения (рисунок 2, 3).

Основную плоскость конической резьбы на стержне, при необходимости, указывают сплошной тонкой линией (рисунок 5).

 

 

Рисунок 5 – Обозначение основной плоскости конической резьбы

 

Для изображения профиля нестандартной резьбы применяют местный разрез или выносной элемент и показывают профиль резьбы в разрезе (рисунок 6).

 

Рисунок 6 – Графическое изображение нестандартной резьбы

 

Рисунок 7 – Графическое изображение резьбового соединения

(на виде и разрезе)

 

При изображении резьбового соединения условно принимают, что резьба стержня закрывает резьбу отверстия, и в отверстии показывают только ту часть резьбы, которая не закрыта резьбой стержня (рисунок 7).

 


Поделиться с друзьями:

mylektsii.su - Мои Лекции - 2015-2026 год. (0.628 сек.)Все материалы представленные на сайте исключительно с целью ознакомления читателями и не преследуют коммерческих целей или нарушение авторских прав Пожаловаться на материал