Студопедия

Главная страница Случайная страница

КАТЕГОРИИ:

АвтомобилиАстрономияБиологияГеографияДом и садДругие языкиДругоеИнформатикаИсторияКультураЛитератураЛогикаМатематикаМедицинаМеталлургияМеханикаОбразованиеОхрана трудаПедагогикаПолитикаПравоПсихологияРелигияРиторикаСоциологияСпортСтроительствоТехнологияТуризмФизикаФилософияФинансыХимияЧерчениеЭкологияЭкономикаЭлектроника






Краткие теоретические сведения. Излом – поверхность, образованная после прохождения трещины через все сечение образца или детали.






Излом – поверхность, образованная после прохождения трещины через все сечение образца или детали.

Излом – это поверхность, образовавшаяся в результате разрушения твердых тел (после прохождения трещины через все сечение образца или детали).

По природе силовых воздействий изломы подразделяются:

1. Изломы, полученные только от механической нагрузки.

2. Изломы, полученные от совместного воздействия механической нагрузки и химически активных сред.

3. Изломы, полученные от термических напряжений.

По характеру силовых воздействий изломы подразделяются:

1. Изломы, полученные при однократных видах нагружения, в том числе:

- изломы от однократного статического нагружения (растяжение, сжатие, кручение и т. д.);

- изломы от однократного динамического нагружения (ударное, высокоскоростное импульсное и т. д.);

- изломы от однократного длительного нагружения при испытаниях, например, на ползучесть, коррозию под напряжением и т. д.

2. Изломы, полученные при многократных (циклических) видах нагружения (ударно-статические, мало- и многоцикловые усталостные, ударно-циклические, коррозионно-усталостные, термоусталостные и т. д.).

Фрактография – это наука, изучающая строение из­ломов.

Изучение строения изломов невооруженным глазом или при небольших увеличениях (до 30-50 раз) называют макрофрактографией. Изучение изломов при больших увеличе­ниях (как правило, в электронных микроскопах) микрофрактографией. Поскольку вид излома в определенной мере представляет со­бой своеобразную фотографию процессов, которые происходили при разрушении исследуемого объекта, фрактография является одним из основных источников информации о причинах и характере разрушения, о качестве металла и способности сопротивляться при­ложенным нагрузкам.

Изломы, полученные при однократных видах нагружения.

По характеру разрушения различают следующие основные виды изломов: вязкие, хрупкие, квазихрупкие, вязко-хрупкие и смешанные.

Вязкое разрушение. Вязкое разрушение всегда сопровождается большой пластической деформацией материала на стадии зарождения и распространения трещины. Поэтому вязкие изломы имеют большую шероховатость, темный матовый цвет и волокнистое строение (рис. 9.1). Вбли­зи поверхности изломов имеется утяжка (сужение или «шейка») вследствие про­текания макроскопической пластической деформации образца или детали.

 

  Рисунок 9.1 – Общий вид вязких изломов

 

Как пра­вило, вязко разрушаются материалы с ГЦК решеткой, а также, в определенных условиях, материалы с ОЦК решеткой, например, мяг­кие стали при комнатной и повышенных температурах.

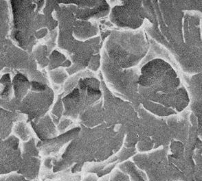
Вязкое разрушение начинается с образования пор, которые при дальнейшем увеличении нагрузки соединяются (рис. 9.2 а), образуя характерный ямочный микрорельеф, наблюдаемый на поверхности вяз­ких изломов в электронном микроскопе (рис. 9.2 б).

Вязкое разрушение относится к энергоемкому разрушению, т. к. большая часть энергии затрачивается на пластическую деформацию материала. Поэтому вязкий излом свидетельствует о высоком уровне нагрузки, предшествующей разрушению, и о хорошем сопротивлении материала развитию трещины.

 

 
а) б)
Рисунок 9.2 – Схема вязкого разрушения с образованием ямочного микрорельефа (а) и ямочный микрорельеф вязкого разрушения стали (б), х1000

 

Хрупкое разрушение. Хрупкое разрушение относят к одному из самых опасных видов разрушения. Оно происходит при небольших наг­рузках с очень высокой скоростью. Скорость хрупкой трещины сос­тавляет примерно 0, 4 от скорости распространения звука в металле. Сопротивление макропластической деформации практически отсутст­вует. Поэтому хрупкие изломы имеют небольшую шероховатость, свет­лый цвет, кристаллическое строение с металлическим блеском (рис. 9.3). Утя­жка вблизи поверхности изломов практически отсутствует (величина относительного сужения не превышает 1, 5 %). При хрупком разрушении металл из-за потери пластичности плохо сопротивляется распространению трещины, поэтому ненадежен в эксплуатации.

 

    Рисунок 9.3 – Общий вид хрупких изломов

 

К основным причинам, вызывающим охрупчивание металлических материалов, следует отнести:

1. Низкие температуры эксплуатации (в основном для материалов с ОЦК и ГПУ решеткой, испытывающих хладноломкость).

2. Высокие скорости нагружения (удар, взрыв и т. д.).

3. Наличие в образце или детали концентраторов напряжения (острых надрезов, трещин и т, д.).

4. Большая толщина детали (масш­табный фактор).

5. Структурное состояние материала (например, от­пускная хрупкость, наличие примесей по границам зерен и т. д.).

Все пе­речисленные факторы, кроме некоторых случаев структурного состояния, создают жесткое напряженное состояние материала, зат­рудняющее пластическую деформацию и охрупчивающее материал.

Хрупкое разрушение подразделяют на транскристаллитное по механиз­му скола (трещина распространяется по телу зерна) (рис. 9.4 а), и интеркристаллитное (межзеренное) по границам зерен (рис. 9.4 б).

 

а) б)
в) г)
  Рисунок 9.4 – Схемы внутризеренного (транскристаллитного) (а) и межзеренного (интеркристаллитного) (б) хрупкого разрушения, а также соответствующие микрорельефы изломов стали 45 (в) и Н32Т3 (г). Увеличение: в, г – х1000

 

Транскристаллитный скол происходит путем отрыва; на поверхности излома при большом увеличении видны фасетки скола (рис. 9.4 в). Так чаще всего разрушаются материалы с ОЦК решеткой (например, стали). Межзеренное хрупкое разрушение наблюдается в тех случаях, когда границы зерен ослаблены, например, вследствие расположенных на них выделений или загрязнений. Так могут разрушаться материалы как с ОЦК, так и с ГЦК решеткой (рис. 9.4 г).

Квазихрупкое разрушение. Квазихрупкое (квазивязкое) разрушение по своему механизму близко к вязкому и содержит признаки предшествовавшей пластической деформации, хотя по своей энергоемкости является скорее хрупким, чем вязким, т. к. обладает низким сопротивлением разрушению. Такое разрушение называют квазисколом с образованием розеточного излома. Розеточный излом с плоскими или слегка изогнутыми поверхностями или фасетками образуется за счет слияния отдельных трещин (рис. 9.5 а). Каждая трещина распространяется концентрически. При этом округлый фронт трещин под действием пластической деформации расширяется и образуется пора в виде линзы. При слиянии трещин образуются острые гребни, называемые гребнями отрыва. Микрорельеф поверхности излома, образовавшейся в результате квазискола, показан на рисунке 9.5 б.

Участки квазискола часто смешиваются с ямками отрыва при вязком разрушении, что указывает на схожую природу этих видов разрушения.

  Рисунок 9.5 – Схема образования (а) и характерный микрорельеф (б) квазискола. 1 – поверхность сдвига; 2 – отрывные гребни. б – х1500

Разрушение в интервале вязко-хрупкого перехода (вязко-хруп­кое разрушение). При понижении температуры испытания многие ма­териалы с ОЦК решеткой испытывают хладноломкость, т. е. переходят из пластичного состояния в хрупкое. Для большинства материалов такой переход наблюдается в неко­тором интервале температур, называемом интервалом вязко-хрупкого перехода. В этом интервале температур характеристики сопротивления материала развитию трещины (ударная вязкость КСU и процентное содержание вязкой составляющей в изломе В) изменяются S-образно (рис. 9.6).

 

    Рисунок 9.6 – Схема вязко-хрупкого перехода

 

Различают нижнюю (Тнхр) и верхнюю (Твхр) критические темпе­ратуры хрупкости (рис. 9.6). За Тнхр принимают температуру, при которой на поверхности изломов образуются первые участки вязкой составляющей; за Твхр – температуру, при которой вся поверхность излома становится вязкой. Верхняя и нижняя критические температуры хрупкости играют большую роль при оценке работоспособности материала в интервале вязко-хрупкого перехода.

Изломы, полученные в интервале вязко-хру­пкого перехода, назы­вают вязко-хрупкими. Они содержат одновременно как хрупкую, так и вязкую составляющие. В зависи­мости от структуры испытуемого металла вязко-хрупкие изломы мо­гут содержать сосредоточенные области вязкого и хрупкого разру­шения (сосредоточенное разрушение) или рассредоточенные области (рассредоточенное разрушение) (рис. 9.7).

Следует заметить, что вяз­ко-хрупкое разрушение не сле­дует относить к особому виду разрушения. Оно представляет собой лишь переходное (промежуточное) состояние от вязкого к хрупкому.

 

а) б)

Рисунок 9.7 – Общий вид сосредоточенного (а) и рассредоточенного (б) вязко-хрупких изломов стальных образцов.

 

Смешанное разрушение имеет место при разрушении материалов с ГЦК-решеткой, например, аустенитных сталей и некоторых цветных сплавов в условиях плоской деформации (при низких температурах, высоких скоростях нагружения и т. д.), а также при разрушении некоторых закаленных инструментальных сталей. Полученные изломы имеют матовую или «бархатную» поверхность; они ровные, без губ среза или имеют небольшие губы среза (рис. 9.8 а) и небольшую шероховатость. Металлический блеск отсутствует.

При микрофрактографическом исследовании таких изломов можно обнаружить практически все виды микрорельефа: ямочный, квазискол, межзеренное вязкое разрушение и т. д. (рис. 9.8 б). Причем, имеет место различное сочетание вышеперечисленных микрорельефов, а сами вышеуказанные микрорельефы не всегда ярко выражены. Так, например, при смешанном разрушении участки ямочного микрорельефа могут состоять из неглубоких мелких ямок, свидетельствующих о невысокой локальной пластической деформации материала.

 

а) б)
Рисунок 9.8 – Общий вид (а) и микрорельеф (б) смешанного разрушения аустенитной стали. б – х300

 

Изломы, полученные при многократных (циклических)

видах нагружения.

Усталостное разрушение. Усталостное разрушение развивается в конструкциях, подвергающихся действию знакопеременных (циклических) нагрузок, величина которых может быть значительно ниже предела текучести материала. Зарождение усталостной трещины происходит, как правило, вблизи поверхности образца или детали. Хотя усталостные трещины могут зарождаться и на совершенно гладкой поверхности, их возникновение в сильной степени облегчается при наличии концентраторов напряжения. Дальнейшее распространение усталостной трещины вглубь образца происходит на небольшое расстояние (от долей микрона до нескольких десятков микрон) за каждый цикл нагружения. При этом на поверхности разрушения остается ряд последовательных полосок, называемых у с т а л о с т н ы м и б о р о з д к а м и, которые отражают положение фронта трещины за каждый цикл нагружения. Усталостные бороздки на поверхности усталостных изломов можно наблюдать в электронном микроскопе (рис. 9.9).

  Рисунок 9.9 – Усталостные бороздки на поверхности излома стали

 

По мере увеличения длины усталостной трещины, рабочее сечение детали уменьшается, пока действующая нагрузка не приведет к окончательному ее разрушению (долому). Стадийность усталостного разрушения отражается на строении усталостных изломов. Характерной особенностью строения усталостных изломов является наличие на их поверхности от двух до трех усталостных зон (рис. 9.10 а), отличающихся цветом, шероховатостью и, самое главное, механизмом разрушения.

 

в г
Рисунок 9.10 – Схемы строения усталостного излома (а) и изменения скорости распространения усталостной трещины (б), а также общий вид усталостных изломов (в, г). 1 – очаг разрушения; 2 – зона стабильного роста трещины; 3 – зона ускоренного развития; 4 – зона долома

 

Первая зона, непосредственно прилегающая к очагу разрушения, называется зоной стабильного (медленного) роста трещины (рис. 9.10 а). Она имеет очень маленькую шероховатость поверхности. Скорость роста трещины в данной зоне низкая (рис. 9.10 б). За зоной стабильного роста трещины следует зона ускорен­ного развития (рис. 9.10 а), отличающаяся большой шероховато­стью поверхности и более темным цветом. Скорость роста трещины в пределах данной зоны резко возрастает (рис. 9.10 б). Микрорель­еф состоит из участков, характерных как для усталостного, так и статического разрушения. Зона долома (рис. 9.10 а) образуется при однокра­тном разрушении детали, сечение которой ослаблено (уменьшено) усталостной трещиной. Микрорельеф в зоне долома может быть вязким или хрупким.

Если уровень циклической нагрузки невысокий, то на поверхности изломов можно наблюдать все три вышеуказанные зоны (рис. 9.10 а, в); если высокий – то только две зоны: ускоренного развития и долома (рис. 9.10 г).

 


Поделиться с друзьями:

mylektsii.su - Мои Лекции - 2015-2026 год. (0.935 сек.)Все материалы представленные на сайте исключительно с целью ознакомления читателями и не преследуют коммерческих целей или нарушение авторских прав Пожаловаться на материал