Студопедия

Главная страница Случайная страница

КАТЕГОРИИ:

АвтомобилиАстрономияБиологияГеографияДом и садДругие языкиДругоеИнформатикаИсторияКультураЛитератураЛогикаМатематикаМедицинаМеталлургияМеханикаОбразованиеОхрана трудаПедагогикаПолитикаПравоПсихологияРелигияРиторикаСоциологияСпортСтроительствоТехнологияТуризмФизикаФилософияФинансыХимияЧерчениеЭкологияЭкономикаЭлектроника






Сборочный чертеж






 

Сборочный чертеж является документом, содержащим изображение сборочной единицы и другие данные, необходимые для сборки (изготовления и контроля). На сборочном чертеже должно быть показано, из каких деталей состоит изделие, их взаимное положение, а также дано представление о взаимодействии деталей. Сборочные чертежи в отличии от чертежей общего вида, являются рабочей документацией, выполняемой при проектировании изделий, но могут также выполняться и для существующего изделия. Например, при его модернизации. Чертеж общего вида выполняется. как правило, на стадии технического проекта, но может также выполняться на стадии технического предложения и эскизного проекта. Каждый сборочный чертеж сопровождают

Рисунок 4.5 Пример выполнения эскиза

спецификацией. Спецификация представляет собой текстовый документ, определяющий состав изделия, состоящего из двух и более частей. Составляют спецификацию на каждую сборочную единицу

В работе выполняется соединение на резьбе. Резьба образуется при винтовом перемещении некоторой плоской фигуры (задающей так называемый профиль резьбы, расположенной в одной плоскости с осью поверхности вращения. Часть резьбы, образованную при одном повороте профиля вокруг оси, называют витком.. Шагом резьбы Р называют расстояние между двумя смежными витками, измеренное вдоль оси резьбы. Винтовая линия бывает правой и левой, поэтому резьба образуется правой или левой. Так как применяется преимущественно правая резьба, то на чертеже оговаривают только левую, добавляя к обозначению резьбы надпись LH.

Как правило, на чертежах резьбу изображают условно, независимо от профиля резьбы, а именно: резьбу на стержне сплошными основными линиями по наружному диаметру резьбы и сплошными тонкими по внутреннему на всю длину резьбы. На профильной проекции по внутреннему диаметру резьбы проводят дугу сплошной тонкой линией, приблизительно равной ¾ окружности и разомкнутую в любом месте.

Стандартные резьбы подразделяются на резьбы общего назначения и специальные. В свою очередь резьбы общего назначения подразделяются на крепежные и ходовые. В обозначениях резьбы всегда указывается наружный диаметр резьбы. Для метрической резьбы в ее обозначении диаметр резьбы соответствует действительному наружно

 

Рисунок 4.6 Пример выполнения сборочного чертежа

Рисунок 4.7 Пример оформления спецификации

 

му диаметру, Условное обозначение крепежных деталей (болтов, винтов, шпилек, гаек) определяется ГОСТ 1759-87

Пример оформления чертежа показан на рисунке 4.6. Пример оформления спецификации показан на рисунке 4.7.

 

 

Библиографический список

 

1. Государственные стандарты Единой системы конструкторской документации. -М.: Издательство стандартов, 1996.-331с

2. Боголюбов С.К. Инженерная графика: Учебник.- 3-е изд., испр. И доп.- М.: Машиностроение, 2006.- 352 с

3. Чекмарев А.А., Осипов В.К. Справочник по машиностроительному черчению.-М.: Высшая школа, 2004.- 671 с


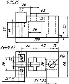
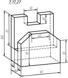
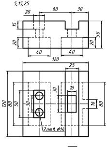
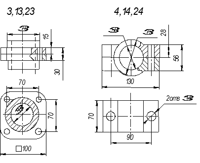
Приложение А

 

   
   

 

 

Продолжение приложения А

Приложение Б

   

 

Продолжение приложения Б

   

 

Продолжение приложения Б

     

 

 

Приложение В

Продолжение приложения В

Продолжение приложения В

 

   

 

Приложение Г

 

Продолжение приложения Г

Продолжение приложения Г

 

 


Поделиться с друзьями:

mylektsii.su - Мои Лекции - 2015-2026 год. (5.816 сек.)Все материалы представленные на сайте исключительно с целью ознакомления читателями и не преследуют коммерческих целей или нарушение авторских прав Пожаловаться на материал