Студопедия

Главная страница Случайная страница

КАТЕГОРИИ:

АвтомобилиАстрономияБиологияГеографияДом и садДругие языкиДругоеИнформатикаИсторияКультураЛитератураЛогикаМатематикаМедицинаМеталлургияМеханикаОбразованиеОхрана трудаПедагогикаПолитикаПравоПсихологияРелигияРиторикаСоциологияСпортСтроительствоТехнологияТуризмФизикаФилософияФинансыХимияЧерчениеЭкологияЭкономикаЭлектроника






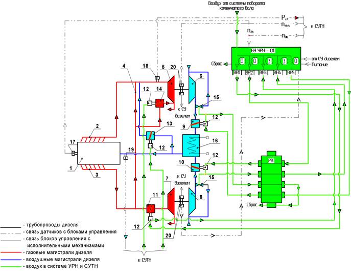
Обозначения элементов системы воздухоснабжения.

1 – дизель; 2 – выпускной коллектор ряда А; 3 – выпускной коллектор ряда В;
4 – трубопровод перепуска газов между выпускными коллекторами; 5 – турбина турбокомпрессора ряда А; 6 – компрессор турбокомпрессора ряда А; 7 – турбина турбокомпрессора ряда В; 8 – компрессор турбокомпрессора ряда В; 9 – воздушная заслонка ряда А; 10 – воздушная заслонка ряда В; 11 – газовая заслонка ряда В; 12 – исполнительный механизм заслонок; 13 – воздушная заслонка перепуска; 14 – газовая заслонка перепуска; 15 – антипомпажный клапан; 16 – охладитель наддувочного воздуха; 17 – датчик частоты вращения коленчатого вала дизеля; 18 – датчик давления газов перед турбокомпрессором ряда А; 19 – датчик давления воздуха в ресивере дизеля; 20 – датчик частоты вращения ротора турбокомпрессора; БУ УРН-01 – блок управления системы УРН (система управления регистровым наддувом); БУ СУТН – блок управления системы СУТН (система управления турбонаддувом); РВ – распределитель воздушный; БЭПП СУТН – блок электропневмопреобразователей системы СУТН; ВН1, ВН2, ВН3, ВН4, ВН5–электропневматические вентили системы УРН; О–вентиль открыт; З - вентиль закрыт; ЛСУ – система управления дизелем;
nдв – показатель частоты вращения коленчатого вала дизеля; nткА(В) – показатель частоты вращения турбокомпрессора ряда А (В); Pint – давление воздуха в ресивере дизеля; PrA – давление газов перед турбокомпрессором ряда А. Поз. 18 и 19 смонтированыв БУ СУТН.


 

Рисунок 1. Схема системы воздухоснабжения.

Рисунок 2 Схема действия системы УРН.

Положение 1 (готовность к пуску дизеля, положение при двух работающих турбокомпрессорах). Заслонки воздушные 9 и 10,
газовая 11 открыты, клапаны 15 закрыты.

 

 

Рисунок 3. Схема действия системы УРН.

Положение 2 (пуск дизеля и работа при отключенном турбокомпрессоре Б). Заслонка воздушная 9 открыта, заслонки воздушная 10 и газовая 11 закрыты, клапаны 15 закрыты.

 

Рисунок 4. Схема действия УРН.

Положение 3 (переход от работы с двумя турбокомпрессорами к работе с одним турбокомпрессором – отключение турбокомпрессора Б). Заслонка воздушная 9 открыта, заслонки воздушная 10 и газовая 11 закрыты, клапан 15 ряда Б открыт.

 

Рисунок 5. Схема действия УРН.

Положение 4 (аварийная остановка – срабатывание предельного выключателя).Заслонки воздушные 9 и 10, газовая 11 закрыты, антипомпажные клапаны 15 открыты.

<== предыдущая лекция | следующая лекция ==>
III. Распределение часов курса по темам и видам работ | Лабораторная работа № 2
Поделиться с друзьями:

mylektsii.su - Мои Лекции - 2015-2026 год. (0.451 сек.)Все материалы представленные на сайте исключительно с целью ознакомления читателями и не преследуют коммерческих целей или нарушение авторских прав Пожаловаться на материал