Студопедия

Главная страница Случайная страница

КАТЕГОРИИ:

АвтомобилиАстрономияБиологияГеографияДом и садДругие языкиДругоеИнформатикаИсторияКультураЛитератураЛогикаМатематикаМедицинаМеталлургияМеханикаОбразованиеОхрана трудаПедагогикаПолитикаПравоПсихологияРелигияРиторикаСоциологияСпортСтроительствоТехнологияТуризмФизикаФилософияФинансыХимияЧерчениеЭкологияЭкономикаЭлектроника






Коэффициент усиления.






В зависимости от целевого назначения усилители имеют коэффициенты:

а) усиления по току Кi =Iвых/Iвх;

б) усиления по напряжению Кu = Uвых/Uвх;

в) усиления по мощности Кр = Pвых/Pвх, где Iвых – ток в нагрузке, Iвх – ток, потребляемый от входного источника сигнала ec, Рвых мощность, выделяемая в нагрузке, Pвх – мощность, потребляемая от входного источника ec.

Для многокаскадных усилителей общий коэффициент усиления равняется произведению коэффициентов усиления отдельных каскадов:

К=K1* К2* …* Кn, (1)

где n – число каскадов.

 

Часто коэффициенты усиления выражают в логарифмических единицах децибелах – дБ, что позволяет заменить произведение коэффициентов усиления суммой их логарифмов и строить логарифмические амплитудно–частотные характеристики (ЛАЧХ) усилителей. Такой подход позволяет исследовать и синтезировать усилители с заданными амплитудными и частотными характеристиками.

Коэффициенты усиления в децибелах:

Ku=20lgKu=20 lg(Uвых/Uвх);

Ku=20lg(Iвых/Iвх);

Ku=10lg(Pвых/Pвх); (2)

 

Полоса пропускаемых частот (полоса пропускания) усилителя. Полосой пропускания называются тот диапазон частот, в пределах которого усилитель обеспечивает заданную величину коэффициента усиления (не ниже чем в корень из 2–х раз от максимального).

Диапазон частот ограничивается верхней и нижней граничной частотами, за пределами которых частотная характеристика усилителя снижается ниже допустимого уровня. Снижение (завал) частотной характеристики происходит из–за наличия в схеме усилителя реактивных элементов, сопротивление которых зависит от частоты сигналов, подаваемых на вход усилителя.

Идеальная амплитудно–частотная характеристика усилителя имеет форму прямоугольника с основанием равным полосе пропускания усилителя и высотой равной Ко. Реальная частотная характеристика в силу указанных выше причин приобретает вид, изображенный на рис. 2.

 

Рис.2 Амплитудно-частотная характеристика усилителя

 

На амплитудно–частотную характеристику усилительного каскада наибольшее влияние оказывают две емкости: емкость разделительного конденсатора и паразитная емкость, нагружающая каскад по переменной составляющей выходного сигнала – Первая из них включена последовательно с входом каскада, вторая – параллельно выходу каскада.

Поскольку емкостное сопротивление конденсатора определяется частотой сигнала:

, (3)

то емкость C1 снижает усиление каскада в области нижних частот, а емкость С2 – в области верхних частот. На средних частотах влиянием емкостей С1 и С2 можно пренебречь и поэтому усиление каскада будет максимальным.

 

Чувствительность усилителя. Чувствительность усилителя определяется той минимальной величиной тока или напряжения на входе усилителя, при которой на выходе усилителя создается номинальная мощность. Под номинальной мощностью обычно понимают мощность, при которой искажения не превышают допустимой величины при работе на расчетную нагрузку.

 

Собственные шумы усилителя. Собственными шумами усилителя называются сигналы на выходе усилителя, которые существуют и при отсутствии полезных сигналов на входе усилителя.

Возникают собственные шумы в результате теплового перемещения зарядов на сопротивлениях и хаотического движения носителей зарядов в области базы транзистора.

Оцениваются собственные шумы по шумовому фактору, равному отношению мощности шума на выходе усилителя к произведению к мощности шума на входе усилителя, помноженному на коэффициент усиления:

Динамический диапазон частот. Динамическим диапазоном усилителя называется отношение величины максимального допустимого сигнала на входе усилителя к минимально – допустимому сигналу на его входе и обычно оценивается в децибелах. Определяется он по линейной части амплитудной характеристики усилителя(рис. 3).

Амплитудная характеристика усилителя не линейна как в области малых, так и в области больших сигналов. В области малых сигналов отклонения от прямой линии связаны с собственными шумами усилителя, в области больших сигналов – с нелинейными искажениями, вносимыми активными усилительными элементами (в основном – перегружающимися транзисторами) при выходе рабочей точки за пределы линейного участка характеристики.

 

Нелинейные искажения. Нелинейными искажениями называют искажения формы усиливаемого сигнала в результате нелинейности вольтамперных характеристик отдельных элементов схемы усилителя (например, транзисторов, катушек индуктивности с ферромагнитными сердечниками и т.д.). Причиной появления значительных нелинейных искажений может быть или неправильный выбор начального положения рабочей точки транзистора, или чрезмерно большая величина входного сигнала, или неправильно рассчитанная индуктивность.

Проявляются нелинейные искажения в том, что при подаче на вход усилителя чисто синусоидального сигнала, на его выходе появляются новые гармонические составляющие, искажающие форму первоначального сигнала.

Оцениваются нелинейные искажения по коэффициенту гармонии, равному отношению геометрической суммы n напряжений высших гармоник Ui к амплитуде первой гармоники U1 на выходе усилителя:

(4)

В практических расчетах обычно ограничиваются несколькими первыми гармониками, поскольку амплитудные значения гармонии более высоких порядков незначительны.

Линейные искажения. К линейным искажениям относятся частотные и фазовые искажения. Частотные искажения оцениваются по амплитудно–частотной характеристике усилителя (см. рис.2).

Мерой частотных искажений служит коэффициент частотных искажений, определяемый как отношение коэффициента усиления на средних частотах к коэффициенту усиления на данной частоте.

Обычно при расчетах значения коэффициентов на данных граничных частотах принимаются равными друг другу. В этом случае коэффициент частотных искажений определяется как:

 

(5)

 

Фазовые искажения возникают в результате неодинакового времени прохождения отдельных гармонических составляющих сложного сигнала через реактивные элементы схемы усилителя.

В результате на выходе усилителя образуются фазовые (во времени) сдвиги гармонических составляющих

График зависимости угла сдвига фаз от частоты усиливаемого сигнала называется фазовой характеристикой усилителя.(рис.13-4)

 

Рис..3.Амплитудная характерисика усилителя

Рис.4. Фазовая характеристика усилителя.

 

 

Переходные искажения. Переходные искажения играют существенную роль в импульсном усилителе. Эти искажения вызваны переходными процессами в цепях усилителя содержащих реактивные элементы, а также инерционностью активных усилительных элементов (рис. 5).

Переходные искажения оцениваются по переходным характеристикам усилителя, представляющим собой зависимость мгновенного значения выходного напряжения от времени при подаче на вход усилителя единичной ступени напряжения (скачка напряжения) Uвх.

Переходные искажения подразделяются на искажения фронтов и вершин усиливаемых импульсов. Искажения фронтов импульса характеризуются временем установления - tф, т.е. временем, в течение которого амплитуда выходного сигнала возрастает от 0, 1 до 0, 9 своего максимального значения. Искажения плоской вершины выходного импульса характеризуются выбросом d и спадом плоской вершины импульса .

Рис.5. Переходная характеристика усилителя

Перед рассмотрением вопроса принципа работы усилителного каскада необходимо рассмотреть динамические характеристики усилительного каскада, в котором транзистор включен по схеме с ОЭ и когда вход и выход схемы подключены к источникам смещения и .(рис 6)

 

Рис. 6 Простейшая схема усилительного каскада, включенного по схеме с ОЭ.

 

Если на вход не подан сигнал, то по второму закону Киргофа

(6)

или

(7)

Это уравнение динамического режима или уравнение нагрузочной прямой.

Принцип работы усилительного каскада. Принцип работы усилителя рассмотрим на примере усилительного каскада (рис. 7)

Здесь происходит усиление как по току, так и по напряжению.

а , следовательно

, т.е. и

 

 

Рис. 7. Принцип работы усилительного каскада

Пусть на выход подается синусоидальный сигнал.

 

(.8)

Если на вход подается положительный потенциал, то транзистор закрыт (отсечка), тогда , т.к. (см. уравнение 7.) Если на базу подается отрицательный потенциал (участок ав), то транзистор открыт (насыщение), тогда повторяет , но с большей амплитудой и в противофазе

(9)

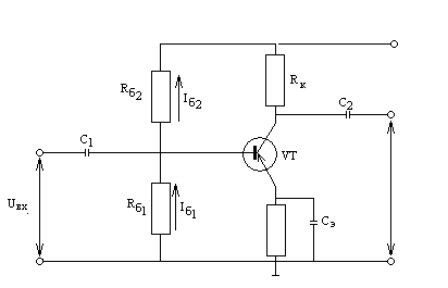
Итак, при подаче на вход усилительного каскада небольшого переменного напряжения на выходе получается усиленный источником питания сигнал той же формы. Однако амплитуда не может превысить . Таким образом, имея транзистор можно при помощи маломощного источника переменного входного напряжения , управлять энергией источника питания (). Если к усилительному каскаду добавить Rб1, а так же термостабилизирующую цепочку Rэ и Сэ, то получают полную схему одиночного усилительного каскада. (рис. 8). Также усилители имеют частотный спектр сигнала от десятков Гц до десятков кГц и называются усилителями низкой частоты (УНЧ).

 

Рис..8. Полная схема одиночного усилительного каскада с общим эмиттером (УНЧ).

силенный источником питания нияа на бациал (0ф

1) и - резисторы, которые образуют делители напряжения питания.

Прежде чем подать на вход схемы переменное входное напряжение, необходимо обеспечить определенный режим работы транзистора по постоянному току. Эммитерный p-n – переход смещен в прямом направлнии (, а коллекторный – в обратном . Напряжение от , падающее на , создает , определяющее рабочую точку А.

Обычно . В этом случае при изменении напряжение смещения на базе остается постоянным, что обеспечивает активный режим транзистора.

Сопротивление делителя:

; (10)

2) - резистор нагрузки, обемпечивающий режим работы транзистора. На выделяется мощность усиливаемого сигнала.

3) и - разделительные конденсаторы. не дает возможности постоянному току протекать через источник входного сигнала. - на пропускает постоянную составляющую тока в следующий усилителный каскад.

4) - цепочка предназначена для термостабилизации режима работы усилительного каскада.

 

 

Динамическая характеристика каскада усилителя и режимы его работы. Рабочая точка. Построение выходной характеристика позволяет определить ток, протекающий по цепи и, следовательно, падение напряжений на каждом участке цепи.

Для построения выходной характеристики (нагрузочной линии) (рис. 11) на семействе выходных статических характеристик можно воспользоваться методом холостого хода и короткого замыкания. При коротком замыкании транзистора ток в цепи нагрузки будет равен (точка a на оси ординат), а при холостом ходе ток в цели будет равен 0, на резисторе R не будет падения напряжения и напряжение на коллекторе транзистора будет равно напряжению питания (точка b на оси абсцисс).

Прямая, соединяющие точки a и b и будет динамической характеристикой (или нагрузочной линией). Рабочая точка А – это точка пересечения нагрузочной прямой с выбранным значением Iб.

Для определения входного напряжения (Uбэ) строят входную динамическую характеристику на семейство входных статистических характеристик (рис. 11).

В состоянии покоя (Uвх=0), в цепи БЭ протекает ток покоя Iбо, а напряжение Uбэ=Uбо. Это электрическое состояние входной цепи каскада можно изобразить в виде точки С на входной динамической характеристике и ей соответствует выходной динамической характеристике также точка С (Uко, Iко). Также точка называется рабочей точкой. Если Uвх превышает величину, составляющую линейному участку 1, 2 входной динамической характеристики, то возникает искажение форм входного сигнала.

 

Рис.11.Режимы работы усилительного каскада.

 

Пересечение, полученной нагрузочной линии и вольтамперной характеристики транзистора по заданным базовым током Iбр, определяемым величиной резистора в цепи базы , задает начальное положение рабочей точки С, координаты которой характеризуют ток покоя Iкр, протекающий по цепи и падение напряжений на каждом из участков цепи (на активном сопротивлении URk и на транзисторе Uкэп.

При появлении на входе усилительного каскада сигнала переменного напряжения Uвх, постоянный ток в цепи базы начнет алгебраически суммироваться с изменяющимся током входного сигнала. Рабочая точка С при этом начнет перемещаться по нагрузочной линии в пределах, определяемых амплитудой тока входного импульса. Перемещение рабочей точки С будет вызывать изменение коллекторного тока и коллекторного напряжения Uкэ. Если перемещение рабочей точки не достигнет пределов, отмеченных цифрами 1 и 2 на нагрузочной линии, то усиленный ток в выходной цепи транзистора будет протекать через резистор Rk в течение всего периода изменения входного сигнала. Транзистор при этом будет работать в активной области, без отсечки или насыщения коллекторного тока. Такой режим работы транзистора называется режимом усиления малого сигнала или режимом усиления класса «А» (иногда режим усиления называют классом).

Если же рабочая точка в результате соответствующего выбора ее начального положения или слишком большой амплитуды входного сигнала окажется в области насыщения, то на оба перехода транзистора попадет смещение в прямом направлении, оба р–n перехода транзистора полностью откроются и транзистор почти целиком будет пропускать коллекторный ток. Причем дальнейшее увеличение амплитуды входного сигнала уже не будет вызывать дальнейшего увеличения коллекторного тока. При положении рабочей точки в области отсечки оба р–n перехода транзистора закроются. Он скажется в запертом состоянии и практически не будет пропускать коллекторный ток.

Таким образом, в зависимости от начального положения рабочей точки и амплитуды входного сигнала, ток в нагрузке может протекать либо в течение всего периода изменения входного сигнала, либо в течение какой–то определенной части этого периода.

В зависимости от этого различают три основных режима усиления классов: «А», «В», «С», «АВ», «Д».

Количественно режимы усиления характеризуются величиной угла отсечки Q. Под углом отсечки понимают половину той части периода, в течение которой протекает ток через выходную цепь усилительного элемента.

Очевидно, что для режима усиления класса «А», рассмотренного выше(рис.11), угол отсечки Q составляет 180°. В режиме усиления класса «В» угол отсечки составляет Q – 90°, в режиме усиления класса «С» угол отсечки Q меньше 90°.

Режим усиления класса «А» обеспечивает минимальные искажения усиливаемого сигнала, однако он неэкономичен по расходованию энергии источников питания, поскольку в этом режиме постоянная составляющая тока все время проходит через выходную цепь усилительного каскада. Поэтому транзисторные схемы, работающие в режиме усиления класса «А», применяются в основном каскадах предварительного усиления.

В каскадах усиления мощности, в тех случаях, когда в нагрузку требуют отдать наибольшую мощность усиливаемого сигнала при минимальном расходовании энергии источников питания, применяется режим усиления класса «В», обладающий высоким коэффициентом полезного действия (до 70–75%).

Поскольку усилительные каскады, работающие в режиме усиления класса «В», пропускают только одну полуволну усиливаемого напряжения, то в выходных каскадах усилителей применяют двухтактные симметричные каскады, позволяющие получить высокий коэффициент полезного действия при допустимых нелинейных искажениях. (рис. 12).

 

 

 


Рис. 12. Работа усилительного каскада в режиме усиления класса «В».

Режим класса «С» применяют в мощных усилителях. Этот режим характерен тем, что ток коллектора протекает в течении промежутка времени, которое меньше периода входного сигнала, а ток покоя не наблюдается () рис. 13.

 

 


Рис. 13. Работа каскада в режиме усиления класса «С».

 

Стабилизация положения рабочей точки. Основные свойства усилительного каскада определяются положением начала рабочей точки, которые задает ток покоя выходной цепи Iок. Поэтому при изменении температуры, замене активного элемента и т.д. положение рабочей точки не должно изменяться.


Поделиться с друзьями:

mylektsii.su - Мои Лекции - 2015-2026 год. (3.829 сек.)Все материалы представленные на сайте исключительно с целью ознакомления читателями и не преследуют коммерческих целей или нарушение авторских прав Пожаловаться на материал