Студопедия

Главная страница Случайная страница

КАТЕГОРИИ:

АвтомобилиАстрономияБиологияГеографияДом и садДругие языкиДругоеИнформатикаИсторияКультураЛитератураЛогикаМатематикаМедицинаМеталлургияМеханикаОбразованиеОхрана трудаПедагогикаПолитикаПравоПсихологияРелигияРиторикаСоциологияСпортСтроительствоТехнологияТуризмФизикаФилософияФинансыХимияЧерчениеЭкологияЭкономикаЭлектроника






Пример 5.






Груз массой m = 20 кг (рис.7) движется вниз по наклонной плоскости, проходит путь S = 12 м за время t = 2 с. Считая движение груза равноускоренным с начальной скоростью vo = 0 м/с, определить величину силы Т, если коэффициент трения равен f = 0, 3.

Решение: из уравнения равноускоренного движения находим ускорение груза:

 

S = vo · t + ɑ · t2 При vo = 0 получаем ɑ = 2S = 2 · 12 =   = 6 м/с
  t2 22  

 

На груз действуют следующие силы:

G = m · g – сила тяжести груза;

N – реакция плоскости;

Fтр = f · N – сила трения;

Т – действующая сила.

 

Приложим к этим силам силу инерции Fин = m · ɑ, направленную противоположно ускорению ɑ. Пользуясь принципом Даламберо (методом кинетостатики), считаем силы, действующие на груз, взаимно уравновешенными. Для полученной сходящейся системы сил составляем уравнение равновесия:

 

Ʃ FRX = T · cos 15o + G · sin 30o – Fтр – Fин = 0; (1)

 

Ʃ FRУ = Т · sin 15o + G · cos 30o + N = 0; (2)

 

Из уравнения (2) находим реакцию N: N = - T · sin 15o + G · cos 30o; Fтр = f · N.

Подставляем это выражение в уравнение (1)

 

T · cos 15o + G · sin 30o + f · T · sin 15o – f · G · cos 30o – Fин = 0.

 

Учитывая, что G = mg, получим

 

T · cos 15o + mg · sin 30o + f · T · sin 15o – f · mg · cos 30o – ma = 0;

 

T · (cos 15o + f · sin 15o) = ma + f · mg · cos 30o – mg · sin 30o.

 

Отсюда находим, что

Т = m · (ɑ + f · q · cos 30o – q · sin 30o
Cos 15o – f · sin 15o

 

Подставляя числовые данные, считая g = 10 м/с2.

 

Т = 20 (6 + 0, 3 · 10 · 0, 866 – 10 · 0, 5) = 71, 96 ≈ 68, 9 Н
0, 966 + 0, 3 · 0, 259 1, 044

 

Ответ: сила Т = 68, 9 Н.

 

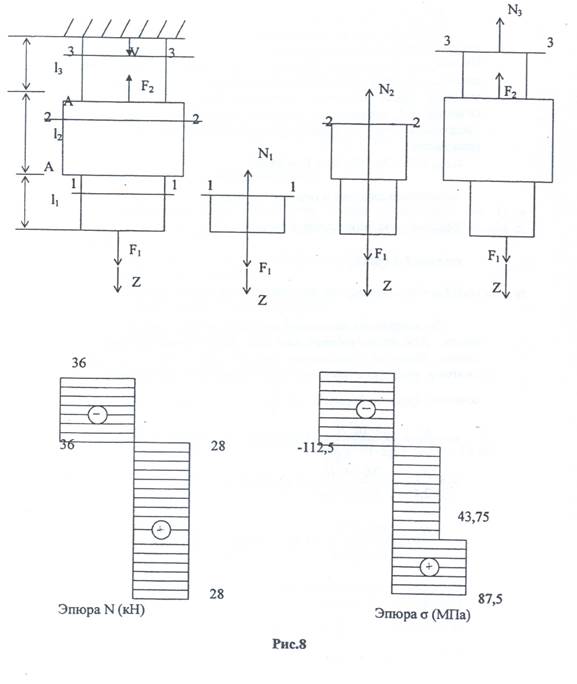
Пример 1 (для контрольной работы № 2).

Для данного ступенчатого бруса построить эпюры продольных сил и нормальных напряжений. Определить абсолютное удлинение (укорочение) бруса (рис.8)

Дано: F1 = 28 кН; F2 = 64 кН; 11 = 2, 4 м; 12 = 2, 2 м; 13 = 2, 0 м; А = 3, 2 см2; Е = 2, 1 х 105 Па.

 

Решение:

Проводим ось Z в сторону свободного конца бруса и определяем реакцию заделки V.

 

Ʃ FRZ = F1 – F2 + V = 0; V = - F1 + F2 = - 28 + 64 = 36 кН.

 

Разбиваем груз на участки, границы которых определяются сечениями, где изменяется площадь поперечного сечения или приложены внешние силы. На каждом из участков проводим характерные сечения 1-1; 2-2; 3-3. С помощью метода сечений определяем продольные силы на каждом из участков бруса: мысленно рассекаем брус в пределах первого участка сечением 1-1, отбрасываем верхнюю часть бруса и заменяем ее действие продольной силой N1 (рис.7), для оставшейся части составляем уравнение равновесия:

 

Ʃ FRZ = F1 – N1 = 0; Т1 = А1 = 28 кН.

 

Аналогично находим и сечение 2-2 (рис.8)

 

Ʃ FRZ = F1 – N2 = 0; N2 = F1 = 28 кН.

 

сечение 3-3 (рис.8)

 

Ʃ FRZ = F1 – F2 – N3 = 0; N3 = F1 – F2 = 28 – 64 = - 36 кН.

 

По найденным значениям продольной силы строим соответствующую эпюру. Для этого параллельно оси бруса проведем базовую (нулевую) линию. Левее ее откладываем отрицательные значения, соответствующие сжатому участку, а правее – положительные напряжения в характерных сечениях бруса по формуле:

σ = N
A

 

σ 1 = N1 = 28 · 103 Н = 87, 5 Н/мм2 МПа;
A 3, 2 · 10 2 мм2

 

σ 2 = N2 = 28 · 103 Н = 43, 75 МПа;
2A 2 · 3, 2 · 10 2 мм2

 

σ 3 = N3 = 36 · 103 Н = - 112, 5 МПа;
A 3, 2 · 10 2 мм2

 

Строим соответствующую найденным значениям эпюру (рис.8).

Определяем абсолютное удлинение бруса.

В соответствии с законом Гука:  
Δ 1 = N · Ɩ = σ Ɩ ,
E · A E

 

Где Е = 2, 1 · 105 МПа – модель продольной упругости для стали.

Складывая удлинения участков, получим:

 

Δ 1 = σ Δ 1к = σ 1 Ɩ 1 + σ 2 Ɩ 2 + σ 3 Ɩ 3 или Δ 1 =   · (σ 1-1 + σ 2-2 + σ 3-3)
Е Е Е Е

 

Учитывая, что 1 м = 103 мм, будем иметь:

 

Δ 1 = 103 · (87, 5 · 2, 4 + 43, 75 · 2, 2 – 112, 5 · 2, 0) = 0, 39 мм
2, 1 · 105

 

Абсолютное удлинение бруса Δ 1 = 0, 39 мм.

 

Пример 2 (для контрольной работы № 2).

Для двутавровой балки построить эпюры поперечных сил Q и изгибающих моментов М. Подобрать сечение стального двутавра, приняв σ у = 160 МПа.

Дано: F1 = 24 кН; F2 = 36 кН; 11 = 2, 0 м; 12 = 3, 0 м; 13 = 3 м; m1 = 18 кН· м; m2 = 24кН· м.

Решение. Составляем уравнения равновесия параллельной системы сил, из которых определяем опорные реакции балки.

_

Ʃ МА (FR) = F1 2, 0 + m1 + F2 3, 0 – m2 – VB 6, 0 = 0; (1)

_

Ʃ МB (FR) = F1 8, 0 + m1 + VA 6, 0 – F2 3, 0 – m2 = 0; (2)

 

Из уравнения (2) находим VA:

 

VA = -F · 8 – m1 + F2 · 3, 0 + m2 = -192 – 18 + 108 + 24 = -   = - 13 кН.
6, 0 6, 0  

 

 

Из уравнения (1) находим VB:

 

VВ = F1 · 2, 0 + m1 + F2 · 3, 0 - m2 = 48 + 18 + 108 - 24 =   = 25 кН.
6, 0 6, 0 6, 0

 

Проверяем правильность определения опорных реакций, составляя сумму проекций всех сил на ось У

Ʃ FRУ = F1 + VA – F2 + VB = 24 – 13 – 36 + 25 = 0, т.е. реакции определены верно.

Определяем значения поперечной силы Q в характерных сечениях балки, которые обозначим цифрами 1, 2, 3, 4 (рис.9а).

Q1 = Q2лев = F1 = 24 кН;

Q2прав = Q3 = F1 – VA = 24 – 13 = 11 кН;

Q3прав = Qнтв = F1 + VA – F2 – VB = - 25 кН;

Q4прав = F1 + VA – F2 + VB = 0.

 

По найденным значениям строим эпюру поперечных сил Q (рис.9б). определяем значения изгибающего момента М в характерных сечениях балки:

 

М1 = 0;

 

М2лев = F1 · 20 = 48 кН · м;

 

М2прав = М2тв + m1 = 48 + 18 = 66 кН · м;

 

М3 = F1 · 5, 0 + m1 + VA · 3, 0 = 120 + 18 – 39 = 99 кН · м;

 

М4прав = m2 = 24 кН · м;

 

М4прав = 0.

 

По найденным значениям строим опору изгибающих моментов М (рис.10). по эпюре изгибающих моментов положение опасного сечения балки (сечения, в котором изгибающий момент имеет наибольшее значение по абсолютной величине).

В нашем случае это сечение 3, где

М3 = Мmax = 99 кН · м.

 

  Из условия прочности балки на изгиб   σ = Mmdx ≤ [σ y] вычисляем необходимый
Wx

осевой момент сопротивления:

 

Wx = Mmax = 99 · 106 H · мм = 0, 619 · 106 мм 3 = 619 см3
y] 160 Н/мм2

 

В соответствии с ГОСТ 8239 – 72 принимаем сечение из стального двутавра № 33 с Wx = 597 см2.

Имеем напряжение:

 

σ = Mmax = 99 · 106 H · мм = 165, 8 МПа;
Wy 597 · 103 мм3

 

σ = σ max – [σ y] = 165 - 160 · 100 % = 3, 6 % < 5 %,
y]  

 

Что находится в разрешенных пределах (менее 5 %).

 

Ответ: сечение балки – двутавр № 33.

 


Поделиться с друзьями:

mylektsii.su - Мои Лекции - 2015-2026 год. (0.882 сек.)Все материалы представленные на сайте исключительно с целью ознакомления читателями и не преследуют коммерческих целей или нарушение авторских прав Пожаловаться на материал