Студопедия

Главная страница Случайная страница

КАТЕГОРИИ:

АвтомобилиАстрономияБиологияГеографияДом и садДругие языкиДругоеИнформатикаИсторияКультураЛитератураЛогикаМатематикаМедицинаМеталлургияМеханикаОбразованиеОхрана трудаПедагогикаПолитикаПравоПсихологияРелигияРиторикаСоциологияСпортСтроительствоТехнологияТуризмФизикаФилософияФинансыХимияЧерчениеЭкологияЭкономикаЭлектроника






Приведите механической характеристики АД при импульсном управлении изменением продолжительности включения сопротивления в цепи статора.






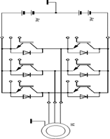
Схема импульсного регулирования скорости вращения асинхронного двигателя

Импульсное регулирование скорости производится путем периодического включения двигателя в сеть и отключения его от сети или путем периодического шунтирования с помощью контактора К сопротивлений, включенных последовательно в цепь статора, или полупроводниковых вентилей. При этом двигатель беспрерывно находится в переходном режиме ускорения или замедления скорости вращения ротора и в зависимости от частоты и продолжительности импульсов работает с некоторой, приблизительно постоянной скоростью вращения. Подобное регулирование скорости применяется только для двигателей весьма малой мощности

________________________________

70 Приведите одну из схем, реализующую импульсное управление АД и его механическую характеристику.Имеется общая схема силовой части импульсного управления 3-х фазным асинхронным двигателем в электромобиле.

_______________________________

71 Поясните, чем определяется падение напряжения при питании АД от трансформа­тора соизмеримой мощности.

При питании асинхронного двигателя от автономного источника электроэнергии небольшой мощности (транспортные установки, передвижные электростанции) частота и напряжение сети, к которой подключают двигатель, могут отличаться от номинальных. Рассмотрим влияние изменения частоты на работу двигателя при условии, что напряжение U 1 = U ном = const.

Если принять U 1Е l, то

Фm = U1 /(4, 44f1 w1 ko61). (1)

имеем, что

I2 = М/(см Фт cos ψ 2). (2)

Следовательно, изменение частоты f1 приводит к изменению потока Фт и соответствующему изменению тока ротора I 2 и нагрузочной составляющей I' 2 тока статора. При уменьшении частоты магнитный поток и ток холостого хода I 0 увеличиваются, причем ток I 0 из-за насыщения стали магнитопровода возрастает быстрее, чем магнитный поток. Обычно уменьшение частоты f 1 на 10 % вызывает увеличение тока I 0 на 20—30%. Поскольку ток I 0 является практически реактивным, это приводит к снижению коэффициента мощности двигателя.

При увеличении частоты f 1 пропорционально возрастает частота вращения п 2. Если нагрузка двигателя имеет «вентиляторную» характеристику, то нагрузочный момент возрастает пропорционально квадрату или кубу частоты вращения, т. е. частоты f 1. Кроме того, магнитный поток Ф т уменьшается обратно пропорционально изменению частоты. Все это, согласно (2), приводит к резкому увеличению тока I 2. При возрастании частоты на 10% ток ротора двигателя, вращающего вентилятор, увеличивается примерно в 1, 5 раза, что может привести к перегреву двигателя

________________________________

73 Дайте пояснение, чем определяется падение напряжения на клеммах АД при под­ключении дополнительной нагрузки.

Когда длина кабеля между преобразователями частоты и двигателем более 10 м, это приводит к падению напряжения на его клеммах, уменьшая вращательный момент двигателя и увеличивая ток, что может привести к его перегреву. Как правило, величина падения напряжения между преобразователем частоты и электродвигателем не должна превышать 3%. Для уменьшения величины падения напряжения на линии можно использовать вставку кабеля большего диаметра

_________________________________


Поделиться с друзьями:

mylektsii.su - Мои Лекции - 2015-2026 год. (0.542 сек.)Все материалы представленные на сайте исключительно с целью ознакомления читателями и не преследуют коммерческих целей или нарушение авторских прав Пожаловаться на материал