Студопедия

Главная страница Случайная страница

КАТЕГОРИИ:

АвтомобилиАстрономияБиологияГеографияДом и садДругие языкиДругоеИнформатикаИсторияКультураЛитератураЛогикаМатематикаМедицинаМеталлургияМеханикаОбразованиеОхрана трудаПедагогикаПолитикаПравоПсихологияРелигияРиторикаСоциологияСпортСтроительствоТехнологияТуризмФизикаФилософияФинансыХимияЧерчениеЭкологияЭкономикаЭлектроника






Алгоритми роботи контролера






Баган Тарас Григорович

Кобус Тетяна Юріївна

 

 

Відповідальний

редактор Голінко Ігор Михайлович

 

 

Пропоновані методичні вказівки містять пояснення та рекомендації щодо виконання лабораторних робіт на стенді № 1 " Система вентиляції повітря" з курсу " Автоматизації теплоенергетичних процесів та виробництв" для студентів спеціальностей " Автоматизоване управління технологічними процесами" та " Комп’ютерно-інтегровані технологічні процеси і виробництва", а також для всіх бажаючих ознайомитись та освоїти роботу автоматичних систем управління кондиціонуванням та вентиляції на базі техніки виробництва ТОВ " РАУТ-автоматік".

 

 

Київ НТУУ «КПІ» – 2012 рік


ЗМІСТ

Стор.

ОПИС СТЕНДУ.. 4

Процес вентиляції та його реалізація на стенді 4

Алгоритми роботи контролера. 9

МОДЕЛЬ ТЕХНОЛОГІЧНОГО ПРОЦЕСУ.. 13

МОЖЛИВОСТІ ІНТЕРФЕЙСУ СТЕНДА.. 15

Інтерфейс програми моделі об’єкта. 15

SCADA система. 16

ІНСТРУКЦІЇ ПО РОБОТІ ЗІ СТЕНДОМ.. 26

ЛАБОРАТОРНА РОБОТА № 1А Дослідження процесу вентиляції та кондиціювання повітря в зимовий період як об’єкта автоматизації 29

ЛАБОРАТОРНА РОБОТА № 1Б Дослідження процесу вентиляції та кондиціювання повітря в літній період як об’єкта автоматизації 32

ЛАБОРАТОРНА РОБОТА № 2 Регулювання температури припливного повітря в режимі " Зима". 34

ЛАБОРАТОРНА РОБОТА № 3 Регулювання температури припливного повітря в режимі " Літо". 40

ЛАБОРАТОРНА РОБОТА № 4 Дослідження системи підтримки температури повітря в приміщенні в режимі " Зима". 44

ЛАБОРАТОРНА РОБОТА № 5 Дослідження системи підтримки температури повітря в приміщенні в режимі " Літо". 47

ДОДАТОК А Стисла інструкція до контролеру Aeroclim 7 Plus. 50

I. Елементи управління та індикації контролера. 50

II. Призначення кнопок. 51

III. Доступ до функцій та меню.. 51

IV. Переміщення по вікнам. 58

V. Доступ до інженерного меню.. 60

VI. Зміна параметрів. 60

VII. Поточні параметри. 61

ПЕРЕЛІК ЛІТЕРАТУРИ.. 62


ОПИС СТЕНДУ

Процес вентиляції та його реалізація на стенді

В теперішній час автоматизація та диспетчеризація інженерних систем, зокрема офісних будівель, набуває все більшого розмаху, тому стає актуальною проблема навчання студентів роботі з сучасним обладнанням для автоматизації та системами диспетчеризації. З цією метою для дослідження процесів вентиляції та кондиціювання повітря в приміщеннях був створений стенд на базі техніки від компанії «РАУТ-Автоматик».

Даний стенд складається з контролеру, який керує процесами вентиляції, пристрою зв’язку з об’єктом та персонального комп’ютера, на якому встановлено модель об’єкта керування та SCADA система.

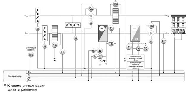
Схема технологічного процесу, реалізована у складі стенда, представлена на Мал. 1.

Мал. 1. Схема технологічного процесу

Технологічний процес кондиціювання повітря призначений для забезпечення заданої температури повітря в приміщенні. Установка складається з наступних елементів:

• припливного повітроводу – 1;

• витяжного повітроводу – 2;

• водяного підігрівача повітря (калорифера) – 3;

• охолоджувача повітря з компресорно-конденсаторним блоком – 4;

• механічних фільтрів – 5;

• припливного вентилятора – 6;

• витяжного вентилятора – 7;

• камери змішування (рекуператора) с заслінками:

- припливного – 8;

- витяжного – 9;

- рециркуляційного повітря – 10;

• циркуляційного насосу – 11.

В системі встановлені наступні засоби керування:

• припливна, витяжна та рециркуляційна заслінки з можливістю встановлення значення відкриття від 0 до 100% (припливна та витяжна заслінки підключені в протифазі з рециркуляційною заслінкою, тобто при відкритті припливної та витяжної заслінки на 100%, рециркуляційна заслінка закриється повністю і навпаки);

• триходовий клапан теплоносія підігрівача повітря з можливістю встановлення значення відкриття від 0 до 100%;

• пускач компресорно-конденсаторного блоку;

• пускачі насосу та вентиляторів.

В системі встановлені датчики наступних параметрів:

• температури повітря на вулиці, в приміщені, припливного повітря та зворотного теплоносія.

• манометричні сигналізатори для контролю роботи вентиляторів та забруднення фільтрів (контролер, встановлений на стенді, не має входів для підключення сигналізаторів забрудненості фільтрів);

• термостат для контролю температури повітря за підігрівачем повітря.

Структура стенда зображена на Мал. 2. Сама система вентиляції в приміщені реалізована за допомогою моделі об’єкту, яка знаходиться на персональному комп’ютері. Модель отримує по інтерфейсу RS-485 по протоколу ЮНИВЕРС керуючі параметри з контролеру:

• поточне положення триходового клапану;

• стан циркуляційного насосу та компресорно- конденсаторного блоку;

• забрудненість фільтру;

• ступінь відкриття припливної, витяжної та рециркуляційної заслінок.

Відповідно до отриманих даних модель робить обрахунки та видає в мережу значення температур:

• в приміщенні;

• припливного повітря;

• зворотного теплоносія

такі, якими б вони були, якби це була справжня система, а не її імітація.

Температури по інтерфейсу RS-485 по протоколу ЮНИВЕРС приймає пристрій зв’язку з об’єктом (ПЗО), який в нашому випадку реалізований на базі вільно програмованого контролеру MaxyCon base компанії «РАУТ-Автоматик». Даний контролер був запрограмований таким чином, що температури, які були обраховані моделлю, встановлюються на аналогових виходах 0-10 В. Для кожної температури є свій діапазон. Для температури зовнішнього повітря 0 В відповідає -30 º С, а 10 В – +40 º С, для зворотного теплоносія 0 В – 0 º С, 10 В – 70 º С, для температур припливного повітря та повітря в приміщенні 0 В – 10 º С, 10 В – 40 º С. Аналогові виходи пристрою зв’язку з об’єктом підключені до аналогових входів керуючого контролеру, які також налаштовані на сигнал 0-10 В. Таким чином контролер «вважає», що до нього підключені справжні датчики температури і відповідно його робота наближена до реальних умов.

Мал. 2. Структура стенду

 

Відповідно до того, які температури виміряв контролер, він і діє відповідним чином. Так, наприклад, в режимі «зима», при температурі припливного повітря меншій за задане значення, він почне відкривати триходовий клапан для її підняття, а за високої в режимі «літо» - збільшить період роботи ККБ. Нові значення положення клапанів та заслінок знову ж передаються по мережі на модель, де вона обраховує нові значення температур на об’єкті відповідно до нових даних, які далі передаються на ПЗО, встановлюються на виходах ПЗО, сприймаються контролером і цикл повторюється.

Паралельно з моделлю об’єкту на персональному комп’ютері встановлено SCADA-систему ESM від компанії «РАУТ-Автоматик». Хоча вона і встановлена на одному комп’ютері з моделлю об’єкта, але між собою вони не взаємодіють. SCADA-система підключена до контролеру та за її допомогою можна керувати процесами або просто спостерігати за поточними параметрами. Взаємодіють між собою контролер та SCADA система через інтерфейс RS-485 та протокол ЮНИВЕРС.

Протокол ЮНИВЕРС є протоколом, який підтримується усім обладнанням від компанії «РАУТ-Автоматик».

Інтерфейс RS-485 перетворюється через шлюз на USB, який вже безпосередньо підключається до комп’ютера.

Контролер встановлений на стенді має назву Aeroclim 7 plus (Мал. 3).

 

Мал. 3. Контролер Aeroclim 7 plus

Контролер «Aeroclim 7 plus» призначений для управління припливно-витяжною установкою у складі:

• повітронагрівач (водяний або електричний);

• повітроохолоджувач (водяний або безпосереднього охолодження з компресорно-конденсаторним блоком);

• рекуператор (камера змішування с заслінками зовнішнього і рециркуляційного повітря та повітря що викидається, або роторний чи перехресно-точний рекуператор);

• припливний та витяжний вентилятори;

• заслінки зовнішнього та витяжного повітря.

Також контролер може керувати прямоточною припливною вентиляційною установкою у складі:

• паровий зволожувач;

• припливний вентилятор;

• заслінка зовнішнього повітря.

Для деяких варіантів складу обладнання необхідна установка додаткового модуля – «AMR-7», для розширення функцій контролера. Контролер, модуль розширення і інтерфейсний модуль (MI-RS-485 або MI-LON-L, при необхідності включення контролера в інтерфейсну мережу), встановлюються тільки на DIN-рейку (DIN EN 50022), закріплену на внутрішню задню панель щита.

При виборі алгоритму управління «Температура», контролер може керувати припливно-витяжною установкою з одним з варіантів повітронагрівача і повітроохолоджувача:

1. Водяний повітронагрівач (клапан і насос) і водяний повітроохолоджувач (клапан і насос).

2. Водяний повітронагрівач (клапан і насос) і компресорно-конденсаторний блок до 2-х секцій.

3. Трисекційний електричний повітронагрівач з дискретним або аналоговим управлінням 1-ої секції (секції різної потужності) і водяний повітроохолоджувач (клапан і насос).

4. Двосекційний електричний повітронагрівач з дискретним або аналоговим керуванням 1-ю секцією і двосекційний компресорно-конденсаторний блок.

5. Трисекційний електричний повітронагрівач з дискретним або аналоговим управлінням 1-ої секції (секції різної потужності) і односекційний компресорно-конденсаторний блок.

6. Трисекційний електричний повітронагрівач з дискретним або аналоговим управлінням 1-ої секції (секції однакової потужності) і двосекційний компресорно-конденсаторний блок.

На стенді реалізована конфігурація контролера з водяним повітронагрівачем (клапан і насос) і компресорно-конденсаторним блоком з однією секцією. Відповідно в режимі «Зима» працює водяний повітронагрівач, а ККБ не працює, в режимі «Літо» навпаки – не працює водяний повітронагрівач, ККБ працює. Заслінки камери змішування працюють у перехідні періоди.

Контролер «Aeroclim 7 plus» виконує такі загальні функції:

1. Одноконтурне чи каскадне регулювання параметрів повітря.

2. Включення/відключення вентиляторів зовнішніми кнопками або з вікна контролера.

3. Ручне управління виконавчими механізмами (ВМ) з меню контролера.

4. Автоматичний перезапуск вентиляторів після збою по електроживлення.

5. Відключення вентиляторів при виникненні аварії.

6. Вибір і налаштування уставок регульованих параметрів, захистів і блокувань.

7. Адаптивне автоматичне налаштування контурів регулювання.

8. Встановлення граничних значень параметрів, що регулюються.

9. Налаштування параметрів ВМ.

10. Налаштування економічних режимів роботи вентиляційної установки.

11. Технологічна та аварійна сигналізація.

12. Ведення архіву подій (стан обладнання, аварійні події).

13. Захист паролем налаштувань контролера.

 

Для реалізованого на стенді варіанту вентиляційної установки контролер додатково виконує наступні функції.

1. Підтримання температури припливного повітря або каскадне підтримання температури повітря в приміщенні з обмеженням температури припливного повітря.

2. Вибір окремих параметрів регулювання температури для режимів «зима» та «літо».

3. Автоматичне або ручне переключення режимів «зима»/«літо».

 

При управлінні водяним повітронагрівачем контролер здійснює:

• Підтримання температури зворотного теплоносія при вимкненому вентиляторі.

• Автоматичне або ручне ввімкнення/вимкнення циркуляційного насосу.

• Прогрів повітронагрівача перед пуском вентилятора в режимі «зима».

• Захист повітронагрівача від заморожування та холодного пуску.

• Можливість автоматичного пуску вентилятора після відключення по сигналу «загроза заморожування».

 

При управлінні компресорно-конденсаторним блоком контролер здійснює:

• Ручне ввімкнення/вимкнення ККБ.

• Видачу дозволу на роботу ККБ в автоматичному режимі роботи.

При роботі с заслінками камери змішування контролер здійснює:

• Забезпечення пропуску мінімальної кількості свіжого повітря шляхом обмеження закриття заслінки зовнішнього повітря.

• Реверсивне управління заслінками у режимі «літо».

 

Алгоритми роботи контролера

Алгоритми роботи контролера в автоматичному або ручному режимах для реалізованого на стенді варіанту вентиляційної установки є наступними.

1. Вентилятори установки знаходяться у вимкненому стані

В автоматичному режимі роботи в режимі «Зима» здійснюється підтримка температури зворотного теплоносія на заданому значенні, дією на регулюючий клапан повітронагрівача (див. керівництво по експлуатації контролера, п. «5.3.1.3.1.2.2. Защита воздухонагревателя», параметр «Тобр. заданная»).

В автоматичному режимі роботи в режимі «Літо» регулюючий клапан повітронагрівача закритий.

В автоматичному режимі роботи в будь-якому з режимів «Зима» або «Літо» заслінка зовнішнього повітря закрита, ККБ відключений.

В автоматичному режимі роботи стан насосу повітронагрівача залежить від обраного режиму його роботи (див. керівництво по експлуатації контролера, п. «5.3.1.3.1.3. Циркуляционный насос воздухонагревателя», параметр «Режим работи насоса»).

У будь-якому з режимів роботи «Автоматичний» або «Ручний», в будь-якому з режимів «Зима» або «Літо» здійснюється захист повітронагрівача від заморожування по температурі зворотного теплоносія (лише у режимі «Зима») і за станом повітряного термостату захисту від заморожування (див. керівництво по експлуатації контролера, п. «5.3.1.3.1.2.2. Защита воздухонагревателя»). В разі спрацьовування захисту клапан повітронагрівача повністю відкривається і вмикається насос.

 


Поделиться с друзьями:

mylektsii.su - Мои Лекции - 2015-2026 год. (2.892 сек.)Все материалы представленные на сайте исключительно с целью ознакомления читателями и не преследуют коммерческих целей или нарушение авторских прав Пожаловаться на материал