Студопедия

Главная страница Случайная страница

КАТЕГОРИИ:

АвтомобилиАстрономияБиологияГеографияДом и садДругие языкиДругоеИнформатикаИсторияКультураЛитератураЛогикаМатематикаМедицинаМеталлургияМеханикаОбразованиеОхрана трудаПедагогикаПолитикаПравоПсихологияРелигияРиторикаСоциологияСпортСтроительствоТехнологияТуризмФизикаФилософияФинансыХимияЧерчениеЭкологияЭкономикаЭлектроника






Синхронизация движения рабочих органов






Для синхронизации движения рабочих органов гидроцилиндров применяют различные методы и способы. Наиболее распространенным является применение делителей потока, которые бывают объемные и дроссельные. Схема синхронизации движения штоков показана на рисунке 3.10.

 

 

 

Рисунок 3.10. Способ синхронизации движения штоков установкой дроссельного делителя потока

 

3.2.7 Схемы соединения гидрораспределителей

 

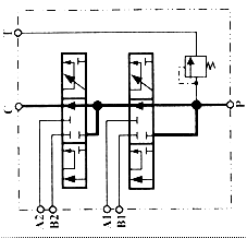
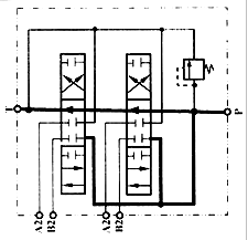
Гидравлические распределители могут иметь параллельное включение (рисунок 3.11, а), последовательное включение (рисунок 3.11, б) и включение по сдвоенной схеме (рисунок 3.11, в).

а) параллельное включение распределителей. Каждый распределитель соединен с каналом Р, все потребители управляются одновременно или в требуемой для производственного цикла последовательности. Распределение рабочей жидкости производится в соответствии с сопротивлением в гидросистеме потребителей;

б) последовательное включение. Для этого включения используется слив предыдущего распределителя. Рабочая жидкость от потребителя 1 сливается в напор распределителя 2 и т.д. Таким образом, потребитель 2 имеет принудительное управление, т.е. скорости потребителей зависят от подачи рабочей жидкости насосом, а рабочие давления суммируются;

в) сдвоенная схема. Подача рабочей жидкости производится через циркуляционный канал. Потребители включаются не одновременно. Эта схема наиболее часто применяется в качестве предохранительной системы.

 

в) сдвоенное включение     А1, А2, В1, В2 - точки подключения потребителей; Р - точка подключения напорной магистрали; Т - точка подключения сливной магистрали слива Рисунок 3.11. Схемы включение распределителей
б) последовательное включение  
а) параллельное включение  

3.2.8 Примеры принципиальных гидравлических схем

1) простая открытая гидросистема (рисунок 3.12)

Насос Н с нерегулируемой производительностью всасывает рабочую жидкость из резервуара и подает ее в гидросистему. Распределитель РУ с ручным управлением находится в нейтральном положении. Рабочая жидкость циркулирует из насоса в бак ГБ почти без напора. Распределитель удерживается в нейтральном положении с помощью двух центрирующих пружин. При включении распределителя (например, в левое положение) рабочая жидкость по левой стрелке распределителя поступает в поршневую полость гидроцилиндра ГЦ. Шток поршня выдвигается. Скорость движения зависит от подачи насоса и площади поршня гидроцилиндра. Усилие, возникающее на штоке, зависит от площади поршня и максимального давления в гидросистеме. Величина максимального давления регулируется с помощью предохранительного клапана КП. Величина рабочего давления колеблется и зависит от сопротивления потребителя и контролируется манометром МН.     ГБ - гидробак; ГЦ - гидроцилиндр; КП - клапан предохранительный; МН - манометр; Н - насос; РУ - распределитель; Ф - фильтр   Рисунок 3.12. Простая открытая гидросистема  

 


2) гидравлическая система последовательного включения (рисунок 3.13)

 

Если в открытой гидросистеме удлинить магистраль слива первого распределителя, то установив на ней один или несколько распределителей, получится последовательное соединение. При последовательном включении необходимо, чтобы сила и скорость включаемых одновременно потребителей регулировалась. Чтобы привести в движение цилиндр ГЦ2, необходимо давление, соответствующее силе сопротивления и площади поршня. Это давление действует на кольцевую поверхность поршня в штоковой полости цилиндра ГЦ1. Таким образом, действующее на цилиндр ГЦ1 давление от насоса складывается из внешнего усилия, действующего на его шток, и давления, определяемое цилиндром ГЦ2. Если давление насоса больше суммы действующих сил и давлений, то выдвигаются штоки обоих цилиндров. Причем скорость движения штока цилиндра ГЦ2 зависит от соотношения площади штоковой полости цилиндра ГЦ1 и площади поршня цилиндра ГЦ2. Циркулирующая жидкость через фильтр Ф сливается в бак.         ГБ - гидробак; ГЦ1, ГЦ2 - гидроцилиндр; КП - клапан предохранительный; МН - манометр; Н - насос; РУ1, РУ2 - распределитель; Ф - фильтр   Рисунок 3.13. Гидравлическая система последовательного включения

3) Гидравлическая система параллельного включения ( рисунок 3.14)

 

ГБ - гидробак; ГЦ - гидроцилиндр одностороннего действия; ГЦД - гидроцилиндр с демпфированием поршня; ГЦТ - гидроцилиндр телескопический; КП - клапан предохранительный; КУ - распределитель кнопочного управления; МН - манометр; Н - регулируемый насос; ОК1, ОК2 - обратный клапан; РУ1, РУ2, РУ3 - распределитель; Т - теплообменный аппарат; Ф - фильтр; ЭД - регулируемый электродвигатель;

 

Рисунок 3.14. Гидравлическая система параллельного включения

 

 

Насос Н, подача которого регулируется с помощью регулируемого двигателя ЭД, всасывает отфильтрованную жидкость и подает ее в гидросистему. Через магистральные ответвления и распределители РУ1, РУ2 и РУ3 рабочая жидкость поступает в гидроцилиндры ГЦ1, ГЦД и ГЦТ. Распределители и потребители расположены параллельно.

На схеме распределители РУ1 и РУ2 в нейтральном положении находятся в среднем положении и перекрывают точки подключения Р, А, В и Т. Распределитель РУ3 находится в крайнем правом положении, при этом точка подключения Р перекрыта.

Клапан ограничения давления КП регулирует давление в гидросистеме перед распределителями. Давление контролируется манометром МН, подключенным к систем через 3/2 - распределитель кнопочного управления КУ.

В качестве потребителей на схеме изображены: телескопический гидроцилиндр двухстороннего действия ГЦТ, дифференциальный гидроцилиндр двухстороннего действия ГЦД с постоянным демпфированием поршня и гидроцилиндр одностороннего действия с возвратной пружиной ГЦ.

При включении нескольких гидроцилиндров одновременное движение всех штоков может быть лишь в том случае, если имеется достаточное количество рабочей жидкости, с помощью которой поддерживается необходимое рабочее давление.

В противном случае давление устанавливается по минимальному сопротивлению, т.е. вначале выдвигается шток цилиндра с минимальным сопротивлением. Когда шток первого цилиндра достиг конечного положения, давление нарастает, достигая величины, требуемой для выдвижения штока следующего цилиндра. Выдвижение штоков происходит поочередно в зависимости от давления, требуемого для преодоления нагрузки.

Кондиционирование параметров жидкости в баке осуществляется фильтром Ф и теплообменным аппаратом Т.

4) гидравлическая система с трехкаскадным дистанционным ограничением давления ( рисунок 3.15)

 

ВН - вентиль; ГБ - гидробак; ГЦД - гидроцилиндр с демпфированием поршня; КП1, КП2, КП3 - клапан предохранительный; МН - манометр; Н - насос;
РУ1, РУ2 - распределитель;

 

Рисунок 3.15. Гидравлическая система с трехкаскадным
дистанционным ограничением давления

 

Если в гидравлической установке возникает необходимость применить управление давлением (например, трехкаскадное управление), то это делается путем подключения двух дополнительных клапанов ограничения давления или двух клапанов предварительного управления. На рисунке изображен клапан ограничения давления КП1 с предварительным управлением, который с помощью распределителя РУ1 соединяется с одним из двух клапанов последовательного управления КП2 или КП3.

Когда распределитель РУ1 находится в нейтральном положении, клапаны КП2 и КП3 соединяются с баком ГБ. Давление в гидросистеме устанавливается на клапане ограничения давления КП1. Когда к распределителю РУ1 подключается напорный клапан КП2 или КП3 (на схеме клапаны предварительного управления), то давление подается одновременно на клапаны КП1, КП2 или КП3. Это означает, что на клапане КП1 устанавливается максимальное рабочее давление, а в подключенном напорном клапане КП2 или КП3 более низкое давление.

Эта схема также применяется и в качестве дистанционного управления.

 

5) гидравлическая система с дифференциальным включени ем цилиндра (рисунок 3.16)

 

Особенность этой схемы заключается в том, что в штоковой полости ШП цилиндра ГЦ постоянно находится рабочая жидкость под давлением, а поршневая полость ПП цилиндра через трехходовой распределитель КР соединяется или с напором, или со сливом.

Отношение действующих на шток поршня сил соответствует отношению площадей сторон поршня. Отсюда и название " дифференциальная схема".

Эта схема применяется в гидравлических зажимах с малогабаритными насосами. При выдвижении штока рабочая жидкость вытесняется из штоковой полости и вместе с рабочей жидкостью насоса Н подается в поршневую полость цилиндра.

При применении такой схемы необходимо учитывать, что толкающее усилие на штоке соответствует только площади штока и не зависит от площади поршня.

Скорость движения штока в обоих направлениях зависит от соотношения площадей штоковой и поршневой полостей поршня.

 

 

А - точка подключения штоковой полости; ГБ - гидробак; ГЛ - гидролиния штоковой полости; ГЦ - гидроцилиндр; ДР - регулируемый дроссель;
КП - клапан предохранительный; МН - манометр; Н - насос; КР - кнопочный распределитель; ПП - поршневая полость гидроцилиндра; ШП - штоковая полость гидроцилиндра.

 

Рисунок 3.16. Гидравлическая система с трехкаскадным
дистанционным ограничением давления

 


6) гидравлическая система управления автопогрузчиком с вильчатым захватом (рисунок 3.17)

 

Рисунок 3.17. Гидравлическая система управления автопогрузчиком с вильчатым захватом

 

Эта система выполнена в виде блока управления. Блок состоит из трех управляющих золотников распределителей, включенных параллельно: распределитель РП1 - цилиндра хода; распределитель РП2 - цилиндра наклона; распределитель РП3 дополнительного гидрооборудования. Когда элементы управления (шестиходовые распределители) находятся в исходном положении, рабочая жидкость в гидросистеме циркулирует без напора.

Включая отдельные элементы управления (РП1, РП2 или РП3), осуществляется управление потребителями. В канале Р дополнительно устанавливается разделитель потока. Независимо от нагрузки он осуществляет дозировку потока в направлении клапанов РП2 (наклонных цилиндров) и РП3 (дополнительное гидрооборудование) по заданной величине.

Таким образом, даже при большом подъеме поршней достигается точное регулирование скорости наклона. Редукция потока обеспечивается с помощью распределителей потока с минимальными потерями, поскольку давление насоса не намного выше давления потребителя. Остаток рабочей жидкости поступает через отдельный канал (параллельное включение) в распределитель 1 (подъемный цилиндр). Если клапан 1 не включен, остаток рабочей жидкости сливается в бак. Если распределитель РП1 и распределитель РП2 или РП3 включаются одновременно, разделитель потока обеспечивает равномерную подачу рабочей жидкости в потребители, имеющие разное давление. Когда включается только распределитель 1, вся рабочая жидкость из насоса через циркуляционный канал стекает в подъемный цилиндр. Разделитель потока в этом случае устанавливается вне контура циркуляции жидкости.

Тормозной клапан для наклона груза (клапан наклона).

Управляющий распределитель РП2 в точках подключения А2 или В2 можно оснастить встроенным тормозным клапаном, предотвращающим нежелательное ускорение (опережение) груза при наклоне. Поршень тормозного клапана позволяет находящийся под нагрузкой жидкости стекать в бак до тех пор, пока в приточном трубопроводе не устанавливается давление, соответствующее усилию пружины тормозного клапана (около 3 МПа). Если слив рабочей жидкости в бак превышает подачу, то давление уменьшается. Пружина клапана толкает поршень в направлении закрытия клапана до тех пор, пока не восстановится равновесие. Этот регулирующий контур компенсирует влияние веса груза на скорость наклона. То есть, тормозной клапан регулирует скорость наклона независимо от груза в соответствии с подачей жидкости.

В точках подключения потребителей на распределителях РП1 и РП3 устанавливаются изображенные на схеме клапаны ограничения вторичного давления. Для включения элементов управления концы поршней на стороне подключения А или В оснащаются вилкой или язычком, к которым присоединяется система тяг. Кроме того, на них можно установить включающие рукоятки с рычагами. Для включения электровыключателя, например, при включении электрического двигателя в электропогрузчиках, на управляющих золотниках можно установить систему тяг, с помощью которых включаются клапаны, приводящие в действие электродвигатель и насос.

 

7) регулирование синхронного хода по принципу дозирования (рисунки 3.18, 3.19)

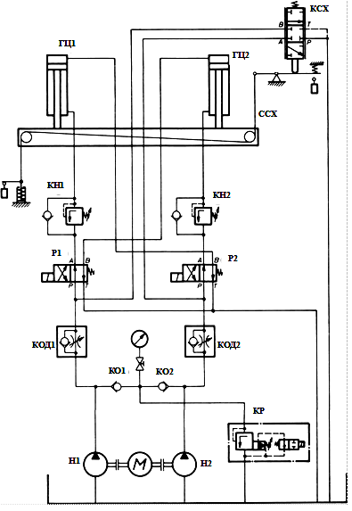
На схеме (рисунок 3.18) изображены два нижних валка, регулируемых в горизонтальном направлении. Верхний валик регулируется вертикально. На принципиальной схеме (рисунок 3.19) изображена система регулирования синхронного хода одного из валиков трехвалкового гибочного пресса.

Синхронный ход цилиндров в этой системе обеспечивается за счет того, что рабочая жидкость из опережающего цилиндра поступает во второй цилиндр определенными дозами.

Подача рабочей жидкости в цилиндры ГЦ1 и ГЦ2 (рисунок 3.19) осуществляется отдельно насосами Н1 и Н2. Таким образом, с самого начала обеспечивается некоторая предварительная дозировка.

Кроме того, в этом случае цилиндры не мешают друг другу.

Дозировка рабочей жидкости происходит через регулирующий клапан КДЗ.

 

Рисунок 3.18. Схема работы и регулировки валков гибочного пресса

 

Регулирующий клапан компенсирует разность рабочей жидкости, которая может возникнуть: из-за неодинаковой подачи насосов, в результате сжатия рабочей жидкости, вследствие неодинаковой утечки в приборах, в результате люфтов подшипников машины.

Направление движения цилиндров определяется распределителями Р1 и Р2.

Напорные клапаны КН1 и КН2 при выдвижении цилиндров выполняют функции клапанов противодавления.

Качество работы клапана синхронного хода в основном зависит от работы системы обнаружения ошибок.

Регулирующий клапан, как изображено на принципиальной схеме, включается с помощью балансира БЛ.

Привод балансира осуществляется с помощью механической системы обнаружения синхронного хода ССХ (цепь или стальная лента), изображенной на принципиальной схеме.

Если один из цилиндров работает с опережением, то элемент управления изменяет положение балансира. Включается клапан синхронного хода КСХ, который соединяет опережающий цилиндр с баком и масло из цилиндра в дозированных количествах поступает в бак.

ГЦ1, ГЦ2 - гидроцилиндр, КН1, КН2 - гидроклапан напорный,
КО1, КО2 - гидроклапан обратный, КОД1, КОД2 - гидроклапан обратный дроссельный, КР - клапан разгрузки насоса, КСХ - гидроклапан синхронизации хода, Н1, Н2 - насос, Р1, Р2 - распределитель, ССХ - система слежения синхронизации хода.

 

Рисунок 3.19. Гидравлическая схема гибочного пресса

Например, если при выдвижении цилиндров правый цилиндр ГЦ2 опережает левый, то лента ССХ тянет балансир вниз и давит на клапан КСХ, который открывает канал В→ Р.

Регулирование синхронного хода осуществляется в обоих направлениях и обеспечивается за счет соединения клапана синхронного хода с подающим трубопроводом перед распределителями Р1 и Р2, а также путем соединения точек подключения А распределителей со сторонами поршневых штоков соответствующих цилиндров и точек подключения В со сторонами поршней других цилиндров. Обратные дроссельные клапаны КО1 и КО2 служат для декомпрессии рабочей жидкости при переключении из прессования на обратный ход.

 


Поделиться с друзьями:

mylektsii.su - Мои Лекции - 2015-2026 год. (1.298 сек.)Все материалы представленные на сайте исключительно с целью ознакомления читателями и не преследуют коммерческих целей или нарушение авторских прав Пожаловаться на материал