Студопедия

Главная страница Случайная страница

КАТЕГОРИИ:

АвтомобилиАстрономияБиологияГеографияДом и садДругие языкиДругоеИнформатикаИсторияКультураЛитератураЛогикаМатематикаМедицинаМеталлургияМеханикаОбразованиеОхрана трудаПедагогикаПолитикаПравоПсихологияРелигияРиторикаСоциологияСпортСтроительствоТехнологияТуризмФизикаФилософияФинансыХимияЧерчениеЭкологияЭкономикаЭлектроника






Структура цифровых измерительных приборов и преобразователей






Подобно аналоговым вторичные цифровые приборы могут быть показывающими, показывающими и регистрирующими. В обоих случаях они могут выполнять дополнительные функции по сигнали­зации отклонений измеряемой величины, ее регулированию, преоб­разованию в токовый или цифровой выходные сигналы. К числу показывающих цифровых приборов относятся устройства многока­нальной сигнализации УМС, которые осуществляют циклический контроль температуры в 16 точках. Приборы работают с платиновыми и медными термопреобразователями сопротивления. На дисплее прибора высвечиваются номер контролируемой точки и значение измеряемой температуры в цифровой форме, результаты сравнения измеряемых температур с уставками трехпозиционной сигнализации: «Мало», «Норма», «Много». УМС также преобразуют значение изме­ряемой температуры в унифицированный токовый сигнал 0...5 мА, производя линеаризацию градуировочной характеристики термо­преобразователей. Диапазоны измерения составляют 0...200 °С и 0...800 °С, последний диапазон используется при работе с термо­преобразователями градуировок 50П и 100П. Основная приведенная погрешность по показаниям и преобразованию составляет ±0, 5%, по сигнализации ±0, 6%. Время цикла автоматического опроса не превышает 60 с, возможен опрос в неавтоматическом режиме.

Структурная схема УМС представлена на рис. 8.2. Термопреобразо­ватели сопротивления ТС подключены к прибору по трехпроводной схеме и питаются стабилизированным током. Коммутатор поочеред­но подключает термопреобразователи к измерительному усилителю ИУ и аналого-цифровому преобразователю АЦП. На дисплее при­бора высвечивается цифровое значение температуры ЦИ и техноло­гическая информация ТИ о срабатывании устройства сигнализации УСг. Цифроаналоговый преобразователь ЦАП создает на выходе прибора унифицированные токовые сигналы 0...5 мА, пропорцио­нальные значениям каждой из измеряемых температур.

Структура микропроцессорных цифровых регистрирующих при­боров существенно сложнее структуры рассмотренного прибора. Это связано с их более широкими функциональными возможностями. Так, «Метран-900», структурная схема которого представлена на рис. 8.3, состоит из двух блоков: коммутации и цифровой регистра-


Рис. 8.3. Структурная схема цифрового прибора «Метран-900»

ции. К блоку коммутации может подключаться до 12 первичных преобразователей: термопреобразователей сопротивления и термо­электрических, с унифицированным выходным сигналом и сигналом взаимной индуктивности. На рис. 8.3 показаны варианты подключе­ния термопреобразователей сопротивления по четырехпроводной и


 


трехпроводной схемам. Термопары подключаются к коммутатору термоэлектродными проводами к клеммам, соответствующим гра­дуировке термопар. Введение поправки на изменение температуры свободных концов производится с помощью специализированной микросхемы, которая обеспечивает введение температурной компен­сации в диапазоне изменения температуры свободных концов от -55 до 125 °С с погрешностью от ±0, 3 до ±2 °С в зависимости от типа термопары и температуры свободных концов. Скорректированный сигнал термопар усиливается.

Для коммутации входных сигналов используется мультиплексор (Ком), который осуществляет поочередное подключение сигналов первичных преобразователей к шестнадцатиразрядному аналого-циф­ровому преобразователю. Цифровой сигнал с выхода АЦП поступает на сигнальный процессор с тактовой частотой 16 МГц, создаваемой внутренним импульсным генератором. К процессору подключено внешнее постоянное запоминающее устройство ПЗУ и микросхема MRS, обеспечивающая передачу информации по интерфейсу RS-485 на регистратор. Блок коммутации по каждому каналу имеет цифро­вой фильтр, в блоке производятся такие операции как линеаризация сигналов, их масштабирование, извлечение квадратного корня и др. Настройка каналов коммутатора производится с помощью пере­носного пульта управления, подключаемого к специальному разъему. Блок коммутации может использоваться как самостоятельное уст­ройство для преобразования аналоговых сигналов первичных пре­образователей в цифровой код. Регистратор может находиться на расстоянии до 1500 м от блока коммутации, размещаемого вблизи первичных преобразователей. Такая техническая реализация «Метран-900» обеспечивает существенное снижение расхода про­водов, поскольку от коммутатора к регистратору идет только одна витая пара.

Регистратор «Метран-900» высвечивает информацию на жид­кокристаллическом дисплее (рис. 8.4, а), производит ее запись и хранение в энергонезависимой памяти в течение 33 суток, выво­дит данные за требуемый интервал времени на дисплей (рис. 8.4, б), имеет для печати вывод в интерфейсе RS-232 или RS-485, выдает сигнал аварийной сигнализации. Периодичность регистрации может назначаться оператором в пределах от 5 до 48 с. Предел приведен­ной погрешности «Метран-900» при измерении токового сигнала составляет ±0, 1; ±0, 2%, сигнала взаимной индуктивности ±1%, сопротивления термопреобразователя ±0, 1 %, сигнала термопары в зависимости от диапазона измерения от ± 1 СС (-270...400 °С) до±5 °С(0...2500°С).


Рис. 8.4. Изображения на экране регистратора «Метран-900» в режиме индикации текущих значений (а) и в режиме хронологии изменений вели­чины в течение часа (б)

В «Технографах 160» результаты измерений представляются и регистрируются на диаграмме в аналоговом или цифровом виде. Эти приборы, так же как и «Метран-900», могут ра­ботать с термопреобразователями сопротивления и термоэлектриче­скими преобразователями с унифицированными сигналами по по­стоянному току и напряжению. «Технограф 160» имеет 12 измери­тельных каналов. Эти приборы обеспечивают:

• индикацию измеряемой величины на цифровом табло;

• аналоговую и цифровую регистрацию измеряемого параметра на диаграммной ленте в циклическом режиме;



Гис. 8.5. структурная схема регистратора «Технограф 160»

• преобразование входного сигнала в цифровой код для обмена по интерфейсу RS-232;

• сигнализацию о выходе измеряемой величины за пределы заданных значений;

• извлечение корня квадратного и суммирование при измерении расхода по перепаду давления на сужающем устройстве.

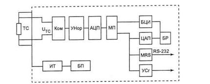
Термопреобразователь сопротивления, через который протекает стабилизированный ток до 5 мА, подключен к вторичному прибору по четырехпроводной схеме (рис. 8.5). Подключение термопар про­изводится термоэлектродными удлиняющими проводами. Коммута­тор на герконовых реле Ком с частотой 1 Гц подает сигналы на нор­мирующий усилитель УНор, который обеспечивает на выходе сиг­нал 1 В на диапазон измерения. После аналого-цифрового преобра­зователя АЦП двойного интегрирования цифровой сигнал поступает на микропроцессор МП. Его интерфейс включает блок цифровой индикации БЦИ, цифроаналоговый преобразователь ЦАП с блоком аналоговой и цифровой регистрации БР, модем RS-232 и устройство сигнализации отклонений УСг типа «сухой контакт». Управление работой всех элементов и ее синхронизацию выполняет блок импульсного управления, не показанный на схеме. Предел основной приведенной погрешности по показаниям и цифровой регистрации составляет ± 0, 25 %, по аналоговой регистрации и сигнализации ±0, 5 %. Цикл измерения по всем каналам не превышает 12 с, цикл регистрации устанавливается с помощью клавиатуры от 10 до 600 с.

В микропроцессорных системах управления технологическими процессами и промышленными объектами большое место занимают распределенные системы сбора данных, в которых территориально


распределенные устройства преобразуют аналоговую информацию о параметрах технологических процессов: температуре, давлении, расходе, уровне, составе газов и растворов в цифровой код. К числу таких преобразователей относится рассмотренный коммутатор «Метран-300».

Широкие возможности для сбора и обработки информации пред­ставляют устройства серии ADAM-5000 фирмы ADVANTECH. Эти устройства входят в распределенную систему преобразователей на базе интерфейсов Ethernet или RS-485 и осуществляют ввод и вывод ана­логовых и дискретных сигналов, их первичное преобразование. По команде от удаленной вычислительной машины информация передается в ее адрес с использованием упомянутых интерфейсов. Скорость передачи информации достигает 115 кбод. В корпусе одного устройства находятся процессор, кросс-плата и модули вво­да-вывода, число которых может составлять 4 или 8. В последнем случае общее число каналов ввода-вывода может достигать 128, максимальная длина линии без повторителя равна 100 м. В состав модулей ввода-вывода входят модули для подключения ТС с диапа­зоном измерения от -100 до 600 °С; ТЭП с диапазоном измерения от -100 до 1800 °С и аналоговых сигналов. Погрешность преобразо­вания не превышает 0, 1 %, частота выборки составляет 10 Гц. Для построения распределенных систем сбора данных той же фирмой выпускаются компактные модули ADAM-4000. Эти модули имеют встроенный микропроцессор и 16-разрядный АЦП, прием и пере­дача цифровых сигналов осуществляется по интерфейсу RS-485. Модули серии ADAM 6000 имеют встроенную web-страницу, что позволяет их интегрировать в сеть Internet.


Поделиться с друзьями:

mylektsii.su - Мои Лекции - 2015-2026 год. (1.975 сек.)Все материалы представленные на сайте исключительно с целью ознакомления читателями и не преследуют коммерческих целей или нарушение авторских прав Пожаловаться на материал