Студопедия

Главная страница Случайная страница

КАТЕГОРИИ:

АвтомобилиАстрономияБиологияГеографияДом и садДругие языкиДругоеИнформатикаИсторияКультураЛитератураЛогикаМатематикаМедицинаМеталлургияМеханикаОбразованиеОхрана трудаПедагогикаПолитикаПравоПсихологияРелигияРиторикаСоциологияСпортСтроительствоТехнологияТуризмФизикаФилософияФинансыХимияЧерчениеЭкологияЭкономикаЭлектроника






Основные элементы цифровых измерительных приборов






Не только цифровые, но и многие вторичные аналоговые при­боры и преобразователи, особенно микропроцессорные, имеют на выходе помимо токового выходного сигнала и цифровой, что обу­словливает появление в их структуре элементов, присущих цифро­вым измерительным приборам. Эти элементы реализуются в виде серий микросхем, характеризуемых общими как технологическими и схемотехническими решениями, так и уровнями электрических сигналов и напряжений питания. Основными характеристиками таких элементов являются:

быстродействие, определяемое временем задержки распро­странения сигнала и максимальной рабочей частотой;


• коэффициенты объединения по входу и выходу, характеризую­щие максимальное число однотипных логических элементов, кото­рые подключаются ко входу или выходу устройства;

• входные пороговые напряжения высокого и низкого уровня;

• выходное напряжение высокого и низкого уровней;

• напряжение питания.

В настоящее время существуют разнообразные по структуре информационные и управляющие системы. Рассматриваемые элемен­ты используются не только во вторичных приборах, но и могут вхо­дить в состав многофункциональных плат ввода-вывода, относящихся к устройствам связи с технологическими объектами (УСО), выпол­няться в виде автономных устройств ввода аналоговых и дискретных сигналов, входить в состав специализированных контроллеров.

Важный момент работы цифровых приборов и систем с источни­ками первичной информации — гальваническое разделение измери­тельных каналов, исключающее возникновение погрешностей из-за образования паразитных контуров.

Коммутатор представляет собой устройство с одним выходом и несколькими информационными и управляющими входами. Ком­мутаторы (переключатели, мультиплексоры) применяются в анало­говых и цифровых многоточечных измерительных приборах, в УСО при последовательном вводе и выводе информации в ЭВМ. Комму­таторы бывают электромеханическими и электронными. Важными характеристиками этих устройств является скорость коммутации и величина сопротивления при замыкании и разрыве цепи. Недоста­ток электромеханических переключателей — низкая скорость ком­мутации, а достоинство — бесконечно большое сопротивление, имеющее место при разрыве цепи.

Электронные коммутаторы (мультиплексоры) имеют высокую скорость коммутации, но конечное сопротивление в состоянии раз­рыва. Мультиплексоры могут работать в режиме мультиплексирова­ния данных, когда их выход последовательно повторяет состояние их информативных входов. Этот режим задается цифровым кодом на управляющих входах. Мультиплексоры могут иметь несколько дифференциальных входов, имеющих инструментальные усилители с устанавливаемыми коэффициентами усиления, например 0, 5; 1; 2; 10; 50; 200 и 1000, что позволяет на вход одного АЦП коммутиро­вать сигналы от термопар, термопреобразователей сопротивления и преобразователей с токовым выходным сигналом. Может преду­сматриваться схема компенсации температуры холодного спая. Час­тота коммутации аналоговых сигналов составляет 1...100 Гц, импульсных — достигает десятков кГц.


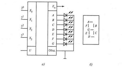
Дешифратор (декодер), включающий интегральные логические элементы, представляет собой цифровое электронное устройство, которое различным кодовым комбинациям на его т входах ставит в соответствие n-элементный двоичный код на его выходе. Если чис­ло выходов составляет 2т, то дешифратор является полным, если меньше, то неполным. Дешифраторы используются в блоках цифро­вой индикации, цепях логического управления исполнительными устройствами, автоматических защитах. В качестве примера на рис. 8.6, а приведена схема дешифратора, входящего в блок цифро­вой индикации. Эти блоки присутствуют во всех цифровых прибо­рах. Для представления цифр от 0 до 9 используется четырехразряд­ный двоичный код, который подается на информационные входы х0, x1, x2, х3. В табл. 8.1 приведены двоичные коды сигналов, соответст­вующие упомянутым цифрам.


Рис. 8.6. Схема блока цифровой индикации: а — дешифратор; б — сегментный цифровой индикатор

Обычно стилизованные изображения всех десятичных цифр в светодиодных индикаторах содержат семь светящихся сегментов, представленных на рис. 8.6, б. Для управления светодиодами дешиф­ратор должен иметь семь выходов, обеспечивающих включение соот­ветствующих сегментов светодиодов. Дешифратор работает, если на входе U присутствует сигнал высокого уровня, при сигнале низкого уровня все выходы дешифратора обнуляются, независимо от сигна­лов на его информационных входах.


 

 

      Входные и выходные коды сигналов   Таблица 8.1
Цифра   Входы   Выходы (сегменты)  
X0 X1 X2 X3 А В C D Е F G
                       
                       
                       
                       
                       
                       
                       
                       
                       
                       

Таким образом, дешифраторы преобразуют двоичные сигналы на его информативных входах в активные уровни выходных сигналов. Столбцы состояний выходов от А до G в табл. 8.1 при реализации цифр от 0 до 9 определяются так называемыми булевыми уравне­ниями, включающими логические преобразования кодов на входах х0 – x3.Так, сегмент А должен светиться при подаче на вход двоич­ных кодов, соответствующих цифрам 0, 2, 3, 5, 7, 8, 9.

Цифроаналоговые преобразователи предназначены для пре­образования двоичного кода в аналоговый сигнал по напряжению или току. Эти преобразователи стоят во всех вторичных цифровых приборах, имеющих токовый выходной сигнал. Зависимость, свя­зывающая напряжение на выходе преобразователя Uвых, диапазон его изменения U ди разрядность п с входным кодом, называется характеристикой преобразования U вых / U д = δ U Сумма (2к * ак), где сумма от (к=0) до (n-1), а δ U = 1/(2n - 1).


 

Рис. 8.7. Схема четырехразрядного ЦАП

Для четырехразрядного ЦАП ивых д* 0 + 2а1 + 4а2 + 8а3) / 15 и меняется ступенчато от 0 до U дпри а0 = а1 = а2 = а 3 = 1. На рис. 8.7 представлена схема ЦАП, реализующего рассмотрен­ную характеристику преобразо­вания. ЦАП выполнен на основе транзисторных ключей S0, S1, S2, S3 и аналогового сумматора на операционном усилителе с бес­конечно большим коэффициен-

том усиления. К основным характеристикам ЦАП относятся разре­шающая способность δ U, время установления tуст, погрешность не­линейности и др. За tуст выходной сигнал с момента поступления на вход ЦАП двоичного сигнала войдет в зону заданного значения с учетом допускаемой погрешности. Погрешность нелинейности опре­деляется максимальным отклонением выходного сигнала от прямой в пределах всего диапазона преобразования.

Счетчики относятся к так называемым последовательностным цифровым устройствам, тогда как рассмотренные устройства — к комбинационным. Отличие состоит в том, что в комбинационных устройствах при пассивных уровнях входных сигналов выходные возвращаются в исходное состояние, тогда как последовательностные устройства хранят предыдущее состояние. В связи с этим в их состав помимо логических элементов входят элементы памяти. Счетчики обеспечивают хранение двоичного кода числа и выпол­няют микрооперации счета, которые заключаются в изменении зна­чения числа на ±1. В суммирующих счетчиках число возрастает на 1, а в вычитающих уменьшается на 1. Если в счетчике выполня­ются обе операции, то он является реверсивным. В синхронных счетчиках изменение состояния его выходов происходит при посту­плении на его вход импульса синхронизации. У асинхронных счет­чиков изменения состояния могут происходить с некоторой задерж­кой по отношению к сигналу на информационном входе.

Основным параметром счетчика является модуль счета Кс, кото­рый определяет максимальное число сигналов, которое может быть сосчитано счетчиком. Двоичный счетчик (Кс = 2) с п разрядами

может посчитать 2n сигналов, отобразив их в диапазоне чисел от 0 до (2n - 1). После сигнала с номером 2n происходит сброс счетчика.


 
 


В приборах с цифровой индикацией используется двоично-деся­тичный счетчик с Кс =10. Выходные состояния этого счетчика пред­ставляются в виде двоично-десятичных кодов цифр от 0 до 9. К такому счетчику подключается дешифратор, управляющий свето­диодным сегментным цифровым индикатором, показывающим чис­ло подсчитанных импульсов. Во вторичных приборах счетчики используются для суммирования импульсов при определении коли­чества газа, пара, воды. В этом случае показания счетчика импуль­сов умножаются на цену импульса в тоннах, литрах, м3 и т.п. Пока­зания дисплеев цифровых приборов обычно даются в единицах измеряемых величин.

Аналого-цифровые преобразователи предназначены для пред­ставления уровня аналогового сигнала на входе в виде двоичного сигнала на выходе. Все АЦП разделяются на два типа: последова­тельного и параллельного преобразования. К АЦП последовательно­го преобразования, характеризуемого невысоким быстродействием, относятся АЦП с последовательным счетом, с поразрядным уравно­вешиванием и интегрирующие. Структурная схема АЦП последова­тельного счета представлена на рис. 8.8.

Рис. 8.8. Структурная схема АЦП последовательного счета

Преобразуемый аналоговый сигнал UBX в течение продолжитель­ности интервала считывания, несколько меньшего времени дискре­тизации, поступает на вход операционного усилителя У, выполняю­щего функцию компаратора. На инвертирующий вход последнего поступает выходной сигнал цифроаналогового преобразователя, на цифровые входы которого подается двоичный сигнал счетчика СИ. На вход последнего поступают управляющие импульсы «Сброс» и «Пуск», а также тактовые импульсы с частотой fТ. По команде «Пуск» запускается счетчик числа импульсов СИ, его двоичный выходной сигнал, поступающий на вход ЦАП, вызывает ступенчатое нарастание сигнала на выходе последнего. Как только этот сигнал


сравняется с Uвх срабатывает компаратор, завершая преобразование.

Выходной код счетчика является выходным двоичным сигналом преобразователя.

К АЦП последовательного преобразования относятся АЦП с двойным интегрированием. В них входной сигнал интегрируется в течение фиксированного времени, полученное значение Uc будет

тем больше, чем больше величина входного напряжения. После завершения интервала интегрирования входного сигнала на вход интегратора подается опорный сигнал встречной полярности и одновременно с ним включается счетчик импульсов от внутреннего генератора импульсов. Счет прекращается, когда Uc снизится до нуля.

Очевидно, что чем больше Uc, тем больше интервал времени интег­рирования опорного напряжения и тем больше будут показания счетчика. АЦП двойного интегрирования характеризуются высокой помехозащищенностью, но имеют низкое быстродействие.

Микропроцессорные платы АЦП имеют функцию автоматическо­го сканирования входных каналов, при этом последовательность и частота опроса, программируемый коэффициент усиления для каж­дого канала заносятся в специальную память платы, уменьшая за­грузку процессора.

К основным характеристикам АЦП относятся число разрядов (разрядность), быстродействие tпр, нелинейность и др. Разрядность определяет разрешающую способность и характеризуется количест­вом разрядов кода, которое может выработать АЦП при максималь­ном значении входного сигнала. Так, у десятиразрядного АЦП при максимальном входном напряжении 10 В шаг квантования не будет превышать 10/210 =10/1024, или 10 мВ и 0, 1 %. Наиболее распро­страненными являются 12- и 16-разрядные АЦП. К шестнадцатираз­рядным АЦП можно непосредственно подключать все основные типы первичных преобразователей. При поступлении сигнала на вход АЦП за tпр на его выходе устанавливается цифровой код. Этот показатель меняется в широких пределах от 0, 1 до 100 мкс. Нелинейность АЦП характеризует погрешность реализации уровней квантования, она составляет 0, 2...0, 05 %.

Платы многофункциональных адаптеров ввода-вывода УСО мик­ропроцессоров включают мультиплексоры, АЦП, ЦАП, обеспечи­вают ввод до 32 аналоговых сигналов с общим проводом и до 16 дифференциальных. Диапазон входных сигналов при 12-разряд­ном АЦП составляет 0, 01... 10 В, погрешность преобразования не превышает ±0, 01 %, при этом входное сопротивление достигает


10 МОм и более, а частота выборки 1...300 кГц. Двенадцатиразряд­ный ЦАП обеспечивает выходной сигнал 0...5; 0...10 В при макси­мальном токе до 5 мА, интегральная и дифференциальная погрешно­сти не превышают ±0, 01 %, а время установления выходного сигнала находится в пределах 0, 5 мкс. Помимо аналоговых сигналов платы обеспечивают ввод и вывод дискретных и импульсных сигналов.

С распространением распределенных систем управления и контро­ля, к числу элементов которых относится «Метран-900», выпускаются микропроцессорные модули удаленного ввода-вывода, в которых ана­логично коммутатору «Метран-900», производится первичная обра­ботка информации, передающаяся затем по интерфейсу RS-485/232 вторичному измерительному или регулирующему устройству.

Микропроцессоры. В настоящее время производятся разнооб­разные типы микропроцессоров, использующихся вперсональных компьютерах, управляющих контроллерах, устройствах обработки аналоговой информации, в бытовых приборах. Если впоследних применяются 4—8-разрядные контроллеры, в измерительных прибо­рах — 16-разрядные, то в персональных компьютерах — 32- и даже 64-разрядные. На рис. 8.9 представлена схема микропроцессорного устройства, которое помимо своей центральной части — микропро­цессора (МП) включает постоянное запоминающее устройство (ПЗУ), оперативное запоминающее устройство (ОЗУ) и устройство ввода и вывода данных (УВВ). В ПЗУ хранятся управляющие про­граммы, исходные данные, необходимые для обработки информа­ции и полученные результаты. В ОЗУ информация помещается в процессе ее обработки. УВВ обеспечивают связь микропроцессора с внешними устройствами, которые представляют собой последо­вательные и параллельные порты, к которым подключаются кла­виатура, мышь, принтер,

дисплей и другие устройства ввода и вывода данных. МП, ПЗУ, ОЗУ и УВВ соединяются между собой наборами провод­ников, называемых шинами.

Рис. 8.9. Схема микропроцессорного уст­ройства

Все операции в МП иниции­руются импульсами синхрони­зации от генератора тактовых импульсов, их частота характе­ризует быстродействие МП. У современных МП значение так­товой частоты составляет 10...200 МГц и выше.



Поделиться с друзьями:

mylektsii.su - Мои Лекции - 2015-2026 год. (2.934 сек.)Все материалы представленные на сайте исключительно с целью ознакомления читателями и не преследуют коммерческих целей или нарушение авторских прав Пожаловаться на материал