Студопедия

Главная страница Случайная страница

КАТЕГОРИИ:

АвтомобилиАстрономияБиологияГеографияДом и садДругие языкиДругоеИнформатикаИсторияКультураЛитератураЛогикаМатематикаМедицинаМеталлургияМеханикаОбразованиеОхрана трудаПедагогикаПолитикаПравоПсихологияРелигияРиторикаСоциологияСпортСтроительствоТехнологияТуризмФизикаФилософияФинансыХимияЧерчениеЭкологияЭкономикаЭлектроника






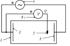
Описание измерительной установки






 

Измерительная установка (см. рисунок) включает в себя электролитическую ванну 1, заполненную водой, два электрода 2 и 3, выполненных в виде пластин или тел другой геометрической формы, подсоединенных к источнику переменного напряжения 4, зонд 5, предназначенный для исследования электрического поля, вольтметр 6, регистрирующий напряжение между электродом 2 и зондом 5, а также проводящее тело (например, металлическое кольцо), предназначенное для погружения в электролит (воду) с целью создания в нем неоднородного электрического поля (на рисунке не показано).

 

Схема измерительной установки

 

На дне электролитической ванны имеется координатная сетка, позволяющая воспроизвести картину поля в определенном масштабе на чертеже. Зонд 5 устанавливается в произвольную точку ванны вертикально на одну из линий сетки, его координаты отмечаются на чертеже. Потенциал зонда относительно электрода 2 в этой точке определяют с помощью вольтметра. Зонд 5 перемещается между электродами до тех пор, пока не будут найдены несколько (~10) других точек с таким же потенциалом. Координата зонда 5 для каждой из этих точек отмечается на чертеже. Геометрическое место точек, потенциал которых одинаков, дает одну эквипотенциальную поверхность. Потенциал данной эквипотенциальной поверхности, как отмечалось, измеряется относительно электрода 2. Построив несколько эквипотенциальных поверхностей с некоторой одинаковой разностью потенциалов между ними, получим картину поля между электродами. Разность потенциалов между двумя эквипотенциальными поверхностями и известное расстояние между ними позволяют, как показано выше, оценить величину напряженности электрического поля в любой точке между электродами.

 

 


Поделиться с друзьями:

mylektsii.su - Мои Лекции - 2015-2026 год. (1.201 сек.)Все материалы представленные на сайте исключительно с целью ознакомления читателями и не преследуют коммерческих целей или нарушение авторских прав Пожаловаться на материал