Студопедия

Главная страница Случайная страница

КАТЕГОРИИ:

АвтомобилиАстрономияБиологияГеографияДом и садДругие языкиДругоеИнформатикаИсторияКультураЛитератураЛогикаМатематикаМедицинаМеталлургияМеханикаОбразованиеОхрана трудаПедагогикаПолитикаПравоПсихологияРелигияРиторикаСоциологияСпортСтроительствоТехнологияТуризмФизикаФилософияФинансыХимияЧерчениеЭкологияЭкономикаЭлектроника






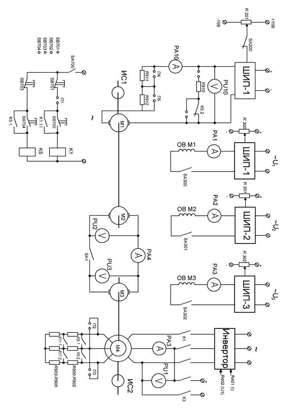
Указания к проведению работы






1. Собрать схему включения испытываемого двигателя (рис.1). Для

этого необходимо поставить перемычки П1, П2, П3, П4, П5, П6 и П7.

2. Перед запуском испытываемого двигателя М4 необходимо убе-

диться в том, что рукоятки резисторов R300, R301, R302, R401 и R402 находятся в крайнем левом положениях, рукоятка резистора R210 - в среднем положении, тумблеры SA100, SA300, SA301, SA302, SA1 и кнопка

- 5 -

 

Рис. 1 Принципиальная электрическая схема лабораторного стенда.

- 6 -

SB700 – в разомкнутом состоянии.

Для запуска испытываемого двигателя М4 необходимо подать напряжение на стенд (включить автоматы, расположенные в левом верхнем углу стенда). Включить тумблеры SA100 и SA700. Нажать на кнопку SB700. Это вызовет включение контактора К1 и замыкание его главных контактов К1 и блок-контакта К1.1, шунтирующего кнопку SB700. Далее рукояткой резистора R402 устанавливается частота напряжения сети Гц, что фиксируется частотомером , а затем рукояткой резистора R401 поворотом вправо плавно устанавливается напряжение В, контролируемое вольтметром рU3. Ротор испытываемого двигателя М4 и якорь машины М3 набирают обороты до максимальной скорости, величина которой фиксируется прибором ИС2. После пуска двигателя М4 включают тумблер SA1 и в якоре машины М3 появляется ток , вызванный остаточным магнитным потоком, который контролируется амперметром ().

3. Далее нажимают на кнопку SB704. При этом срабатывает

контактор К5 и замыканием его силовых контактов К5.1 якорь машины М1 подключается к преобразователю ШИП. Замкнувшийся блок-контакт К5.2 шунтирует кнопку SB704.

4. Включаем тумблер SA300, и на резистор R300 подаётся нап-

ряжение. Поворотом его рукоятки устанавливаем ток в обмотке возбуждения ОВМ1 мА.

5. Включением тумблера SA200 подаётся напряжение на резис-

тор R201. Плавным поворотом его рукоятки вправо увеличиваем напряжение на якоре машины М1, контролируя его с помощью вольтметра

- 7 -

(). Якорь машины М1 приходит в движение, а его скорость устанавливается при напряжении 220 В. Одновременно разгоняется и якорь машины М2. С ростом скорости якоря машины М2 в нём наводится остаточная ЭДС, которая направлена либо встречно ЭДС машины М3, тогда ток якоря снизится, либо согласно, тогда ток якоря возрастёт. Необходимо, чтобы ЭДС якоря машины М2 было направлено встречно ЭДС якоря машины М3. В этом случае ток якоря машины М3 снижается.

6. Включают тумблеры SA301 и SA302. Поворотом рукоятки резис-

тора R302 увеличивают ток в обмотке возбуждения ОВ М3, а следовательно, и ток якоря, следя по амперметру рА4 за его величиной. Затем рукояткой резистора R301 увеличивают ток в обмотке возбуждения ОВ М2 до тех пор, пока показание амперметра рА4 снизится до нуля. И так до тех пор, пока ток в обмотке возбуждения ОВ М3 достигнет величины мА. А с помощью рукоятки резистора R301 устанавливается ток якоря равным нулю. Стенд готов к работе.

7. Снимается естественная электромеханическая и механическая характеристики. Первая точка этих характеристик соответствует режиму идеального холостого хода, когда ток якоря . Стрелка амперметра должна находиться на нуле. Замеряется частота вращения испытываемого двигателя по прибору ИС1, ток статора по амперметру (), напряжения на якоре машины М3 по вольтметру и результаты заносятся в табл.1.1 (второй столбец).

8. Загружают испытываемый двигатель М4. Поворотом рукоятки ре-

зистора R301 в сторону уменьшения тока в обмотке возбуждения ОВ М2

 

- 8 -

увеличивают ток якоря (нагрузки), наблюдая по амперметру рА4, до

В; Гц Таблица 1.1

, 1/с                        
, А 0, 8 0, 8 0, 8 0, 9 0, 9 1, 1 1, 2 1, 4 1, 7 2, 1 2, 9 4, 1
, В                        
, А   0, 4 0, 6 1, 0 1, 5 2, 0 2, 3 2, 7 3, 1 3, 5 4, 1 4, 6

 

величины 0, 4 А согласно данным табл.1.1. Снимают показания приборов ИС1, pU2 и рА5 и заносят их в табл.1.1 (третий столбец). Далее устанавливают новое значение тока нагрузки по прибору рА4, и снимая новые величины , и , заносят их в табл.1.1. Последовательно увеличивая нагрузку на валу испытываемого двигателя, согласно данным табл.1.1, снимается электромеханическая характеристика. После снятия характеристики рукоятку резистора R301 возвращают в начальное положение, при котором ток нагрузки становится равным нулю, а скорость испытываемого двигателя М4 возрастает до максимальной величины. После этого можно переходить к снятию новых характеристик.

9. Снятие искусственных электромеханических и механических

характеристик. Для этого необходимо рукояткой резистора R401 установить по вольтметру новое напряжение В, сохраняя частоту тока Гц. При установке нового напряжения может появиться ток якоря (нагрузки). Если это произошло, необходимо с помощью рукоятки резистора R301 вновь установить ток нагрузки, равным нулю, записать показания приборов ИС1, pU2 и рА5 и занести их в табл.1.2 (второй столбец).

- 9 -

В; Гц Таблица 1.2

, 1/с                        
, А 0, 4 0, 5 0, 5 0, 6 0, 6 0, 7 0, 8 0, 8 0, 9 1, 3 1, 4 2, 2
, В                        
, А   0, 2 0, 3 0, 4 0, 5 0, 6 0, 7 0, 8 0, 9 1, 1 1, 3 1, 5

 

Для загрузки испытываемого двигателя необходимо вновь увеличить ток , плавно уменьшая ток в обмотке возбуждения ОВ М2, последовательно устанавливая новые значения тока нагрузки по амперметру рА4 начиная с тока А. Снимаются показания приборов ИС1, pU2 и рА5, которые заносятся в табл.1.2. После снятия характеристик рукоятку резистора R301 возвращают в начальное положение. Скорость испытываемого двигателя М4 взрастает до максимальной величины. После этого можно переходить к снятию новых характеристик.

10. Снять и построить искусственные электромеханические и механические характеристики асинхронного двигателя при напряжении В и частоте Гц. Для этого с помощью рукоятки резистора R402 устанавливается новое значение частоты тока Гц и снимаются показания приборов ИС1, рА5 и рU2, которые заносятся в табл.1.3. Это точка является точкой холостого хода двигателя (вторая колонка).

Для загрузки испытываемого двигателя необходимо вновь увеличить ток нагрузки, плавно уменьшая ток в обмотке возбуждения ОВ М2, последовательно устанавливая новые значения тока якоря по амперметру рА4 начиная с тока А. Снимаются показания прибо-

- 10 -

В; Гц Таблица 1.3

, 1/с                        
, А 0, 5 0, 5 0, 6 0, 6 0, 7 0, 8 0, 9 1, 2 1, 6      
, В                        
, А   0, 4 0, 6 0, 8 1, 0 1, 2 1, 4 1, 6 1, 8 2, 6 3, 1 3, 5

 

ров ИС1, рU2 и рА5, которые заносятся в табл.1.3. После снятия характеристик рукоятку резистора R301 возвращают в начальное положение, а скорость испытываемого двигателя достигает максимальной величины. После этого можно переходить к снятию новых характеристик.

11. Снятие искусственных электромеханической и механической ха-

рактеристик при В, а Гц. Для этого необходимо рукояткой резистора R402 установить новое значение частоты тока Гц. Напряжение на статоре остаётся прежним и равным В. При установке новой частоты тока может появиться ток якоря (нагрузки). Если это произошло, необходимо с помощью рукоятки резистора R301 вновь установить ток нагрузки, равным нулю, записать показания приборов ИС1, рU2 и рА5 и занести их в табл.1.4 (второй столбец).

Для загрузки испытываемого двигателя необходимо вновь увеличить ток нагрузки, плавно уменьшая ток в обмотке возбуждения ОВ М2 и последовательно устанавливая новые значения тока нагрузки по ампер-

метру рА4, начиная с тока А. Снимаются показания приборов ИС1, pU2 и рА5, которые заносятся в табл.1.4. После снятия характеристик рукоятку резистора R301 возвращают в начальное положение.

 

- 11 -

В; Гц Таблица 1.4

, 1/с                        
, А 0, 3 0, 3 0, 3 0, 4 0, 4 0, 6 0, 6 0, 9 1, 1 1, 4 1, 9 2, 3
, В                        
, А   0, 1 0, 2 0, 4 0, 6 0, 8 1, 0 1, 2 1, 4 1, 6 1, 8 2, 1

 

12. После завершения исследования электромеханических свойств асинхронного двигателя выключают тумблер SA1 и нажимают на кнопку SA700, отключая испытываемый двигатель от сети. Далее рукояткой резистора R201, поворачивая её влево, снижают напряжение на якоре машины М1 до нуля, останавливая её. Нажимая на кнопку SB704, обесточивают контактор К5, а разомкнувшиеся его контакты К5.1 отключают якорь машины М1 от ШИП. Размыкаются тумблеры SA1, SA200, SA300, SA301 и SA302, рукоятки резисторов R302, R304 и R402 устанавливаются в крайнее левое положение, а рукоятка резистора R210 – в среднее положение и снимаются перемычки П1, П2, П3, П4, П5, П6 и П7.

13. Расчёт момента на валу испытываемого двигателя.

Расчёт момента на валу испытываемого двигателя можно производить двояко. При первом, наиболее простом способе используется известная пропорциональная зависимость между электромагнитным моментом и током якоря . Следовательно, зная ток якоря машины М3, можно определить его электромагнитный момент

, (1.7)

где - конструктивный коэффициент двигателя.

 

 

- 12 -

Электромагнитный момент отличается от момента на валу двигателя наличием электрических потерь в якоре машины М3, а также механических потерь и потерь на перемагничивание . Тогда момент на валу испытываемого двигателя определяется в следующей последовательности. Определяется мощность на валу машины постоянного тока М3 по формуле

, (1.8)

где - электромагнитная мощность (где );

- суммарные потери в машине М3.

Зная мощность на валу машины М3 , а она равна мощности на валу испытываемого двигателя М4, так как они соединены жёстко между собой, находим момент на валу испытываемого двигателя

. (1.9)

В формуле (1.8) знак (+) ставится тогда, когда машина М3 работает генератором, а знак (-), когда она работает двигателем.

 


Поделиться с друзьями:

mylektsii.su - Мои Лекции - 2015-2026 год. (1.441 сек.)Все материалы представленные на сайте исключительно с целью ознакомления читателями и не преследуют коммерческих целей или нарушение авторских прав Пожаловаться на материал