Студопедия

Главная страница Случайная страница

КАТЕГОРИИ:

АвтомобилиАстрономияБиологияГеографияДом и садДругие языкиДругоеИнформатикаИсторияКультураЛитератураЛогикаМатематикаМедицинаМеталлургияМеханикаОбразованиеОхрана трудаПедагогикаПолитикаПравоПсихологияРелигияРиторикаСоциологияСпортСтроительствоТехнологияТуризмФизикаФилософияФинансыХимияЧерчениеЭкологияЭкономикаЭлектроника






Описание экспериментальной установки. Установка (рис. 1 и 2) представляет собой три тепловые мишени диаметром 165 мм – 180 мм (в зависимости от комплектации) с электронагревателями






 

Установка (рис. 1 и 2) представляет собой три тепловые мишени диаметром 165 мм – 180 мм (в зависимости от комплектации) с электронагревателями, последовательно включенными в электрическую цепь (рис. 3). Нагреватели имеют одну и ту же мощность, одинаковым образом расположены на лицевой панели установки. Они отличаются друга лишь состоянием излучающей поверхности. Первая мишень имеет черную закрашенную поверхность, вторая - закрашенную белую, третья – полированную металлическую.

В центре каждой мишени с внутренней стороны нагревателя зачеканены хромель - копелевые термопары. Электрический сигнал с термопар подается на цифровые измерители температуры (2, 5). В таблице 1 описаны сигналы отображаемые на дисплеях измерителей. Сигнал с измерителей поступает в компьютер через преобразователь. Одновременно эта же температура с наружной стороны мишени может поочередно контролироваться с помощью инфракрасного термометра с лазерным указателем участка излучающей поверхности (8). ИК- термометр закреплен на подвижной каретке с нейлоновыми втулками, свободно перемещающейся по двум горизонтальным направляющим (9), таким образом, что центры всех трех мишеней оказываются на линии перемещения лазерного пятна.

 

 

 

Рисунок 1 - Схема экспериментальной установки.

1 – мишень, окрашенная в черный цвет, 2 – измеритель температуры мишеней, 3 – мишень, окрашенная в белый цвет, 4 – беспроводной ИК пирометр, 5 – измеритель температур мишеней, 6 - мишень с полированной поверхностью, 7 – Автотрансформатор (ЛАТР)

 

 

Таблица 1 – Описание сигналов отображаемых измерителями ТРМ 200

 

Измеритель Индикатор Примечание
ТРМ 200 – левый (поз. 2 на рисунке 1) Красный Температура поверхности черной мишени
ТРМ 200 – левый (поз. 2 на рисунке 1) Зеленый Температура поверхности белой мишени
ТРМ 200 – правый (поз. 5 на рисунке 1) Красный Температура поверхности полированной мишени
ТРМ 200 – правый (поз. 5 на рисунке 1) Зеленый Температура комнатная

 

 

Рисунок 2. – фотография установки

 

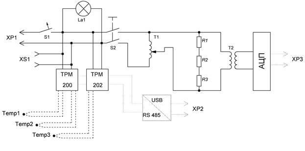
Рисунок 3 – электрическая схема стенда

XP1 – вилка для подключения стенда к сети 220 В / 50 Гц, заземление обязательно!

XP2, XP3 – вилка USB для подключения к компьютеру (протокол USB 1.1)

XS1 – розетка для подключения дополнительных приборов к сети 220 В / 50 Гц, располагается сзади стенда в белом коробе. Максимальная мощность 1, 5 кВт. Используется для подключения компьютера (ноутбука) при работе со стендом.

S1 – автоматический однофазный выключатель, мощность 6А (10А, 16А или 25А) в зависимости от модели стенда. Установлен на лицевой панели стенда.

S2 – выключатель подачи питания к автоматическому трансформатору со встроенным индикатором (светодиод). На стенде расположен в лицевой панели с обозначением ВК1.

La1 – индикаторная лампа, загорается при подаче к стенду питания 220В с помощью автоматического выключателя S1.

T1 – автоматический автотрансформатор подает регулируемое напряжение (0-220В) к нагревателям мишеней стенда. Мощность 500 Вт, максимальный ток 2А.

T2 – понижающий трансформатор (220 – 9 В) для измерения напряжения на мишенях, В

R1, R2, R3 – нагреватели мишеней, общее сопротивление 78 Ом.

ТРМ 200 и 202 (200 в зависимости от комплектации) – измерители сигналов с термопар. Передача данных осуществляется по протоколу RS 485 c последующим преобразованием (преобразователь АС-4) и передачи данных в компьютер по протоколу USB.

Temp1…3 – термопары, установленные на обратной стороне мишеней для измерения температуры поверхности.


Поделиться с друзьями:

mylektsii.su - Мои Лекции - 2015-2026 год. (0.636 сек.)Все материалы представленные на сайте исключительно с целью ознакомления читателями и не преследуют коммерческих целей или нарушение авторских прав Пожаловаться на материал