Студопедия

Главная страница Случайная страница

КАТЕГОРИИ:

АвтомобилиАстрономияБиологияГеографияДом и садДругие языкиДругоеИнформатикаИсторияКультураЛитератураЛогикаМатематикаМедицинаМеталлургияМеханикаОбразованиеОхрана трудаПедагогикаПолитикаПравоПсихологияРелигияРиторикаСоциологияСпортСтроительствоТехнологияТуризмФизикаФилософияФинансыХимияЧерчениеЭкологияЭкономикаЭлектроника






Верхнего пояса фермы






 

1.2.1. Задание

 

Руководствуясь разделом 8 [1], подобрать и проверить сечение сжатого элемента верхнего пояса фермы из двух неравнополочных уголков при следующих данных:

1. Расчетное усилие N= – 400 кН.

2. Длина стержня l = 320, 8 см.

3.Материал элемента – сталь С285.

4. Коэффициенты: коэффициент условий работы согласно п. 5.3.1 [1]; коэффициент надежности по ответственности .

5. Предельная гибкость элемента согласно п. 1 табл. 31 [1] при статической нагрузке .

6. Модуль упругости .

 

1.2.2. Решение

 

1. Принимаем толщину фасонки согласно табл. 1.2 .

2. Расчетное сопротивление стали С285 для фасонного проката при толщине t от 2 до 10 мм (табл. В.5 [1]).

3. Расчетные длины элемента (п. 11.1, таблица 22 [1])

в плоскости фермы ;

из плоскости фермы .

4. Минимальные радиусы инерции сечения

5. Зададимся гибкостью

.

Условная гибкость:

.

6. Коэффициент устойчивости при центральном сжатии определяется по формуле (8) [1]

,

где коэффициент, вычисляется по формуле
,
  коэффициенты, определяемые по табл. 6 [1] в зависимости от типов сечения, для сечения из парных уголков , ,

;

.

7. Определяем требуемую по устойчивости площадь по формуле (7) [1]

.

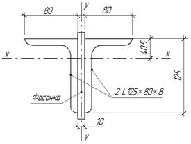
8. Принимаем в первом приближении (см. приложение 11 [3]) сечение 2 l125× 80× 8, соединенных вместе большими полками (рис.1.3): площадь сечения , радиус инерции ; радиус инерции .

9. Уточняем гибкости стержня

;

.

10.Уточняем значение коэффициента устойчивости при центральном сжатии во втором приближении

;

;

.

11. Выполним второе приближение

.

12. Принимаем во втором приближении (см. приложение 11 [3]) сечение из 2 l125× 80× 8, соединенных вместе большими полками: площадь сечения , радиус инерции ; радиус инерции
.

13.Выполним проверку устойчивости сжатого стержня по формуле (7) [1]

.

Стержень устойчив, сечение экономично:

0, 900 < k = 0, 992 < 1, 000.

Схема сечения приведена на рис. 1.3. Экспертиза подбора сечения выполнена по программе «Кристалл», подготовка исходных данных приведена на рис. 1.4.

Рис. 1.3. Сечение верхнего пояса фермы

1.2.3. Экспертиза подбора сечения по программе «Кристалл»

Ниже приводится пример распечатки результатов расчета.

«Расчет выполнен по СП 53-102-2004


Поделиться с друзьями:

mylektsii.su - Мои Лекции - 2015-2026 год. (1.214 сек.)Все материалы представленные на сайте исключительно с целью ознакомления читателями и не преследуют коммерческих целей или нарушение авторских прав Пожаловаться на материал