Студопедия

Главная страница Случайная страница

КАТЕГОРИИ:

АвтомобилиАстрономияБиологияГеографияДом и садДругие языкиДругоеИнформатикаИсторияКультураЛитератураЛогикаМатематикаМедицинаМеталлургияМеханикаОбразованиеОхрана трудаПедагогикаПолитикаПравоПсихологияРелигияРиторикаСоциологияСпортСтроительствоТехнологияТуризмФизикаФилософияФинансыХимияЧерчениеЭкологияЭкономикаЭлектроника






Схем теплоснабжения поверхностных теплообменников.






Теплопотребляющие устройства СКВ могут присоединяться к источникам теплоты двумя принципиально различными способами:

§ по независимой схеме

§ по зависимой схеме

При независимой схеме присоединения между источником и теплопотребляющими устройствами размещается промежуточный теплообменник, разделяющий систему на два гидравлически изолированных контура циркуляции: контур источника и контур потребителя.

При зависимой схеме присоединения теплопотребляющие устройства находятся по давлением, создаваемым внешней тепловой сетью и образуют общий с источником контур циркуляции

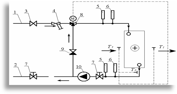
Зависимая схема теплоснабжения воздухонагревателя первого подогрева с двухходовым регулирующим клапаном

1 – трубопровод подачи горячей воды из теплосети; 2 – трубопровод обратной воды; 3 – запорный клапан; 4 – фильтр воды; 5 – термометр; 6 – манометр; 7 – балансировочный клапан; 8, 9 – двухходовые регулирующие клапаны; Т1, Т2, Т3 – датчики температуры

В настоящее время для медно-алюминиевых поверхностных теплообменников первого подогрева применяют схемы зависимого присоединения со смешением с целью обеспечения надёжной работы и предотвращения замерзания во всех эксплуатационных режимах.

Схема со смешением, реализующая регулирование количества передаваемой теплоты изменением температуры подаваемого греющего теплоносителя, обеспечивает циркуляцию теплоносителя практически при постоянном расходе воды и скорости воды в трубках 0, 8 – 1, 0 м/с в течение всего времени работы, в том числе при отрицательных температурах наружного воздуха.

Для смешения воды используется смесительно-циркуляционный насос.

Возможны три варианта схемы со смешением в зависимости от места установки циркуляционного насоса:

q на перемычке;

q на обратном трубопроводе;

q на подающем трубопроводе.

Выбор места установки насоса определяется температурными условиями тепловой сети, соотношением значений давлений в подающем и обратном трубопроводах тепловой сети и гидростатического давления, равного давлению, создаваемому столбом воды высотой Н, где Н – высота самой верхней точки циркуляционного контура потребителя (в м).

q Рассмотрим эти три варианта:

q Установка насоса на перемычке применяется, если выполняются следующие условия:

q перепад давления в точке подключения к тепловой сети больше, чем потери давления в контуре потребителя,

q давление в подающем и обратном трубопроводах больше, чем гидростатическое давление в самой нижней точке контура:

где Р1, Р2 – давление в подающем и обратном трубопроводах

тепловой сети в точке абонентского ввода, Па;

Δ Ркп – потери давления в контуре потребителя, Па;

ρ о – плотность охлаждённой воды, кг/м3.

Схема с насосом на перемычке

Зависимое подключение воздухонагревателей с установкой смесительного насоса на перемычке

1 – трубопровод подачи горячей воды из теплосети; 2 – трубопровод обратной воды; 3 – запорный клапан; 4 – фильтр воды; 5 – термометр; 6 – манометр; 7 – балансировочный клапан; 8 – двухходовой регулирующий клапан; 9 – регулятор расхода; 10 – насос; Т1, Т2, Т3 – датчики температуры

 

воды в перемычке всегда меньше расхода через нагреватель.Насос, подмешивая воду из обратного в подающий трубопровод, регулирует температуру смеси и мощность нагревателя

Зависимая схема с насосом на перемычке требует установки насоса с наименьшим давлением и расходом среди всех рассматриваемых схем установки насоса.

Эта схема, тем не менее, не обеспечивает стабильного гидравлического режима при колебаниях давления в тепловой сети, что не позволяет обеспечить точное регулирование тепловой нагрузки воздухонагревателя

Поэтому для теплоснабжения воздухонагревателей первого подогрева она используется редко. Наряду с другими она больше применяется при теплоснабжении воздухонагревателей второго подогрева

Схемы с насосом на обратном или на подающем трубопроводе

Зависимые схемы с насосом на обратном или на подающем трубопроводе обладают большей гидравлической устойчивостью, чем с насосом на перемычке.

В этих схемах насос выполняет не только смесительную, но и циркуляционную функцию в контуре потребителя.

Расход теплоносителя в контуре потребителя при использовании таких схем практически стабилен и целиком обеспечивается подачей насоса

Место расположения насоса (на обратном или на подающем трубопроводе) определяется в зависимости от уровня давлений в подающем и обратном трубопроводе, а также от величины перепада этих давлений.

Условия установки насоса на обратном трубопроводе следующие:

q перепад давления в точке подключения к тепловой сети меньше, чем потери давления в контуре потребителя,

q давление в подающем и обратном трубопроводах больше, чем гидростатическое давление в самой нижней точке контура.

Эти условия могут быть выражены следующим соотношением:

Схемы с насосом на обратном трубопроводе

1 – трубопровод подачи горячей воды из теплосети; 2 – трубопровод обратной воды; 3 – запорный клапан; 4 – фильтр воды; 5 – термометр; 6 – манометр; 7 – балансировочный клапан; 8 – двухходовой регулирующий клапан; 9 – обратный клапан; 10 – насос; Т1, Т2, Т3 – датчики температуры

q Условия установки насоса на подающем трубопроводе следующие:

§ перепад давления в точке подключения к тепловой сети меньше, чем потери давления в контуре потребителя,

§ давление в подающем и обратном трубопроводах МЕНЬШЕ, чем гидростатическое давление в самой нижней точке контура.

Эти условия могут быть выражены следующим соотношением:

1 – трубопровод подачи горячей воды из теплосети; 2 – трубопровод обратной воды; 3 – запорный клапан; 4 – фильтр воды; 5 – термометр; 6 – манометр; 7 – балансировочный клапан; 8 – двухходовой регулирующий клапан; 9 – обратный клапан; 10 – насос; 11 – регулятор давления «до себя»; Т1, Т2, Т3 – датчики температуры

Схемы с насосом на подающем трубопроводе

В схеме с насосом на подающем трубопроводе потребляемая насосом мощность является самой высокой среди всех рассмотренных схем

Потери давления в двухходовом регулирующем клапане для устойчивого регулирования должны быть не менее половины от потерь давления на регулируемом участке, т.е. не менее половины перепада давления в точках подключения потребителя к тепловой сети:

Также при низком значении перепада давлений в тепловой сети в схемах с насосами на подающем или обратном трубопроводах устанавливают трехходовой регулирующий смесительный в подающем или трехходовой разделительный в обратном трубопроводе

При требованиях со стороны источника устраивается байпасная линия

1 – трубопровод подачи горячей воды из теплосети; 2 – трубопровод обратной воды; 3 – запорный клапан; 4 – фильтр воды; 5 – термометр; 6 – манометр; 7 – балансировочный клапан; 8 – трехходовой регулирующий клапан; 9 – обратный клапан; 10 – насос; Т1, Т2, Т3 – датчики температуры

1 – трубопровод подачи горячей воды из теплосети; 2 – трубопровод обратной воды; 3 – запорный клапан; 4 – фильтр воды; 5 – термометр;

6 – манометр; 7 – балансировочный клапан; 8 – трехходовой

регулирующий клапан; 9 – обратный клапан; 10 – насос; 11 – байпас. Линия

 

 

1 – трубопровод подачи горячей воды из теплосети; 2 – трубопровод обратной воды; 3 – запорный клапан; 4 – фильтр воды; 5 – термометр; 6 – манометр; 7 – балансировочный клапан; 8 – трехходовой регулирующий разделительный клапан; 9 – обратный клапан; 10 – насос; 11 – байпасная линия; 12 – регулятор давления «до себя»

Потребление теплоты воздухонагревателями второго, местного и зонального подогрева лишь незначительно зависит от температуры наружного воздуха.

Воздухонагреватели второго подогрева работают на горячей воде постоянной температуры (обычно 70 °С, как и для горячего водоснабжения)

Температура обратной воды не регулируется, зависит от тепловой нагрузки и расхода воды. При максимальной нагрузке она задаётся равной 40 – 50 °С

Регулирование количества передаваемой в воздухонагревателе теплоты осуществляется путём изменения расхода проходящей через него воды.

1 – подающий трубопровод ТС; 2 – обратный трубопровод ТС; 3 – запорный клапан; 4 – фильтр; 5 – термометр; 6 – манометр; 7 – балансировочный клапан; 8 – двухходовой регулирующий клапан; 9 – обратный клапан; 10 – насос; 11 – водо-водяной пластинчатый ТО

На схеме постоянная температура воды на входе в воздухонагреватель обеспечивается датчиком температуры воды и двухходовым регулирующим клапаном на обратном трубопроводе источника (на выходе из теплообменника).

Расход воды через воздухонагреватель изменяется по сигналу датчика температуры воздуха в помещении или в канале удаляемого воздуха с помощью двухходового регулирующего клапана, устанавливаемого на трубопроводе после воздухонагревателя.

В этом случае постоянный расход нагреваемой воды через промежуточный теплообменник обеспечивается работой байпаса и балансировочных клапанов.

1 – подающий трубопровод ТС; 2 – обратный трубопровод ТС; 3 – запорный клапан; 4 – фильтр воды; 5 – термометр; 6 – манометр; 7 – балансир. клапан; 8 – двухходовой регулир. клапан; 9 – обратный клапан; 10 – насос; 11 – трехходовой смесительный регулир. Клапан

В этой схеме постоянство температуры воды на входе в воздухонагреватель обеспечивается датчиком температуры воды и двухходовым регулирующим клапаном на обратном трубопроводе тепловой сети или трехходовым смесительным регулирующим клапаном.

Расход воды через воздухонагреватель изменяется по сигналу датчика температуры воздуха в помещении или удаляемого воздуха с помощью трехходового разделительного регулирующего клапана, перераспределяющего потоки воды через воздухонагреватель и обводную линию.

1 – трехходовой регулирующий клапан; 2 – трубопровод обратной воды;

3 – запорный клапан; 4 – фильтр воды; 5 – термометр; 6 – манометр;

7 – балансировочный клапан; 8 – двухходовой регулирующий клапан;

9 – обратный клапан; 10 – насос; 11 – байпасная линия

В этой схеме вода из обратного трубопровода тепловой сети для достижения заданного значения её температуры при необходимости смешивается с охлажденной водой после воздухонагревателя с помощью трехходового регулирующего клапана и насосом подается в воздухонагреватель.

Регулирование количества передаваемой теплоты осуществляется путем изменения расхода воды с помощью двухходового регулирующего клапана, установленного на трубопроводе после воздухонагревателя.

Для перепуска горячей воды при прикрытии двухходовых регулирующих клапанов служит байпасная линия.

Вода после воздухонагревателя частично поступает на смешение, частично возвращается в тепловую.

Такая схема экономичнее первой и второй, так как снижается расход теплоносителя в тепловой сети. Но площадь поверхности воздухонагревателей у неё значительно больше

 


Поделиться с друзьями:

mylektsii.su - Мои Лекции - 2015-2026 год. (0.888 сек.)Все материалы представленные на сайте исключительно с целью ознакомления читателями и не преследуют коммерческих целей или нарушение авторских прав Пожаловаться на материал