Студопедия

Главная страница Случайная страница

КАТЕГОРИИ:

АвтомобилиАстрономияБиологияГеографияДом и садДругие языкиДругоеИнформатикаИсторияКультураЛитератураЛогикаМатематикаМедицинаМеталлургияМеханикаОбразованиеОхрана трудаПедагогикаПолитикаПравоПсихологияРелигияРиторикаСоциологияСпортСтроительствоТехнологияТуризмФизикаФилософияФинансыХимияЧерчениеЭкологияЭкономикаЭлектроника






Приложение 6






Рис. П.6.1. Схема частотного электропривода с автономным инвертором тока:

L – индуктивный фильтр (дроссель); C – коммутирующие конденсаторы

для коммутации тиристоров, РТ – регулятор тока, который через систему

импульсно-фазового управления СИФУ воздействует на угол открытия

тиристоров α выпрямителя UD; БУИ – блок управления вентилями

инвертора UF, регулирующий частоту

 

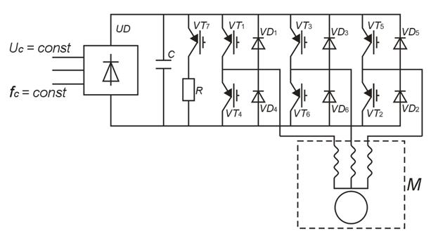
Рис. П.6.2. Схема частотного асинхронного электропривода

с транзисторным (на IGBT) инвертором напряжения

ОГЛАВЛЕНИЕ

Введение. 4

1. Выбор электродвигателей. 5

1.1. Мощность и тип электродвигателей……………………………………5

1.2. Выбор осветительных приборов………………………………………10

1.3. Выбор степени защиты и исполнения электрооборудования……….16

2. Расчет электрических нагрузок цеха (предприятия) 19

3. Схема электроснабжения цеха (предприятия) 23

4. Выбор трансформаторов подстанции. 31

5. Реактивная мощность в сетях промышленных предприятий и ее компенсация…...………………………………………………………………33

6. Выбор проводов и жил кабелей. 43

7. Общие указания по выбору аппаратов управления и защиты.. 50

8. Регулируемый электропривод как средство рационального использования

энергоресурсов и снижения потребления реактивной энергии……………........57

9. Качество электрической энергии и энергосбережение……………………….66

Библиографический список…………………………………………………....67

Приложения. 69

Приложение 1…………………………………………………………………...69

Приложение 2…………………………………………………………………...71

Приложение 3…………………………………………………………………...72

Приложение 4…………………………………………………………………...74

Приложение 5…………………………………………………………………...79

Приложение 6…………………………………………………………………...97

 

 

 

 


Поделиться с друзьями:

mylektsii.su - Мои Лекции - 2015-2026 год. (0.715 сек.)Все материалы представленные на сайте исключительно с целью ознакомления читателями и не преследуют коммерческих целей или нарушение авторских прав Пожаловаться на материал