Студопедия

Главная страница Случайная страница

КАТЕГОРИИ:

АвтомобилиАстрономияБиологияГеографияДом и садДругие языкиДругоеИнформатикаИсторияКультураЛитератураЛогикаМатематикаМедицинаМеталлургияМеханикаОбразованиеОхрана трудаПедагогикаПолитикаПравоПсихологияРелигияРиторикаСоциологияСпортСтроительствоТехнологияТуризмФизикаФилософияФинансыХимияЧерчениеЭкологияЭкономикаЭлектроника






Ведущая звездочка, 2 - корзина сцепления.






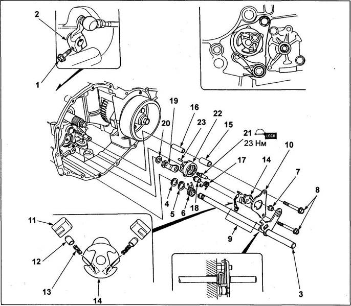
Механизм переключения передач. 1 - болт рычага переключения передач, 2 - рычаг переключения передач, 3 - вал переключения передач, 4 - упорная Шайба, 5 - стопорное кольцо, 6 - возвратная пружина вала, 7 - втулка, 8 - болт копирнои пластины, 9 - копирная пластина и направляющий кула­чок в сборе, 10 - копирная пластина, 11 - собачка храповика, 12 - плунжер, 13 - пружина, 14 - направ­ляющий кулачок, 15 - втулка, 16 - установочная втулка, 17 - пружина ограничителя, 18 - втулка, 19 - ограничитель, 20 - шайба, 21 - болт крепления барабана храповика, 22 - барабан храповика, 23 - установочный штифт.


Коленчатый вал и трансмиссия

Картер. 1 - верхние болты крепления картера (6 мм), 2 - нижние болты крепления картера (6 мм), 3 - нижние болты крепления картера (8x65 мм), 4 - нижние болты крепления картера (8x88 мм), 5 - нижние болты крепления картера (8x75 мм), 6 - нижняя часть картера, 7 - установочный штифт, 8 - масляный штуцер, 9 -верхняя часть картера.


Коленчатый вал и трансмиссия



 




Поделиться с друзьями:

mylektsii.su - Мои Лекции - 2015-2026 год. (0.475 сек.)Все материалы представленные на сайте исключительно с целью ознакомления читателями и не преследуют коммерческих целей или нарушение авторских прав Пожаловаться на материал