Студопедия

Главная страница Случайная страница

КАТЕГОРИИ:

АвтомобилиАстрономияБиологияГеографияДом и садДругие языкиДругоеИнформатикаИсторияКультураЛитератураЛогикаМатематикаМедицинаМеталлургияМеханикаОбразованиеОхрана трудаПедагогикаПолитикаПравоПсихологияРелигияРиторикаСоциологияСпортСтроительствоТехнологияТуризмФизикаФилософияФинансыХимияЧерчениеЭкологияЭкономикаЭлектроника






Напруга кроку та дотику.






Напруга дотику. Для людини, яка стоїть на ґрунті і торкається заземленого корпусу, який перебуває під напругою (рис. 6.1), напруга дотику може бути визначена таким чином:

Uдот = φ р− φ н, (6.1)

Оскільки людина торкається корпусу, тоді потенціал руки φ р є потенціалом корпусу, або напруга відносно землі:

φ р=Uз= Iз ρ /2 π хз (6.2)

 

Ноги людини – у точці А, і потенціал ніг φ н становитиме:

φ н=UА= Iз ρ /2 π х, (6.3)

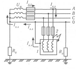
Рис.6.1. Напруга дотику до заземлених не струмопровідних частин, які виявилися під напругою:

І – криварозподілу потенціалів

1, 2, 3 – електродвигуни

ІІ – крива розподілу напруги дотику

 

На рис. (6.1) показано кілька корпусів споживачів (електродвигунів), які приєднані до заземлювача RЗ. Потенціал на поверхні ґрунту при замиканні на корпус будь-якого споживача розподіляється по кривій I. Потенціали всіх корпусів однакові, оскільки вони електрично пов’язані між собою заземлюючим проводом, падінням напруги у якому можна знехтувати.

Щоб визначити напругу дотику корпусу, треба відповідно до рівняння (6.1) із напруги відносно землі вирахувати потенціал точки ґрунту, на якому стоїть людина. Для людини, яка стоїть над заземлювачем, напруга дотику є нульовою, тому що потенціали рук та ніг

однакові й дорівнюють потенціалу корпусів. З віддаленням від заземлювача напруга дотику зростає, і біля останнього – третього корпусу – вона дорівнює напрузі відносно землі, оскільки людина стоїть на землі і потенціал її ніг φ н дорівнює нулю. Таким чином, напруга дотику в межах зони розтікання струму є часткою напруги замикання і зменшується в міру наближення до заземлювача. В загальному випадку для заземлювачів будь-якої конфігурації

Uдот= Uз α, (6.4)

де α – коефіцієнт напруги дотику, який залежить від форми заземлювача і відстані від нього (приймається за таблицею)/

 

7. Технічні способи та засоби захисту

Технічні способи та засоби захисту (ТСЗЗ) підрозділяють на:

- ТСЗЗ при нормальних режимах електроустановок (ізоляція струмопровідних частин, забезпечення недосяжності неізольованих струмопровідних частин, поперед­жувальна сигналізація, мала напруга, електричний поділ мереж, вирівнювання потенціалів);

- ТСЗЗ при переході напруги на нормально неструмопровідні частини електро­установок (захисні заземлення, занулення, вимикання);

- Електрозахисні засоби та запобіжні пристосування.

 

Технічні способи та засоби захисту при нормальних режимах роботи електроустановок

 

Ізоляція струмопровідних частин забезпечується шляхом покриття їх шаром діелектрика для захисту людини від випадкового доторкання до частин електро­установок, через які проходить струм. Розрізняють робочу, додаткову, подвійну та посилену ізоляцію.

Робочою називається ізоляція струмопровідних частин електроустановки, яка забезпечує її нормальну роботу та захист від ураження струмом.

Додатковою називається ізоляція, яка застосовується додатково до робочої і у випадку її пошкодження забезпечує захист людини від ураження струмом.

Подвійною називається ізоляція, яка складається з робочої та додаткової. Наприклад, додаткова ізоляція досягається шляхом виготовлення корпусів та рукояток електроустаткування із діелектричних матеріалів (пластмасові корпуси ручних електрифікованих інструментів, побутових електропристроїв тощо).

Посиленою називається покращена робоча ізоляція.

Механічні пошкодження, волога, перегрівання, хімічні впливи зменшують захисні властивості ізоляції. Навіть у нормальних умовах ізоляція поступово втрачає свої початкові властивості, «старіє». Тому необхідно систематично проводити профілактичні огляди та випробовування ізоляції. У приміщеннях з підвищеною небезпекою та в особливо небезпечних, відповідно не рідше одного разу в два роки та в півріччя, перевіряють шляхом вимірювання відповідність опору ізоляції до норм. Для електромереж напругою до 1000 В опір ізоляції струмопровідних частин повинен бути не меншим ніж 0, 5 МОм.

Забезпечення недосяжності неізольованих струмопровідних частин передбачає застосування захисних огорож, блокувальних пристроїв та розташування неізольованих струмопровідних частин на недосяжній висоті чи в недосяжному місці.

Захисні огорожі можуть бути суцільними та сітчастими. Суцільні огорожі (корпуси, кожухи, кришки і т. п.) застосовуються в електроустановках з напругою до 1000 В, а сітчасті — до і вище 1000 В. Захисні дверцята чи двері повинні закриватись на замок або обладнуватись блокувальними пристроями.

Блокувальні пристрої за принципом дії поділяються на механічні, електричні та електронні. Вони забезпечують зняття напруги із струмопровідних частин при відкриванні огорожі та спробі проникнути в небезпечну зону.

Розташування неізольованих струмопровідних частин на недосяжній висоті чи у недосяжному місці забезпечує безпеку без захисних огорож та блокувальних пристроїв. Вибираючи необхідну висоту підвісу проводів під напругою враховують можливість випадкового доторкання до них довгих струмопровідних елементів, інструменту чи транспорту. Так висота підвісу проводів повітряних ліній електропередач відносно землі при лінійній напрузі до 1000 В повинна бути не меншою ніж 6 м.

Попереджувальна сигналізація є пасивним засобом захисту, який не усуває небезпеки ураження, а лише інформує про її наявність. Така сигналізація може бути світловою (лампочки, світлодіоди і т. п.) та звуковою (зумери, дзвінки, сирени). На виробництві широко використовують світлову сигналізацію для попередження про наявність напруги на тих чи інших частинах електроустаткування. Наприклад, при подачі напруги на електроустаткування на пульті керування загоряється сигнальна лампочка «Мережа».

Мала напруга застосовується для зменшення небезпеки ураження електричним струмом. До малих напруг належать номінальні напруги, що не перевищують 42 В. При таких напругах струм, що може пройти через тіло людини є дуже малим і вважається відносно безпечним. Однак, гарантувати абсолютної безпеки неможливо, тому поряд з малою напругою використовують й інші способи та засоби захисту.

Малі напруги застосовують у приміщеннях з підвищеною небезпекою (напруга до 36 В включно) та в особливо небезпечних приміщеннях (напруга до 12 В включно) для живлення ручних електрифікованих інструментів, переносних світильників, для місцевого освітлення на виробничому устаткуванні.

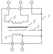
Джерелами такої напруги можуть слугувати батареї гальванічних елементів, акумулятори, трансформатори і т. п. На рис. 7.1 наведено схему трансформатора малої напруги, що містить металевий корпус 1, магнітопровід 2, екран 3, обмотки малої 4 та високої 5 напруги.

Отже, застосування малих напруг суттєво зменшує небезпеку ураження електричним струмом, однак при цьому зростає значення робочого струму, а відтак і площа поперечного перерізу, що в свою чергу збільшує витрати кольорових металів (міді, алюмінію). Крім того, при малих напругах істотно зростають втрати електроенергії в мережі, що обмежує її протяжність. У силу вищеназваних обставин малі напруги мають обмежене використання.

Рис. 7.1. Схема Рис. 7.2. Вирівнювання потенціалів

трансформатора при контурному заземленні

малої напруги

 

Вирівнювання потенціалів є способом зниження напруг доторкання та кроку між точками електричного кола, до яких можливе одночасне доторкання людини, або на яких вона може одночасно стояти. Вирівнювання потенціалів досягається шляхом штучного підвищення потенціалу опорної поверхні ніг до рівня потенціалу струмопровідної частини, а також при контурному заземленні. Вертикальні заземлювачі в контурному заземленні (рис. 7.2) розміщуються як по контуру, так і всередині захищуваної зони і з'єднуються сталевими полосами. При замиканні струмопровідних частин на корпус, що приєднаний до такого контурного заземлення ділянки землі всередині контуру набувають високих потенціалів, які наближаються до потенціалу заземлювачів. Завдяки цьому максимальні напруги доторкання Uдот та кроку Uк знижуються до допустимих значень.

Електричний поділ мережі передбачає поділ електромережі на окремі, електрично не з'єднані між собою, ділянки за допомогою роздільних трансформаторів РТ з коефіцієнтом трансформації 1: 1 (рис. 7.3). Якщо єдину, сильно розгалужену мережу з великою ємністю та малим опором ізоляції, поділити на низку невеликих мереж такої ж напруги, які мають незначну ємність та високий опір ізоляції, то при цьому різко зменшується небезпека ураження людини струмом.

Технічні способи та засоби захисту при переході напруг на нормально неструмопровідні частини електроустановок

 

Захисне заземлення застосовують у мережах з напругою до 1000 В з ізольованою нейтраллю та в мережах напругою вище 1000 В з будь-яким режимом нейтралі джерела живлення.

Захисне заземлення — це навмисне електричне з'єднання із землею або з її еквівалентом металевих нормально неструмопровідних частин, які можуть опинитися під напругою. Призначення захисного заземлення полягає в тому, щоб у випадку появи напруги на металевих конструктивних частинах електроустаткування (наприклад, внаслідок замикання на корпус при пошкодженні ізоляції) забезпечити захист людини від ураження електричним струмом при її доторканні до таких частин. Це досягається шляхом зниження до безпечних значень напруг доторкання та кроку.

а б

Рис. 7.3. Схема електричної мережі до (а) та після (б) поділу:

Н — навантаження; РТ — роздільний трансформатор; ВН — мережа високої напруги;

НН — мережа низької напруги

Якщо корпус устаткування є незаземленим і відбулося замикання на нього однієї із фаз, то доторкання людини до такого корпуса рівнозначно доторканню до фази. Якщо ж корпус електричне з'єднаний із землею (рис. 8.4, а), то він опиниться під напругою замикання Uз = ІзRз, а людина, яка доторкається до такого корпуса, згідно з формулою 6.4. потрапляє під напругу доторкання . Струм, який пройде через людину, в такому випадку визначається із рівняння:

, (7.1.)

звідки видно, що чим меншими є значення Rз та , тим менший струм пройде через тіло людини, яка стоїть на землі і доторкається до корпуса устаткування. Таким чином, захист від ураження струмом забезпечується шляхом приєднання корпуса до заземлювача, який має малий опір заземлення Rз та малий коефіцієнт напруги доторкання .

Із еквівалентної електричної схеми (рис. 7.4, б) видно, що людина (Rл) дотор­каючись до заземленого корпуса, який опинився під напругою під'єднується до електрич­ного кола однофазного струму паралельно опору заземлення Rз. Оскільки опір заземлення малий, то основна частина струму замикання на землю пройде саме через нього, а через людину пройде малий (безпечний) струм. У цьому і полягає суть захисного заземлення. Причому струм, що пройде через людину зменшиться у стільки разів, у скільки опір людини більший за опір заземлення. Якщо прийняти, що опір людини Rл = 1000 Ом, а опір заземлення Rз = 4 Ом, то струм, який пройде через людину, що доторкнулася до заземленого корпуса, котрий опинився під напругою, буде в 250 разів менший ніж у випадку, коли таке захисне заземлення відсутнє.

 

 

       
 
   
 

 

 


а б

Рис. 7.4. Захисне заземлення:

а — схема доторкання людини до заземленого корпуса, який опинився під напругою; б — еквівалентна електрична схема

 

Заземлювальним пристроєм називають сукупність конструктивно об'єднаних заземлювальних провідників та заземлювача. Заземлювач - - провідник або сукупність електрично з'єднаних провідників, які перебувають у контакті із землею, або її еквівалентом. Заземлювачі бувають природні та штучні. Як природні заземлювачі використовують електропровідні частини будівельних і виробничих конструкцій, а також комунікацій, які мають надійний контакт із землею (водогінні та каналізаційні трубопроводи, фундаменти будівель і т. п.). Для штучних заземлювачів використовують сталеві труби діаметром 35—50 мм (товщина стінок не менше 3, 5 мм) та кутники (40x40 та 60x60 мм) довжиною 2, 5—3, 0 м, а також сталеві прути діаметром не менше ніж 10 мм та довжиною до 10 м. В більшості випадків штучні вертикальні заземлювачі знаходяться у землі на глибині l =0, 5—0, 8 м (рис. 7.5). Вертикальні заземлювачі з'єднують між собою штабою з поперечним перерізом не менше ніж 4x12 мм або прутком з діаметром не менше ніж 6 мм за допомогою зварювання. Приєднання заземлювального провідника до корпуса устаткування здійснюється зваркою або болтами. Об'єкти, що підлягають заземленню приєднуються до магістралі заземлення виключно паралельно за допомогою окремого провідника (рис. 7.6, а, б).

Залежно від розташування заземлювачів стосовно устаткування, що підлягає заземленню, розрізняють виносне (зосереджене) та контурне (розподілене) заземлення. Перевага виносного заземлення (рис. 7.6, а) полягає в тому, що можна вибрати місце розташування заземлювачів з найменшим опором ґрунту (землі). Заземлювачі контурного заземлення (рис. 7.6, б) розташовують безпосередньо біля периметра (контуру) дільниці, на якій знаходиться заземлюване устаткування. Це дозволяє вирівняти потенціали всередині контуру, а відтак - - знизити напругу доторкання та кроку. Тому більш ефективним з точки зору електробезпеки є контурне заземлення.

Опір захисного заземлення в електроуста­новках напругою до 1000 В і потужністю понад 100 кВА не повинен перевищувати 4 Ом. Ця норма обумовлена величиною напруги, яка виникає між корпусом заземленого устаткування та землею у випадку пробою ізоляції, при якій струм, що проходить через людину, якщо вона дотор­кається до устаткування, є безпечним. Такою напругою замикання Uз прийнято вважати напругу до 42 В, а оскільки найбільший можливий струм замикання на землю в електроустановках до 1000 В становить 10 А, то максимально допустимий опір заземлення дорівнює

Rз = Uз / Із = 42/10 = 4, 2 ≈ 4 Ом.

Рис. 7.5. Схема розташування заземлювачів

1 - заземлювачі; 2 - заземлювальний провідник

 

а б

Рис. 7.6. Виносне (а) та контурне (б) заземлення:

1 — заземлювачі; 2 — заземлювальні провідники; 3 — устаткування

 

Відповідно до Правил улаштування електроустановок (ПУЕ) захисне заземлення належить виконувати: при напрузі змінного струму 380 В і вище та 440 В і вище для постійного струму — у всіх електроустановках; при номінальних напругах змінного струму вище 42 В та постійного струму вище 1105 — лише в електроустановках, що знаходяться в приміщеннях з підвищеною небезпекою, особливо небезпечних, а також у зовнішніх електроустановках; при будь-якій напрузі змінного та постійного струму -у вибухонебезпечних установках.

В процесі експлуатації електроустановок можливе порушення цілісності заземлювальних провідників та підвищення опору заземлення вище норми. Тому ПУЕ передбачено проведення візуального контролю (огляду) цілісності заземлювальних провідників та вимірювання опору заземлення. Такі вимірювання проводять, як правило, при найменшій провідності ґрунту: літом — при найбільшому висиханні чи зимою — при найбільшому промерзанні ґрунту. Вимірювання опору заземлення належить проводити після монтажу електроустановки, після її ремонту чи реконструкції, а також не рідше одного разу на рік.

Захисне занулення застосовується в чотирьохпровідних мережах напругою до 1000 В з глухозаземленою нейтраллю. Відповідно до ПУЕ, занулення корпусів електроустаткування використовується в тих випадках, що й захисне заземлення.

Занулення — це навмисне електричне з'єднання з нульовим захисним провідником металевих нормально неструмопровідних частин, які можуть опинитись під напругою.

Нульовий захисний провідник — це провідник, який з'єднує частини, що підлягають зануленню, з глухозаземленою нейтральною точкою обмотки джерела струму або її еквівалентом.

При зануленні у випадку замикання мережі на корпус 1 електро­установки виникає однофазне коротке замикання, тобто замикання між фазним та нульовим провідниками. Внаслідок цього електроустановка автоматично вимикається апаратом захисту від струмів короткого замикання 2 (перегорають плавкі запобіж­ники чи спрацьовують автоматичні вимикачі). Таким чином забезпечується захист людей від ураження електричним струмом.

Для зменшення небезпеки ураження струмом, яка виникає внаслідок обриву нульового провідника, влаштовують (багатократно) додаткове заземлення нульового провідника Rд.

Для того, щоб відбулося швидке та надійне вимкнення, необхідно, щоб струм короткого замикання Ік.з перевищував струм захисного апарата Іап:

Ік.з ≥ kІап, (7.2)

де k — коефіцієнт кратності струму короткого замикання відносно струму захис­ного апарата (k = 1, 5 — для автоматичних вимикачів; k = 3, 0 — для плавких запобіжників).

Отже, при зануленні виключно важливе значення має правильний вибір запобіжників та автоматичних вимикачів відповідно до величини струму короткого замикання петлі фаза-нуль. При неправильному виборі плавкого запобіжника чи автоматичного вимикача, коли Ік.з < 3Іав чи Ік.з < 1, 5Іав, може не відбутися вимкнення установки, на корпус якої перейшла напруга, а відтак буде існувати небезпека для людини при її доторканні до корпуса.

Слід зазначити, що одночасне заземлення та занулення корпусів електроустановок значно підвищує їх електробезпеку.

Захисне вимикання застосовується, як основний або додатковий захисний засіб, якщо безпека не може бути забезпечена шляхом влаштування заземлення, або іншими способами захисту.

Захисне вимикання — це швидкодіючий захист, який забезпечує автоматичне вимкнення електроустановки (не більше ніж за 0, 2 с) при виникненні в ній небезпеки ураження струмом.

Існує багато схем захисного вимикання. Як приклад розглянемо схему пристрою захисного вимикання, що наведений на рис. 7.7. Такий пристрій слугує додатковим захистом до заземлення і призначений для усунення небезпеки ураження струмом при появі на заземленому корпусі електроустановки підвищеної напруги.

       
 
 
 

 


Рис. 3.27. Схема захисного занулення Рис. 7.7. Схема пристрою захисного вимикання, який реагує на напругу корпуса відносно землі

 

При пошкодженні ізоляції та переході напруги фази на корпус установки 1 спочатку проявляється захисна властивість заземлення, завдяки якій напруга на корпусі знижується до деякої величини Uкор = ІзRз. Якщо значення Uкор буде вищим за гранично допустиму напругу Uкор.доп., то спрацює пристрій захисного вимикання: реле максимальної напруги Н, замкнувши контакти, подає живлення на котушку вимкнення KB, яка розмикає контакти автоматичного вимикача 2, при цьому установка від'єднується від електромережі.

 

Електрозахисні засоби та запобіжні пристосування

 

Електрозахисними засобами називаються вироби, що переносяться та перево­зяться і слугують для захисту людей, які працюють з електроустановками, від ураження електричним струмом, від дії електричної дуги та електромагнітного поля.

Залежно від призначення електрозахисні засоби підрозділяються на ізолювальні, огороджувальні та запобіжні.

Ізолювальні електрозахисні засоби призначені для ізоляції людини від частин електроустановок, що знаходяться під напругою та від землі, якщо людина одночасно доторкається до землі чи заземлених частин електроустановок та струмопровідних частин чи металевих конструктивних елементів (корпусів), які опинилися під напругою.

Розрізняють основні та додаткові ізолювальні електрозахисні засоби. До основних належать такі електрозахисні засоби, ізоляція яких протягом тривалого часу витримує робочу напругу електроустановки, і тому ними дозволяється доторкатись до струмопровідних частин, що знаходяться під напругою: при роботах у електроустановках з напругою до 1000 В — діелектричні рукавички, ізолювальні штанги, інструменти з ізольованими ручками, струмовимірювальні кліщі; а при роботі в електроустановках напругою понад 1000 В — ізолювальні штанги, струмовимірювальні та ізолювальні кліщі, покажчики напруги (рис. 7.8).

Рис. 7.8. Ізолювальні електрозахисні засоби:

а — ізолювальна штанга; б — покажчик напруги; в — струмовимірювальні кліщі; г — діелектричні рукавички, боти, калоші; д — гумові килимки та доріжки; е — ізолювальна підставка; є — інструменти з ізольованими ручками

 

Додаткові ізолювальні захисні засоби мають недостатні ізолювальні властивості, тому призначені лише для підсилення захисної дії основних засобів, разом з якими вони і застосовуються. До них належать: при роботах у електроустановках з напругою до 1000 В --діелектричні калоші, килимки, ізолювальні підставки; при роботах у електроустановках з напругою понад 1000 В — діелектричні рукавички, боти, килимки, ізолювальні підставки (рис. 3.29).

Огороджувальні електрозахисні засоби призначені для тимчасового огороджування струмопровідних частин (щити, бар'єри, переносні огорожі), а також для заземлення вимкнутих струмопровідних, частин з метою запобігання ураження струмом при випадковій появі напруги (тимчасове заземлення).

Запобіжні електрозахисні засоби та пристосування призначені для захисту персоналу від випадкового падіння з висоти (запобіжні пояси); для забезпечен­ня безпечного піднімання на висоту (драбини, «кігті»), для захисту від світлової, теплової, механічної дії електричної дуги (захисні окуляри, щитки, спецодяг, рукавички тощо).

 

Організаційні та технічні заходи електробезпеки

 

До роботи на електроустановках допускаються особи не молодші 18 років, які про­йшли інструктаж та навчання з безпечних методів праці, перевірку знань правил безпеки та інструкцій відповідно до займаної посади та кваліфікаційної групи з електробезпеки, і які не мають протипоказань, визначених Міністерством охорони здоров'я України.

З метою профілактики професійних захворювань, нещасних випадків та - забезпечення безпеки праці працівники, що обслуговують діючі електроустановки в обов'язковому порядку проходять попередній (при прийнятті на роботу) та періодичні (термін обумовлений професією та характеристикою роботи) медичні огляди.

Для забезпечення безпеки робіт у діючих електроустановках належить вико­нувати наступні організаційні заходи: призначення осіб, які відповідають за організацію та проведення робіт; оформлення наряду чи розпорядження на проведення робіт; організація нагляду за проведенням робіт; оформлення закінчення робіт, перерв у роботі, переведення на інші робочі місця.

До технічних заходів, які необхідно виконувати в діючих електроустановках для забезпечення безпеки робіт належать:

— при проведенні робіт зі зняттям напруги в діючих електроустановках чи поблизу них: вимкнення установки (частини установки) від джерела живлення електро­енергії; механічне блокування приводів апаратів, які здійснюють вимкнення, зняття запобіжників, від'єднання кінців лінії, яка здійснює електропостачання та інші заходи, що унеможливлюють випадкову подачу напруги до місця проведення робіт; встанов­лення знаків безпеки та захисних огорож біля струмопровідних частин, що залишаються під напругою і до яких у процесі роботи можливе доторкання або наближення на недопустиму відстань; встановлення заземлення (ввімкнення заземлювальних ножів чи встановлення переносних заземлень); огородження робочого місця та вивішування плакатів безпеки (наприклад «Не вмикати! Робота на лінії» на приводах роз'єднувачів);

- при проведенні робіт на струмопровідних частинах, які знаходяться під напругою та поблизу них: виконання робіт за нарядом не менш ніж двома праців­никами із застосуванням електрозахисних засобів, під постійним наглядом, із забезпе­ченням безпечного розташування працівників, використовуваних механізмів та пристосувань.

 

Розділ IV


Поделиться с друзьями:

mylektsii.su - Мои Лекции - 2015-2026 год. (0.929 сек.)Все материалы представленные на сайте исключительно с целью ознакомления читателями и не преследуют коммерческих целей или нарушение авторских прав Пожаловаться на материал