Студопедия

Главная страница Случайная страница

КАТЕГОРИИ:

АвтомобилиАстрономияБиологияГеографияДом и садДругие языкиДругоеИнформатикаИсторияКультураЛитератураЛогикаМатематикаМедицинаМеталлургияМеханикаОбразованиеОхрана трудаПедагогикаПолитикаПравоПсихологияРелигияРиторикаСоциологияСпортСтроительствоТехнологияТуризмФизикаФилософияФинансыХимияЧерчениеЭкологияЭкономикаЭлектроника






Выбор коммутационных аппаратов






 

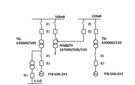
Рис.26

 

Выбор выключателя В1 и разъединителя Р1 в цепи высокого напряжения 500 кВ блока с генератором ТГВ-500-2УЗ

Расчетные токи продолжительного режима в цепи блока генератор–трансформатор определяются по наибольшей электрической мощности генератора ТГВ-500-2УЗ

IНОРМ = IMAX = SНГ/ (√ 3*UВН) =588*103/(√ 3*500) = 691А

Расчетные токи КЗ принимаются по пункту 3, точка КЗ–1 с учетом того, что все цепи на стороне ВН проверяются по суммарному току КЗ на шинах:

IП0 =11, 91 кА; iУД = 31, 61 кА; Iпτ = 9, 36 кА; iаτ = 15, 78 кА.

Тепловой импульс:

ВК= IП02*(tОТКЛА)= 11, 912*(0, 15+0, 32)= 67кА2с,

где tОТКЛ= 0, 1+tСВ = 0, 1+0, 05 = 0, 15 сек.

Выбран по [13] выключатель для наружной установки типа ВГУ–500У1 (Выключатель элегазовый баковый усиленный по скорости восстанавливающегося напряжения на UH=500 кВ, IОТКЛ = 50 кА для умеренного климата). Гидропривод.

Выбран по [11] разъединитель для наружной установки типа РНД–500/3200У1 (Разъединитель наружной установки двухколонковый с одним комплектом заземляющих ножей на UH= 500 кВ, IН=3200А умеренного климата).

Расчетные и справочные данные приведены в таблице.

Таблица 11. Расчетные и справочные данные

Расчетные данные Справочные данные
ВГБУ–500Б– 40У1 РНД–500/3200У1
UУСТ=500 кВ UH=500 кВ UH=500 кВ
IMAX =691А IН=3150А IН=3200А
Iпτ = 9, 36 кА IОТКЛ=50 кА
iаτ = 15, 78 кА iан =√ 2* IОТКЛ*β /100 = √ 2*50*47/100= 33, 2 кА
IП0 =11, 91 кА IДИН = 45 кА
iУД = 31, 61 кА - iДИН = 160 кА
ВК= 67 кА2с IT2*tT=502*3=7500 кА2с IT2*tT=632*3=7938 кА2с
Условия выполняются

 

Выбор выключателя В2 и разъединителя Р2 в цепи среднего напряжения 220 кВ блока с генератором ТГВ-500-2УЗ

Расчетные токи продолжительного режима в цепи блока генератор–трансформатор определяются по наибольшей электрической мощности генератора ТГВ-500-2УЗ (588МВА):

IНОРМ = IMAX = SНГ/ (√ 3*Uсн) =588*103/(√ 3*220) = 1571А

Расчетные токи КЗ принимаются по пункту 3, точка КЗ–2 с учетом того, что все цепи на стороне СН проверяются по суммарному току КЗ на шинах:

IП0 =2, 25; iУД = 6 кА; Iпτ = 2, 05кА; iаτ = 2, 87 кА.

Тепловой импульс:

ВК= IП02*(tОТКЛА)= 2, 25*(0, 155+0, 03)= 0, 93 кА2с,

где tОТКЛ= 0, 1+tСВ = 0, 1+0, 055 = 0, 155 сек.

Выбран по [] выключатель для наружной установки типа ВГУ–220– 45У1 (Выключатель элегазовый усиленный по скорости восстанавливающегося напряжения на UH=220 кВ, IОТКЛ= 45 кА для умеренного климата). Привод: пружинное включение, пневматическое отключение.

Выбран по [Н] разъединитель для наружной установки типа РНДЗ.1–220/1000У1 (Разъединитель наружной установки двухколонковый с одним комплектом заземляющих ножей на UH=220 кВ, IН=1000А умеренного климата).

Расчетные и справочные данные приведены в таблице.

Таблица. 12Расчетные и справочные данные

Расчетные данные Справочные данные
ВГУ–220–45У1 РНДЗ.1–220/1000У1
UУСТ=220 кВ UH= 220 кВ UH= 220 кВ
IMAX =927А IН= 3150А IН= 1000А
Iпτ = 2, 05 кА IОТКЛ= 45 кА
iаτ = 2, 87 кА iан =√ 2* IОТКЛ*β /100 = √ 2*45*47/100=29, 8 кА
IП0 =2, 25 кА IДИН = 45 кА
iУД = 6 кА iДИН = 150 кА iДИН = 100 кА
ВК= 0, 93 кА2с IT2*tT=502*2=5000 кА2с IT2*tT=402*3=4800 кА2с
Условия выполняются

Выбор выключателя В3 и разъединителя Р3 в цепи генераторного напряжения 20 кВ блока с генератором ТВГ–500

Расчетные токи продолжительного режима в цепи блока генератор–трансформатор определяются по наибольшей электрической мощности генератора ТВГ–500–2У3 (588МВА):

IНОРМ = IMAX = SНГ/ (√ 3*UГН) = 588*103/(√ 3*20) = 17294А

Расчетные токи КЗ принимаются по пункту 3, точка КЗ–3 с учетом того, что в цепи генератора аппараты выбираются по наибольшему току КЗ:

IП0 =89, 5кА; iУД =233 кА; Iпτ 89, 5кА; iаτ = 97, 17 кА.

Тепловой импульс:

ВК= IП02*(tОТКЛА)= 89, 52*(0, 25+0, 02)= 2162 кА2с,

где tОТКЛ= 0, 1+tСВ = 0, 1+0, 15 = 0, 25 сек.

Выбран по [11] выключатель для внутренней установки типа ВГГ-20(Выключатель элегазовый на UH=20 кВ, IОТКЛ=90 кА для умеренного климата). Гидропривод.

Выбран по [Н] разъединитель для внутренней установки типа РВПЗ–1–20/12500У3 (Разъединитель внутренней установки с поступательным движением главных ножей с одним комплектом заземляющих ножей на UH=20 кВ, IН=12500А умеренного климата).

Расчетные и справочные данные приведены в таблице.

Таблица. 13Расчетные и справочные данные

Расчетные данные Справочные данные
ВГГ–20 РВПЗ–1–20/12500У3
UУСТ=20 кВ UH= 20 кВ UH= 20 кВ
IMAX =10202А IН= 10000А IН= 12500А
Iпτ = 89, 5 кА IОТКЛ= 90 кА
iаτ = 97, 17 кА iан =√ 2* IОТКЛ*β /100 = √ 2*90*20/100= 25, 4 кА
IП0 =72, 39 кА IДИН = 125 кА
iУД = 89, 5 кА iДИН = 230 кА iДИН = 490 кА
ВК= 2162кА2с IT2*tT=1052*4= 44100 кА2с IT2*tT=1802*4= 129600 кА2с
Условия выполняются

Выбор выключателя В4 в цепи ТРДНС– 32000/35

Расчетные токи продолжительного режима в цепи трансформатора определяются по наибольшей электрической мощности трансформатора ТРДНС– 32000/35 (32МВА):

IНОРМ = IMAX = SНГ/ (√ 3*UГН) = 32*103/(√ 3*6, 3) = 2987, 8А

Расчетные токи КЗ принимаются по пункту 4:

IП0 = 5, 12 кА; iУД = 25, 5 кА; Iпτ = 3, 1 кА; iаτ = 3, 7 кА.

Тепловой импульс:

ВК= IП02*(tОТКЛА)= 5, 122*(0, 12+0, 02)= 3, 67 кА2с,

где tОТКЛ= 0, 1+tСВ = 0, 1+0, 02 = 0, 12 сек.

Выбран по [ ] выключатель для внутренней установки типа ВГБХ-35-12, 5УХЛ1 (Выключатель элегазовый на UH=35 кВ, IОТКЛ=35 кА для умеренного климата). Гидропривод.

Расчетные и справочные данные приведены в таблице.

Таблица.14 Расчетные и справочные данные

Расчетные данные Справочные данные
ВВ/ТЕL10
UУСТ= 6, 3 кВ UH= 35 кВ
IMAX =2293, 8А IН= 630А
Iпτ = 3, 1 кА IОТКЛ= 12, 5кА
iаτ = 3, 7 кА iан =√ 2* IОТКЛ*β /100= √ 2*12, 5*50/100=8, 8 кА
IП0 =5, 12 кА IДИН = 32 кА
iУД = 25, 5 кА iДИН = 35 кА
ВК= 3, 67 кА2с IT2*tT=32*3=3072 кА2с
Условия выполняются

Поделиться с друзьями:

mylektsii.su - Мои Лекции - 2015-2026 год. (0.843 сек.)Все материалы представленные на сайте исключительно с целью ознакомления читателями и не преследуют коммерческих целей или нарушение авторских прав Пожаловаться на материал