Студопедия

Главная страница Случайная страница

КАТЕГОРИИ:

АвтомобилиАстрономияБиологияГеографияДом и садДругие языкиДругоеИнформатикаИсторияКультураЛитератураЛогикаМатематикаМедицинаМеталлургияМеханикаОбразованиеОхрана трудаПедагогикаПолитикаПравоПсихологияРелигияРиторикаСоциологияСпортСтроительствоТехнологияТуризмФизикаФилософияФинансыХимияЧерчениеЭкологияЭкономикаЭлектроника






Моделирование мультиплексоров на ЭВМ с использованием пакетов программ






Порядок моделирования:

1. Запустите пакет программ.

2. Соберите схему мультиплексора в соответствии с вариантом в таблице.

3. Подключите генераторы входных и выходных сигналов.

4. Установите необходимые последовательности сигналов на входе.

5. Откомпилируйте (если нужно) проект и запустите.

6. Пронаблюдайте и зафиксируйте сигналы на выходах мультиплексора.

 

Таблица истинности мультиплексора 4à 1.

x1 x2 y
    f0
    f1
    f2
    f3

 

 

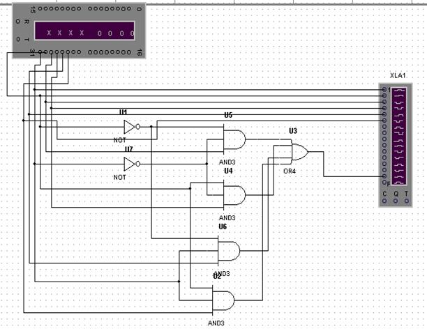
Рис. 4.20 Фрагмент построения 4-х канального мультиплексора

 

 

 

Рис. 4.21 Временные диаграммы и задающие сигналы

 


Подключение мультиплексора SN74ALS153 в пакете MaxPlusII

Рис. 4.22 Схема подключения мультиплексора SN74ALS151 (КР1533КП2)

Рис. 4.23 Временные диаграммы для SN74ALS153 (КР1533КП7)

 

 

Рис. 4.24 Матрица временных задержек


Поделиться с друзьями:

mylektsii.su - Мои Лекции - 2015-2026 год. (2.388 сек.)Все материалы представленные на сайте исключительно с целью ознакомления читателями и не преследуют коммерческих целей или нарушение авторских прав Пожаловаться на материал