Студопедия

Главная страница Случайная страница

КАТЕГОРИИ:

АвтомобилиАстрономияБиологияГеографияДом и садДругие языкиДругоеИнформатикаИсторияКультураЛитератураЛогикаМатематикаМедицинаМеталлургияМеханикаОбразованиеОхрана трудаПедагогикаПолитикаПравоПсихологияРелигияРиторикаСоциологияСпортСтроительствоТехнологияТуризмФизикаФилософияФинансыХимияЧерчениеЭкологияЭкономикаЭлектроника






Лабораторная работа 7






СХЕМОТЕХНИЧЕСКОЕ МОДЕЛИРОВАНИЕ РЕЗОНАНСНЫХ ЦЕПЕЙ

 

1. В программе MicroCAP исследуйте частотные характеристики последовательного колебательного контура, показанного на рис. 25 при , и (аргументы тригонометрических функций – в радианах).

 

Рис. 25

 

Определите резонансную частоту контура в килогерцах, введите полученное значение в АКОС, тема 27, ответ 1.

Найдите максимум АЧХ и внесите его в АКОС, тема 27, ответ 2. По АЧХ определите полосу пропускания контура, полученное значение в килогерцах введите в АКОС, тема 27, ответ 3

Увеличьте сопротивление потерь и индуктивность в два раза и по АЧХ определите резонансную частоту контура в килогерцах, максимум АЧХ и полосу пропускания в килогерцах (результаты введите в АКОС, тема 27, ответы 4, 5 и 6 соответственно).

 

2. В программе WorkBench проведите моделирование частотных фильтров, схемы которых показаны на рис. 26а (полосовой фильтр) и рис. 26а (режекторный фильтр). Параметры контура указаны в п. 1 и

Рис. 26

 

Приведите графики АЧХ, максимум АЧХ в цепи рис. 25а и минимум АЧХ в цепи рис. 25б, умноженные на 10000, введите в АКОС, тема 28, ответы 1 и 2 соответственно.

Рассмотрите влияние сопротивлений и на форму АЧХ, приведите в отчете необходимые кривые.

 

3. Проведите расчет в координатах обобщенной расстройки АЧХ цепи рис. 26а для четных номеров студента или рис. 26б для нечетных . Преобразуйте полученные формулы в координаты частоты , постройте график, сравните его с результатами моделирования.

 

4. В программе MicroCAP получите частотные характеристики резонансных цепей, показанных на рис. 27.

 

Рис. 27

Параметры элементов приведены в п. 1 и п. 2.

Представьте в отчете графики АЧХ, максимум АЧХ в цепи рис. 27а и минимум АЧХ в цепи рис. 27б, умноженные на 1000, введите в АКОС, тема 28, ответы 3 и 4 соответственно.

Рассмотрите влияние сопротивлений и на форму АЧХ, приведите в отчете необходимые кривые.

 

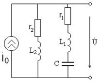
5. В программе MicroCAP проведите моделирование зависимости от частоты амплитуды напряжения на сложном параллельном колебательном контуре, показанном на рис. 28, при:

, , , и

(аргументы тригонометрических функций – в радианах).

 

Рис. 28

 

Представьте в отчете график, максимум напряжения на контуре в милливольтах введите в АКОС, тема 28, ответ 5. Рассчитайте это напряжение, сравните результаты.

Проведите моделирование зависимости от частоты амплитуды тока емкости , его резонансное значение в микроамперах введите в АКОС, тема 28, ответ 6.


Поделиться с друзьями:

mylektsii.su - Мои Лекции - 2015-2026 год. (2.015 сек.)Все материалы представленные на сайте исключительно с целью ознакомления читателями и не преследуют коммерческих целей или нарушение авторских прав Пожаловаться на материал