Студопедия

Главная страница Случайная страница

КАТЕГОРИИ:

АвтомобилиАстрономияБиологияГеографияДом и садДругие языкиДругоеИнформатикаИсторияКультураЛитератураЛогикаМатематикаМедицинаМеталлургияМеханикаОбразованиеОхрана трудаПедагогикаПолитикаПравоПсихологияРелигияРиторикаСоциологияСпортСтроительствоТехнологияТуризмФизикаФилософияФинансыХимияЧерчениеЭкологияЭкономикаЭлектроника






Лабораторная работа 10






СХЕМОТЕХНИЧЕСКОЕ МОДЕЛИРОВАНИЕ ПЕРЕХОДНЫХ ПРОЦЕССОВ

 

1. В программе MicroCAP проведите исследование свободных процессов в цепи первого порядка, рассмотренной в лабораторной работе №9, с помощью модели, представленной на рис. 36.

Рис. 36

 

Как и в лабораторной установке, в ее состав входят источник постоянного напряжения V2 и электронный ключ S1, управляемый генератором прямоугольных импульсов V1.

Изучите влияние на характер свободных процессов сопротивления R1, изменяя его от 10 кОм до 1 МОм, используя режим Stepping (5-8 кривых).

Определите постоянные времени цепи при выбранных в эксперименте значениях сопротивления R1 и емкости С1 (табл. 21).

 

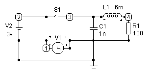
2. Для исследования свободных процессов в цепи второго порядка - колебательном контуре - воспользуйтесь моделью, схема которой показана на рис. 37.

Рассмотрите временные диаграммы напряжений на элементах и тока цепи в колебательном, критическом и апериодическом режимах, изменяя сопротивление потерь R1.

Рис. 37

 

Параметры элементов R1, L1, C1 возьмите из материалов лабораторной работы №9.

Определите параметры колебательного режима (период колебаний T, постоянную времени t, декремент D и логарифмический декремент затухания d) для выбранных в лабораторной работе №9 значений R1, запишите их в табл. 23 и сравните с лабораторными результатами из табл. 21 и 22. Приведите в отчете две временных диаграммы напряжения на емкости.

 

Таблица 23

Результаты R1, кОм T, мкс t, мс D d
моделирования          
         
измерения          
         

 

3. Увеличивая R1, по форме временных диаграмм найдите критическое сопротивление контура Rкр. Приведите временную диаграмму напряжения на емкости и тока в контуре в критическом режиме.

 

 

4. Изучите, как влияет изменение сопротивления потерь контура R1 в диапазоне от 100 Ом до Rкр (10-15значений) на период свободных колебаний T, приведите таблицу, постройте график, объясните причины этого явления.

 

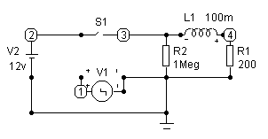
5. Проведите моделирование процессов в системе автомобильного зажигания, в которой для формирования высоковольтных импульсов используется аккумулятор с напряжением 12 В, электронный ключ и катушка индуктивности. Ее модель показана на рис. 38.

В цепи R1 отображает сопротивление потерь катушки индуктивности, а R2 - сопротивление утечки свечи в системе зажигания. При замкнутом ключе S1 индуктивность накапливает энергию от аккумулятора, а после его размыкания на сопротивлении R2 формируется отрицательный высоковольтный импульс.

 

Рис. 38

 

Исследуйте влияние на форму импульса зажигания (напряжения V(3)) параметров катушки индуктивности (L1 и R1) и сопротивления свечи R2. Объясните причины наблюдаемых явлений.

 

 

ДЛЯ ПЫТЛИВЫХ

6. Повторите (хотя бы частично) описанные выше исследования в программе WorkBench.


Поделиться с друзьями:

mylektsii.su - Мои Лекции - 2015-2026 год. (3.998 сек.)Все материалы представленные на сайте исключительно с целью ознакомления читателями и не преследуют коммерческих целей или нарушение авторских прав Пожаловаться на материал