Студопедия

Главная страница Случайная страница

КАТЕГОРИИ:

АвтомобилиАстрономияБиологияГеографияДом и садДругие языкиДругоеИнформатикаИсторияКультураЛитератураЛогикаМатематикаМедицинаМеталлургияМеханикаОбразованиеОхрана трудаПедагогикаПолитикаПравоПсихологияРелигияРиторикаСоциологияСпортСтроительствоТехнологияТуризмФизикаФилософияФинансыХимияЧерчениеЭкологияЭкономикаЭлектроника






Условные обозначения. Р - передаваемая осевая сила;






Р - передаваемая осевая сила;

Мкр - передаваемый крутящий момент;

d - номинальный диаметр сопряжения;

d1 - диаметр отверстия вала;

d2 - наружный диаметр шестерни (втулки);

l - длина сопряжения;,

f 1 - коэффициент трения при продольном смещениии;

f 2 - коэффициент трения при относительном вращении;

f 3 - коэффициент трения при запрессовке(f 3= f 1);

ED и Ed - модуль упругости материала (втулки " D" и вала " d соответственно);

CD и Cd -коэффициенты жесткости конструкции;

D и d - коэффициенты Пуассона;

U ш - поправка, учитывающая смятие неровностей;

KD и Kd - коэффициенты, учитывающие величину смятия микро­неровностей отверстия и вала:

RzD и Rzd - высота неровностей;

и - коэффициенты линейного расширения материала втулки и вала;

tpD и t pd - рабочие температуры;

t - температура сборки деталей;

рдоп - наибольшее допускаемое давление на контактной поверх­ности, при котором отсутствуют пластические деформации;

и - пределы текучести материалов.

При расчете определяют минимальный и максимальный функцио­нальный натяги в соединении и .

 

1. Минимальный расчетный натяг определяется из условия обеспечения прочности соединения по формулам:

- при нагружении крутящим моментом (Мкр)

 

 

 

- при осевом нагружении (Р)

 

- при одновременном нагружении крутящим моментом и сдвигающей силой

 

 

где f выбирают по доминирующей составляющей, или определяют пропорционально действующим силам.

Для данного соединения

 

Определяем минимальный функциональный натяг:

Для материалов с одинаковыми механическими свойствами
Uш = 2 К (RzD+ Rzd); К= 0, 5 [4, с.69];

Uш = 2 · 0, 5 · (6, 3 + 6, 3) = 12, 6 13 мкм.

Uш учитывает смятие неровностей при запрессовке. При сборке нагревом охватывающей детали Uш можно не учитывать.

Поправка Ut учитывает различие рабочей температуры и тем­пературы сборки и различие коэффициентов линейного расширения

 

 

В зависимости от соотношения и и tp и t знак, с которым учитывается поправка может быть различным.

Поправка Uц учитывает деформацию деталей от действия центробежных сил (для диаметров до 500 мм и до 30 м/с – Uц - 1...4мкм).

На прочность соединения с натягом также влияют погрешности формы деталей, повторные сборка-разборка U з - р, вибрация и удары. U з – р = 1…4 мкм.

2. Максимальный функциональный натяг определяется из условия обеспечения прочности сопрягаемых деталей:

где — максимальный расчетный натяг;

 

- для втулки

 

- для вала

Для расчета выбирают меньшее из двух полученных значений.

Для данного примера в худших условиях будет работать отверстие (втулка), т.к. вал сплошной

 

 

Па[4, с.68];

мкм.

Поправка учитывает увеличение контактного давления у торцов охватывающей детали. Ее вводят для уменьшения давлений в середине соединения. определяют из графика [4, с.67, рис.III-10], [3, с.336].

При и

 

мкм

 

3. Выбор посадки

 

По ГОСТ 25347-82 выбираем ближайшую стандартную посадку и определяем запасы прочности соединения и

N зэ часть допуска натяга, обеспечивающая запас прочности соединения при эксплуатации:

Nзс - часть допуска натяга, обеспечивающая запас прочности детали при сборке:

Посадка подобрана оптимально, если выполнено условие N зэ > N зс и выбраны рекомендуемые поля допусков отверстия и вала.

Для данного примера подобрать рекомендуемую посадку по ГОСТ 25347-89 невозможно.

Для подбора посадки определяем функциональный допуск посадки

мкм.

Конструкторский допуск посадки

где и -табличные (стандартные) значения.

Если принять то

мкм.

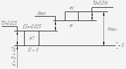
По ГОСТ 25346-82 для диаметра соединения Ø 40 мм и допуска TD = Td = 26 мкм ближайшими являются 6 квалитет (IT = 16 мкм) и 7 квалитет (IT = 25 мкм) для отверстия.

Подберем посадку в системе отверстия: отверстие - Ø 40 и вал - по 6 квалитету.

Определим основное отклонение для детали " вал".

 

Рис. 1. Схема расположения полей допусков соединения с натягом

Если принять выбранной посадки равным то величина ei равна

мкм.

По ГОСТ 25346-89 ищем ближайшее меньшее или равное стандартное значение

 

основного отклонения. Для Ø 40 выбираем v (ei = 68 мкм) и поле допуска вала Ø 40, где ei - стандартное(по ГОСТ25346-89), a es = ei + Td (Td — по выбранному квалитету).

 

Посадка подобрана Ø 40

Для нее

Так как > — посадка подобрана оптимально.

При подборе посадок может быть использована система вала или комбинирование полей допусков. В том случае, если при подборе посадки конструкторские допуски деталей настолько малы, что экономически не выгодны, выбирают рекомендуемую по ГОСТ 25437-89 посадку по условию и для обеспечения условия прочности соединения используют дополнительное крепление в виде шпонки, винта, штифта; можно изменить конструктивные параметры соединения d, l, материал или использовать селективную сборку.

Фактически запасы прочности соединения выше, т.к. в соединении (с вероятностью 0, 9973) не будет натягов больших, чем вероятностный максимальный натяг и меньших, чем вероятностный минимальный натяг .

где - средний натяг.

Запасы прочности соединения с учетом теории вероятностей:

4. Определение усилия запрессовки

 

где

Для данного примера:

 

т.

Исходя из усилий запрессовки, можно подобрать технологическое оборудование.

Если в задании необходимо определить температуру нагрева t н охватывающей детали при температуре помещения для сборки t сб =20°, то

 

где S сб принят равным S min для посадки (Ø 40 - посадка с минимальным гарантированным зазором); - по таблице [3, т.1, с.188].

 


Поделиться с друзьями:

mylektsii.su - Мои Лекции - 2015-2026 год. (1.749 сек.)Все материалы представленные на сайте исключительно с целью ознакомления читателями и не преследуют коммерческих целей или нарушение авторских прав Пожаловаться на материал