Студопедия

Главная страница Случайная страница

КАТЕГОРИИ:

АвтомобилиАстрономияБиологияГеографияДом и садДругие языкиДругоеИнформатикаИсторияКультураЛитератураЛогикаМатематикаМедицинаМеталлургияМеханикаОбразованиеОхрана трудаПедагогикаПолитикаПравоПсихологияРелигияРиторикаСоциологияСпортСтроительствоТехнологияТуризмФизикаФилософияФинансыХимияЧерчениеЭкологияЭкономикаЭлектроника






Расчет уставок третьей ступени защит по реактивной оси






Третья ступень защиты выполняет функции дальнего резервирования, расчетными будут КЗ в конце смежных участков.

Защита 1(1’):

1) КЗ на шинах подстанции С

Режим:

- Система А в минимальном режиме

- Система В в максимальном режиме

- Один автотрансформатор в работе

- L1 и L2 работают параллельно

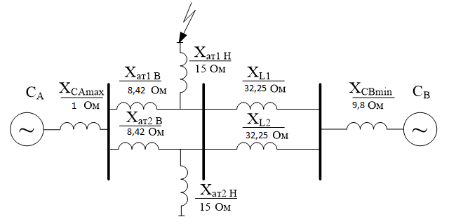
Рисунок 15 - Схема замещения для третьей ступени защиты 1 при КЗ на шинах подстанции С

(две линии L1 и L2)

2) КЗ на шинах подстанции Е.

Режим:

- Система А в минимальном режиме

- Система В в максимальном режиме

- Один автотрансформатор в работе

- L1 и L2 работают параллельно

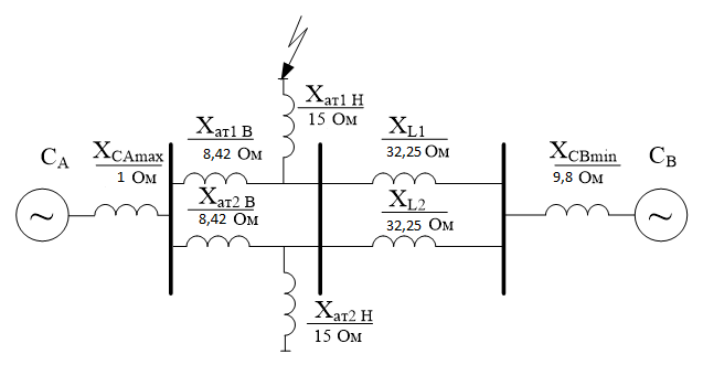
Рисунок 16 - Схема замещения для третьей ступени защиты 1 при КЗ на шинах подстанции Е

(две линии L1 и L2)

Окончательно принимаем максимальное значение сопротивления срабатывания:

Защита 2(2’):

1) КЗ на стороне НН АТ1.

Режим:

- Система А в максимальном режиме

- Система В в минимальном режиме

- Оба автотрансформатора в работе

- L1 и L2 работают параллельно

Рисунок 17 - Схема замещения для третьей ступени защиты 2 при КЗ на стороне НН АТ1

(две линии L1 и L2)

2) КЗ в конце L8.

Режим:

- Система А в максимальном режиме

- Система В в минимальном режиме

- Оба автотрансформатора в работе

- L1 и L2 работают параллельно

Рисунок 18 - Схема замещения для третьей ступени защиты 2 при КЗ в конце L8

(две линии L1 и L2)

Окончательно принимаем максимальное значение сопротивления срабатывания:

Выдержки времени резервных ступеней защит 1(1’) и 2(2’) нужно отстроить от выдержек времени смежных защит, для обеспечения селективности срабатывания.

Защита 1(1’):

Наибольшей выдержкой времени обладает защита 5(), по сравнению с защитой 3(, а значит отстроимся от нее:

Защита 2(2’):

Наибольшей выдержкой времени обладает защита автотрансформатора 2(), по сравнению с защитой 11( а значит отстроимся от нее:

2.3.6 Расчет уставок третьей ступени защит по активной оси

Расчет защит произведем аналогично защитам, установленным в кольцевой сети, отстроив их от 2-х условий:

1) Отстройка от режима передачи наибольшей активной мощности.

2) Отстройка от переходного сопротивления в месте КЗ.

Расчет защит по второму условию производится при КЗ на шинах подстанции, находящейся внутри кольцевой сети, а так как нам для 2 условия требуется наименьший ток, но наибольшее эквивалентное сопротивление, мы рассмотрим режим, когда кольцевая сеть разомкнута. Таким образ мы увеличим эквивалентное сопротивление сети.

Защита 1(1’):

1) Отстройка от режима передачи наибольшей активной мощности

- примем 1, 2.

2) Отстройка от переходного сопротивления в месте КЗ.

2.1) КЗ на шинах подстанции С.

Режим:

- Система А в минимальном режиме

- Система В в максимальном режиме

- Один автотрансформатор в работе

- L1 и L2 работают параллельно

Рисунок 19 - Схема замещения для третьей ступени защиты 1 при КЗ на шинах подстанции С

(две линии L1 и L2)

2.2) КЗ на шинах подстанции E.

Режим:

- Система А в минимальном режиме

- Система В в максимальном режиме

- Один автотрансформатор в работе

- L1 и L2 работают параллельно

Рисунок 20 - Схема замещения для третьей ступени защиты 1 при КЗ на шинах подстанции E

(две линии L1 и L2)

Расчетным является случай КЗ на шинах подстанции Е:

Так как выбранное сопротивление срабатывания по условию чувствительности защиты к КЗ через дуговое сопротивление оказалось больше, чем значение, гарантирующее отстройку от рабочего режима , то вводится блок отстройки от нагрузочного режима с параметрами:

и .

 

Таким образом, уставка по активной оси III ступени защиты 1(1’) будет равна:

Защита 2(2’):

1) Отстройка от режима передачи наибольшей активной мощности

- примем 1, 2.

2) Отстройка от переходного сопротивления в месте КЗ

2.1) КЗ на стороне НН АТ1. Так как активное сопротивление трансформаторов на порядок меньше реактивного, то составляющую, которая отвечает за переходное сопротивление, примем равной нулю.

Режим:

- Система А в максимальном режиме

- Система В в минимальном режиме

- Оба автотрансформатора в работе

- L1 и L2 работают параллельно

Рисунок 21 - Схема замещения для третьей ступени защиты 2 при КЗ на стороне НН АТ1

(две линии L1 и L2)

Примем длину дуги на выводах автотрансформатора равную 4 м:

2.2) КЗ в конце L8

Режим:

- Система А в максимальном режиме

- Система В в минимальном режиме

- Оба автотрансформатора в работе

- L1 и L2 работают параллельно

Рисунок 22 - Схема замещения для третьей ступени защиты 2 при КЗ в конце L8

(две линии L1 и L2)

Так как выбранное сопротивление срабатывания по условию чувствительности защиты к КЗ через дуговое сопротивление оказалось больше, чем значение, гарантирующее отстройку от рабочего режима , то вводится блок отстройки от нагрузочного режима с параметрами:

и .

Таким образом, уставка по активной оси III ступени защиты 2(2’) будет равна:

 


Поделиться с друзьями:

mylektsii.su - Мои Лекции - 2015-2026 год. (0.975 сек.)Все материалы представленные на сайте исключительно с целью ознакомления читателями и не преследуют коммерческих целей или нарушение авторских прав Пожаловаться на материал