Студопедия

Главная страница Случайная страница

КАТЕГОРИИ:

АвтомобилиАстрономияБиологияГеографияДом и садДругие языкиДругоеИнформатикаИсторияКультураЛитератураЛогикаМатематикаМедицинаМеталлургияМеханикаОбразованиеОхрана трудаПедагогикаПолитикаПравоПсихологияРелигияРиторикаСоциологияСпортСтроительствоТехнологияТуризмФизикаФилософияФинансыХимияЧерчениеЭкологияЭкономикаЭлектроника






Метод узлового напряжения






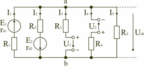
Этот метод рекомендуется использовать в том случае, если сложную электрическую схему можно упростить, заменяя последовательно и параллельно соединенные резисторы эквивалентными, используя при необходимости преобразование треугольника сопротивлений в эквивалентную звезду. Если полученная схема содержит несколько параллельно соединенных активных и пассивных ветвей, как, например, схема на рис. 1.27, то ее расчет и анализ весьма просто можно произвести методом узлового напряжения.

Пренебрегая сопротивлением проводов, соединяющих ветви цепи, в ее схеме (рис. 1.27) можно выделить два узла: a и b. В зависимости от значений и направлений ЭДС и напряжений, а также значений сопротивлений ветвей между узловыми точками a и b установится определенное узловое напряжение Uab. Предположим, что оно направлено так, как показано на рис. 1.27, и известно. Зная напряжение Uab легко найти токи во всех ветвях.

Выберем положительные направления токов и обозначим их на схеме. Запишем уравнения по второму закону Кирхгофа для контуров (1.4), проходящих по первой и второй ветви, содержащих источники ЭДС, совершая обход контуров по часовой стрелке.

Первая ветвь: E1=I1(r01+R1)+Uab.

Вторая ветвь: − E2=− I2(r02+R2)+Uab.


Рис. 1.27

Определим значения токов, возникающих в первой и второй ветвях,

(1.20)

,

(1.21)

,

где: ; – проводимости соответственно первой и второй ветвей.

Запишем уравнения по второму закону Кирхгофа для ветвей (1.5), содержащих источники напряжений, совершая обход контуров также по часовой стрелке.

Третья ветвь: Uab− U1+I3R3=0.

Четвертая ветвь: Uab+U2− I4R4=0.

Определим значения токов, возникающих в третьей и четвертой ветвях,

(1.22)

,

(1.23)

,

где: ; – проводимости соответственно третьей и четвертой ветвей.

Ток в пятой ветви определим по закону Ома:

(1.24)

,

где – проводимость пятой ветви.

Для вывода формулы, позволяющей определить напряжение Uab, напишем уравнение по первому закону Кирхгофа (1.3) для узла a:

I1− I2+I3− I4− I5=0.

После замены токов их выражениями (1.20) – (1.24) и соответствующих преобразований получим

.

Формула узлового напряжения в общем случае имеет вид

(1.25)

.

При расчете электрической цепи методом узлового напряжения после определения величины напряжения Uab значения токов в ветвях находят по их выражениям (1.20) – (1.24).

При записи формулы (1.25) следует задаться положительным направлением узлового напряжения Uab. Со знаком «+» в (1.25) должны входить ЭДС, направленные между точками a и b встречно напряжению Uab, и напряжения ветвей, направленные согласно с Uab. Знаки в формуле (1.25) не зависят от направления токов ветвей.

При расчете и анализе электрических цепей методом узлового напряжения рекомендуется выбирать положительные направления токов после определения узлового напряжения. В этом случае при расчете токов по выражениям (1.20) – (1.24) положительные направления токов нетрудно выбрать таким образом, чтобы все они совпадали с их действительными направлениями.

Проверка правильности произведенных расчетов проводится по первому закону Кирхгофа для узла a или b, а также составлением уравнения баланса мощностей (1.8).


Поделиться с друзьями:

mylektsii.su - Мои Лекции - 2015-2026 год. (1.012 сек.)Все материалы представленные на сайте исключительно с целью ознакомления читателями и не преследуют коммерческих целей или нарушение авторских прав Пожаловаться на материал