Студопедия

Главная страница Случайная страница

КАТЕГОРИИ:

АвтомобилиАстрономияБиологияГеографияДом и садДругие языкиДругоеИнформатикаИсторияКультураЛитератураЛогикаМатематикаМедицинаМеталлургияМеханикаОбразованиеОхрана трудаПедагогикаПолитикаПравоПсихологияРелигияРиторикаСоциологияСпортСтроительствоТехнологияТуризмФизикаФилософияФинансыХимияЧерчениеЭкологияЭкономикаЭлектроника






Азеотропная ректификация






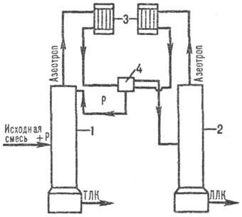
Для некоторых бинарных смесей кривые равновесия у* = f(x) при определенных условиях пересекают диагональ y-x-диаграммы; в точке пересечения составы пара и жидкости одинаковы (азеотропная смесь), вследствие чего подобные смеси обычной ректификации разделить невозможно.

Поэтому к исходной смеси добавляют растворитель – так называемый разделяющий агент, образующий с одним из компонентов азеотропную смесь, которая при ректификации выделяется в виде дистиллята; кубовая жидкость представляет собой высококипящий компонент с минимальным содержанием разделяющего агента. Однако его выделение из азеотропной смеси (дистиллята) затруднено.

Один из методов, позволяющий осуществить рецикл растворителя, заключается в применении таких разделяющих агентов, которые обладают ограниченной взаимной растворимостью в компонентах, отбираемых в виде дистиллята. При этом благодаря его расслаиванию в разделительном сосуде слой, обогащенный ЛЛК, поступает в среднюю часть регенерационной колонны, откуда в результате ректификации в виде кубового продукта отбирается ЛЛК исходной смеси, а в виде дистиллята - азеотроп, направляемый в разделительный сосуд.

Рис. 7. Установка для азеотропной ректификации: 1 -ректификационная колонна; 2-регенерац. колонна; 3-дефлегматор; 4-разделит. сосуд; Р-разделяющий агент.

 

Экстрактивную ректификацию используют обычно для разделения смесей близкокипящих компонентов, характеризующихся низкой относит. летучестью а.

Разделение таких смесей приходится проводить в колоннах с очень большим числом ТТ и высоким расходом пара из-за необходимости поддерживать большое R.

Однако если к исходной смеси добавить практически нелетучий разделяющий компонент, способный повысить a основных компонентов, разделение можно осуществить в двух ректификационных колоннах. На одну из верхних тарелок первой колонны подается разделяющий агент, который растворим в потоке флегмы и повышает а смеси, в результате чего в виде дистиллята выделяется ЛЛК, а в виде остатка-смесь ТЛК и разделяющего агента. Эта смесь направляется в середину второй колонны, где, в свою очередь, разделяется на ТЛК (дистиллят) и остаток (разделяющий агент), который возвращается в первую колонну.

Методы азеотропной и экстрактивной ректификации находят широкое применение для разделения близкокипящих углеводородов нефти и сжиженных природных газов, жидких смесей в производстве жирных кислот, получения безводного этилового спирта и других

 

Молекулярная ректификация, наз. также многоступенчатой мол. дистилляцией, используется для разделения смесей малолетучих и термически нестойких веществ.

 

Рис. 8. Установка для молекулярной ректификации.

 

Среди различных конструкций аппаратов для такой ректификации практический интерес представляют аппараты лестничного типа, принцип работы которых показан на рис. 8. Пары, испаряясь с поверхности жидкости, например на ступени А3, конденсируются на наклонной поверхности В3, а образующийся конденсат стекает в смежную вышестоящую ступень А4. Избыточное количество жидкости из ступени А4 переливается в ступень А3 и т.д., т.е. в аппарате осуществляется противоток жидкости и пара.

Молекулярная ректификация реализуется в условиях высокого вакуума (неравновесного испарения), когда большая часть испарившихся молекул без столкновения между собой долетает до поверхности конденсации и остается на ней. При расчете разделения в описанном аппарате можно применить аналитические и графические методы, используемые для тарельчатых аппаратов. При этом вместо коэффициента относительной летучести, кпд тарелки и числа ТТ необходимо применять соответствующий коэффициент разделения при неравновесном испарении (aн), кпд отдельной ступени и число теоретических молекулярных тарелок:

где n-число ступеней;

x1, хn-концентрации ЛЛК в первой и последней ступенях; давления паров чистых компонентов 1 и 2; М1, М2-их мол. массы.

Лекция 24 Классификация и конструкции тарелок. Гидравлический расчет тарелки. Определение геометрических размеров колонны тарельчатого типа.

 


Поделиться с друзьями:

mylektsii.su - Мои Лекции - 2015-2026 год. (0.833 сек.)Все материалы представленные на сайте исключительно с целью ознакомления читателями и не преследуют коммерческих целей или нарушение авторских прав Пожаловаться на материал