Студопедия

Главная страница Случайная страница

КАТЕГОРИИ:

АвтомобилиАстрономияБиологияГеографияДом и садДругие языкиДругоеИнформатикаИсторияКультураЛитератураЛогикаМатематикаМедицинаМеталлургияМеханикаОбразованиеОхрана трудаПедагогикаПолитикаПравоПсихологияРелигияРиторикаСоциологияСпортСтроительствоТехнологияТуризмФизикаФилософияФинансыХимияЧерчениеЭкологияЭкономикаЭлектроника






Условные обозначения основных гидроэлементов






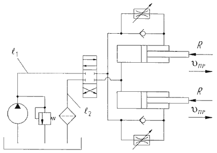
На рис. 7.8 изображен составленный из условных обозначений пример гидравлической схемы привода поворота стрелы челюстного погрузчика.

Схема состоит из бака, нерегулируемого гидромотора, трехпозиционного гидрораспределителя, двух регулируемых дросселей с параллельно подключенными к ним обратными клапанами, двух гидроцилиндров, фильтра и предохранительного клапана.

Рис.7.8. Гидросхема привода поворота стрелы

Принцип работы гидропривода заключается в следующем. Из бака рабочая жидкость (масло) забирается насосом и подается к гидрораспределителю. В нейтральном положении золотника гидрораспределителя при работающем насосе на участке трубопровода между насосом и распределителем начинает увеличиваться давление, при этом срабатывает предохранительный клапан и жидкость сливается обратно в бак. При смене позиции золотника (нижняя позиция на схеме) открываются проходные сечения в гидрораспределителе, и жидкость начинает поступать в полости нагнетания гидродвигателей (поршневые полости гидроцилиндров). Из штоковой полости гидроцилиндров масло по гидролинии слива проходит через регулируемые дроссели, гидрораспределитель и, очищаясь фильтром, попадает на слив в бак.

Скорость поступательного движения штоков гидроцилиндров регулируется дросселями. Реверсирование движения штоков осуществляется путем переключения позиций гидрораспределителя. При обратном движении штоков без нагрузки их скорость не регулируется и зависит от расхода рабочей жидкости в штоковые полости. При аварийной остановке штоков (например, непреодолимое усилие) давление в системе возрастает, вызывая тем самым открытие предохранительного клапана и сброс рабочей жидкости в бак.

 


 

СПИСОК ЛИТЕРАТУРЫ

 

1. Альтшуль А.Д., Калицун В.И., Майрановский Ф.Г. и др. Примеры расчетов по гидравлике: Учебное пособие. - М.: Стройиздат, 1976. 256 с.

2. Андреев А.Ф., Барташевич Л.В., Боглан Н.В. и др. Гидро- пневмоавтоматика и гидропривод мобильных машин. Объемные гидро- и пневмомашины и передачи. - Минск: Высшая школа, 1987. 310 с.

3. Башта Т.М. Гидропривод и гидропневмоавтоматика. - М.: Машиностроение, 1972. - 320 с.

4. Башта Т.М., Руднев С.С., Некрасов Б.Б. и др. Гидравлика, гидромашины и гидроприводы: Учебник. 2-е изд., перераб. - М.: Машиностроение, 1982. - 423 с.

5. Богданович Л.Б. Гидравлические механизмы поступательного движения: Схемы и конструкции. - М., Киев: МАШГИЗ, 1958. - 181 с.

6. Богомолов А.И., Михайлов К.А. Гидравлика: Учебник. Изд. 2-е, перераб. и доп. - М.: Стройиздат, 1972. - 648 с.

7. Васильченко В.А. Гидравлическое оборудование мобильных машин: Справочник. - М.: Машиностроение, 1983. - 301 с., ил.

8. Задачник по гидравлике / Под ред. И.И. Куколевского. - М., Л.: Государственное энергетическое издательство, 1956. - 344 с.

9. Задачник по гидравлике, гидромашинам и гидроприводу: Учеб. Пособие / Некрасов Б.Б., Фатеев И.В., Беленков Ю.А. и др.; Под ред. Б.Б.Некрасова. - М.: Высш.шк., 1989. - 192 с.: ил.

10. Каверзин С.В. Курсовое и дипломное проектирование по гидроприводу самоходных машин: Учебное пособие. - Красноярск: ПИК " Офсет", 1997. - 384 с.

11. Каминер А.А., Яхно О.М. Гидромеханика в инженерной практике. - К.: Техника, 1987. - 175 с.

12. Копырин М.А. Гидравлика и гидравлические машины. - М.: Высшая школа, 1961. - 302 с.

13. Кочин Н.Е., Кибель И.А., Розе Н.В.. Теоретическая гидромеханика. Часть 1. 6-е изд., перераб и дополн. - М.: Государственное издательство физико-математической литературы, 1963. - 583 с.

14. Кременецкий Н.Н., Штеренлихт Д.В., Алышев В.М. и др. Гидравлика: Учебник. - М.: Энергия, 1973. - 424 с., с ил.

15. Лабораторный курс гидравлики, насосов и гидропередач: Учеб. Пособие / Под ред. С.С. Руднева и Л.Г. Подвидза. - 2-е изд., перераб. идоп. - М.: Машиностроение, 1974. - 416 с., с ил.

16. Лебедев И.И. Объемный гидропривод машин лесной промышленности. - М.: Лесная промышленность, 1986. - 296 с.

17. Лебедев Н.И. Гидропривод машин лесной промышленности. - М.: Лесная промышленность, 1978. - 304 с.

18. Навроцкий К.Л. Теория и проектирование гидро- и пневмопривода: Учебник. - М.: Машиностроение, 1991. - 384 с., ил.

19. Осипов П.Е. Гидравлика, гидравлические машины и и гидропривод: Уч. Пособие. 3-е изд., перераб. и доп. - М.: Лесная промышленность. 1981. - 424 с.

20. Осипов П.Е. Муратов В.С. Гидропривод машин лесной промышленности и лесного хозяйства. - М.: Лесная промышленность, 1970. - 312 с.

21. Примеры гидравлических расчетов: Учеб. Пособие / Под ред. А.И. Богомолова - 2-е изд., перераб. - М.: Транспорт, 1977. - 526 с.

22. Прокофьев В.Н. Аксиально-поршневой регулируемый гидропривод. М.: Машиностроение, 1969. - 496 с.

23. Рабинович Е.З. Гидравлика. 2-е изд. Исправл. - М., 1957. - 395 с.

24. Рабинович Е.З. Гидравлика. 3-е изд., исправл. и перераб. - М.: Государственное издательство физико-математической литературы, 1961. 395 с.

25. Сборник задач по машиностроительной гидравлике: Учеб. пособие / Бутаев Д.А., Калмыкова З.А., Подвидз Л.Г. и др.; Под ред. И.И. Куколевского и Л.Г. Подвидза. - 4-е изд., перераб. - М.: Машиностроение, 1981. - 464 с., ил.

26. Свешников В.К., Усов А.А. Станочные гидроприводы: Справочник. - 2-е изд., перераб. и доп. - М: Машиностроение, 1988. - 512 с.: ил.

27. Справочное пособие по гидравлике, гидромашинам и гидроприводам / Я.М. Вильнер, Я.Т. Ковалев, Б.Б. Некрасов и др.; Под. ред. Б.Б. Некрасова. - 2-е изд., перераб. и дополн. - Минск: Высшая школа, 1985. - 382 с.

28. Угинчус А.А. Гидравлика и гидравлические машины. - М.Л: Государственное энергетическое издательство, 1953. - 359 с.

29. Чугаев Р.Р. Гидравлика. - Л.: Энергия, 1970. - 552 с., ил.

Наверх страницы

 


Поделиться с друзьями:

mylektsii.su - Мои Лекции - 2015-2026 год. (1.138 сек.)Все материалы представленные на сайте исключительно с целью ознакомления читателями и не преследуют коммерческих целей или нарушение авторских прав Пожаловаться на материал