Студопедия

Главная страница Случайная страница

КАТЕГОРИИ:

АвтомобилиАстрономияБиологияГеографияДом и садДругие языкиДругоеИнформатикаИсторияКультураЛитератураЛогикаМатематикаМедицинаМеталлургияМеханикаОбразованиеОхрана трудаПедагогикаПолитикаПравоПсихологияРелигияРиторикаСоциологияСпортСтроительствоТехнологияТуризмФизикаФилософияФинансыХимияЧерчениеЭкологияЭкономикаЭлектроника






Гориз. стыки наружн панельн стен и сх передачи в них вертик нагр. Вертик стыки наружн стенов панелей.






Стыки наружных стен подвергаются возд-ю вертик и ветровых нагрузок, неравномерных деформаций основ-я и t-W деформаций отд-х панелей и стен в целом. Поэтому горизонт стыки несущ и самонесущ стен испытывают в своей плоскости усилия сж от вертик нагрузок и сдвига от горизонт, неравномерных деформаций осн-я и t; вертикальн стыки – усилия растяж-я, сж и сдвига при перераспределении нагрузок от внешн возд-й.

Горизонтальные стыки. Осн треб-я к конструкции - обеспечение min эксцентриситетов в работе на внецентренное сж, и прочности тонких швов из цем-песч р-ра в стыках, кот. д.б. обеспечена при монтаже и в летнее/зимнее время. Прочность горизонт стыков панелей несущ и самонесущ наружных стен обеспечивается при опирании их друг на друга через слои цем р-ра марки не менее М100, бет В15. Конструкцию горизонт стыков решают различно в зависимости от мат-ла стены, ее толщ, необх-ти водозащитной профилировки (устройства противодождевого барьера – гребня в стыке), но определяющим признаком является сп-б передачи вертикальн сжимающих усилий в стыке. Различают: контактный (усилие передается ч/з слой ц/п р-ра с пан на пан, плита перекрытия в передаче усилий не участв, для этого - опорный «палец» - спец опорный выступ панели перекрытия; max несущ способность, наружн стены), платформенный (воспринимает и передает усилие ч/з платформу перекрытия – ч/з торец перекр-я, применяется для 3хслойн стен с гибкими связями), комбинированный (профилированный) – в стенах легкобетонных 1слойных панелей 350 мм и < и 2-, 3хслойных с жесткими связями, ч/з торец стены и ч/з перекр-е; плоский - в легкобетонных панелях 1слойн 350мм и в стенах из ячеистых бет любой толщ, в 2хслойных панелях; опирание перекрытия осущ-ся по всей длине стыка, передача вертик нагрузки как ч/з перекрытие, так и с панели на панель), монолитный (прим-ся в сейсмическом стр-ве) – ч/з бет замонолич-я стыка. Вертикальные стыки панелей наружных стен по форме и характеру статической работы м.б. шпоночными (на стыкуемых торцах чередуются выступы и углубления) и бесшпоночными (вертикальные торцы панелей им. по высоте постоянную форму сечения). В ж/б шпоночном соединении выпуски поперечной арматуры из панелей расположены в 4-6 уровнях по высоте этажа, вертикальная продольная арматура располагается по всей высоте шпоночного соединения, замоноличивается бетоном класса В15.

Обозначения: 1 - панель наружной стены; 2 – панель перекрытия; 3 – опорный «палец» панели перекрытия; 4 – цем. р-р; 5 – бет замоноличивания; 6 – упругий герметик; 7- термовкладыш; 8 – внутренняя стена; 9 – упругая прокладка.


 

 


 

1.20 Стальные связи. Констр-ции связей: сварная, болтовая, замковая, самофиксирующаяся и замоноличиваемая тип петля-скоба, монолитная. Усилия растяжения в стыках стеновых панелей воспринимают спец. стальные связи; распол-ся в 1/нескольких уровнях по выс эт и вып-ся из сталей мягких сортов с большой площадкой текучести.

Типы связей по принципу соединения: 1. Сварные - сварка арм выпусков из панелей/приварка накладок к ним и к закладным деталям панелей; универсальна: м. прим-ся при разл этажности зд-й, в обычн и сложных грунт усл-х, в сейсмостойком стр-ве; осн конструктивн решение растянутых соед-й во внутренн констр-ях зд-й. 2. Болтовые - аналогичны по металлоемкости сварным, менее трудоемки (исключаются повторные работы по ан­тикоррозионной защ), но более деформативны при отсутствии натяжения; прим-ся в обычн усл-х стр-ва. 3. Замковые - образуются 2мя фасонными сталь­н эл-ми — «чижиком» и гнездом-«ловителем» в стальной пластине, зало­женной в панели; «чижик» заводится в гнездо «ловителя» и образует жесткое соед-е, не нуждающееся в доп временных креплениях. В разл стыках прим-ся комбинированные эл-ты в виде 3хгнездных лови­телей, «чижика», соединенного с ловителем и т. п. Обладают универсальностью и поз­воляют конструировать кресто-, Т- и Г-образные стыки внутренн стен с min кол-вом разновидностей закладных элементов. Чаще прим-т во внутрен­н стенах, т.к. в наружн стенах усложняют герметизацию стыков; прим-ся в обычн усл-х стр-ва; 1 по выс этажа. 4. Замоноличиваемая тип петля-скоба. - исп-ся в наружн стенах, где требуется трудоемкая защ сварных связей от атмосферн коррозии; установка стальн скоб в петлевые арм выпуски панелей; прочность и деформативность ее зависят от прочности бет замоноличивания, препятствующего разгибанию и выдергиванию концов скоб из петель; менее трудоемки, чем сварные, но уступают им в прочности; прим-т в зд-х с малым шагом поперечных стен выс не > 12 эт в обычн усл-х стр-ва. По высоте этажа устр-т 2-3 такие связи. 5. Ж/б монолитные. - многошпоночное жесткое соединение, кот. превращает сборные констр-и панельного зд-я в сборно-монолитные. Для этого в ж/б стыках предусм-ся соед-я регулярных горизонтальн арм выпусков из панелей (в 4-6 уровнях по выс этажа), рифление стыковых граней панелей, установка вертикальн арм в канал стыка и его замоноличивание бет М200; наиб прочность и жесткость, раб на растяжение и сдвиг, но требуют больших затрат труда; прим-т при необх-ти такого решения по требования прочности (в сейсмостойких домах повышенной этажности).

Обозначения: 1 – панель наружн ст, 2 – панель внутренн ст, 3 – петлевой арм выпуск, 4 – стыковая накладка, 5 – бет замоноличивания, 6 - стальн закладн деталь, 7 – стальн скоба, 9 – болтовая связь, 10 – стальной клин, 11 – закладн связи самофиксации, 12 – продольная арм стыка.


 

1.21 Методы обеспечения водонепроницаемости и теплоиз-ции пан стен и стыков. Сх изоляции стыков (гориз и верт) пан наружн стен. Закр, откр, дренированный. По граням разрезки панелей - стыки закр, дренированн и открыт типов. Выбор - от конструкции наружн стенов пан и климатич района, правильный выбор - благоприятствует осушающему режи­му наружн стен в проц экспл-ции зд-я. Защ от проникновения влаги извне и со стороны помещения: окраской, водозащитным фактурным сло­ем цем р-ра, облицовкой плитками по слою цем р-ра, стенками из конструктивн бет в многослой­ных конструкциях. Но она про­пускает немного влаги в стыках и примыканиях к заполнению прое­мов => конструктивн мероприятия для отвода из стен проникшей влаги. Сопряжение пан со смежн констр-ми: Плита перекрытия и панель внутр стены заводятся в пазы соответственно у верхней и боковых граней панелей; простр-во замоноличивается бет М200 при констр сх с малым шагом поперечн несущ стен и цем р-ром М100 с большим шагом. Теплоизоляция стыков - термовкладыши из пенополистирола, жестких минераловатных плит. В закрытых и дренированных стыках устья стыков снаружи грунтуются мастиками и заполняются упругими уплотняющими про­кладками из гернита, пароизола и герметизирующими мастиками.

В дренированных и открытых сты­ках снаружи устраиваются: горизонт водозащитн гребни выс 80-120мм, вертикальные декомпрессионные полости, в кото­рых конденсируется влага, водоотводящие фартуки, уложенные на пересечении вертикального и горизонтального сты­ков. В дренированных стыках дополнит упругие прокладки наклеиваются на водозащитный гребень в пределах длины водоотводящего фартука. Влага по фартукам стекает через поэтажные дре­нажные отверстия 50X20 мм, размещенные на пе­ресечениях стыков. В открытых стыках проникно­вению атмосферных осадков через вертикальные устья препятствуют водоотбойные ленты из полиэтилена, неопрена, через горизонтальн — водозащит­ный гребень выс от 120мм.. Для предотвращения возможных мех по­вреждений водоотбойных лент стыки панелей 1го эт вып-ся по типу закрытых. При толщи­не стен от 400мм дренированные и открытые сты­ки м.б. без водозащитного греб­ня.

При закрытых плоских горизонтальных стыках передача на­грузок - по всему сечению, при лаби­ринтных дренированных и открытых стыках — со­ответственно ч/з гребень и внутренний слой па­нели или только через внутренний слой. Прим-е: несущ стены из 1слойн легкобетонн пан - закры­тый; из 3хслойн пан с гиб­кими связями – открытый; дренированный - как вариант за­крытого стыка с некоторым снижением прочност­ных и повышением изоляционных качеств; навесные стенах из 1слойн ячеистобет и легких слоистых небетонн пан - только закрытые.

Обозначения:

1-светоотражающая покраска, 2-герметик, 3-упругая прокладка, 4- оклейка гидроизоляцией, 5- утепляющий вкладыш, 6- бетон замоноличивания, 7- полость декомпрессии, 8- водоотводящий фартук, 9 - противодождевой барьер, 10- водоотбойная преграда, 11- гидроизоляционная обмазка.


 

1.22 Верт стыки пан внутр стен и перегородок. Горизонт стыки внутр несущ стен.

Вертикальные - обеспеч пространственн жесткость коробки зд-я; прочность и звукоизоляция верт стыков пан несущ стен - устройство шпоночных замоноличиваемых соед-й с передачей распора от шпонок на стальные связи м/у панелями стен и на перекрытия. Стальн связи м/у пан привариваются только в верхн уровне, накрываю защитн слоем р-ра. Вертикальные стыки: плоские, профилированные бесшпоночные, профилированные с бет шпонками, шпоночными с замоноличиваемыми стальн связями, с вертикальн армированием по горизонтальными петлевым выпускам, со стальными замоноличенными шпонками.

Горизонтальные - обеспечивают прочность сооружения при силовых возд-х. М.б.: 1 – контактными с передачей верт нагрузки от вышележащей стеновой панели к нижележащей ч/з растворный/бетонный шов, 2 – платформенными с передачей нагрузки ч/з опорные участки панелей перекрытия.

Платформенный (стены опираются друг на друга через перекрытия, плиты которых заведены в стык не менее чем на 50 мм) – наиб распростр, т.к. позволяет прим-ть изделия простейшей формы; содержит 3 шва из цем р-ра: 2 горизонтальных (под и над перекрытием) толщиной не более 20 мм и 1 вертикальный (между торцами элементов перекрытий). Прочность стен в зоне стыка зависит от прочности р-ра в них и величины площадки опирания перекрытий на стену. Проектное положение панелей стен обеспечивают вертикальн болты-фиксаторы (не < 2 на па­н), размещены по верхним опорным граням панелей и входят в соответствующ отверстия в нижних гранях вышележащих панелей.

Контактные (стены опираются непо­средственно друг на друга) с консолями в уровне опирания плит прим-ся в вентиляционных па­нелях; прим-т при сопряжениях панелей сильно нагруженных стен с многопустотными перекрытиями, что исключает опасность раздавливания ж/б над пустотами.

Горизонтальные стыки панелей обычно проектируют плоскими.

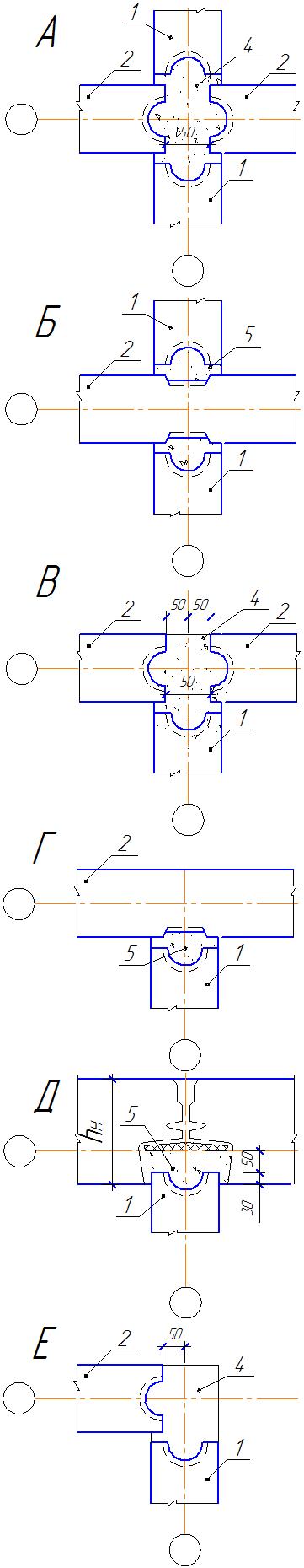
Вертикальн. стык (заполняется бет при шаге несущ стен до 3, 6м, р-ром – 4, 2-6, 6 м; уплотняются упругими прокладками и расшиваются цем р-ром).

 

 

Гориз стык продольной стены с панелями перегородок; стык продольной и поперечн стен:


Вертикальные стыки:

А-Е – стыки несущих панелей между собой и с наружной стеной. Ж – стык ненесущих перегородок со стеновой панелью. 1 и 2 - панели поперечных и продольных внутренних стен; 3-панель перегородки; 4-бетон замоноличивания; 5-шпоночные рифления стыковых граней панелей; 6-упругие прокладки; 7-раствор; 8-панель наружной стены.

Платформенный стык на фиксаторах с панелями перекрытий сплошного сечения: 1- панель стены, 2 – панель перекрытия, 3 – фиксатор, 4 – цементный раствор или паста.

 

Контактные стыки панелей внутренних стен с опиранием перекрытий на консоли стен: а – горизонтальный стык на растворе расположен выше уровня перекрытий, б – стык через монолитное ядро, в – стык на растворе в уровне низа перекрытийц.

1-цементный раствор, 2- монолитный бетон, 3- арматурные выпуски, 4- железобетонный «палец», 5 – стальной «палец».

Контактно-гнездовой стык:

Контактные стыки на пальцах: бетонных или стальных. а – через монолитное бетонное ядро, б – через растворный шов в уровне низа перекрытий, в – через монолитное бетонное ядро при опирании панелей перекрытия пальцами из стальных коротышей.

 


1.23 Констр-ции перегородок. Треб-я к перегородкам, их классификация. Крупноэлементные перегородки. Перегородки из пустотелых шлакобет плит и камней, керамических блоков и кирпича. Перегородки из гипсобетонных панелей и их крепление к несущим конструкциях. Опирание перегородок на перекрытия, примыкание к потолку, стенам. Перегородки разделяют отдельные помещения, д. обеспечивать звукоизоляцию. Требования: необх прочность, устойчивость, в завис-ти от класса зд-я - необх долговечность и огнестойкость, небольшая толщ, малый вес, хорошие звукоизоляционные св-ва, хорошую гвоздимость, индустриальность, экономичность, влагостойкость в помещениях с повышенной влажностью и в санузлах, гигиеничность.

Классиф-я. По месторасположению: межкомн, межкв, с/уз, кухонь. По мат-лу: гипсобетонн, пенобетонн, легкобетонн, каменные (кирпичн, легкобет блоки, плиты), деревянные, из стеклоблоков. По конструкции: кладки, монолитные, крупнопанельн. По способу возведения: неиндустриальн (из мелкоразмерных элементов (плит, камней, щитов)), индустриальные (крупнопанельные, размером «на комнату»); первые выполняют после устройства перекрытий над соответствующими этажами, вторые монтируют на этажах до устройства над ними перекрытий. По мобильности: Стационарные; раздвижные и сборно-разборные - временное разделение помещений, по­зволяющее менять их назначение (складчатые жесткие и мягкие, откатные одно- и многостворные). По ограждающ св-м: глухие, имеющ проемы, неполные (не до потолка). По степени возгораемости: несгораем, трудносгораем, сгораем. По структуре: однородные (сплошные), слоистые из разн мат-в, с воздушн прослойкой.

Виды. 1. Крупноэлементные. Наиб индустриальны - гипсобетонные перегородки размером «на комнату» одинарных внутри квартиры и двойных со звуко­изоляционной воздушн прослойкой > /=40мм м/у квартирами. Толщина 80-100 мм, длина до 6 м, высота до 3, 5м (на 50 мм более выс помещения). Вес панелей 0, 7-2, 9 т. Панели изготовляют с армированием деревянными каркасами из реек; по низу - монтажный брус толщ 60 мм. Предусмотрены дверн проемы стандартизированн разм (выс 2, 1 и 2, 4м, шир – 0, 7; 0, 8; 1, 0м – для однопольных дверей, 1, 2; 1, 3; 1, 5; 1, 9м – для двупольных) на расстоянии не менее 0, 3 м от боковой грани. Проемы фиксируются рамой из брусков с монтажными рас­косами. Для подъема и транспортировки - монтажные петли из круглой стали, закрепленные внизу за монтажный брус. Панели имеют гладкие поверхности и не требуют штукатурки. Уст-ся на ж/б плиты перекрытий по прокладке из толя с подкладными деревянными клиньями для рихтов­ки по высоте. В конструкцию пола толщиной от 80 мм они заводятся на 70 мм так, чтобы верхняя грань панелей к укладываемым над ними ж/б плитам была на расстоянии не ме­нее 20 мм. При отделке помещений этот зазор тща­тельно конопатится паклей, смоченной в гипсовом р-ре. Поверху панели раскрепляются в двух-трех точках стальными закрепами, заводимыми в швы м/у плитами перекрытия. Из тяж/легк бет толщ не менее 60мм.

2. Перегородки из мелкоразмерных элементов. Из пустотелых шлакобет плит (разм 390х190х188мм) и камней, керамич блоков и кирпича. Кладку камней выполняют с перевязкой вертикальных швов. Шлакобетонные и керамические пустотелые камни укладывают на цем/сложном р/ре так, чтобы их пустоты располагались вертикально. Кладку ведут с перевязкой швов на гипсовом растворе. Для усиления перегородок в дверных проемах устанавливают деревянные стойки и к ним прибивают плиты. По требованиям звукоизоляции между помещениями перегородки выкладывают из 2 рядов плит с зазором между ними до 6 см. Поверхность выложенных перегородок перед отделкой затирают р-ром.

Кирпичные - толщ 65мм (межкомнатные), 120мм (межквартирные) и 250мм. Перегородку толщиной в четверть кирпича армируют полосовой сталью, которую укладывают в горизонтальные швы ч/з 3 ряда кирпича/в горизонтальн и вертикальн швы. Выпуски арматуры прикрепляют к стенам дюбелями. Кирпичные перегородки в полкирпича длиной не более 5 м и выс не более 3 м можно делать неармированными. При больших размерах их армируют через каждые 6 рядов, укладывая арм в гориз швы и концы связывая с осн констр-ми гвоздями/ершами.


 

1.24 Крупноблочные стены. Сх разрезок наружн стен на блоки. Осн типы блоков. Зд-я из крупных блоков, узлы и сп-бы герметизации стыков стен крупноблочн зд-й. Констр-я внутр стен крупноблочн зд-й. Крупный блок обладает самостоятельной устойчивостью в отличие от панелей. Блоки наружных стен - из легких бет М50, М75, М100, внутр.стен – из тяж бет М150 и М200. Виды блоков наружн стен: простеночные (рядовые, угловые, доборные); поясные (рядовые, угловые, доборные); перемычечные, подоконные (для окон с балконной дверью и без балконной двери); цокольные (рядовые, угловые, доборные); парапетные (рядовые, угловые, доборные, для устройства чердачных и бесчердачных покрытий зданий); карнизные (для устройства крыш с наружным водоотводом).

Кладка наружных стен - с перевязкой швов м/у простеночными и пояс­ными (в том числе перемычечными) блоками. В кладке внутренних стен перевязка швов образу­ется в платформенном стыке с плитами перекры­тия.

Толщина блоков наружн стен 400, 500, 600мм; внутренн 200, 300 мм. Ширина простеночных блоков увязывается с конструктивным шагом здания и размерами про­емов.

Необходимую прочность и устойчивость наруж стен обеспечивают: замоноличиванием верт. стыков м/у блоками легким бетоном марок М75 и М100; стальными связями м/у блоками наруж и внутр стен; опиранием перекрытий на стены по слою цем.-песч. р-ра и стальными связями поясных и перемычечных блоков с настиланием перекрытий и покрытий. Горизонтальные и вертикальные стыки блоков наруж.стен в швах с внешней стороны герметизируют. В вертикальных стыках устанавливают утепляющие вкладыши. Связь м/у продольными и поперечными стенами: в углах наружных стен — перевязкой кладки специ­альными угловыми блоками; в местах примыкания наружных стен к внутренним несущим стенам — путем закладки Т-образных анкеров из полосовой стали в горизонтальные швы (рис). Совместная работа наружных и внутренних стен обеспечивается устройством монолитных шпонок, заполненных цем-песч р-ром. Соединение блоков наружных стен между собой и с плитами перекрытий фиксируется анке­рами из круглой стали. Блоки внутренних стен со­единяются в ряду стальными накладками из угол­ков и полосовой стали. Балконная плита закрепляется сваркой со сталь­ными анкерами, защемляемыми плитами перекры­тия (рис).

Стыки герметизируются и утепляются путем конопатки паклей, проклейки руберои­дом на битуме, установки пакетов из минерального войлока на битумной связке и замоноличивания легким бетоном. Снаружи швы зачеканиваются це­ментным раствором (рис).

Зд-я из блоков: констр-ции – полносборные (все – заводск изгот-я), констр сист - бескаркасная, выс до 5 эт - с продольными несущими стенами, повышенн этажности – с большим/смешанным шагом поперечных стен. Наружные стены в пределах высоты каждого этажа членят по горизонтали на 2, 3 или 4 ряда блоков. Соответственно эти разрезки стен называют 2х-, 3х- и 4хрядными. Для зд-й с высотой этажа 2, 8м -2хрядн, 3, 3м - также 3х- и 4хрядн.

Внутренн ст. Виды блоков: стеновые, вентиляционн, спец: электроблоки, блоки ЛК, чердака; 1- и 2хрядн разрезка: 1 - более распространена, т.к < трудозатраты, повышает прочность, устойчивость и звукоизоляционные качества стен. При 1рядной разрезке стены монтируют только из простеночных блоков – глухие, с дверн проемами. В случае применения только глухих блоков дверн проемы устр-т установкой блоков с разрывом на ширину проема; в разрыв - перемычечный блок. При 2хрядн разрезке стены – из простеночных и горизонт поясных блоков. Прочность и устойчивость обеспеч-ся прим-м бет соответств марок по прочности на сж, уст-кой блоков на ц-п. р-р М50, М100 с перевязкой верт швов (при 2хрядной разрезке), горизонт ст связями м/у блоками в плоскости стены и блоками стен перпендикулярн направления; опиранием перекрытий на стены и ст связями стен с перекрытиями. Горизонт стыки стеновых блоков с однорядной разрезкой - контактные (передача верт нагр от блока к блоку ч/з бет/растворн шов), платформенными (ч/з плиты перекр-я)/комбинированными.


1.25 Перекр-я жилых зд-й. Виды, их место и роль в стр-ре зд-я. Сх. опирания.

Ф-ции: несущ, ограждающ. Сост 20% от стоимости зд-я. Классиф-я: 1. по месторасполож-ю: чердачн, м/уэтажн, над подвалами, проездами; 2. по конструктивн признакам: сплошн/раздельн, сплошн/пустотного сечения; сборн/монолитн; 3. по типам и размерам; 5. по теплотехнич и звукоизоляционн св-м: акустически однородные/неоднородн. (неск слоев); по степени сборности и заводской готовности; 6. по сп-бу передачи возд-й: балочные, безбалочные/плитные.

В качестве несущих конструкций перекрытий в жил зд-х применяют преимущественно типовые ж/б изделия заводского изготовления.

Для устройства перекрытий кирпичных и крупноблочных зданий применяют многопустотные настилы высотой 220мм с круглыми пустотами. Для устройства перекрытий помещений пролетами 9 и 12м применяют предварительно напряженные многопустотные настилы высотой 220 и 300мм, а для покрытий – ребристые настилы и настилы типа «Т»и «ТТ».

В полносборном домостроении используют следующ. типы панелей перекрытий: сплошного сечения толщиной 120 и 160мм и многопустотные панели 220мм.

Сплошные толщ 120 и 160 мм из бет М200 и армируют ст сетками и каркасами – для жил зд-й с малым до 3, 6 м и большим до 6, 3 м пролетом. Ширина 2, 7-3, 6м, Длина 4, 2-7, 2м через 300мм. Обеспеч достаточн звукоиз-ю 160 мм, а 120 мм – доп меры звукоиз-ции – в констр-ции полов. Жесткость диска перекрытия обеспечивается путем сварки расположенных на боковых гранях арматурных выпусков, замоноличивания швов це­ментным раствором марки 100 и образования растворной шпонки в плитах толщиной 160 мм. Проектное положение плит контролируется фиксатора­ми в несущих стенах.

Многопустотные панели толщ 220 мм длиной 4, 8-6, 3 м ч/з 300 мм, шир 1; 1, 2; 1, 5; 1, 8 м из бет М200, армир-ся каркасами, защ слой бетона 20 мм - применяются в перекрытиях панельных зданий продольно-стеновой и поперечно-стеновой (со смешанным и большим шагом поперечных стен) систем. Глуб опирания не менее 90 мм. Анкерные связи плит с наружн и внутр стенами – в каждой 3, 4 плите ряда + перекрестные связи, соединяющ соседние в ряду плиты. Продольные швы м/у плитами образуют рас­творную шпонку, заполняя расположенные по бо­ковым граням тарельчатые пазы диаметром 120мм, с шагом 200 мм. Появляющиеся при раскладке за­зоры между стеной и плитой или между соседними плитами заполняются: при ширине до 50 мм — цементным раствором М100, при ширине 50—300 мм — бет М200, армированным свар­ными каркасами.

Сопряжения с наружной стеной; над внутренней стеной ; с плитой балкона

 

 


 

1.26 Классификация полов и предъявляемые к ним требования. Структурные элементы конструкции полов и их назначение. Водостойкие конструкции полов. Конструктивн решение пола соотв-т назнач-ю помещений и зависит от предъявляемых к нему звуко-, тепло- и влагоизоляционных требований. Решающие – звукоизоляционные - путем прим-я акустически однородных массивных перекрытий, акустически неодно­родных — слоистых, в т.ч. с воздушн пустотами; также учит-ся режим эксплуатации, арх интерьера и экон целесообразность. Требования: высокая мех прочность, ровная поверхность, не истираться, не пылить, хорошая эластичность, быть бесшумными, малый коэфф-т теплоусвоения, стойкость против возгорания, водонепроницаемость, стойкость к химически агрессивным вещ-м, не проводить эл.ток, обладать быстрым и легким ремонтом. Полы в жилых и общ зд-х устр-т на м/уэт перекрытиях, на перекрытиях над холодн и отаплив подпольями/на грунте.

Конструктивн эл-ты: 1. Покрытие – верхн слой пола, непосредственно подвергающийся эксплуатационн возд-ям: изделия из древесины, рулонн и плитные синтетическ мат-лы (линолеум, ПВХ плитки), керамическ плитки, мозаику, плитки из естественн камня. Линолеум, ПВХ плитки, паркет, паркетных досок, строганых досок - в жил комнатах, кори­дорах, кухнях и аналогичных по эксплуатационным треб-ям обществен помещениях (в т.ч. на теплой подоснове); с санузлах и по­мещ-х с увлажнением покры­тия - из линолеума/ керамич плиток; в вестибюлях, торг за­лах магазинов и др помещ-х кратковремен­ного пребывания посетителей в уличной обуви - из мозаичных бето­нов; в подсобных и служебн помещ-х — из бе­т/цем-песч р-ра с железнением поверх-ти. В подпольях, подвалах и сараях покрытия совмещаются с подстилающим слоем и вып-ся из глинобет/уплотненных на­сыпных материалов (шлак, щебень, гравий). В промышл стр-ве - > 80 различных типов покрытий полов. Различают полы бесшовные со сплошными покрытиями, из штучных, рулонных и листовых материалов. Бесшовные - из бет/с добавками, асфальтобет, цем-песч р-ра, полимеров, ксилолита; Из штучных материалов - более трудоемки в изготовлении: ж/б и мет плиты, керамические, пластмассовые плитки, деревянные шашки, кирпич. В промыш стр-ве наиб прим-е - бет монолитные бесшовные полы с разл добавками, придающими им необх св-ва. Полы из чугунных плит - в обоснованных случаях, полы из рулонн и листовых материалов - в основном во вспомогательных помещ-х. 2. Подстилающий слой – элемент пола, распределяющий нагрузки на грунт; из бет, асфальтобет, гравия, щебня, песка. Бетонный – рекоменд-ся при воздействии на констр-ю пола агрессивных сред. Толщина - по расчету в зависимости от воздействующей на него нагр и принимают: из бет класса В22, 5 и выше – не менее 100мм; песчан – 60мм; гравийного, щебеночного и шлакового – 80мм. В бет, при эксплуатации кот. возможны перепады t, предусм деф.швы, располагаемые во взаимно перпендикулярных направлениях через 8-12мм. До укладки подстилающего слоя настилы ж/б плит перекрытия д.б. замоноличены с устранением мелких поверхност­ных дефектов (трещин, отв, раковин). В це­ментн стяжках подстилающего слоя также не допускаются трещины, выбоины и открытые швы. Горизонтальность стяжек проверяется контрольной рейкой с уровнем. Поверхность подстилающего слоя под покрытие из полимерных материалов окончательно выравнивается шпатлевкой. 3. Прослойка – промежуточный слой, связывающ покрытие с нижележащим слоем/служащий для покрытия упругой постелью. Выбор типа - в соотв с характером возд-й на пол жидкостей и t: цем-песч. р-р 10-15мм, цем-песч. р-р с добавлением латекса 10-15мм, жидкое стекло с уплотняющей добавкой 10-12мм, связующее на основе битумных мастик 2-3мм, синтетических смол 3-4мм, мелкозернистого бет кл не ниже В30 30-35мм. М. вып-ть теплоизолирующие ф-ци – исп-т теплоизоляционн мат-лы 60-150мм из минераловатных, стекловатных и древесноволокнистых матов и плит. 4. Стяжка – слой пола, служащ для выравнивания поверхности нижележащего слоя, распределения нагрузок по нежестким слоям пола на перекрытии, обеспечения нормируемого теплоусвоения пола, придания покрытию пола заданного уклона; из бет/цем-песч. р-ра. 5. Гидроизоляция – элемент пола, препятствующий проникновению ч/з пол жидкостей, проникновению в пол грунтовых вод - оклеечн из изола, гидроизола, бризола, полиизобутилена, ПВХ пленки, полиэтилена; на основе битума - в 2 слоя, из полимерных материалов – в 1 слой. 6. Основание - ровная жесткая поверхность: в многоэт - плиты м/уэт перекрытий, в 1эт – грунты основания. Если необх. - понижение грунтовых вод. В полах на грунте основание - подстилающий слой из бет М75, М100 до 200мм - выше уровня отмостки и зоны опасного подъема грунтовых вод, если без подвала. Гидроизоляция в полах на грунте - слой щебня, пропитанного битумом, асфальтобет по щебню, втрамбованному в грунт цем.-песч. р-р / литой асфальт.


1.27 Крыши и их конструкции. Чердачные крыши: с рулонной гидроизоляцией, безрулонная, с теплым и холодным чердаком. Плоские крыши бесчердачных покрытий, их конструкции и детали. Совмещенные покрытия: вентилируемые, невентилируемые. Крыша — наружн несущ и огр констр-я, подвержен­н силовым возд-м собств веса, снега, ветра, кратковрем экспл-м нагр и возд-м атм осадков, солнечн радиации, переменной t и W на­ружн возд, хим реагентов, теплового потока и потока пара. Требования: прочность, устойчивость, гидро-, тепло-, пароизоляц, удобство экспл-ции, обеспечение необх t и W в чердаке, нелдопущение образ-я сосулек и наледей на кровле, min необх затрат, фактура, цвет, наружное покрытие (кровля) - морозостойкость, хим и радиационн стойкость, долговечность.

Констр-я сост из: несущ эл-ты (из ж/б, дер, мет), тепло - (плитн/засыпные мат-лы – пенополистирол, минераловатн плиты, фибролит, ячеист/легк бет, гравий), паро - (рулон мат-лы – рубероид, пергамин, фольга), гидроизол-я (кровельн плитки (черепица, асбестоцем листы, шифер), листовые (сталь, волнист асбестоцем, метчерепица), рулонн (рубероид, гидроизол, пергамин), битумн и полимерн мастики, пленки (полимерн и резин мембраны)), основание (дерев доски/бруски (обрешетка), цем р-р и асфальтобет (стяжка), бет несущ констр-ции крыши).

Классиф-я: По назначению: неэкспл-емые (вып-т осн ф-ции); экспл-мые (вып-ют осн и доп ф-ции). От уклона: скатные (от 5%) (пологие 6-15%, крутые от 15%); малоуклонные (2, 5-5%); плоские (0 - 2, 5%) – его величина зав от применяем мат-в кровли. По форме (опр-ся констр-й стен, планом зд-я, уклоном): скатные (одно-, дву-, восьмискатн, произв формы, с мезонином, вальмовые 4хскатн, вальмовые со светелкой, полувальмовые); мансардные (2-, 4скатн); шатровые; плоские и малоуклонн (с малыми пролетами, совмещен чердачные лотковые, чердачн безлотковые, эксплуатируем); плоские и с малым укл большепролетн; купольн; сводчатые; складчатые; структурн; висячие; мембранные; струнные. По конструкции: бесчердачные (совмещенные) (вентилируем (с возд прослойкой); частично вент (с каналами/порами для вентиляции); невент (без пустот); чердачные. Выбор - от назначения, этажн-ти зд-я, климат усл-й. Ж/б крыши гражд. зд-й - малоуклонные (до 5%). В жил.зд-ях - чердачная; в обществ – бесчердачная. Все элементы конструкций м.б. совмещены (совмещенная)/разъединены пространством чердака (чердачные).

В скатн крышах ребра пересечения ска­тов назыв-ся: горизонтальн — конек крыши, вы­ступающее наклонное ребро — наносное, запа­дающее — ендова. Ребро западающего угла иногда бывает срезано узкой плоскостью - лотком. Ендовы и лотки - для отвода воды с крыши, по их оси - приемные воронки водосто­ков (наружу – наружный водоотвод (в теплом климате в зд-х до 5эт.), ч/з стояки в зд-ии – внутренн (более надежен)). Наиб индустриальны в любое время года – ж/б крыши

Чердачные крыши. В завис-ти от t режима: холодн (без утепления чердачного помещ-я) – наиб распр; тепл (с утепл); откр/закр черд. При деревянн несущ констр-х - дере­вянн основание и плитные/листовые кровельн мат-лы, при ж/б — рулонные/мастичные. С хол черд – несущ эл-ты из дерева/ж/б и любые кровельные материа­лы; с тепл черд - с несущими констр-ми только из ж/б; прим-т в многоэт. жил домах при исп-ии чердачного простр-ва в кач. воздухосборной камеры вент системы зд-я. 6 осн. вариантов: с хол черд и рулон/безрулонн кровлей, с тепл черд и рулон/безрулонн кровлей, с откр черд и рулон/безрулонн кровлей.

Чердачная сборная ж/б с хол черд. Констр-я: утепленн чердачн перекрытие, неутеплен­н фризовые наружн стены, панели покрытия (кровельн и лотковые пан) и их опорн констр-ции. Холодное простр-во черд вентилируется наружн возд ч/з отв. в пан-х фризовых стен. Выс чердака – не< 1, 6 м, м.б. местн понижения до 1, 2м. В зависимости от констр сх зд-я кровельные панели опи­рают на продольные/поперечные несущ эл-ты. Гидрои­золяция ж/б крыш - из рулонн мат-в/безрулонн из гидроизоляционных мастик; основание по гидроиз-ю - кровельные пан. На ковре – присыпка из гравия, втопленного в мастику. Минусы рулонн: трудоемкость, обеспеч-т свои св-ва лишь при их устр-ве в теплый период; этого нет в безрулонн кровле из мастик, т.к. наносятся в заводских усл-х, затем повторно в проц экспл-и; швы м/у плитами заделываются расширяющейся герметизирующей мастикой; стыки кровельн пан в них размещ выше поверх-и крыши внахлестку/с ж/б нащельниками. М.б. гидроиз-я из бет высок марок > М300 без мастики. Кровля приподни­мается над чердачным перекрытием в середине зд-я на выс от 0, 2 м при непроходном, от 1, 6 м при полупроходном и от 1, 9 м при про­ходном чердаке.

Чердачная сборная с тепл черд. Констр-я: утепленн наружн ограждения из фризовых пан, утепленные панели покрытия и лотка и неутепленное чердачное перекрытие, опорн констр-ции. Воздух, поступающ из вент каналов и шахт, удаляется ч/з общ вытяжную шахту. Гидроиз-я – такая же как и с хол черд. Панели покрытия теплых чердаков - 1слойн из легк/ячеист бет / 3хслойн комплексн панелей (2 ж/б плиты с теплоизо­ляционн слоем м/у ними). Вентблоки нижележащих этажей завершаются оголовками выс 0, 6м в чердачном пространстве и не пересекают покрытие. Фризовые панели проектируются глухими (без вентотверстий). В средней зоне теплого чердака – общ вытяжка шахты (1 на секцию) выс 4, 5м от уровня верхней плоскости чердачного перекрытия.

Бесчердачн крыши. В жил домах – выс до 4эт. и над отд-ми эл-ми многоэт домов – выступающ над крышей ЛК, машин отд-ми лифтов и т.п. 5 вариантов: с раздельн черд перекр-м и крышей; то же с безрулонной кровлей; с совмещен 1слойн панельн констр-й (из легк бет плотн до 1200 кг/м3 / автоклавного ячеист бет плотн до 800 кг/м3 + гидроиз-я); с совмещен 3хслойн панельн констр-й (2 ребрист плиты+утеплит-ль м/у ними); с совмещен многослойной построечн изгот-я. Конструкцию раздельных бесчердачных крыш составляют те же эл-ты, что и чердачн крышу с хол черд. Т.к. воздушн простр-во им малую выс до 600мм, упрощено решение опорных констр-й под кровельные панели – их опирают на подкровельные участки внутренн стен/на фризовые наружные/продольные внутренн стены, реже на спец. опорные констр-и. Кровельн пан – предв напряжен ж/б плиты толщ от 40мм.

Совмещенные крыши - в большинстве обществ зд-й; в жил. домах до 4 эт во II и III климат районах. Включ многослойную кровлю из рулонн мат-в; выравнивающ стяжку из цем-песч р-ра - основание под кровлю; утеплитель; пароизоляцию; ж/б плиты, перекрывающие верхний этаж. М.б. вентилируемыми и невентилируемыми. Вентиляция подкровельной зоны обеспечивает осушающий режим по­крытия в целом. При ее отсутствии м.б. увлажнение утеплителя => < гидроизоляционн, теп­лозащитн, прочностн св-в крыши; м.б. разрывы рулонного ковра из-за наледей зимой и образ-я паровых мешков летом. Совмещенные невентилируемые крыши возводятся только в летнее время в районах с сухим климатом с мерами по пре­дохранению покрытий от увлажнения. Проектируются полносборными и построечного изготовления. Для полносборных крыш прим-ся панельные конструкции 1- и 3хслойн. Полносборн м.б. также двойная конструкция совме­щенной крыши из несущих ж/б панелей перекрытия верхнего этажа и свободно уложенных по ним утепляющих панелей из легк/ячеист бет. Совмещенные покрытия построечного изгот-я возводят путем по­следовательной укладки по ж/б перекрытию верхнего этажа пароизоляционн и теплоизоляционн мат-в, выравнивающ стяжки и рулонн гидроизоляционн ковра.

Водоотвод с покрытий, как правило, проектируют внутренн. С совмещенных покрытий м. устраивать наружный водосток: организованный – при размещении здания с отступом горизонтальной проекции карниза на 1, 5м от красной линии застройки, неорганизованный – в малоэтх зд-ях, расположенн внутри квартала. Расстояние м/у водосточными трубами при организованном наружном водоотводе – не> 20м. Водоприемные воронки внутр водостока - по 1 на жилую секцию, но не< 2 на зд-е.

 


 

1.28 Треб-я к кровлям. Водоотвод с кровель наружн и внутр. Сх расположения водостоков и воронок на совмещенной крыше. Детали примыкания кровель к парапетам и вентканалам. Кровля – часть покрытия, сост из водоизоляционн слоя и основания (обрешетка, сплошной настил, укладываем по несущ констр-м, стропилам / плитам покр-я). Треб-я: функциональн, тех, экон, арх-худож. Функциональные – обеспеч вып-е осн ф-ций (теплозащ, защ от осадков, ветра, пыли); удобство экспл-ции; размещение на крыше и в чердаке необх эл-тов; недопущение образования наледей и сосулек на кровле; устр-во спец эл-тов (площадок, оранжерей); план-ки чердачн помещ-я и кровли; обеспечения требуем t и W возд в чердаке. Тех - прочность, устой-ть, надежность констр-ии от возд-вий силового хар-ра, пожарная безоп-ть, удобство экспл-ции (наличие проходов, выходов на кровлю). Экон – минимально необх затраты на стр-во, ремонт и экспл-цию покрытий. Арх-худож: привлекат внеш вид кровли и всего покрытия в целом; удачное исп-ние фактуры и текстуры, цвета внеш отделки; согласованность с окруж застройкой.

Водоотвод: наруж и внутр (ч/з распол-ные внутри зд стояки - водоотводы); организованн (по водосточным трубам) и неорганизованн (на террит-ю с карнизного свеса крыши). Неорганиз - в зд-х выс до 10м; наружн организ - в зд до 5 эт. Наружный – недостаток: обледенение свеса и водоотводов, при их очистке разруш-ся кровля, карниз, фасад зд-я, трубы водоотвода деформир-ся, корродируют; организованн по желобам и водо­сточ трубам / неорганизованн со свободным сбросом воды с кар­низных свесов крыши. Неорганиз водоотвод допускается только в малоэт зд, расположенных с отступом от красных линий за­стройки при сбросе воды на газоны. При орг-ном наруж водо­отводе карниз устр-ют за счет свеса панели крыши/кровел пане­ли. Вынос карниза — от 0, 4 м при организованном и от 0, 6 — при свободном водостоке. Край рулон ковра у карнизного свеса защищают сливом из оцин­кованной стали. Желоб располаг на карнизном свесе крыши/под­вешивают к нему. Шаг наруж водосточ труб по фасаду д.б. не менее 24 м. Их размещают также на всех углах и в риза­литах. Минимально необх кол-во труб опред-ся из расчета 1, 5 см2 попереч сечения трубы на 1 м2 площ крыши. Внутр – исп-ся в больш-ве жилых и общ зд; нет необх-ти в очистке крыш; осущ-ся ч/з водосточ воронки, стояки, тру­бопроводы и выпуски (закрыт - в ливневую канализацию / от­крыт - на отмостку). Воронки располаг в пониженн частях крыши - лотках/ендовах. Лот­ки прим-т преимущ-но в чердачных крышах, ендовы - в бесчердач. В зд слож­ной конфигурации в плане кол-во воронок опред-ся из рас­чета 400 м2 покрытия на воронку при расстоянии до нее не > 24м для скатных и не > 48 для плоских покрытий, а в жилых домах предусмат­ривают не менее 1 воронки на секцию, но не < 2 на все зд-е. Max площадь водосбора 1200м2. Расст-е от оси воронок до продольн и поперечн разбивочн осей – 500мм. Min уклоны отводных трубопроводов: для подвесных – 0, 005, для подпольных – 0, 003. Стояки внутр водоотвода располаг в отапливавмых подсобных помещ-х (санузлах, коридорах, ЛК) и присоед-т к трубопроводам ливневой канализации. В случае отсутствия ливневой канализации дождевые и талые воды из стояков внутр водоотвода ч/з открытые выпуски отводят к кювету по ж/б лотку, расположенн на тротуаре. Открытые выпуски располаг преимущ-но на южных фасадах. Кровля у водоприемника усиливается 3 доп слоя­ми рубероида и в радиусе 1 м — воротником из пропитанной битумом мешковины. Вдоль линий водораздела (в ендове или на коньке) над ковром наклеиваются две дополни­тельные полосы рубероида: нижняя — 800 мм, верхняя — 1000 мм шириной.

 

 


 

а - ендова пристенная, б - то же средняя, в - уст-ка воронки в покрытии из ж/б плит, г - то же с мет настилом; 1 - парапет, 2 - воронка, 3 - осн водоизоляционн ковер, 4 - плита покрытия, 5 - набетонка, 6 - асбоцем кольцо, 7 - сливной патрубок, 8 - прижимной фланец, 9 - ст профилирован лист, 10 - ст поддон, 11 - хомут, 12 - деревянн подкладка, 13 - асбестоцем лист.

 

 

Примыкание кровли к парапету

а - многослойной кровли к парапету с покрытием по ж/б плитам, б - то же с прим-м стального проф. настила, д - мастичной кровли к парапету; 1 - стена, 2 - парапетн плита, 3 - фартук из оцинк стали с креплением дюбелями ч/з 600мм, 4 - доп слои из рулон ковра, 5 - воронка водостока, 6 - осн рулон ковер, 7 - защ слой, 8 - выравнивающ слой, 9 - утеплитель, 14 - мастичная кровля.

 

 

 

Примыкание кровли к вентканалам


 

1.29 Треб-я к пром зд-ям. Меры по обесп-ю противопож и противовзрывной опасности.

Треб-я: 1. Функционально-технологич - пром зд наиб полно удовл-ть назначению (технологич процессу); этому подчинено объемно-планировоч, конструкт решения, внутрицеховое подъемно-трансп оборуд-е, воздуш среда, световой и шумовой режимы произв-ва. Объемно-планировоч и конструкт решения принимают так, чтобы была возможность модернизировать технолог процесс без реконстр-ции зд-я. 2. Физико-технич. - обеспечение прочности, устойч-ти, долговеч-ти зд, < пожароопас-ти для раб-щих и возм-ти возведения зд индустриальн методами. Уровни проч-ти, устой-ти и долговечности кон-ции зд, обеспечиваемые при проек-нии, хар-ют степень его надежности при экспл-ции. Надежность – безотказная работа в задан силовых и прир-клим усл-ях в течение расч срока экспл-ции. 3. Экон - обеспечение минимально необх затрат на стр-во и экспл-цию зд, достиг-ся выбор наиб целесообразных объемно-планировоч, конструк и арх-композиционн реш-й при норм орг-ции технолог проц; дл < стоим-ти стр-ва исп-ся мест строит мат-лы, не завышают капитальность зд, < затраты на его экспл-цию. 4. Арх-худож - д. им. привлекат внеш облик, гармонировать с ландшафтом и окр природой, пропорциональность, ритмичность эл-тов, кач-во монтажных и отделоч работ, цвет и фактура отделоч мат-лов. 5. Эколог - содерж-ся в технол проц - любой технолог проц д. исключать загрязнение воздуш и водн среды, обеспечивать рацион исп-ние природн ресурсов и отходов произ-ва.

Противопож и противовзр безопас-ть. произ-ва обеспечивается планировоч и конструк­т мероп-ями со­отв-но категории п/пр по взрывопож опасности. Планировоч меры: выбор этаж­ности зд, места располо­жения наиб опасного уч-ка произ-ва, ограниче­ния размеров площадей поме­щений м/у противопожар­ стенами (в соотв-ии с категорией произ-ва и этаж-тью зд) и обеспечение возм-ти без­опас эвакуации людей. Опасные уч-ки произ-ва располагают в 1этаж зд у наруж стен, а в много­этаж - на верхнем этаже. Для эва­куации людей предусмат­ривают эвакуационные пу­ти и выходы наружу не­поср-но или ч/з смежные помещения, в кот размещены произ­-ва, не представляю­щ опасности в пожар­ном отн-нии. Констр-ции их проек-ют с огнестой­костью не ниже III ст. Длина эвакуацион пути – расст-е от наи­б удаленного раб места до ближайшего эва­куацион выхода - 50-100м в 1эт и от 30-40 до 75-80м в зд выс 2 и > эт в завис-ти от категории произ-ва по пожарной опас-ти. Эвакуа­цион выходами служат двери и ворота (за искл-ем ворот для подвижного ж/д состава). Конструктивн меры: обеспечение противопож и противовзр безопас-ти служат прим-ние несгораемых констр-й с пре­делами огнестойкости, соотв-щими категории произв-ва, а в не­обх-ых случаях также и прим-ие легкосбрасываемых ограждений. Легкосбрасываемые при возд-вии взрывной волны наружные ограж­дения прим-ют в зд с произ-вами категорий А, Б и В. Площадь легкосбрасываемых ограждений принимают на 1 м3 взрывоопас помещения не менее 0, 05 м2 в зд с произ-вами категорий А и В и 0, 03 м2 с произ-вами категории Б. С этой же целью в многоэтаж зд с произ-вами А, Б и В предусм-ют в м/уэтаж перекрытиях открытые или перекрытые решетчатыми настилами проемы площадью до 15% площади этажа. Легкосбрасываемые ограждения представляют собой стены и покрытия из асбестоцементных, алюминиевых или стал листов с легким утеплителем, окна с заполнением обычным стеклом, фонарные пе­реплеты, двери, распашные ворота. Кроме планировочных и конструктивных применяются инж-тех меры обеспечения безопас-ти – оборуд-ие зд и по­мещений спринклерными или автоматич дренчерными устан-ками, а также устан-ками автоматич пожарной сигнализации.


1.30 Физ-тех задачи в проетир-ии пром п/пр. Параметры возд среды. Освещение. Аэрация. Шум и вибрация. Физ-тех задачи связ с необх-тью обеспечения микроклимата и сан параметров воздуш среды; необх освещенности раб мест; защ рабочих от произ шума и вибраций. Решение - арх-констр и инж-тех мерами (системы вентиляции, отопления, кондиционирования, искуств освещения). Состояние возд среды хар-ся микроклиматическими параметрами (t, W и скоростью движ-я возд в помещ-ии) и чистотой возд (по показателям конц-ции СО и др газов, паров, пыли, аэрозолей в возд). Создание комфортных/допустимых усл-ий возд среды на п/пр связ с его тепловым режимом и категорией раб (легкой, ср тяжести/тяж). По тепловому режиму произв помещ-я: 1. технолог проц сопровождается незначит избыт­ками тепла, 2. значительн. Оптим парам-ы t и W возд в зоне раб мест в различ время года для п/пр с разл теплов реж и категориями раб регламентирова­ны СНиП. Конц-ция вредных в-в в возд раб среды огранич-ся санит нормами по предельно допустимым величинам. Парам возд среды на п/пр д. обеспеч-ся не только для охраны здоровья трудящихся и создания комфортных усл-ий труда, но и для обеспечения долговечности стр констр-й. Освещение - ест, совмещенн/искуств. Ест - в больш-ве произ помещ-ий с пост пребыванием людей: верхн, верхне­боков и боков (фонари пр/уг, тр/уг, трапецивидн сеч-я с 1 / 2сторонн верт/накл остеклением, зенитные фонари). Совмещенн - на уч-ках произ-ва, где пребывание персонала < 50% раб дня, в теч-е большего срока в технологически и экономически обусловленн случ-х. Искуств - в дневное время в герметизир-ных цехах с кондиционир-ным метеоролог-им режимом и в негерметизир-ных цехах, где оно необх технолог-ки; прим-ся при усл-ии, что время пребывания персонала в таких поме­щениях ограничено (до 50% раб дня) за счет автом-ции произв проц-в: эл лампами разл типа в соотв-ии с хар-ром раб в помещ-и общим/комбинированным (общее+ местные светильники у раб мест). Аэрация. Оптим параметры возд среды обеспеч-т орг-ция воздухообмена в произ помещ-ях путем естеств/искуств (с мех побуждением) вентиляции. Ест - в помещ-ях, где по технолог усл-ям допустимы колебания t и W возд: неорганиз (за счет инфильтрации ч/з неплотности в наруж огражде­ниях, открывания фрамуг) и организ (аэрация). Аэрация поддается расчету: опред-ют необх объем возд, кот д. поступать в помещ-е за счет аэрации, и площади аэрационн проемов (приточных ивытяжных). Приточные проемы - в окнах наруж стен, вытяжные - в фонарях. Площади аэрационных проемов - по расчету, но не < 1%площ пола. Пло­щадь приточных отверстий д.б. =/незначительно > площади вытяжных. Эф-ть аэрации > с > высотного перепада м/у приточ и вытяж отверстиями и перепада t наруж и внутр возд, соотв-щая ориентация зд: фасадом с приточными отверстиями - перпенд-но господствующему направ-ию ветра в летн время, вытяжные отв - c заветренной стороны. Вентиляция с мех побуждением - в произ помещ-ях, в кот по усл-ям технол ограничены колеба­ния t и W, в широких цехах с равными высотами про­летов, в бесфонарных широких зд-х, над источниками вредных выбросов (местн отсосы). Иск воздухообмен с кондицион-ем воздуха - для термоконстантных произ-в. Защ от вибраций от технолог оборуд-я - путем соверш-вания технолог оборуд-я и устр-ва виброизоляции: фунд оборуд-я вып-т не связанными с фунд стр констр-й. Для искл-ия передачи вибрации ч/з грунт по периметру и под подошвой фунд устр-ют нежесткие вибродемпфирующие прослойки (шлак). М/у оборуд-ем и его фунд уст-т виброизолирующее осн-е, сост из мет рамы/плиты и виброизоляторов (ст пружин, резинометал/резиновых пружиня­щих эл-тов). Произ шум оказывает вредное возд-вие на чел организм и > утомляемость, поэт сан нормы огра­ничивают его доп величины в помещ-х 90дБ при низкочастот­н, 80дБ при среднечастотн и 75дБ при высокочастотн шуме. Борь­ба с шумом 3 путями – устранение и < шума в источнике, < шума на путях его распр-я, ис­п-е индивид ср-в защ рабочих. Арх-стр проек-е предусм меры по < шума на путях его распр-я: проек-е генпланов п/пр (компоновка наиб шумных об в отд комплексы, искл-т располож-е вблизи них об, треб-х защ от шума; при распож-и откр источников шума на тер-рии п/пр их изолируют спец боксами, кожухами). В отдельн зд - предельное удаление тихих помещ-й от помещ-й с интенсивными источниками шума. Защ рабочих от источника шума внутри помещ-я/в смежном помещ-и - дистанционн упр-е технолог проц, размещ-е персона­ла в изолированных кабинах наблюдения и строит-акустич ме­рами (звукоиз-ция, зв/поглощение, зв /отражение). Для звукоиз-и помещ-й, смежных с шумным, прим-т стены и перегородки 1слойн констр-и из легких бет с не­сквозными порами/многослойные констр-и с нежестко связанными слоями. Для < уровня шума в помещ-и исп-т зв/поглощаю­щие кожухи на шумных агрегатах, зв/поглощающие констр-и: облицовки, кулисы и штучные зв/поглотители. Для < аэродинам шума в воздуховодах прим-т глушители разл конструкт типов, работа кот баз-ся на принципе зв/поглощения. Принцип отражения звука исп-т, устан-вая акустические экра­ны для отгораживания наиб шумного оборуд-я. Экраны прим-т в дополнение к зв/поглощающим облицовкам и констр-ям, когда последние не обеспечивают < шума до треб уровня.

1.31 Классиф-я пром зд-й. 1. По назначению: 1. Произв – осн технологич проц (прокатн, сборн, формовочн цеха); 2. Подсобно-производств – размещение вспомогат проц (ремонтн, тарн, инструментальн); 3. Энергетическ – размещение установок снабжения п/пр энергией - паром, газом, сжатым воздухом (ТЭЦ, компрессорн, газогенераторн, воздухонадувн, трансформаторные подстанции); 4. Транспортн – размещение и обслуживание т/с (депо, гаражи, автомойки); 5. Складские – хранение сырья, заготовок, полуфабрикатов, готовой продукции; 6. Сан-тех – обслуживание сетей водоснабж и кан-ции, защ окр ср от загрязн (напорные башни, насосные и очистные станции); 7. Адм-бытов (обществ питания, душевые, гардеробы, мед назнач-я); 8. Спец сооруж-я - дымовые трубы, эстакады, резервуары.

2. По об-планировочн хар-м: зависит от технологич проц: По этажности: 1эт (70-80% от всех пром. зданий); 2эт; многоэт; смешанной эт-ти. 1эт. - пр-во маш, металлургич пром-ть, хар-ся тяж и громоздким оборуд-м, большими динамич нагр, крупногабаритн изд-ми. Одноэт разд-ся на 3 планировочн типа: 1. зальные – крупнопролетные зд-я, когда технологич процесс треб большого внутреннего пространства без промежуточн опор. 2. ячейковые – квадратн сетка опор с небольшим попер шагом до 12м и одинаковой выс пролетов, наиб универсальны и обеспеч высокую маневренность произв-ва; 3. пролетн – шир пролетов (24м) преобладает над шагом кол (6, 12м) с пост направлением технолог проц (перпендикулярно пролету несущ констр-й), наиб распр. Многоэт.: пр-ва с вертикальн направленным технол проц (мельницы, хлебозав, химзаводы, п/пр легк пром-ти, радиостр-я) - многопролетн сруктура, в средн пролетах - второстепенн стр-ры, сетка кол 6х6, 6х12, 6х3, 6х9м, тяж. оборуд-е, выделяющ сточн воды - внизу, взрывопожарооп, химлаборатории - вверху. Смешанн эт-ти: пр-ва с гориз и верт напр-м технол проц (машиностр, текстильн, пищев пром-ть). По кол-ву пролетов: 1-, многопролетн. Пролет - расст-е м/у продольн рядами кол в напр-ии раб осн несущ констр-й покрытия (стропильн)/перекр-я (в многоэт). По шир пролета: мелкопролетн (до 12м), крупнопролетн (> 12м), большепролетн (36, 48, 60м и >) (пр-ва с быстроменяющ технологией, выпуск крупногабаритн продукции, гаражи, ангары, авиастр-во). Покрытие пром зд-й: с фонарными надстройками (световыми, аэрационными и свето-аэрационными), бесфонарное. По типу подъемно-трансп оборуд-я: крановые (мостовые, подвесн), бескрановое. По сист инж оборуд-я: отапливаем и неотапливаем; п/пр с избыточным выделением тепла (горячие цеха), не нуждающиеся в отоплении (хол цеха). По параметрам воздушн среды и сист воздухообмена: п/пр с естеств и искусств вентиляцией/кондиционированием возд.

3. По констр.хар-м: по конструктивной системе, мат-лу и методу возведения несущих конструкций и типу конструкций покрытия: с плоскостными (по фермам, рамам, аркам) и пространственными покрытиями разных типов – из оболочек одинарной и двоякой кривизны, висячих, структурных и пневматических.

4. По реж экспл-ции: весьма тяж, тяж, ср, легк.

5. По параметрам внутр среды (микроклимат): воздушн среда, производств шум, вибрация, освещение и ультрафиолет облучение, t, отн W, скорость движения возд; определяются либо треб-ями самого технологич оборуд-я, либо усл-ми max производительности труда работающих, занят в данном произв-ве. По условиям внутр среды: 1. с норм t-W режимом (избыточные тепловыделения не превышают 23, 3Вт/м3, W 40-60%, t 16-18град) - мех, инструментальн, сборочные цехи; 2. со значит избыточн выделениями тепла, влаги, пыли, паров (горячие цехи - литейные, мартеновские, плавильные, кузнечные); 3. со строго заданными параметрами микроклимата, пост на всем протяжении технологич проц (герметичные цехи - цехи точного машиностроения, радиоэлектротехники, пищев, фармацевтическ пром-ти); 4. неотапливаем/отапливаемые до +5град без избыточных тепловыделений (склады сырья, полуфабрикатов гот. продукции, гаражи, производ. помещ-я без пост пребывания рабочих).

По усл-м зрительной работы - на 8 разрядов, для кот установл опред количеств и качеств хар-ки искусств и естеств освещения.

6. По степени универсальности: Требования унификации арх-стр решений предопределили необх-ть проектирования и стр-ва произв зд-й универсальн типа, обладающ повышенной приспособляемостью к разл треб-ям произв-ва.


 

1.32 Меры охр окр среды. Сан защ зоны. Размещение пром зд-й по сан и пож треб-ям. Предел огнест-ти, долговечность и класс зд-я. Неблагоприятные возд-е пром произв-в связ с выделением вредных и неприятно пахнущих вещ-в, дыма, пыли, сажи, с возникновением вибрации, шумов, ультразвука, электромагн волн, радиочастот, статич эл-ва, ионизирующих и радиоактивных излучений => предусм-ся ликвидация/max < вредн возд-й произв-ва на окр ср: изъятие вредн вещ-в и очистка от них технологическ выбросов в очистных сооруж-х, пылегазоуловителях, отстойниках, предусм-ся шумоглушители, < вибраций и проч. Но полное их устранение невозможно => для защ жилых зон предусм-ся устр-во сан-защ зон - благоустроенная и озелененная террит-я вокруг п/пр, свободная от застройки жил и обществ зд-ми. В завис-ти от мощности п/пр, кол-ва вредн. в-в и ур шума осущ-ся санитарн классиф-я п/пр на 5 классов с соответствующ min шириной сан- защ зоны: 1-1000м, 2 -500м, 3 – 300м, 4 – 100м, 5 – 50м. В отд случ-х шир зоны 1 класса м.б. > в 3 раза. 1 кл – цем заводы мощностью 150000т/год, нефтехимия, хим, черн и цветн металлургия; 2– цем заводы < 150000т/год, произв-во асбеста, гипса, извести, текстильная пром-ть; 3 – пр-во рубероида, толя, асфальтобет, стеклянн и шлаковой ваты, керамзита, машиностроение; 4– домостроительные комбинаты, сборного ж/б, кирпичн зав, стекла, фарфоровых и фаянсовых изд-й; 5 – пр-во гипса, фибролита, обработка естеств камней, электроника, швейная, пищевая пром-ть. Ряд п/пр 4 и 5 кл хар-ся практической безвредностью, их размещ в селитебной зоне, организуя промышленно-селитебный район. П/пр 3 и 2 кл выносят на окраину селитебной зоны. П/пр 1 класса изолируют от селитебной зоны. Учет направления господствующих ветров при размещ-и п/пр является эффект ср-вом защ города от вредн технологич выделений в атм, проветривание терр-й п/пр и защ его от заносов. П/пр располаг с подветренной стороны по отношению к селитебной зоне. Взрывооп и огнеоп цехи располаг с подветренной стороны по отношению к др цехам. Когда п/пр нуждаются в значительном потреблении воды и в устр-ве грузовых причалов, их размещ по течению реки ниже селитебной зоны и приближенность к берегу проектируется min. Сброс отходов - ч/з систему очистных сооружений и располаг ниже селитебной зоны по течению водоема.

Строительные конструкции характеризуются огнестойкостью и пож опасностью. Показателем огнестойкости является предел огнестойкости, пож опасность конструкции хар-т класс ее пож опасности.

Предел огнестойкости строительных конструкций уст-ся по времени (в мин) наступления 1/последовательно нескольких нормируемых для данной конструкции признаков предельных состояний: потери несущей способности (R); потери целостности (Е); потери теплоизолирующей способности (I). Пределы огнестойкости стр констр-й и их усл обозначения устанавливают по ГОСТ 30247. При этом предел огнестойкости окон устанавливается только по времени наступления потери целостности (Е). По конструктивной пож опасности строительные конструкции - на 4 кл: К0 (непожароопасн); К1 (малопожарооп); К2 (умереннопожарооп); К3 (пожарооп); уст-т по ГОСТ 30403; зд-я - на 4 кл: С0, С1, С2, С3 в завис-ти от констр-й. По функц пож оп-ти (от исп-я мер безоп-ти людей при возникн-ии пож): 1 гр - произв зд-я и сооруж-я, лаборат, мастерские; 2 гр - складск зд-я, стоянки авто, книгохранилища, архивы; 3 гр - с/х зд-я. По взрывн пож оп-ти: категории по хар-кам вещ-в и мат-в, нах-ся в помещ-ии: А (горюч газы, воспламеняющ-ся жидк-ти при t до28град) и Б (горюч пыль и волокно, воспламен-ся жидк-ти при t> 28град) - взрывопожоп, В1-В4 - пожарооп, Г - наличие негорюч мат-в и в-в в горячем сост-и, при их обработке с выд-м искр, тепла; Д - в хол сост-ии. Долговечность – предельный срок сохранения физ кач-в констр-й зд-я в проц экспл-и: 1 степень – не < 100 лет службы; 2 – 50-100 лет; 3 - не< 20 лет.

Выбору экономически целесообразного решения констр-й способств отнесение зд-я при проектировании к опред классу. Класс здания назначают при проектировании в соотв с его народно хозяйств и градостроительн отраслью: 1 – крупные обществ, правительств зд-я, ГЭС, АЭС, 9эт дома - наиб высокие треб-я; 2 – обществ зд-я массового стр-ва, дома до 5 эт; 3 – дома до 5 эт, обществ зд-я с малой вместимостью, пром зд-я; 4 – малоэт жил дома и врем обществ зд-я, пром здя - min треб-я. Класс большинства пром зд-й редко выше 3 во избежание функциональн старения зд-я.


Поделиться с друзьями:

mylektsii.su - Мои Лекции - 2015-2026 год. (0.834 сек.)Все материалы представленные на сайте исключительно с целью ознакомления читателями и не преследуют коммерческих целей или нарушение авторских прав Пожаловаться на материал