Студопедия

Главная страница Случайная страница

КАТЕГОРИИ:

АвтомобилиАстрономияБиологияГеографияДом и садДругие языкиДругоеИнформатикаИсторияКультураЛитератураЛогикаМатематикаМедицинаМеталлургияМеханикаОбразованиеОхрана трудаПедагогикаПолитикаПравоПсихологияРелигияРиторикаСоциологияСпортСтроительствоТехнологияТуризмФизикаФилософияФинансыХимияЧерчениеЭкологияЭкономикаЭлектроника






Каркасы многоэт (2эт) зд-й. Ригельный и безригельн каркас. Обеспечение простр жестк-ти.






По статич работе: рамные, связевые, рамно-связевые. Пространст жесткость обесп-ся в попер направ-и попер рамами, в продол – плитами перекр-я и верт связями м/у колоннами/прод ригелями.

Осн констр эл-ты: кол длиной на 1–3 эт, жестко заделываемые в фунд, ригели на дл пролета. Соед-е ригеля с кол м.б. жестк/шарнирн. В рамных и рамно-связевых каркасах исп-т жесткое соед-е. Связевые сист каркасов по сравнению с рамными треб меньшего расхода стали за счет упрощения конструкт узлов. Связевые каркасы исп-т при проек-и адм, быт и некот произ зд 9-12эт, в кот связи (диафр жестк-ти) не мешают орг-ции технолог проц. Рамные системы исп-т для зд-й в 3–5 эт, шир не > 60м.

По мат-лу: ж/б (облад большей жестк-тью, но большая масса и трудоемкость) и стал.

3 вида многоэт пром зд-й: 1. массового стр-ва с унифицированными параметрами об-план реш-й; 2. сблокирован зд-я, сост из 1эт и многоэт объемов; 3. зд-я смешан эт-ти со сложн об-планир реш-ми.

Сх: с попер, продол и перекрестным расположением ригелей, с безбалочным перекрытием. Схемы решаются со след сетками колонн: 6х6, 6х9 – под нагрузку 15–25 кН/м2, выс эт 3, 6-7, 2 м, 3-5 эт; 12х6м – ­5-10 кН/м2, выс 3-5 этажей; 6х6м ­- 5-30 кН/м2 до 10 эт.

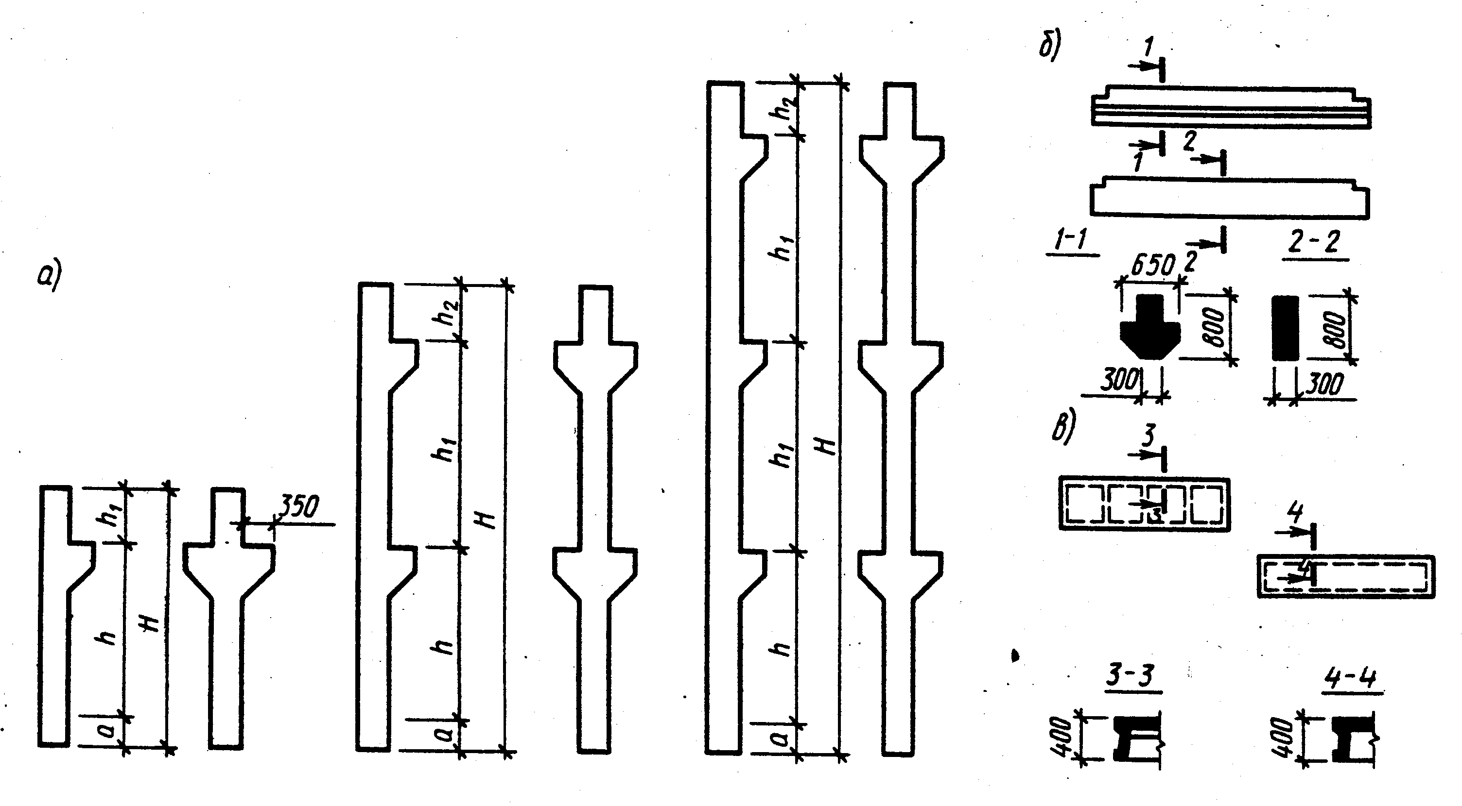
Ж/б каркасы: по сп-бу возведения: сборн, монолитн, сб-мон. Монолитн - прим-т, когда зд-ю необх. принять большую жесткость и уст-ть; из бет М15-30. Осн сх монолитн многоэт зд-й: с попер рамами и с прод второстеп балками (наиб распр); с прод рамами с попер второстеп балками, с балками, располож по кол в обоих напр-х, при плитах безбалочн перекр-ии. Сборные: балочн; бесбалочн. Балочные каркасы сборного типа сост из фунд, фунд балок, кол, ригелей, плит перекр-й, связей. Наиб распростр каркасы с попер рамами, в кот предусмо жесткое соед-е ригелей с кол. Шарнир­ное соед-е исп-т для сопряжения балок/ферм покрытия в зд с увеличенным пролетом верхнего этажа. Фунд устр-т в виде отдельностоящ стакан типа; сост из подколонника с отв под ногу кол (стакан) и ступенчат плитной части (1, 2, 3х); выс фунд 1, 5м (под фахверк), 1, 8-4, 2м ч/з 0, 6; разм подошвы в плане 1, 5х1, 5–6, 6х7, 2м с модулем 0, 3, подколонника 0, 9х0, 9-1, 2х2, 7м ч/з 0, 3, выс ступеней 300, 450 мм; зазоры сбоку в верхн части по 75 мм, в нижней - 50 мм, снизу 50 мм; отм верха -0, 150м; расст-е от края стак до края фунд min 175 мм. Бет фунд В10, В15; бет замоноличивания в стакане В20, В25 на мелком заполнителе. Под фунд вып-т бет подготовку толщ min 100мм из бет В7, 5/из щебня с поливом цем р-ром. Армир-ся арм периодич профиля: сетками (по гориз) и каркасами (по вертик). Под спаренные колонны в местах деф швов - монолитные фунд с двумя раздельными стаканами. Кол уст-т в стаканы фунд, верх кот на отм -0, 150 м (заглубление кол в стаканах 600 и 1000мм). Цокольные стеновые панели опирают на фунд балки, укладываемые на бет столбики фунд. Для < числа монтажных единиц и > надежности каркаса зд за осн тип приняты колонны высотой на 2 эт. В номенклатуру изд-й вх также кол на 1 и 3 эт. Сеч-я кол 400x400 и 400x600мм. Кол изг-­т из бет кл В15-В40 с раб арматурой из горячекатаной ста­ли периодического профиля класса А500 (А-III). Стыки кол размещ на 600-1000мм выше плит перекрытия. Уст-т кол на центрирующие прокладки и соед-т м/у собой накладками, привариваемыми к оголовкам кол из уголков и пластин. Зазор м/у торцами кол зачеканивают р-ром, после чего стык обетонируют по сетке. Для пролетов 6 и 9м ригели м/уэт перекрытий приняты 2х типов: с полками и прямоуг сечения. Ригели им выс 800 мм. При опирании плит перекр-й на ригели с пол­ками конструктивн выс м/уэт перекрытия получается на 400 мм меньше, чем при опирании плит по верху ригелей. При выс эт 4, 8 м и более и при сетках колонн 12x6 м прим-т ригели прямоуг сечения с консолями. Длину ригелей принимают с учетом размеров пролета, сечения ко­л и зазора м/у ригелями и кол. М/уэтаж перекрытия рассчитаны на исп-е ребристых и плоских плит с пустотами. Основные ребристые плиты имеют ширину 1, 5 м, доборные – 0, 75 м, пустотные – 1, 5; 1, 2; 1, 0 и 0, 6 м. Выс ребристых плит - 400, пустот­ных - 220 мм. Опирать ригели на колонны м. консольно и бесконсольно. В1ом случае ригели уклад-т на ж/б консоли и соед-т с кол сваркой заклад эл-тов и вы­пусков арм, замоноличиванием стыков. При бесконсольном сопряжении ригелей с колоннами значит-но улучшается интерьер, сокращается расход стали и снижаются трудовые затраты. Соед-т ригель с колонной сваркой заклад деталей, выпусков арм, омоноличивают бет.

Безбалочный каркас образуют фунд, фунд балки, кол с капителями, надколонные и пролетные плиты, связи. Кол - выс в 1 эт сеч 400x400 и 500x500мм. Стыкуют кол посредством накладок, привариваемых к стал оголовкам, разме­щая стыки на высоте 1м от пола. Кол 1го этажа заделывают в стаканы фунд, имеющ такую же констр-ю, что и в балоч­ных каркасах. Капители (разм в плане 2, 7х2, 7 и 1, 95х2, 7мм и выс 600мм) опирают на 4хсторонн консоли кол и крепят к ним сваркой. На кол и внутренн поверх-ти капители предусмотрены горизонт пазы, образующ после замоноличивания полости сопряжения бет шпонки. На капители в обоих направ-х уклад-т надколонные плиты толщ 180мм, разм в плане 3, 1x3, 45 и 2, 15x3, 45мм. Выпус­ки арм плит соед-т с заклад эл-ми капителей. По этой сх плиты разм 3, 08х3, 08х0, 15мм опирают на надколонные выступы и крепят, приваривая выпуски арм к закладным. Эл-ты безбалочного каркаса изг-т из бет кл В15-В40. Стыки эл-тов заделывают бет В22.

а. плиты перекр-й опир-ся на консоли ригелей; б. поверх ригелей

 

 

Сборные ж/б эл-ты многоэт произв зд-й с балочными перекрытиями: а — колонны; б — ригели; в — плиты.


 

1.39 Стены пром. зд-й. Треб-я к наружн стенам. Констр. сх стен пром зд-й. Стены из кирп, блоков.

Треб-я: обеспеч t-W режима в соотв с треб-ми технолог проц и усл-ми комфортного труда; проч-ть, огнестойкость, долговечность, надежность, устойч-ть в разл усл-х экспл-ции; констр-ции - индустриальны, удобны для транспортировки, монтаже; ремонтноспособны; им. небольш массу; эстетичны; высокие теплозащ св-ва, энергосбережение; экон. 1эт - наружн стены - 12% от общ. ст-ти стр-ва; многоэт - до 20% => < ст-ти мат-ла технологичностью мат-ла и удобством монтажа => исп-е местн мат-в, отх пром произ-ва, ресурсосберегающ технологий. Внутренн поверх-ть стен защ штукатуркой из цем-песч р-ра/кислотостойк р-ра на основе жидк стекла, синт смол; с наружн стороны - окраш/облицовывают керам, стеклянн плиткой, камен мат-ми.

По хар-ру статич работы наружн стены: 1. несущ (кирп, мелк и крупн блоки) - прим-т в бескаркасных зд и в зд с наполным каркасом. Ф-ции несущие и ограждающие; воспринимают вес перекрытий, покрытия, ветровые усилия, нагр от ПТО. Опирают на фунд балки по типу гражданских зд-й. Устой-ть и проч-ть м. повысить устр-ом пилястр с нар/внутр стороны. 2. самонесущ (кирпич, блоки, пан) - несут собств массу в пределах всей высоты зд и передают ее на фунд балку. Ветровые нагрузки воспринимает каркас зд/фахверк. Стеновое заполнение связывают с каркасом гибкими/скользящими анкерами, не препятствующ осадке стен. Высота их огранич-ся в завис-ти от проч-ти мат-ла, толщ стены, шага крайн кол, величины ветровой нагрузки. 3. навесные (ненесущ) - вып-т ограждающ ф-цию за искл-ем нижнего подоконного яруса, кот опир-ся на фунд балку (самонесущ). Кол воспринимают их массу ч/з обвязочные балки, ригели фахверка/опорные ст столики. Наиб распростр в пром зд. «-»: утяжеление кол, столики кол не доступны к осмотру.

Стены пром зданий м.б. выполнены из кирп, мелких и крупных блоков, асбестоцем и мет листов и пан.

Кирпичные стены: несущ и самонесущ. Прим-т в отапливаемых и неотапливаемых помещ-х. Толщ кирп кладки 250-510мм (сплошн кладка), облегченной кладки. Кирпич стены м. прим-ся во влажных и хим агресс средах, на отдел уч-ках панельных стен (места перепада высот смежных пролетов, места устр-ва ворот, углы). Кроме того, прим-ся в цокольной части стен из легких листовых мат-лов. Устан-ся на ленточный фунд/фунд балки. Большие по высоте стены устр-т с пилястрами. Анкер входит в кладку на 300 мм. Крепление ч/з 1, 2м по выс кол. Анкер имеет Г-образную форму. Над проемами укладывают перемычки. Опирание на стену не менее 250 мм. В местах опирания балок/ферм устр-ют пилястры.

Стены из мелких блоков: несущ и самонесущ. Вып-т из прир (туф, ракушечник) и иск (легкие бет) мат-лов. По констр-и: сплошные и пустотеле в сеч-и. Толщ стен из мелких блоков 200-500 мм; назнач-ся по тепло-тех расчету. Над проемами укладывают перемычки. Крепление анкерами ч/з 1, 2 м по высоте колонны. «-» кирп и мелкоблоч: трудоемкость возвед-я.

Целесообразнее заменять мелкоштучные эл-ты крупноразмерными. Крупные блоки по месторасположению: рядовые, угловые, перемычные. Угловые длиннее рядовых на толщ блока, высота та же. Длина рядовых блоков 990–2990мм ч/з 500мм, толщ – 300, 400, 500, выс 585, 1185, 1785мм. Перемычные блоки выс 585, 1185, длину 5990, ширина та же. Мат-л: легкие бет (плотность 800–1200кг/м3 керамзито-, аглапорито-, шлакопемзо, перлитобет). В «канавках» крупных блоков находятся Т-образные анкеровочные стержни. Верх блока заваривают на закладную деталь. Гориз шов 15 мм, верт – 10 мм. В местах совпадения верт швов д.б. уложена гориз арм диаметром 8–10 мм. Рядов и углов блоки не армир-ся, арм-ся только перемычечн. Стены явл-ся самонесущ, опир-ся на фунд балку.

Констр-я крупноблочн стен: а—общ вид блока; б — разрез стены; в — деталь крепления блоков к кол; 1 — колонна; 2 — ферма; 3 — наружн стена; 4 — цокольный блок; 5 — фунд балка; 6 — Т-образный анкер.


 

1.40 Стены пром. зд-й. Треб-я к наружн стенам. Стены из пан. Крепление пан к кол.

Треб-я: обеспеч t-W режима в соотв с треб-ми технолог проц и усл-ми комфортного труда; проч-ть, огнестойкость, долговечность, надежность, устойч-ть в разл усл-х экспл-ции; констр-ции - индустриальны, удобны для транспортировки, монтаже; ремонтноспособны; им. небольш массу; эстетичны; высокие теплозащ св-ва, энергосбережение; экон. 1эт - наружн стены - 12% от общ. ст-ти стр-ва; многоэт - до 20% => < ст-ти мат-ла технологичностью мат-ла и удобством монтажа => исп-е местн мат-в, отх пром произ-ва, ресурсосберегающ технологий.

По хар-ру статич работы наружн стены: 1. несущ (кирп, мелк и крупн блоки) - прим-т в бескаркасных зд и в зд с наполным каркасом. Ф-ции несущие и ограждающие; воспринимают вес перекрытий, покрытия, ветровые усилия, нагр от ПТО. Опирают на фунд балки по типу гражданских зд-й. Устой-ть и проч-ть м. повысить устр-ом пилястр с нар/внутр стороны. 2. самонесущ (кирпич, блоки, пан) - несут собств массу в пределах всей высоты зд и передают ее на фунд балку. Ветровые нагрузки воспринимает каркас зд/фахверк. Стеновое заполнение связывают с каркасом гибкими/скользящими анкерами, не препятствующ осадке стен. Высота их огранич-ся в завис-ти от проч-ти мат-ла, толщ стены, шага крайн кол, величины ветровой нагрузки. 3. навесные (ненесущ) - вып-т ограждающ ф-цию за искл-ем нижнего подоконного яруса, кот опир-ся на фунд балку (самонесущ). Кол воспринимают их массу ч/з обвязочные балки, ригели фахверка/опорные ст столики. Наиб распростр в пром зд. «-»: утяжеление кол, столики кол не доступны к осмотру.

Стены пром зданий м.б. выполнены из кирп, мелких и крупных блоков, асбестоцем и мет листов и панелей.

Стен пан - для стен про­м зд-й с различ t-W режимом. По положению в стене: рядовые; угловые удлиненные; перемычечные, усиленные для восприятия ветров нагр от оконн заполнений; подкарнизные и парапетные с дополнит заклад­ эл-ми для крепления к покрытию и приварки карнизных плит; простеночные, устанав­ливаем м/у раздельными окон проемами. По теплотех св-м: для неотапливае­мых (из ж/б)/отапливаемых (+утеплитель) зд. В соотв-и с шагом крайних кол длина всех панелей, за искл-м угловых и простеночных, 6 и 12 м; 2 осн выс: 1, 2 и 1, 8м, искл-е - парапетные (0, 9м) и подкарнизные (1, 5м) плиты. Цокольная панель прин-ся выс 1, 2м. Толщина зависит от назначения и констр-и.

Навесные стены отд ярусами опир-ся на мет столики, приваренные к кол. Окон проемы в таких стенах – ленточные. Самонесущ стены им окон проемы и простенки м/у ними. Самонесущ стены и ниж ярус навесных стен опираются на фунд балки. Устой-ть торц стен обесп-ся фахверковыми кол.

Для неотапливаем - пан из тяж бет В22, 5-В30 дл 6 (гладкие), 12м (с ребрами толщ 300мм). Для отапливаем: 1слойн - лег бет (ячеист, керамзитобет, аглопоритобет плотн 600-1200кг/м3)на t внутр возд 16-18град, W до 60%; толщ 160-350мм; 3слойн - легк бет - утеплитель (пенополистирол, мин вата, пенополиуретан), Wболее 75%, толщ 280, 300мм; слои соед-ся на гибких связях. Швы м/у пан заполн-т цем р-ром и упругими синт прокладками. С наруж стороны прокладки защищают герметизир мастиками.

Для панел м.б. применена верт и гориз разрезка. Гориз предпочтительнее, т.к. проще эл-ты крепления, лучше гермитизация швов. Верт прим-ся при легких многослойных панелях. Осн пр-п разрезки: min кол-во монт ед-ц и протяженность швов.

Для взаимоувязки отметок верха карниз­ной или парапетной панели и верха балки или фермы покрытия необходимо, чтобы нижняя плоскость верхней стеновой панели располагалась на 600 мм ниже опоры балки или фермы покрытия. В таком случае при высоте балки на опоре 800мм верхн стенов пан - вы­с 1200мм; при высоте фермы 1500 или 2700 мм — соответственно 1800 мм или со­стоять из двух панелей 1200 + 1800 мм.

Крепление пан. Навесные – консольный столик колонн в нижней части. Для навесных и самонесущ – по верху крепят на гибкие связи на анкерном стержне с фиксатором, на уголках, скрытые соед-ия (за кол) поср-вам скобы и крюка. В парапетн части - пан крепят к опорн части несущ констр-й покрытия. В торцевых стенах фронтонн пан - к ст наставкам фахв кол. Толщ гориз швов м/у пан 15мм, вертик швов 20 и 30мм для 6 и 12м соотв. Мат-л - упр эластичн, водонепроницаем (пароизол, гермит), но не р-р.

 

 

Компоновка стен в 1эт произв зд-х: а, б, в, ж — варианты раскладки горизонт продольных панелей на фасаде стен; г — вариант с прим-м вертикальной панели; д — то же, торцовых стен; е— разрезка панелей; 1 —панель; 2 — то же, гори­зонтальная с встроенными окнами; 3 —то же, цокольная

 

Детали опирания (а, б— на опорных столиках и на уголках) и крепления (в, г, д) стеновых па­нелей к кол: 1 — кол; 2 — закладные дет кол; 3 — опорный столик; 4 — панель стены; 5 — сварные швы; 6 — уголки, приваренные к закладным деталям; 7 — закладная деталь панели стены; 8 —элемент крепления; 9 и 11 — листы 50 х 6 и 50 х 10 см; 10 — стержень.

 

 

 

 

 

Уплотнение швов упругими мат-ми: а — вертик комбинированный шов с двойной и б — одинарной герметизацией; в — горизонт шов; г — то же, с заполнением только полужидкой мастикой «изол»; 1 — прокладка (пороизол); 2 — рас­шивка мастикой; 3 — полужидкая мастика «изол»; 4 — кол; 5 — стеновая панель.


 

1.41 Кровля и эл-ты огр констр-й. Сп-бы водоотвода и обл- их прим-я. Размещ-е воронок. Покрытия вып-т несущ и огр ф-ции; в плоскостной системе балочного типа огр часть - плиты, пан, настилы (несущ эл-ты огр-я), на них располаг-т пар-, гидро-, теплоизол-я. Восприним возд-я: 1. атмосф (солн радиация, дождь, снег, низкие t), 2. экспл-ные (высокие и низкие t, W, агрес среды). Треб-я: высок стойкость против возд-й, надежн защ зд от преждевременного износа и разрушения. От массы покрытия и его тепло-тех кач-в зависит экон-ть зд. Кон-ции покрытия д. предусматривать возм-ть устр-ва светоаэрационных фонарей, обеспечивать ремонт и восст-ние и обладать достаточной огнестойкостью. В зависимости от произ-технолиг режима покрытия - утепленные и холодн (в неотапливаем зд-х и в зд-х с большими тепловыделениями). Утепленные покрытия сост из несущ слоя (плиты, настилы, листы), теплоиз, защищенной паро- и гидроиз-ции. В необх случаях в констр-ю утеплителя вводят: воздушные прослойки /отв для вентиляции огражд-я. Холодные покрытия сост из несущ эл-тов, гидроиз ковра/эл-тов, объединяющ в себе несущие и гидроизолирующ ф-ции (асбестоцем листы). Невентилируемые ограждения устр-т над помещ-ми с сухим и норм влажностным реж. Вентилируемые – с влажным и мокрым реж, в зд, возводимых в р-нах с продолжит жарким периодом года.

Сист покрытия м. устр-ся по проганам / беспрогонн. Покрытия по прогонам устр-ся из-за недостаточной жесткости несущ плит настилов и листов с ограниченн пролетом. Кровлю по прогонам устр-т с прим-м легкобет плит, а/ц или мет листов; кровельные настилы укладывают по ст, ж/б или дерев прогонам. Беспрогонные настилы покрытий устр-т из крупноразмерных панелей (плит) длиной 6 и 12 м, шириной 1, 5 и 3 м. Чаще всего такими покрытиями явл-ся ребристые ж/б плиты с размерами в плане 1, 6х6, 3х6, 1, 5х12 и 3х12 м, ребристые ж/б панели-оболочки типа КЖС, ж/б плиты типа «Т» и «2Т». Утепление ж/б крыш произ-ся легкобет настилами, насыпными, мягкими или синтет утеплителем. Наиб эф-ны утепленные панели покрытия, совмещающие ограждающие и несущие ф-ции. Плиты укладываются вдоль пролета с опиранием на подстропил балки и фермы. Размер пролета 18, 24 м.

Мат-л и кон-ю кровли назначают в завис-ти от уклона покрытия и вида возд-й. Рулонная кровля. Из: рубероид, толь, гидроизол, полимерные пленки; 4-хслойн при уклоне 2, 5%, 3-хсл – при 2, 5-10%, 2-хсл – при 15-25% (на теплостойких мастиках). Рулонный мат-л приклеивается на мастики (холодные толщ1мм или горячие толщ2мм). Увеличить срок службы рулонных кровель м. за счет уменьшения уклона, 1, 5-2, 5% - самый оптимал вариант. Этот вид кровли имеет защитн слой из некрупного гравия (не более 10мм), втопленного в мастику. Пленки позволяют сделать кровлю в 1 слой, но осн-ие под них д.б. ровным и жестким. Пленки соед-ся с осн-ем полосовой/сплошной наклейкой / на клей. По верхней части пленки устраивают защитн окрасочный слой. Мастичная кровля. Устр-ю в завис-ти от уклона в 2-4 слоя мастики. Кажд из слоев арм-ют стеклохолстом/стеклосеткой. Сверху устр-т защ слой из гравия (аналогично рулонной). При уклоне 0-2, 5% - 4слоя, 2, 5-10% - 3 слоя, 10-25% - 2 слоя. Последний слой выполняют из рубероида с крупнозернистой/чешуйчатой посыпкой. Мастичные кровли м.б. вып-ы с прим-м жидких составов на основе полимеров (силикон, теакол) по массивному бет осн-ю, на кот. насухо укладывают армирующую ткать (на кот. и наносят жидкий состав полимера). Для защ от истирания полимерный слой после вулканизации окрашивают. На основе мастик наиб надежна малоуклонная кровля (до 2, 5%). Для предотвращения повреждений кровли предусматривают тем-усадочные швы шириной до 5 мм ч/з каждые 3м по шир и дл. Для предотвращения некачественно выполненной пароизоляции (от вздутия) исп-т полосовую/точечную приклейку нижнего слоя гидроизоляционн ковра к осн-ю. А/ц кровля прим-ся для произ зд шир не > 27 м с холодн/утепленным покрытием. Прим-ся а/ц листы униф-го профиля УВ-6, УВ-7, 5 и усиленного профиля ВУ; в с/х зданиях с чердачными крышами м.б. исп-ны а/ц листы ср профиля СВ-1750, СВ-2500. Они м.б. окрашенн/неокрашенн. Уклон кровли из УВ-6, УВ-7, 5, ВУ не менее 10%, вып-ся с г/и продол и попер соед-ий м/у листами, уклон в 20 % - без г/и. СВ прим-т при чердачных кровлях, уклон 10-25 %. Марка а/ц листов ОВ прим-ся при больших уклонах. Осн-ие – прогоны из стали, при ОВ м.б. дерев обрешетка. Листы крепятся с нахлесткой в 1 волну, вдоль ската нахлест не менее 150 мм, но не более 300мм; при чердачной кровле нахлест > /=200 при уклоне 25% и > /=120 мм при уклоне 33%. А/ц листы крепятся при помощи ст оцинкованн крюков/скоб, к дерев обрешетке – оцинкован шурупами. При больших скатах допускается гвоздить. Мет кровля. Мет листы м.б. ст оцинкованными/алюм. Ст: толщ 0, 8-1, 5мм, шир 0, 6-1 м, выс 40-80мм. Алюм: толщ 0, 5-1, 2 мм, шир8-2 м, выс25-70 мм. Дл настилов 2-12м. Настилы уклад-т по прогонам/несущим констр-м покрытия. Шаг прогонов 1, 5-3м. Крепление самонарезающимися болтами в концах в каждой впадине и если соед-ся 2 листа в не менее чем 3 местах. В случае волнистых листов, их крепят спец крюками-болтами. Легкосбрасываемая кровля устр-ся в помещениях категории А, Б, В в виде настилов из а/ц листов усилен профиля, настил укладывается поверх спец ж/б плиты с отверстиями в полке. Размеры плит 6х3, 6х15 м, толщина 300 мм. Масса такой кровли не д. превышать 120 кг/м3. Гравийный защитный слой на такую кровлю не делается.

Водосток м.б. орг-ным и неорг-ным, наружным и внутр. Неорг нар водосток прим-ся для произ зданий высотой до 10 м с хол реж раб, с покрытием по дерев констр-м, с шир до 36м. В кирпич зд устр-вом карниза свесом не более 300мм, в блочных – при помощи карнизных плит. Организован нар водосток устр-ся в завис-ти от площади водосбора. Площадь водосбора для скатных кровель 600-800 м2 на 1 воронку. Расст-е м/у воронками не > 24м. Площадь сечения трубы назначается из усл-ия: 1, 5 см2 на 1 м2 площади водосбора. Внутр водоотвод. Состав: водоприемные воронки, водосточные трубы, стояки, подпол или подвесной трубопровод и выпуски. Схему водоотвода выбирают в завис-ти от размеров и назначения зд и величины пролетов, кон-ции кровельного покрытия. Для 1пролетн зд лучшая схема – с 1 воронкой на стояке. При 1сторонн расположении канализации по отн-ю к зд прим-ся сист подпольных/подвесных трубопроводов. Подвесной трубопровод прим-ся при тяжелом технологическ оборуд-и. Гл пр-п при проек-нии водостока многопролет зд – min кол-во воронок на 1 водосток. Кол-во воронок назначается в завис-ти от климат усл-й, типа кровли и сист внутр водоотвода, важно учитывать интенсивность дождей.

Места установки воронок на кровле выбирают с учетом профиля покрытия и допускаемой площади водосбора на 1 воронку. На скатных покрытиях воронки размещают в ендовах. Расст-е м/у воронками в ендовах скатных покрытий не д. превышать 24 м, а на плоских – 48м. Расст-е от осей воронок до продол и попер разбивочных осей – 500мм. Min уклоны отводных трубопроводов: для подвесных 0, 005, для подпольных 0, 003-0, 005 в завис-ти от диаметра труб. На сети внутр водостоков для ее прочистки устр-т смотровые колодцы и ревизии. В завис-ти от выс и назначения зд, сх и усл-й раб внутр водостоков стояки, трубопроводы и выпуски монтируют из чугунных, а/ц и пластмассовых напорных труб. Подпольные трубопроводы и выпуски м. вып-ть из керамич, бет и ж/б труб. Диаметр труб опред-ся расчетом. Стояки размещают обычно открыто рядом с кол и крепят к ник хомутами. В зд с повышен треб-ями к чистоте стояки располагают скрыто. Подвесные трубопроводы крепят к несущ кон-циям покрытия. Ширина ендов принимается с учетом уклона кровли и размера привязки. При «0» - 0, 4м (при уклоне 1: 3) и 0, 75 (при уклоне 1: 8-1: 12). В неутеплен покрытиях воронка устан-ся на гориз пов-ть б-на, в утеплен – на легкобет или т/и вкладыши. В покрытиях с несущим мет профнастилом воронки монтируют на стальных оцинкован поддонах. Водоотвод с фонарей осущ-ся, если они шире 12 м.

Индустриальная конструкция комплекс­ной панели: 1 — гидроиз-я; 2 — стяжка; 3 — теплоиз-я; 4 — пароиз-я; 5 — ж/б/легкобе­т плита.

Решение внутренних водостоков скатной кровли: а — вариант с подпольным расположением трубопровода; б — пристенная ендова; в — средн ендова; г — во­досточн воронка; 1 — парапетн пан; 2 — дюбеля ч/з 600мм; 3 — ст полосы ч/з 600 мм; 4 — обделка парапета из оцинкованной кровельной ст; 5 — ст полоса по всей длине; 6 — фартук из оцинкованной кровельной ст; 7 — переходный наклонный бортик из материалов основания под кровлю; 8 — защитн слой; 9 — водоприемный колпак; 10 — осн водоизоляционный слой; 11 — ос­нование под кровлю; 12 — теплоизоляционный слой; 13 — плита покрытия; 14 — воронка; 15 — доп водоизолирующий ковер; 16 — чаша водоприемной воронки; 17 — зажимный хомут; 18 — обойма из цем-песч р-ра (легк бет); 19 — пароизоляция; 20 — накладная гайка с шайбой.

1.42. Меры по обеспеч-ю противопож и противовзрывн безоп-ти пром зд-й - обеспеч-ся планировоч и конструк­т мероп-ями со­отв-но категории п/пр по взрывопож опасности. Планировоч мерами явл-ся выбор этаж­ности зд, места располо­жения наиб опасного уч-ка произ-ва, ограниче­ния размеров площадей поме­щений м/у противопожар­ стенами (в соотв-ии с категорией произ-ва и этаж-тью зд) и обеспечение возм-ти без­опас эвакуации людей. При технолог допу­стимости опасные уч-ки произ-ва располагают в одноэтаж зд у наруж стен, а в много­этаж - на верхнем этаже. Для эва­куации людей предусмат­ривают эвакуационные пу­ти и выходы наружу не­поср-но или ч/з смежные помещения, в к-ых размещены произ­-ва, не представляю­щие опасности в пожар­ном отн-нии. Кон-ции таких помещ-ий проек-ют с огнестой­костью не ниже III ст. Длина эвакуацион пути – рас-ие от наи­б удаленного раб места до ближайшего эва­куацион выхода - ко­леблется от 50 до 100 м в одноэтаж и от 30-40 до 75-80 м в зд вы­сотой два и более этажа в завис-ти от категории произ-ва по пожарной опас-ти. Эвакуа­цион выходами служат двери и ворота (за искл-ем ворот для подвижного ж/д состава). Конструктивными мерами обеспечения противопож и противовзр безопас-ти служат прим-ние несгораемых кон-ций с пре­делами огнестойкости, соотв-щими категории произв-ва, а в не­обх-ых случаях также и прим-ие легкосбрасываемых ограждений. Легкосбрасываемые при возд-вии взрывной волны наружные ограж­дения прим-ют в зд с произ-вами категорий А, Б и В. Площадь легкосбрасываемых ограждений принимают на 1 м3 взрывоопас помещения не менее 0, 05 м2 в зд с произ-вами категорий А и В и 0, 03 м2 с произ-вами категории Б. С этой же целью в многоэтаж зд с произ-вами А, Б и В предусм-ют в м/уэтаж перекрытиях открытые или перекрытые решетчатыми настилами проемы площадью до 15% площади этажа. Легкосбрасываемые ограждения представляют собой стены и покрытия из асбестоцементных, алюминиевых или стал листов с легким утеплителем, окна с заполнением обычным стеклом, фонарные пе­реплеты, двери, распашные ворота. Кроме планировочных и конструктивных применяются инж-тех меры обеспечения безопас-ти – оборуд-ие зд и по­мещений спринклерными или автоматич дренчерными устан-ками, а также устан-ками автоматич пожарной сигнализации.


 

1.43 Детали устр-ва деф швов, сопряжений покрытий и стен пром зд-й. В пром зд-х с большими размерами в плане/состоящ из нескольких объёмов с различными выс и нагрузками на основание, предусм деформационные швы, которые в зависимости от назначения подразделяют на температурные, осадочные и антисейсмические. Температурные швы имеют целью предохранять от образования трещин конструкт эл-ты зд-й вследствие деф-ций, вызываемых колебаниями t наружн и внутрен возд. Темп швы (прод и поперечн), расчленяя по вертикали все надземные констр-и здания на отд части, обеспечивают независимость их горизонт перемещений. Фунд и др подземные эл-ты зд-я не расчленяют темп швами, т.к. они под возд-м t не деформируются до опасной величины. Осадочные швы - в тех случаях, когда ожидается неодинаковая и неравномерная осадка смежных частей зд-я. Такая осадка м. происх-ть при значительной разнице высот смежных частей (> 10м/выше 3 эт), при различных по величине и характеру нагр на основ-е, при разнородных грунтах основ-я под фунд и наличии пристроек к зд-м; устр-т в стыках смежных частей зд-я, и в отличие от температурн они расчленяют по вертикали все констр-и зд-я, допуская самостоятельную осадку отд его объёмов. Они обеспеч и горизонт перемещ-я расчленённых частей, поэтому их м. совмещать с температурн швами - температурно-осадочными швы. Антисейсмические швы - в зданиях, располагаем в районах с землетрясениями. Такие швы разрезают зд-я на отд отсеки, представляющ собой самостоятельн устойчивые объёмы, и обеспечивают их независимую осадку.

В пром.зд-х массового стр-ва обычно устр-т только температурн швы, кот подразделяют на поперечн и прод. Расст-е м/у темп швами назнач в завис-ти от конструктивн реш-я зд-я, климат показателей района стр-ва и t внутр возд. В деревянно-каркасн зд-х темп швы не устр-т. Для ж/б конструкций 1эт пром зд-й расст-е м/у темп. швами допускается без расчёта увеличения на 20%, а при обосновании расчетом и на большую величину. При сборн ж/б каркасе наиб расст-е м/у темп швами: в неотап и откр сооруж-х - 40 м, в отапливаем - 60м; в монолитн соотв - 30 и 50 м; из легк бет - 250 и 40 м; смешан - 40 и 60 м; ст - в неотапл - 200 м, откр - 130 м, отапливаем - 230 м.

Поперечные темп швы в 1эт зд-х устр-т на парных кол без вставки, а в многоэт зд-х – на парных кол со вставкой/без неё. Более технологичны швы без вставки, т.к. для них не требуются доборные ограждающ эл-ты. Парные кол в местах поперечных темп швов опирают на общ фунд.

Продольные темп швы в 1эт зд-х устр-т на 2 рядах кол со вставкой, ширину кот в завис-ти от вида привязки в смежных пролётах принимают 500, 750 и 1000мм. При совмещении продольного темп шва с перепадом высот смежных пролётов размер вставки принимают иным. Эти условия соблюдаются и в местах примыкания взаимно перпендикулярных пролётов.

В зданиях с ж/б каркасом без мостовых кранов допуск-ся устр-ть прод темп швы на одинарных кол. При этом несущ констр-и одного из прилегающих к шву пролётов ставят на кол ч/з скользящие прокладки из фторопласта/катковые опоры. Такой шов, отличаясь простотой, позволяет отказаться от парных кол и подстропильных констр-й, от доборных эл-в в стенах и покрытии (рис. а, б).

В зданиях без кранов с мет/смешанным каркасом (ж/б колонны и ст фермы) прод темп швы также допускается конструировать на одном ряду кол. При этом фермы одного из пролётов, прилегающих к шву, опирают на кол ч/з гибкие мет пластины (рис. в).

В ограждающ констр-х зд-я темп швы предусм в тех же местах, что и в несущ констр-х. В полах устраивают доп швы. Темп швы в покрытиях вып-т без разрыва кровельного ковра (рис г, д). Швы перекрывают полуцилиндрическими стальными компенсаторами; к плитам покрытия их крепят дюбелями. На компенсаторы укладывают мин плиты, затем оцинкованную ст и водоизоляционн ковер, кот в пределах шва усиливают доп слоями из рулонн мат-ла и стеклоткани на мастике. Для заделки кровельн ковра в местах перепада высот на покрытии пониженных пролётов устраивают кирпичную стенку (рис, е). Сверху шов покрывают компенсатором и фартуком из оцинкованной стали.

Стенов панели в местах швов крепят к кол так же, как и рядовые (рис ж). В швах со вставкой прим-т спец доборн блоки. Полость шва заполняют просмоленной паклей/упругим мат-м. Иногда шов закрывают компенсатором, прикрепляемым к стенов панелям дюбелями.

Темп швы в полах на грунте с бет подстилающим слоем и при жестких покрытиях предусм только в помещ-х, в период экспл-ции кот возможны положит и отрицат t возд (рис з). Такие швы размещ ч/з 6-8 м во взаимно перпендикулярных направлениях. Швы (рис и, к) устр-т в местах расположения осн темп швов зд-я. В полах с уклоном швы совмещают с водоразделом стока жидкостей.

 


 


Поделиться с друзьями:

mylektsii.su - Мои Лекции - 2015-2026 год. (0.659 сек.)Все материалы представленные на сайте исключительно с целью ознакомления читателями и не преследуют коммерческих целей или нарушение авторских прав Пожаловаться на материал