Студопедия

Главная страница Случайная страница

КАТЕГОРИИ:

АвтомобилиАстрономияБиологияГеографияДом и садДругие языкиДругоеИнформатикаИсторияКультураЛитератураЛогикаМатематикаМедицинаМеталлургияМеханикаОбразованиеОхрана трудаПедагогикаПолитикаПравоПсихологияРелигияРиторикаСоциологияСпортСтроительствоТехнологияТуризмФизикаФилософияФинансыХимияЧерчениеЭкологияЭкономикаЭлектроника






Система охолодження






Двигун працює нормально тільки при певному тепловому режимі. Якщо циліндри та поршні від зіткнення з гарячими газами перегріваються, то підвищується їх зношуваність через вигоряння мастильного матеріалу. Відбувається коксування масла з відкладен­ням нагару. Зменшення зазорів внаслідок теплового розширення може призвести до заклинювання поршнів у циліндрах. Одночасно знижується потужність через погіршення наповнення циліндрів.

Таких негативних наслідків можна уникнути, якщо охо­лоджувати гарячі деталі двигуна. Проте надмірне охолодження теж неприпустиме. Якщо двигун переохолоджений, то збільшуються втрати тепла в процесі перетворення її в механічну енергію. Крім того, паливо погано випаровується, важко займається і не повністю згоряє, що знижує потужність і економічність двигуна, а значне ут­ворення нагару при неповному згорянні палива може призвести до залягання поршневих кілець і зависання клапанів. Зношуваність у переохолодженому двигуні теж збільшується, оскільки відбу­вається конденсація продуктів згоряння, які, перебуваючи в рідко­му стані, викликають сильну корозію гільз циліндрів, поршнів і поршневих кілець. Через збільшення затримки самозаймання пали­ва підвищується жорсткість роботи.

Найвигідніший тепловий стан двигуна в межах 85-95°С під­тримує система охолодження, яка відводить зайве тепло від деталей і передає її навколишньому повітрю. Для відведення тепла від нагрітих частин двигуна використовують рідинну примусову систе­му охолодження. Циркуляція охолодної рідини в такій системі відбувається під дією відцентрового насоса, що подає охолоджену воду з радіатора в сорочку охолодження блока циліндрів.

У сучасних дизельних двигунах застосовується замкнута систе­ма охолодження, ізольована від атмосфери і з'єднується з нею тіль­ки при відкритті повітряного або парового клапанів, розташованих у пробці радіатора.

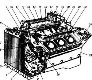
На рис. 1 наведена схема системи охолодження двигуна КамАЗ-740. Рідина, охолоджена в радіаторі 4, надходить з його нижнього бачка по нижньому патрубку у відцентровий насос 26 і подається ним у сорочку охолодження блока циліндрів 25. При цьому вона спрямовується до найбільш нагрітих частин блока і омиває зовнішні стінки цилінд­рів. Крім того, рідина проходить через отвори у верхній поверхні бло­ка в головку циліндра і охолоджує стінки камери згоряння. Нагріта рідина відводиться з сорочки охолодження блока і головок циліндрів через верхні труби, розміщені з боку розвалу блока циліндрів. Части­на рідини спрямовується для охолодження циліндрів компресора.

У двигунів ЯМЗ-236 і ЯМЗ-238 система охолодження (рис. 6.2) за конструкцією дещо подібна до описаної вище, але відрізняється відсутністю гідромуфти і деякими конструктивними особливостя­ми. Відцентровий насос, встановлений на нижній бічній частині кришки розподільних шестерень, подає охолодну рідину в подовж­ні канали нижньої частини блока циліндрів обома його сторонами. Завдяки наявності в стінках подовжніх каналів отворів, які спрямо­вують потік охолодної рідини, вона рівномірно розподіляється для відведення тепла від усіх циліндрів. Потік рідини спрямовується з нижніх розподільних каналів безпосередньо в головку циліндрів до стінок випускних каналів і стаканів форсунок, що сильно нагріва­ються під час роботи двигуна.

Рис. 1. Схема системи охолодження двигуна КамАЗ-740:

1 — шків рідинного насоса; 2 — пас приводу насоса і генератора; 3 — вентилятор; 4 — радіатор; 5 — шків вентилятора; 6 — перепускний патрубок; 7 — нагнітальний патрубок; 8 — верхній патрубок; 9 — термостат; 10 — водорозподільна коробка; 11 — сполучна труба; 12 — підвідна труба; 13 — труба права; 14 — відвідна трубка радіатора; 15 — впуск­ний трубопровід; 16 — датчик контрольної лампи перегріву двигуна; 17 — заливна гор­ловина; 18 — пробка з пароповітряним клапаном; 19 — розширювальний бачок; 20 — відвідна труба; 21 — компресор; 22 — трубка лівої відвідної труби; 23 — труба ліва; 24 — головка циліндрів; 25 — блок циліндрів; 26 — відцентровий насос

Рис 2. Схема системи охолодження двигуна ЯМЗ-238:

1 — випуск повітря при заповненні системи охолодження під час прогрівання пусковим підігрівачем; 2 — термостат; 3 — відведення охолодної рідини в радіатор; 4 — трубка перепускна; 5 — підведення рідини до компресора; 6 — підведення охолодної рідини з радіатора; 7 — рідинний відцентровий насос; 8 — отвір для установки датчика термометра; 9 — відведення гарячої води до опалювача кабіни

 

Рідина, яка охолодила стінки циліндрів, проходить у порожнину головки і надходить у два збірні верхні патрубки. У цих патрубках роз­ташовані термостати, що змінюють напрям руху рідини залежно від її температури. Далі рідина надходить у радіатор для охолодження.

Система охолодження спроектована і розрахована на найважчі умови, коли двигун працює з повним навантаженням при високій температурі навколишнього повітря. Щоб двигун не переохолодився в інших, більш легких умовах роботи, а при запуску забезпечувало­ся якнайшвидше його прогрівання, в системі охолодження є регу­люючі пристрої. Охолодження регулюють зміною кількості повітря і рідини, що проходять через радіатор. У двигунів КамАЗ-740 потік повітря регулюється автоматично періодичним вимкненням венти­лятора, що приводиться в дію гідромуфтою. Передбачена також

можливість регулювання потоку повітря зміною положення плас­тин жалюзі, які розташовані перед радіатором. Відкривають і закри­вають жалюзі з кабіни робочого місця водія.

Кількість рідини, що проходить через радіатор, автоматично регулюється термостатами. Залежно від температурного режиму двигуна рідина може циркулювати двома шляхами: великим замк­нутим колом при відкритих клапанах термостатів (сорочка охоло­дження — термостат — радіатор — рідинний насос — сорочка охоло­дження) або малим колом, минувши радіатор (сорочка охолоджен­ня — термостат — рідинний насос — сорочка охолодження). Напрям руху охолодної рідини показаний на рис. 1 і 2 стрілками.

Таким чином, при роботі двигуна оптимальна температура (75-98°С) охолодної рідини в системі підтримується автоматично за допомогою термостатів і ввімкненням при необхідності вентиля­тора таким чином: при 78°С починають відкриватися термостати і охолодна рідина частково надходить у радіатор; при 85-90°С у дви­гунах КамАЗ-740 включається в роботу вентилятор; при 95°С відбувається повне відкриття радіаторних клапанів термостатів і перекривається мале коло.

При зниженні температури охолодної рідини до 95°С почина­ють закриватися радіаторні клапани термостатів, відкриваються пе­репускні патрубки і охолодна рідина частково надходить до насоса по малому колу; при 85°С у двигунах КамАЗ-740 припиняється по­дача масла в гідромуфту і вимикається вентилятор; при 78°С повністю закриваються радіаторні клапани термостатів і охолодна рідина не надходить у радіатор.


Поделиться с друзьями:

mylektsii.su - Мои Лекции - 2015-2026 год. (2.226 сек.)Все материалы представленные на сайте исключительно с целью ознакомления читателями и не преследуют коммерческих целей или нарушение авторских прав Пожаловаться на материал